KotlowyJanek Opublikowano 4 Stycznia 2018 #1 Opublikowano 4 Stycznia 2018 Witam wszystkich forumowiczow Chcialem zapytac, jak moge poprawnie, lub praktycznie uzywac tego zaworu. Poprosilem moich hydraulikow zeby zrobili mi dodatkowy obieg i pompe zalozyli na powrocie, ale ze mam osobny powrot z jednej petli nisko przy podlodze, to nie chcialo im sie przerabiac i zalozyli na zasilaniu. Pompe chicialem nowa i lepsza niz wysluzony juz Turdus CP-43, to mowili, ze 500 zl, a pozniej przywiezli LFP PCOW 25/40 ktora mozna kupic za 250 zl. Co ciekawe, w wielu sklepach internetowych pisze, ze swietnie nadaje sie do CO, a producent podkresla w DTR, ze jest tylko i wylacznie do wody pitnej. Niestety w CO mam duzo zabrudzen i przydaloby sie je zalac chemia i wyplukac pompa z filtrem magnesowym i czastek stalych.. Ale poki co nie znalazlem zadnego hydraulika, w okolicach, ktory slyszalby o takim czyms :P No chyba ze moge wynajac gdzies maszyne? A wracajac do 3D to jest za odejsciem na petle CWU, od ktorej jest odejscie do otwartego naczynia wzbiorczego (na zdjeciu gola miedz bez izolacji, a pozniej pompa CWU przed zaworem zwrotnym. Z 3D mam odejscie do malego obiegu, schodzace prosto w dol i na zwyklym trojniku laczace sie z powrotem. Powrot z dwoch petli CO laczy sie z powrotem CWU, a pozniej tuz przed wejsciem powrotu z 3 petli lacza sie na tym trojniku co maly obieg. Niestety maly obieg nie chroni temperatury powrotu, gdyz 3D jest przed pompa, wiec zamiast dogrzewac powrot, podbiera z niego i schladza CO, a temperatura powrotu ma 48 stopni, przy 64 na kotle. Tak przynajmniej mi sie wydaje, a regulacja w skali 0-10 nie zmienia temperatury powrotu, wiec mam ustawione na 0 Gdy ustawie regulacje na poludnie od 10 na skali, to slychac jak doplyw do pompy jest znikomy i pompa sie meczy, bo odcina doplyw z zasilania, a temperatura na piecu gwaltownie wzrasta o 8-10 stopni. Po podlaczeniu i uruchomieniu nowego pieca, hydraulicy zauwazyli, ze jedna petla, ktora szla na dwa kaloryfery ma odejscie i laczy sie z petla CWU tuz nad wejsciem do wezownicy i ma zawor kulowy, ktorym mozna otwierac lub odcinac obiegi CO i CWU. Szkoda, ze miesiac wczesniej wymieniali mi wszytskie zawory na instalacji, w tym tez te, ale byli zbyt ograniczeni, zeby sie wysilic i przemyslec to. Co innego przez internet, albo telefon, czesto jest to niemozliwe, ale byli na miejscu 2 dni i patrzyli sie w to. Ustawili pompy rownolegle, o czym tez dopiero skumali, kiedy uruchomili sterownik na piecu, czyli troche za pozno. Kolejna rzecza jest wezownica w ktorej slysze jak powietrze w obiegu przeplywa przez nia. Czasem udaje mi sie zlapac to powietrze, poprzez odciecie zaworu na wejsciu, lub na wyjsciu z zasobnika. Wtedy recznym odpowietrznikiem na trojniku na wejsciu do wezownicy spuszczam powietrze, ale ono ciagle powroca juz od ponad 2 miesiecy. Rowniez nie wiem jakiej pojemnosci jest zasobnik CWU. Wiem, ze to firma Biawar i ze moge go rowniez grzac pradem. 55 stopni na powrocie udalo mi sie osiagnac dopiero, kiedy hydraulik po kilku dniach przemyslen i telefonow ode mnie, wpadl na pomysl, zeby ten zawor dzielacy CO i CWU otworzyc i tak zostawic. I rzeczywiscie, powrot ma 5 stopni mniej niz temperatura na wyjsciu, ale za to takie ustawienie spowodowalo dziwne reakcje na palenisku. Czasem przy sprawdzonych ustawieniach ladnie pali, kopczy i brak spiekow, a zeby po nocy, lub kilku dniach, zaczac spiekac i wypluwac kalafiory.
gmaj22 Opublikowano 5 Stycznia 2018 #2 Opublikowano 5 Stycznia 2018 3D mi się nie podoba: na ostatnim zdjęciu pompa jest z prawej strony zaworu?
KotlowyJanek Opublikowano 5 Stycznia 2018 Autor #3 Opublikowano 5 Stycznia 2018 Tak, zasilanie wchodzi od dolu zaworu, lewa stona, gdzie jest 10 na regulacji to odejscie do obiegu ochrony powrotu, a z prawej, czyli na przeciwko 10 na regulacji jest pompa CO. Hydraulicy nie mogli zrozumiec ze ten zawor moze pelnic zarowno funkcje mieszajaca, jak i rozdzielajaca. A kiedy uslyszeli o silowniku do takiez zaworu, to stwierdzili, ze im mniej elektroniki to lepiej. Najlepsze ze mowilem im tez o takim zaworze, ale termostatycznym, bez silownika.. Ale madremu to nie powiesz..
gmaj22 Opublikowano 5 Stycznia 2018 #4 Opublikowano 5 Stycznia 2018 To już wyjaśniam, dlaczego mi się nie podoba: Zakres ruchu zwierciadła i oznaczenia skali powinieneś mieć tak jak zaznaczyłem na szkicu. Nawet jesli masz wersję pokrętła, w której wskażnik na pokrętle jest przestawiony 45 stopni wzgledem połozenia zwierciadła, to i tak masz w tej chwili żle ustawione. Jak ściągniesz czarne pokrętło, ścięcie na trzpieniu pokaże położenie zwierciadła. HERZ_zawor_3_drogowy.pdf
hajtaler428 Opublikowano 5 Stycznia 2018 #5 Opublikowano 5 Stycznia 2018 Po drugie to w tej chwili przy zaworze 3d na zasilaniu w funkcji mieszania nie ma mowy o ochronie powrotu. Jeśli ustawisz poprawnie zwieradło to będziesz mógł kontrolować temperaturę wyjścia na grzejniki co jest niepotrzebne przy termostatach na grzejnikach. Aby była ochrona powrotu zawór 3d musisz albo na zasilaniu zamontować w funkcji rozdzielenia(w tej konfiguracji jak masz teraz przeniesienie pompy między kocioł a zawór) albo na powrocie zamontować w funkcji mieszania(pompa między zaworem 3d a powrotem kotła ale wtedy dochodzi jeszcze kwestia podwyższenia naczynia) Zawór 3d powinien być z wkładką temperaturową 55st a nie z pokrętłem
KotlowyJanek Opublikowano 5 Stycznia 2018 Autor #6 Opublikowano 5 Stycznia 2018 Czyli mam zalozony 3D, bo chcialem chronic powrot, wiec mi zalozyli. Klient chce, klient ma.. Sztuka dla sztuki.. Tego, ze pompa miala byc na powrocie za 3D juz nie posluchali, tlumaczac, ze pomp nie zaklada sie w pozycji poziomej. Nawet schematy im drukowalem i pokazywalem, ale na niewiele sie zdalo. Fajne chlopaki, pomocni, ale za cholere nie chcieli sie niczego nowego nauczyc, od kogos kto nie jest hydraulikiem. CWU ogrzewam teraz obiegiem CO, gdyz obiegi sa polaczone na wejsciu do zasobnika, a termostaty i tak bardzo malo puszczaja na kaloryfery. Wiekszosc ustawione lekko ponad 3, cieple tylko u gory, 22-23 stopnie w pomieszczeniach. Powrot wiec mam zawsze okolo 5 stopni mniej niz na wyjsciu z pieca, teraz 60 na zasilaniu i 56,4 na powrocie. CWU jest zadane na 55, a temperatura CWU jest 58 i rzadko spada, wiec pompa CWU sie nie zalacza. Kiedy jednak spadnie ponizej 55, a pompa sie zalacza to slychac powietrze w instalacji i piec ma powazne problemy z dogrzaniem jej, a temperatura spada o kilka stopni ponizej zdanej na bardzo dlugi czas. Podsumowujac mam pompe CWU i zawor 3D za 400 zl , tak tylko zeby chyba ladnie wygladaly i sie kurzyly. Po zimie, pewnie przeloze pompe i 3D na powrot, bo zamierzam jeszcze zalozyc przed nimi odmulacz. Troche bedzie przerobek i lutowania, ale sprobuje to zrobic sam, bo jak zadzwonie po moich hydraulikow, to znow uslysze, ze sie nie da i, ze cuda wymyslam.. Swoja droga to ciekawe czy wogole slyszeli o czyms takim jak odmulacz :P Chcialem przy okazji zapytac, czy sporadycznie przeplywajaca woda z powietrzem przez wezownice CWU da sie jakos usunac? Mam odpowietrznik na wejsciu do zasobnika, ale kiedy go odkrecam to tylko leci woda. Kiedy odetne zaworem zasilanie, lub powrot z zasobnika to czasem udaje mi sie zlapac to powietrze i schodzi ono wtedy przez odpowietrznik. Czy automat zamiast recznego zalatwi sprawe? Przez to powietrze ciagle pompa jest zapowietrzona i sluchac jak w srodku bulgota. Odpowietrzalem ja juz ze 100 razy, czesto wlaczajac na 3 bieg i zostawiajac odkrecony odpowietrznik na 5-10 minut jak w DTR zaleca producent. Pomagalo na pare minut, a pozniej znowu slychac bombelki powietrza niej, a po odkreceniu sruby uchodzi znow powietrze.
sambor Opublikowano 5 Stycznia 2018 #7 Opublikowano 5 Stycznia 2018 Prawidłowo wykonana instalacja otwarta powinna się sama odpowietrzać i o tym też nie słyszeli twoi fachowcy.
KotlowyJanek Opublikowano 6 Stycznia 2018 Autor #8 Opublikowano 6 Stycznia 2018 A moglbys wyjasnic w jaki sposob by sie sama odpowietrzala? Widzialem cos takiego jak separator powietrza na wyjsciu z pieca przed pompa. Gdzies na tym forum jest temat. Przez wiele lat byly automatyczne odpowietrzniki w kaloryferach na pierwszym pietrze, ale dwa z nich sie zawiesily chyba od zabrudzenia i ciekly. Hydraulicy stwierdzili, ze to uklad otwarty i trzeba wszytskie sciagnac i zalozyc reczne. No i co jakis czas musze odpowietrzyc jeden lub dwa, gdyz zbiera sie w nich powietrze. Nie wiem czy mieli racje, ale wiem ze automaty w ukladzie otwartym dzialaly poprawnie, a byly zalozone za zaworami zwrotnymi wiec mozna je bylo sciagac i czyscic w miare potrzeb.. Czy warto by te automaty przeczyscic i zalozyc spowrotem?
odpowietrznik Opublikowano 6 Stycznia 2018 #9 Opublikowano 6 Stycznia 2018 Po pierwsze rura wzbiorcza do naczynia o odpowiednim rozmiarze stal 1" lub Cu 28 powinna iść bezpośrednio w górę od kotła.O ile z foto wnioskuje że rozmiar rury jest chyba OK to już jej poprowadzenie jest karygodne-nawalone trójników i kolan(nie wiadomo czy nie ma jeszcze kolejnych kolan na wyższych kondygnacjach)
gmaj22 Opublikowano 6 Stycznia 2018 #10 Opublikowano 6 Stycznia 2018 Układ grawitacyjny jest w stanie sam sie odpowietrzać, jak wspomniał sambor, pod warunkiem, że wykonany jest prawidłowo i rury prowadzone z właściwymi spadkami
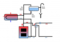
sambor Opublikowano 6 Stycznia 2018 #11 Opublikowano 6 Stycznia 2018 Pompowy też się odpowietrzy, tylko musi być jak już koledzy wspomnieli rura do naczynia wprost w górę od kotła i pompy ustawione na minimalne potrzebne do prawidłowej pracy biegi. Poniżej 2 takie przykłady prawie prawidłowo podłączonego naczynia otwartego
gmaj22 Opublikowano 6 Stycznia 2018 #12 Opublikowano 6 Stycznia 2018 Napisałem "grawitacyjny" - miałem na myśli "otwarty", a więc pompowy równiez :) Ten pierwszy schemat pokazuje ponadto, jak powinien byc prawidłowo wpięty obieg ładowania bojlera: za odejściem do 4D a nie przed, jak to często widać. Oczywiście znaczenie mają również średnice rur.
KotlowyJanek Opublikowano 6 Stycznia 2018 Autor #13 Opublikowano 6 Stycznia 2018 Mysle ze powodem przez, ktory tak to zrobili jest to, ze kiedy za 5 lat kiedy skonczy sie okres umowy zwiazanej z dotacja gminy, podlaczymy spowrotem smieciucha, zeby ogrzewac CWU drewnem w lecie. Do ogrzania CWU od temperatury wody z wodaciagow do 60 stopni potrzebuje 3kW i 2 godziny pracy. Dlatego tez prosilem ich zeby zostawili odejscia do podlaczenia zasypowca ktorego uzywalem zreszta zawsze w lecie, a poprzedni piec na ekogroszek latem byl wylaczony.. Nie chce zeby 19 kW piec kisil mi sie w lecie na podtrzymaniu, wiec poki co bede ogrzewac ten zasobnik pradem. Przez 5 lat nie moge podlaczyc zadnego innego pieca, ani uzywac innego paliwa , niz do dotowanego pieca. W przypadku kontroli, musialbym zwracac dotacje z odsetkami. Dlatego widoczne na zdjeciach jest odejscie i zawor, gdzie ten smieciuch bedzie podlaczony. Przez 5 lat drewno sobie ladnie wyschnie, a w lecie kiedy zapotrzebowanie na ciepla wode bedzie bardzo male, to 2-3 kawalki drewna i w 30 minut zasobnik cieplej wody. Choc faktycznie mogli wypuscic od razu z wyjscia kotla rure pod sufit i dopiero wtedy odsadzke. Trasa naczynia zbiorczego od sufitu w gore jest ze starej instalacji, ktorej oni akurat nie robili i nie jestem w stanie nawet zobaczyc czy jest to prosta rura do naczynia, czy sa tam jakies kolana i odsadzki. Nie chcialo im sie przerabiac. mieli zaplanowane podlaczenie nowego pieca, na starej instalacji, co zajelo im caly dzien. Robote + materialy, w tym nowa pompa i zawor 3D, wycenili na 2 tys, oczywiscie cene podajac po wykonaniu roboty, ale akurat mysle ze to dobra cena w miare byla. Sam wiem, ze niestety ale bledy poprzednikow sa czesto bardzo trudne do wyeliminowania, albo bardzo czasochlonne i kosztowne.
Rekomendowane odpowiedzi
Zarchiwizowany
Ten temat przebywa obecnie w archiwum. Dodawanie nowych odpowiedzi zostało zablokowane.