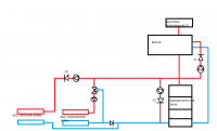
pop Opublikowano 10 Lutego 2017 #26 Opublikowano 10 Lutego 2017 W przyszłości zag poddasze?? więc zb. wyrównawczy musi na poddaszu byc, i przygotuj sobie końcówgi, aby w przyszłości podpiąć grzejniki na poddaszu.tu masz schemat pogladowy, wg twego schematu, bo nie napisałeś czy kocioł jest np w piwnicy, czy na tym samym parterze. tak wygląda układ otwarty.układ zamknięty, to naczynie przeponowe możesz przy kotle mieć.
kristof82 Opublikowano 10 Lutego 2017 Autor #27 Opublikowano 10 Lutego 2017 Witam Tak to ma wszystko ma wyglądać. Bez żadnych zaworów 3D czy 4D i pompy na powrocie. Zbiornik na poddaszu , a kocioł jest na parterze.
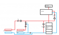
Griszah Opublikowano 10 Lutego 2017 #28 Opublikowano 10 Lutego 2017 ... schemat rewelacja, na podłogę będziesz szło to co na kotle.
papasmurfek Opublikowano 11 Lutego 2017 #29 Opublikowano 11 Lutego 2017 Tu masz jeden z lepszych koncepcji jeśli chodzi o instalację z kotłem na paliwa stałe. Modyfikuj wg. swoich potrzeb. Z pompy kotłowej możesz zrezygnować puszczając pompę cwu na stałe. A do ochrony przed zbyt wysoka temp cwu służy termostatyczny zawór mieszający. Kolego @pop zrobienie instalacji na jednej pompie jest tańsze, ale czy lepsze? Nie sądzę. Twoja koncepcja instalacji jest niepoprawna. To nie ma szans na sprawne działanie.
kristof82 Opublikowano 15 Lutego 2017 Autor #30 Opublikowano 15 Lutego 2017 Witam ponownie czy tak jak na poniższym schemacie też jest dobrze ?
kristof82 Opublikowano 15 Lutego 2017 Autor #32 Opublikowano 15 Lutego 2017 A reszta może być czy jeszcze coś można zmienić?
Gość Digitrax Opublikowano 15 Lutego 2017 #33 Opublikowano 15 Lutego 2017 Przed każda pompą bezpośrednio filtr skierowany sitkiem do dołu. No i oczywiście zawory kulowe przed tym filtrem i za pompa by można było czyścić filterki bez spuszczania wody z obiegu.
kristof82 Opublikowano 16 Lutego 2017 Autor #34 Opublikowano 16 Lutego 2017 Czy do sterowania zaworem 3D (zabezpieczeniem przed przegrzaniem podłogówki) dobry będzie: "Siłownik zaworu AFRISO 343 + Sterownik TECH ST-431N"? instrukcja_obslugi_tech_st-431n.pdf
odpowietrznik Opublikowano 16 Lutego 2017 #35 Opublikowano 16 Lutego 2017 Zawór 3D Afriso ARV+do niego siłownik ARM 3-punktowy 343.Ten sterownik zgodnie z instrukcją obsłuży siłownik zaworu mieszającego.Należy wybrać typ zaworu:CO lub podłogowy i określić czas otwarcia siłownika(pisze na tabliczce znomionowej siłownika)oraz ustalić kierunek obrotów.
odpowietrznik Opublikowano 16 Lutego 2017 #37 Opublikowano 16 Lutego 2017 No ten st 431n TECHA moze być
kristof82 Opublikowano 16 Lutego 2017 Autor #38 Opublikowano 16 Lutego 2017 Ok dzięki za szybką podpowiedź.
odpowietrznik Opublikowano 16 Lutego 2017 #39 Opublikowano 16 Lutego 2017 Oczywiscie mozesz tym sterownikiem regulować obieg grzewczy pogodowo wg.krzywej grzewczej(musi być czujnik zewnętrzny)
kristof82 Opublikowano 16 Lutego 2017 Autor #40 Opublikowano 16 Lutego 2017 Ok, a jakiej mocy pompa do podłogówki ? 5 obwodów w sumie około 70m2.
odpowietrznik Opublikowano 16 Lutego 2017 #41 Opublikowano 16 Lutego 2017 Zależy jak długie pętle.Jak ok. 80 metrów(razem z komunikacją)to wystarczy 40ka Pompę się dobiera do najbardziej niekorzystnego obiegu.Ważne też są średnice rur do rozdzielacza jak i rozmiar samego zaworu 3D
kristof82 Opublikowano 17 Lutego 2017 Autor #42 Opublikowano 17 Lutego 2017 Czyli nie zaszkodzi kupić trochę większą np 1-6 albo 1-8 jest większe pole manewru.
sambor Opublikowano 17 Lutego 2017 #43 Opublikowano 17 Lutego 2017 Ale jak pompa będzie za duża w stosunku do pozostałych elementów instalacji - rury , zaw 3-D, to instalacja będzie głośna
Rekomendowane odpowiedzi
Zarchiwizowany
Ten temat przebywa obecnie w archiwum. Dodawanie nowych odpowiedzi zostało zablokowane.