JarekWie Opublikowano 23 Grudnia 2016 #1 Opublikowano 23 Grudnia 2016 Na wstępie jako nowy użytkownik chciałbym wszystkich serdecznie przywitać, a jako laik w kwestiach instalacji CO prosić o pomoc i ocenę mojej koncepcji instalacji w układzie mieszanym grzejniki/podłogówka. Ostatnim czasem zabrałem się za remont domu po dziadkach połączony ze sporą przebudową. Obecnie jestem na etapie tworzenia koncepcji ogrzewania w układzie mieszanym grzejniki/podłogówka. W instalacji chciałbym wykorzystać to co zostało mi z wcześniejszej instalacji obsługującej parter, tj. piec węglowy z nadmuchem, pompa C.O., bojler CWU zbiornik wyrównawczy i drobnica typu zawory. Na bazie posiadanych elementów zamierzam zbudować krótki obieg otwarty: piec, bojler CWU i wymiennik płytowy. Natomiast za wymiennikiem układ zamknięty ze zbiornikiem ciśnieniowym. Zawór mieszający termostatyczny regulujący temperaturę dla dwóch rozdzielaczy po jednym na parterze (sześć obiegów) i piętrze (4 obiegi) obsługujących grzejniki płytowe o łącznej mocy około 10 kW. Następnie odrębny zawór mieszający trójdrożny regulujący temperaturę dla rozdzielacza podłogówki na parterze, z którego zamierzam jedną pętlę pociągnąć do łazienki na poddaszu – łączna powierzchnia podłogówki to około 40 m2 w pięciu pętlach o zbliżonych rozmiarach. W celu wyeliminowania kolejnej pompy dla tych 40 m2 podłogówki wymyśliłem, że zastosuję pompę elektroniczną na powrocie tak aby obsługiwała wszystkie rozdzielacze. Pompa sterowana prostym regulatorem pokojowym, oraz włącznikiem termostatycznym umieszczonym na powrocie kotła. Dodam, że za zaworem termostatycznym podłogówki planuję umieścić zawór regulacyjny w celu umożliwienia zbilansowania przepływu grzejniki/podłogówka. Na schemacie nie umieściłem drobnicy typu zawory sitka itp. choć jestem zainteresowany waszą opinią co do miejsca usytuowania zaworów zwrotnych. Panowie czy ta instalacja będzie działać?
sambor Opublikowano 23 Grudnia 2016 #2 Opublikowano 23 Grudnia 2016 ...Panowie czy ta instalacja będzie działać? Raczej nie.
kiminero Opublikowano 23 Grudnia 2016 #3 Opublikowano 23 Grudnia 2016 To już spory eksperyment i moim zdaniem skończy się porażką regulacyjną. Definitywnie się nie wypowiadam, bo takich eksperymentów nie widziałem, nie robiłem. Zamiast zaworu TZM dla grzejników kup drugą pompę. On tam jest kompletnie niepotrzebny. Poza tym "standardowo" źle wpięte naczynie, zarówno to otwarte jak i ciśnieniowe. Oba naczynia powinny być po stronie ssawnej pomp. P.S. Ogrzewanie podłogowe powinno działać non stop. Inaczej wyczujesz dyskomfort pod nogami i stracisz cierpliwość czekając na ciepłą podłogę.
odpowietrznik Opublikowano 23 Grudnia 2016 #4 Opublikowano 23 Grudnia 2016 Może tak będzie działać)Pomijam filtry przed pompami i zawory odcinajace.
JarekWie Opublikowano 23 Grudnia 2016 Autor #5 Opublikowano 23 Grudnia 2016 To już spory eksperyment i moim zdaniem skończy się porażką regulacyjną. Definitywnie się nie wypowiadam, bo takich eksperymentów nie widziałem, nie robiłem. Zamiast zaworu TZM dla grzejników kup drugą pompę. On tam jest kompletnie niepotrzebny. Poza tym "standardowo" źle wpięte naczynie, zarówno to otwarte jak i ciśnieniowe. Oba naczynia powinny być po stronie ssawnej pomp. P.S. Ogrzewanie podłogowe powinno działać non stop. Inaczej wyczujesz dyskomfort pod nogami i stracisz cierpliwość czekając na ciepłą podłogę. Czyli tak będzie dobrze???
kiminero Opublikowano 23 Grudnia 2016 #6 Opublikowano 23 Grudnia 2016 Może tak będzie działać)Pomijam filtry przed pompami i zawory odcinajace. Źle wpięty powrót grzejników i autor chce zredukować ilość pomp, a ty je namnażasz. Na stronie pierwotnej jedna też da radę.
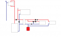
odpowietrznik Opublikowano 23 Grudnia 2016 #7 Opublikowano 23 Grudnia 2016 Teraz OK Tylko pytanie czy przy jednej pompie po stronie pierwotnej da się zarówno naładować zasobnik jak i zapewnieć ochronę powrotu kotła regulacją pomp przed i za wymiennikiem płytowym
kiminero Opublikowano 23 Grudnia 2016 #8 Opublikowano 23 Grudnia 2016 Powrót grzejników jest gorący, więc nie może stanowić źródła podmieszania podłogi. Cały układ mieszania ma być odrębnym obiegiem, do którego nic się nie wprowadza. Zawór zwrotny podłogi na rurze powrotu na wymiennik. Czyli tak będzie dobrze??? Dobrze po stronie wtórnej, ale strona kotła nadal źle. Naczynie wpinamy w górę kotła bezpośrednio, a pompę poprzez trójnik. P.S. Tak się wgryzłem w makowiec, że nie zauważyłem postu wyżej. Też dobry schemat.
JarekWie Opublikowano 23 Grudnia 2016 Autor #9 Opublikowano 23 Grudnia 2016 Powrót grzejników jest gorący, więc nie może stanowić źródła podmieszania podłogi. Cały układ mieszania ma być odrębnym obiegiem, do którego nic się nie wprowadza. Zawór zwrotny podłogi na rurze powrotu na wymiennik. Dobrze po stronie wtórnej, ale strona kotła nadal źle. Naczynie wpinamy w górę kotła bezpośrednio, a pompę poprzez trójnik. Propozycja.png P.S. Tak się wgryzłem w makowiec, że nie zauważyłem postu wyżej. Też dobry schemat. Czyli zawór tzw. pingpong po stronie kotła nie jest potrzebny? Panowie a wymiennik płytowy to dobry pomysł, czy może zastąpić go sprzęgłem hydraulicznym i zamknąć układ w ogóle lub całość wykonać jako otwarty?
sambor Opublikowano 23 Grudnia 2016 #10 Opublikowano 23 Grudnia 2016 Najprościej jest bez wymiennika, jak masz kocioł dopuszczony do układu zamkniętego to tak możesz zrobić , ale to będzie drogie rozwiązanie
kiminero Opublikowano 23 Grudnia 2016 #11 Opublikowano 23 Grudnia 2016 "Pingpong" potrzebny jak łysemu grzebień, umarłemu kadzidło, a hydraulikowi "druga" dziura w rurze. Wybór "ustrojstwa" (wymiennik/sprzęgło/nic) zależy od specyfiki warunków. Jak np. wyniesienie naczynia wysoko wiąże się z dużą demolką kolejnych kondygnacji, to lepiej wymiennik. To rozwiązanie nie wymaga dodatkowych urządzeń ochrony powrotu i separuje "gorący" kocioł od wrażliwych elementów strony wtórnej, gdzie dużo plastiku będzie. Sprzęgła to ja tam raczej nie widzę dla tego zestawu kocioł/odbiory.
JarekWie Opublikowano 23 Grudnia 2016 Autor #12 Opublikowano 23 Grudnia 2016 Najprościej jest bez wymiennika, jak masz kocioł dopuszczony do układu zamkniętego to tak możesz zrobić , ale to będzie drogie rozwiązanie Czyli sprzęgło i otworzyć cały układ tak? Bo nie jestem pewien którą opcję uważasz za lepszą.
JarekWie Opublikowano 23 Grudnia 2016 Autor #13 Opublikowano 23 Grudnia 2016 "Pingpong" potrzebny jak łysemu grzebień, umarłemu kadzidło, a hydraulikowi "druga" dziura w rurze. Wybór "ustrojstwa" (wymiennik/sprzęgło/nic) zależy od specyfiki warunków. Jak np. wyniesienie naczynia wysoko wiąże się z dużą demolką kolejnych kondygnacji, to lepiej wymiennik. To rozwiązanie nie wymaga dodatkowych urządzeń ochrony powrotu i separuje "gorący" kocioł od wrażliwych elementów strony wtórnej, gdzie dużo plastiku będzie. Sprzęgła to ja tam raczej nie widzę dla tego zestawu kocioł/odbiory. A na jakiej wysokości minimalnej powinno być naczynie przy układzie z wymiennikiem? Różne opinie słyszałem, jedni że 4 m inni że 0.3 m nad podgrzewaczem CWU Jeśli wywalenie naczynia na strych nie jest problemem to warto zastosować sprzęgło i otworzyć układ?
kiminero Opublikowano 23 Grudnia 2016 #14 Opublikowano 23 Grudnia 2016 Naczynie min 0.3m nad bojler i moja sugestia, min 1 m nad pompą (by ciśnienie napływu utrzymać na min 0,1 bara).
JarekWie Opublikowano 23 Grudnia 2016 Autor #15 Opublikowano 23 Grudnia 2016 Ale 0.3 nad bojler i wystarczy, czy im wyżej tym lepiej? I ostatnie pytanie, jak duży wymiennik do instalacji 13-15 kW i czy wymienniki promag są dobre?
kiminero Opublikowano 23 Grudnia 2016 #16 Opublikowano 23 Grudnia 2016 0.3 m wystarczy dla pompy na zasilaniu, ale jak masz miejsce to pod sam sufit dawaj. Wymiennik minimum 2x kocioł.
henryk1953 Opublikowano 23 Grudnia 2016 #17 Opublikowano 23 Grudnia 2016 Kolego ,skoro przerabiasz instalację to zbiornik wyrównawczy masz ,A skoro go masz to go możesz wykorzystać. Po co płacić za wymiennik. Tym bardziej jak czytam-cytat Ostatnim czasem zabrałem się za remont domu po dziadkach połączony ze sporą przebudową.
kiminero Opublikowano 23 Grudnia 2016 #18 Opublikowano 23 Grudnia 2016 Nie wyda na wymiennik, wyda na inne ustrojstwo ochrony powrotu.
JarekWie Opublikowano 23 Grudnia 2016 Autor #19 Opublikowano 23 Grudnia 2016 0.3 m wystarczy dla pompy na zasilaniu, ale jak masz miejsce to pod sam sufit dawaj. Wymiennik minimum 2x kocioł. A jaką średnicę na pierwotnym proponujesz, wystarczy 3/4 czy musi być 1? Za wymiennikiem do rozdzielaczy planowałem stab 25.
JarekWie Opublikowano 23 Grudnia 2016 Autor #20 Opublikowano 23 Grudnia 2016 Kolego ,skoro przerabiasz instalację to zbiornik wyrównawczy masz ,A skoro go masz to go możesz wykorzystać. Po co płacić za wymiennik. Tym bardziej jak czytam-cytat Ostatnim czasem zabrałem się za remont domu po dziadkach połączony ze sporą przebudową. Dużo by tłumaczyć, ze starego domu zostały piwnice parter ze stropem, reszta jest nowa, doszło poddasze ogrzewane pomieszczenia w poziomie piwnic (garaż i pralnia) i małą dobudówka, nowe kominy itd. Poprzednia instalacja to było 6 grzejników, teraz jest 9 + 2 drabinki i 40 m2 podłogówki, stary wyrównawczy jest mały i w sam raz na krótki obieg pierwotny.
henryk1953 Opublikowano 24 Grudnia 2016 #21 Opublikowano 24 Grudnia 2016 Kolego -jezeli nie masz jeszcze zrobionej instalacji ,to zrób instalację w układzie otwartym. Lub całą w układzie zamkniętym Po pierwsze to wychodzi najtaniej .Wymienniki stosuje się wtedy gdy to jest niezbędne z przyczyn technicznych .Tym bardziej że w twoim przypadku masz juz kocioł zasypowy , a on z wymiennikiem nie bardzo pasuje .W obiegu kotłowym masz mało wody i w momencie braku prądu kocioł dalej będzie grzał a nie będzie odbioru ciepła - efekt - gotująca woda .Co cię czeka częste uzupełnianie wody ,a jak w wodzie masz kamień to on chętnie odkłada się w wymienniku .Zrobisz jak uważasz ,ale proponuję ci przeczytać instrukcję takiego wymiennika i zwrócić uwagę czy jest odporny na szok termiczny,Bo w tandemie z zasypowcem o takie zjawisko nie trudno.Co innego jak byś miał kocioł z podajnikiem ,tam, jak jest brak prądu, to dmuchawa się wyłącza i kocioł nie grzeje. Na stronie bodajże Sasa jest sposób jak pożenić zasypowca z wymiennikiem. Ale to naprawdę jest ostateczność.
Rekomendowane odpowiedzi
Zarchiwizowany
Ten temat przebywa obecnie w archiwum. Dodawanie nowych odpowiedzi zostało zablokowane.