Skocz do zawartości

Rekomendowane odpowiedzi

Opublikowano

No właśnie wydaje mi się ze powinien pracować stabilnie i reagować szybciej to raz a zarazem oszczedzać opał takie ma niby zadanie i do tego został między innymi stworzony.

A jeżeli działa poprawnie w ciepłe dni a juz w zimniejsze nie daje sobie rady albo daje jak w moim przypadku tylko skutkiem ubocznym było wchlanianie ogromnej ilości opału to wydaje mi się że coś tu jest nie tak że algorytm został niepoprawnie stworzony.

Opublikowano

Witam.

 

Właśnie wysłałem opinie do Defro!

Opublikowano

Tak napisałem o tabeli mocy i o dod. wykresach itp. Głównie wyraziłem sie na temat Pid. Zobaczymy na pewno dam znać jak odpiszą.

Opublikowano (edytowane)

Wykres z ostatnich godzin

Moc kotła 60%

Nadmuch fabryczny.

Menu serwis bez zmian.

Temp. zadana 62 st.

post-66668-0-68117600-1454444315_thumb.jpg

Edytowane przez Snoopi21898
Opublikowano

Podanie piszta razem z moim bedzie trzy podpisy.

Najlepiej żeby dodali jaki czsoumilacz bo tyle czasu w kotłowni spędzacie to by wam milej było, radio może albo gołe baby...

W sofcie powinno być tak zeby ustawień nie przyjmował tylko symulował i cały czas równą linie pokazywał to w końcu byście byli zadowoleni i spalanie by wam spadło i ta depresja odeszła. Tyle czasu siedzicie przy tych piecach a jak pytam grzecznie żeby pomóc i sprawdzić hallotron to chętnych nie ma z nudy bym miernik wziął w łapy.

Tematy zawalony szlochaniem a teści tyle co pisiąt groszy.

 

Pozdrawiam wszystkich będziecie mieli teraz co pisać.

Opublikowano

Widzisz Kolego to jest tak ludzie siedzą i kombinują bo dali kasy do groma i nie chcą teraz marnować pieniędzy pchając w komin i spać z węglarką koło łóżka.

Ja np. siedzę bo lubię kombinować lubię usprawniać i lubię zaoszczędzić chociaż powiem to nie ładnie stać mnie na takie straty jakie generuje kocioł,ale jak mówiłem mocno to lubię jak kupiłem audi a6 to tylko przyjechałem z salonu do domu od razu stał podpięty pod kompa nie patrzyłem czy zabiorą mi gwarancje czy nie i kombinowałem uruchamiając nowe opcje za które trzeba było grubo zapłacić a tak były za darmo hehe i tak samo z kotłem jest po co mam szuflować węgiel i popiół co 3 dni i się smolić jak mogę co 6 i tak samo jest z innymi  użytkownikami a ty się zaraz denerwujesz tylko po co.

Pomógł bym ci z tym hallotronem ale mam zwykłą dmuchawę bez hallotronu.

A inni by pomogli ale nie umią drudzy nie nie chcą a trzeci nie mają jak.

Pozdrawiam.

Opublikowano (edytowane)

Popieram kolegę. Ja tez lubię kombinować i tez lubuje sie w audi:)

 

Wracając do tematu nowych aktualizacji. Po mailu do defro dzis pan z serwisu dzwonił do mnie i dowiedziałem sie ze szykują nową aktualizację ale nie zdradził co i jak. Trwają testy ponoć. Tłumaczył co i jak oraz o korekcie mocy kotła ze z tym trzeba kombinować. Podkreślał tez abym zakupił przepływomierz go wentylatora w serwisie, bo bardzo poprawia wachania temp. Można zainstalować do wentylatora przepinając tylko kabelek Halla. Potrzebna jest jeszcze aktualizacja do wer. K1P v3. Jutro pisze na serwis zobaczę ile kosztuje i najprawdopodobniej zamówię.

Dam znać co i jak.

 

Pozdrawiam.

Edytowane przez Snoopi21898
Opublikowano (edytowane)

Już wcześniej o tym pisałem "dmuchawa z turbinką" Piecyk pracuje na K1PRv2 z wgranym K1PRv3 Adaptive Control. "WWOYTEK" też w swoim filmiku pokazywał zmianę ;)

Jak dla mnie jest super.

Pozdrawiam

Edytowane przez gilal
Opublikowano (edytowane)

"Snoopi21898" napisz co powiedzą z Defro, czy można sam przepływomierz zamontować do wentylatora WPA120 tańsze rozwiązanie niż kupować komplet z wentylatorem, sąsiad mój mnie wypytuje hehehe bo chciałby zrobić taką modernizację, potwierdzam co pisał Kolega gilal odnośnie tego rozwiązania "Piecyk pracuje na K1PRv2 z wgranym K1PRv3 Adaptive Control."

Edytowane przez wwoytek
Opublikowano

Można napisać do TECH-a poprosić o sam wiatraczek z czujnikiem hall. Dla mnie chcieli wysłać, ale już dzień wcześniej zamówiłem komplet z defro.

Opublikowano

416bea2835287763a754f455945309c8.jpg

 

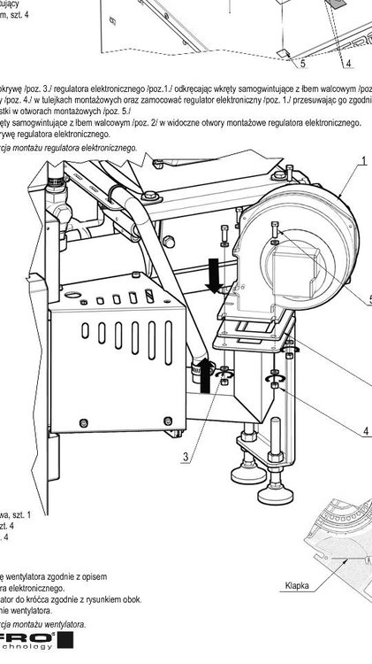
Przeglądałem instrukcje pieca i trafiłem na rysunek z wymiany wentylatora. Do kanału powietrznego jest doczepiona rurka która idzie za zasobnik ciekawe do czego ona jest.

Opublikowano

To jest dopowietrzanie zasobnika paliwa - eliminuje wilgoć występującą w podajniku, zobacz tu

 

https://forum.info-ogrzewanie.pl/topic/20047-defro-przew%C3%B3d-dopowietrzaj%C4%85cy-zasobnik-paliwa/

Opublikowano (edytowane)

Potwierdzam :)

Edytowane przez Ryszard
Nie ma potrzeby cytowania ostatniego postu
Opublikowano

Ale to trzeba chyba samemu przerabiać bo u mnie chyba nie ma wyjścia z kanału

Opublikowano

ja zrobilem sam z węża do pralki i kolanek pvc, koszt ok 15zl.Od tej opory w zasobniku nie ma rosy i jest suchutko.

post-64974-0-63232500-1454666627_thumb.jpg

post-64974-0-83647000-1454666640_thumb.jpg

Opublikowano

Zrobiłeś Kolego tę modernizację bardzo pomysłowo i tanio, tak trzymać Polak potrafi hehehe, ważne, że jest efekt.

Opublikowano

Ja miałem możliwość to zrobiłem takie króćce

post-57283-0-98178700-1454672687_thumb.jpg

Opublikowano

jest tez krociec od dolu, ale nawiercilem otwor z gory i wspawalem drugi jak z rysunku, moj sasiad wykorzystal ten dolny tak jak na fotkach Kolegi z wczesniejszego wpisu.

Opublikowano (edytowane)

I ile zaśpiewało Defro za komplet

Dokładnie nie pamiętam. Coś ponad 200zł z przesyłką.

post-53390-0-16238400-1454685188_thumb.jpg

post-53390-0-14217100-1454685200_thumb.jpg

Edytowane przez gilal
Opublikowano

Tzn co wymienia się na taki wentylator za 200zl, wygrywa oprogramowanie i w czym to ma pomóc w stosunku do wpa 120 i oprogramowania k1p v2?

Opublikowano (edytowane)

żeby v3 działał poprawnie musi być taki przepływomierz "turbinka"

"Działaniem dodatkowej turbinki zamontowanej na wentylatorze głównym jest mierzenie faktycznego ciągu kominowego. Czyli w przypadku dużych wiatrów, czy też zanieczyszczonego paleniska, praca podajnika zostanie dostoswana do rzeczywistego poziomu powietrza dostarczanego do paleniska. A w międzyczasie doreguluje wentylator by kocioł pracował na pełnej mocy, bądź też zmniejszył siłę jeśli tą moc przekracza i powoduje wyrzucanie niedopalonego paliwa.  Działa to również w drugą stronę, jeśli powietrza jest za dużo i palenisko się „zapada”, to turbina to wykryje i zmniejszy siłę wentylatora, a zanim to zrobi zwiększy dawkę paliwa by palenisko się nie zapadło.

Może to brzmieć zagmatwanie, ale w skrócie można to podsumować, że tak proces spalania jest jeszcze lepszy niż jest obecnie. "

Edytowane przez gilal
Opublikowano (edytowane)

Mogę na swoją wpa 120 hl dokupić przepływomierz czy konieczna jest wymiana całego zestawu. Ciekaw jestem czy to wpływa na stabilność pracy Pid przy zmiennych warunkach zewnętrznych bp obecnie Pid wypada kiepsko.

Edytowane przez nex1983

Dołącz do dyskusji

Możesz dodać zawartość już teraz a zarejestrować się później. Jeśli posiadasz już konto, zaloguj się aby dodać zawartość za jego pomocą.
Uwaga: Twój wpis zanim będzie widoczny, będzie wymagał zatwierdzenia moderatora.

Gość
Dodaj odpowiedź do tematu...

×   Wklejono zawartość z formatowaniem.   Usuń formatowanie

  Dozwolonych jest tylko 75 emoji.

×   Odnośnik został automatycznie osadzony.   Przywróć wyświetlanie jako odnośnik

×   Przywrócono poprzednią zawartość.   Wyczyść edytor

×   Nie możesz bezpośrednio wkleić grafiki. Dodaj lub załącz grafiki z adresu URL.

Ładowanie
×
×
  • Dodaj nową pozycję...

Powiadomienie o plikach cookie

Używając tej strony zgadzasz się na Polityka prywatności.