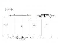
czarski Opublikowano 31 Sierpnia 2013 #1 Opublikowano 31 Sierpnia 2013 Witam udało mi się kupić duży zbiornik około 1000l chciałbym go użyć jako bufor do mojego przewymiarowanego miałowca - 27 KW SAS z dużą komorą załadowczą. Dom jakieś 250 m2 powierzchni ogrzewanej. Pompa na obiegu grzejniĸów jest po to żeby woda ciągle krążyła bo część pomieszczeń była dobudowywana i wychładza się szybciej niż reszta. Nie ma żadnej podłogówki, plastiku ani innych cudów. Co koledzy sądzą o takim schemacie.
vernal Opublikowano 31 Sierpnia 2013 #2 Opublikowano 31 Sierpnia 2013 Witam, A ta pompa druga między kotłem a buforem to po co jest? Ja bym tu dał pompę dolną bliżej kotła a na skrzyżowaniu na dole zawór 3D termostatyczny do ochrony powrotu ESBE, specjalny do tych celów z ustawioną na stałe temperaturą (50C lub coś w pobliżu). Z bufora to też wystarczy 1 pompa i niech sobie na stałe chodzi, a na grzejnikach zawory termostatyczne. Tę pompę trochę bardziej w prawo i znów na skrzyżowaniu zawór 3D, tym razem taki z regulacją ręczną, żeby na grzejniki nie puszczać 80 stopni... Oczywiście pompa na pionowej odnodze też do usunięcia. Pozdrawiam.
automatyk Opublikowano 1 Września 2013 #3 Opublikowano 1 Września 2013 Witam udało mi się kupić duży zbiornik około 1000l chciałbym go użyć jako bufor do mojego przewymiarowanego miałowca - 27 KW SAS z dużą komorą załadowczą. Dom jakieś 250 m2 powierzchni ogrzewanej. Pompa na obiegu grzejniĸów jest po to żeby woda ciągle krążyła bo część pomieszczeń była dobudowywana i wychładza się szybciej niż reszta. Nie ma żadnej podłogówki, plastiku ani innych cudów. Co koledzy sądzą o takim schemacie. A w jakim celu ten bufor ???? miałowiec za duży a co gotuję wodę czy co się dzieje ??? natomiast jeśli chcesz podłączyć prawidłowo to tak : na powrocie do kotła pompa następnie zawór termostatyczny z otwarciem na 55st i do niego podłączyć powrót z bufora ,a do góry zasilanie z kotła do bufora i na trójniku do zaworu termostatycznego ,a rozejście na grzejniki to proponowałbym mieszacz z automatyką wtedy uzyskasz najlepszy efekt
sambor Opublikowano 1 Września 2013 #4 Opublikowano 1 Września 2013 Oj ktoś miał spory zapas pomp i chciał je wykorzystać - tu potrzeba zaw 3-D na ochronie kotła Przykładowy schemat poniżej. Jeżeli zbiornik bufora ma wyjścia na innych wysokościach np 2/3 wys bufora , to warto je wykorzystać do wyprowadzenia na instalację CO Pozdr.
kiminero Opublikowano 1 Września 2013 #5 Opublikowano 1 Września 2013 Zasadnicze pytanie zadał automatyk... dlaczego? Czasem sam fakt posiadania urządzenia (tu bufora) pcha człowieka do jego wykorzystania, bez zastanowienia się czy mu to potrzebne. To jak z promocją w supermarkecie... Zakazu nie ma a i kraj wolny, więc można. Tak czy inaczej te 1000l to raczej do ustabilizowania pracy kotła niż do "magazynowania", ponieważ masz kolego układ grzejnikowy, który zasilany musi być względnie wysokim parametrem i dla twojego bufora zdolność zakumulowania energii na właściwym poziomie spada drastycznie. W praktyce oznacza to i tak ciągłość palenia. Byłaby zupełnie inna rozmowa, gdyby rzecz dotyczyła ogrzewania podłogowego, gdzie bufor wyciskasz nawet do poziomu 30 sC zanim trzeba go będzie powtórnie doładować. Jak pisałem wyżej - wolny kraj, więc opierając się na twoim rysunku musisz zrobić coś jak niżej. Zastosowałbym raczej VTC serii 500 (VTC511) z progiem 55 sC. Przy buforze jest on NIEZBĘDNY, inaczej za jakiś czas kocioł poleci na złom. Musisz mieć też świadomość, że posiadanie tego zaworu wymusza niejako palenie na wysokich temperaturach, tak aby zawór miał szansę wogóle się otworzyć w kierunku na bufor (min 70-75 sC a najlepiej wyżej).
automatyk Opublikowano 1 Września 2013 #6 Opublikowano 1 Września 2013 Tak dokładnie to powinno wyglądać tylko w jakim celu to nadal nie wiemy ???
czarski Opublikowano 1 Września 2013 Autor #7 Opublikowano 1 Września 2013 dzięki za zainteresowanie tematem. Już odpowiadam o co chodzi. Myślę, że bufor byłby przydatny przy moim kotle chociaż to miałowiec na magazynowanie energi za bardzo nie liczę ale stabilizacja mogłaby dużo dać. Jest to kocioł jak to kiedyś nazywali trzy, cztero czy dwudobowy, niepamiętam, w każym razie kawał grzmota. przy załadunku jest dużo szuflowania ale w okresach przejściowych rozpala się w min faktycznie co cztery a nawet pięć dób. Z tym, że po rozpaleniu pali się normalnie jedynie przez kilka godzin później chata nie nadąża odbierać energii i dmuchawy wyłączają się, ale miał ma w sobie jeszcze masę gazu i muli się to wszystko i syfi bez płomienia do drugiej trzeciej doby. Później całość jest wygazowna żarzy się fajnie i pracuje stabilnie pod koniec żar już nie daje rady i powoli wygasza się. W domu jest już zimno ale trzeba wyjmować żarzący się miał nic przyjemnego. Myślę, że bufor odebrałby trochę ciepła na początku cyklu a oddałby na końcu. Grzejniki są przewymiarowane tak samo jak kocioł, można powiedzieć, że robiłem testy i przy otwartych zaworach spokojnie wystarcza temp. 35st. nawet w zimie. To jedno inna sprawa to fajnie jest też czasem spalić coś innego niż miał - drzewo, węgiel. Teraz można to robić ale tylko mała ilość paliwa na dnie kotła. Chciałbym też dołożyć wężownicę od CWU i w lato od czasu do czasu trochę drewna spalić - sąsiad ma tak - (kilka boilerów) i sobie chwali. Co do pomp faktycznie tak się składa, że już je mam i fajnie byłoby je wykorzystać gdzieś czytałem, że takie rozwiązanie - pompa mieszająca sprawdza się całkiem dobrze. Pewnie tak jak koledzy sugerują rowiązanie z zaworami 3drogowymi jest lepsze - pasywne i lepiej spełnia zadanie ale jakieś takie strasznie drogie jak na taki małe drobiazgi, pewnie nierozbieralne, nienaprawialne, nowoczesne. Może pompa mieszająca też ma jakieś zalety (napewno łatwo tym sterować) a schemat jaki mnie zainspirował znalazłem na http://www.kotly-wit...ematy-podlaczen na dole kocioł na słomę. Jeszcze raz dzięki za wszyskie posty dużo mi koledzy pomogli.
sambor Opublikowano 1 Września 2013 #8 Opublikowano 1 Września 2013 Ten schemat od Witkowskiego jest bardzo ogólny, wymaga dodatkowego sterowania pompą kotłową z czujnikiem temp powrotu oraz regulacji przepływu, stosowanie zaworu 3-D np ESBE stało temperaturowego ma większy sens. Na stronie ESBE możesz poczytać więcej o inst na paliwo stałe i zaw 3-D oraz ich doborze. Jak masz nadmiar pomp to je do szafy schowaj a nie montuj trochę na siłę.
czarski Opublikowano 1 Września 2013 Autor #9 Opublikowano 1 Września 2013 A właśnie sambor mogę mieć wyjście z bufora na 2/3 wysokości a po co się to robi?
vernal Opublikowano 1 Września 2013 #10 Opublikowano 1 Września 2013 Witam, Panowie, jak kolega autor, który nie ma pojęcia o tych rzeczach ma Wam wytłumaczyć po co i dlaczego i że to jest lepiej? Ponieważ ma on jednak więcej rozsądku niż tęgie głowy, to zrobię to za niego: Trzeba wziąć jakiś ołówek do ręki, liczydło, może bumagi kawałek i sprawdzić. Załóżmy, że naładuje on do tego kotła tyle opału, że po uwzględnieniu sprawności naprodukuje 75 kWh energii (czyli ok. 20 kg miału). Załóżmy zapotrzebowanie średnie domu na poziomie 5kW. Bufor ma średnią temperaturę 30C. Bufor możemy nabić do średniej temp. 75C Załóżmy ponadto, że dom jest na początku palenia lekko wychłodzony, czyli przez pierwszą godzinę grzania pobierze 10 kWh. Załóżmy też, że kocioł osiąga moc średnią przy paleniu ciągłym 20 kW. Kolega rozpala w kotle i dzieje się tak: Kocioł pracuje przez ok. 4,5h i w tym czasie zagrzeje dom do wymaganej temperatury - instalacja pobiera moc odpowiednio 10kW przez 1 godzinę i przez pozostałe po 5kW (razem ok. 25 kWh). Resztę zapakuje do bufora - ok. 50 kWh i wygaśnie. W buforze jest energii na następne 10h. Odnośnie grzejników, to zakładając, że mają moc 15 kW na parametrze 70/50 to nie oznacza, że na parametrze 35/30 mają 0 (kolego kiminero ;)). One wyciągną z bufora energię aż do średniej jego temperatury 30C, tylko z mniejszą mocą (być może 5 kW...). Ale można zakładać, że pod koniec ich moc będzie mniejsza niż 5kW, a więc dom się trochę wychłodzi, co oznacza, że przy następnym rozpaleniu sytuacja dokładnie się powtórzy. Co do zasadności bufora względem jego braku do spalenia tego samego opału przy tych samych założeniach, to różnice są następujące: 1. Większa sprawność spalania = dłuższy czas na 1 zasypie = tańsze ogrzewanie 2. Czysty komin i wymiennik 3. Nie trzeba czekać aż kocioł wygaśnie, żeby znowu rozpalić (bo juz dawno wygasł), Ci co palili miałem a szczególnie terzem wiedzą co mam na myśli. 4. Większy zakres czasu na wyczyszczenie i napełnienie kociołka od nowa. I pewnie wile innych zalet. Może nie wadą ale niedogodnością są straty bufora, które jednak są z powodzeniem kompensowane w punkcie 1. Można też na to spojrzeć tak: Co by było gdyby w tych samych założeniach kolega palił bez bufora - trzeba się liczyć z możliwością następujących miłych dodatków: 1. Wybuchy kotła miałowego - milion tematów o tym problemie na tym forum 2. Szybsze zatykanie komina przez sadzę, dym się cofa do kotłowni - drugi milion tematów o tym problemie na tym forum 3. Zimno w domu a rozpalić się nie da, bo jeszcze nie wygasło (lub można się udusić podczas wyciągania niedopalonego paliwa) - też są takie tematy na naszym forum 4. Drożej bo krócej i drożej na jednym zasypie. Pozdrawiam.
sambor Opublikowano 1 Września 2013 #11 Opublikowano 1 Września 2013 A właśnie sambor mogę mieć wyjście z bufora na 2/3 wysokości a po co się to robi? Aby obniżyć temp wody wychodzącej na CO - zamiast zaw 3-D na wyjściu
kiminero Opublikowano 1 Września 2013 #12 Opublikowano 1 Września 2013 OK. Z matematyką się nie dyskutuje. Mam nadzieję, że tak różowo będzie w realu. Kolega wspomniał jednak, że teraz załadunek kotła to 4-5 dni palenia w okresie przejściowym ("brudnego" palenia). Czyli bufor przez te dni będzie tylko naładowaną bateryjką, pośrednikiem w przesyle energii. Spełni swoją rolę przez te ostatnie 10 h. Dobrze kombinuję? Jeśli zaś tak dostosuje się ilość zasypu, by starczył do wstępnego dogrzania budynku oraz naładowania bufora do średniej 75, to dostaniemy "czyste" spalanie za cenę akceptacji dobowego cyklu palenia. Zwiększenie zasypu zawsze wiązać się będzie z okresem długich czasów podtrzymania, bo i dom dogrzany i bufor więcej nie przyjmie. Innymi słowy znowu "brudne" palenie. Pewne tak naprawdę jest tylko to, że każdy przypadek jest niepowtarzalny i wstrzelić się z dobrą radą przy ograniczonych danych jest trudno.
czarski Opublikowano 3 Września 2013 Autor #13 Opublikowano 3 Września 2013 No dobra a pomijając kwestię przydatności bufora to o zastosowaniu pompy zamiast zaworu 3d było już kiedyś na forum http://forum.info-og..._fromsearch__1. Rozumiem, że jest to trochę rzeźba ale podyskutować na ten temat można. U niemiaszków znalazłem coś takiego http://www.bosy-onli...turanhebung.htm pierwszy rysunek, na ile się rozczytałem piszą, że pompa powinna być dobrze dobrana, żeby strumień wody był odpowiedni, dwa termostaty są po to żeby wyłączyć pompę kotłową dopiero jak temp. powrotu przekroczy temp.zadaną. Zawór klapowy wiadomo. Czyli tak jak pisał Adamasz w tamtym temacie.
vernal Opublikowano 3 Września 2013 #14 Opublikowano 3 Września 2013 Kolega wspomniał jednak, że teraz załadunek kotła to 4-5 dni palenia w okresie przejściowym ("brudnego" palenia). Czyli bufor przez te dni będzie tylko naładowaną bateryjką, pośrednikiem w przesyle energii. Spełni swoją rolę przez te ostatnie 10 h. Dobrze kombinuję? Jeśli zaś tak dostosuje się ilość zasypu, by starczył do wstępnego dogrzania budynku oraz naładowania bufora do średniej 75, to dostaniemy "czyste" spalanie za cenę akceptacji dobowego cyklu palenia. Zwiększenie zasypu zawsze wiązać się będzie z okresem długich czasów podtrzymania, bo i dom dogrzany i bufor więcej nie przyjmie. Innymi słowy znowu "brudne" palenie. Witam, Wiadomo, że dobrze kombinujesz. Tylko tu jest jeszcze taki myk, że co innego jest pierwsze parę godzin palenia a co innego następne. W sensie "brudnego palenia" różnica jest duża. Otóż odgazowanie opału odpowiada za ten brud, a bufor pozwala ostro wtedy palić, czyli czysto. Jak zostanie koks, to sobie może kocioł odpoczywać - wtedy już brudu nie ma. Co oznacza również, że nie trzeba się "ograniczać" do palenia jednodobowego gdy jest bufor. A te 4-5 dni to przypadki są bardzo rzadkie i w dodatku nie zimowe, nie takie miałem na myśli pisząc poprzedni post. Ale i tu nic się nie dzieje ;) Pozdrawiam.
gondoljerzy Opublikowano 3 Września 2013 #15 Opublikowano 3 Września 2013 Aby obniżyć temp wody wychodzącej na CO - zamiast zaw 3-D na wyjściu Ale wtedy nie da sie wykorzystać na ogrzewanie całego ciepła z bufora.
kiminero Opublikowano 3 Września 2013 #16 Opublikowano 3 Września 2013 Tylko tu jest jeszcze taki myk, że co innego jest pierwsze parę godzin palenia a co innego następne. Co oznacza również, że nie trzeba się "ograniczać" do palenia jednodobowego gdy jest bufor. A te 4-5 dni to przypadki są bardzo rzadkie i w dodatku nie zimowe, nie takie miałem na myśli pisząc poprzedni post. Ale i tu nic się nie dzieje Jeszczę trochę pomarudzę. Nie wiemy za wiele o zapotrzebowaniu tego 250 metrowego domu na ciepło, stąd moje wątpliwości o zasadności montażu bufora 1000 litrowego. Zimą na 10 h raczej nie wystarczy. Jeśli już go montować to tylko dla stabilizacji pracy kotła (o czym pisałem), ale jest to sytuacja z lekka paranoiczna. Gdyby kolega tego bufora nie dostał od znajomego kolegi szwagra, to kilku tysięcy na taki "gadżet" by nie wydał. Lepiej by było pozbyć się przewymiarowanego kotła. Rozwiązanie z zaworem 3D wydaje się być "solidniejsze" i prostsze. Z pompą kotłową też można to zbudować, ale to już dwie pompy obiegu kotłowego się robią i nie wyobrażam sobie ręcznego ich załączania. Musiałby to robić sterownik z priorytetem ochrony powrotu oraz nastawialną histerezą tej ochrony, tak aby pompy nie "szalały" w okolicy progu ochrony. Sprawę załatwia też Laddomat, tyle że ceny zaczynają się powyżej tysiąca. P.S. Pytanie do autora tematu. Co masz na myśli pisząc: Pompa na obiegu grzejniĸów jest po to żeby woda ciągle krążyła bo część pomieszczeń była dobudowywana i wychładza się szybciej niż reszta. To z twojego pierwszego wpisu i nie bardzo wiem jak to rozumieć. To teraz pompa nie pracuje cały czas?
czarski Opublikowano 3 Września 2013 Autor #17 Opublikowano 3 Września 2013 Jak pisałem wzorowałem się na schemacie ze strony witkowski kotły link wyżej. Tam jak ja to widzę pompa na obiegu grzejników nie pracuje ciągle chyba, że się mylę. Dlatego dodałem jeszcze jedną pompę w moim schemacie bo dobudowywana część. 1000l to pewnie będzie za mało ale to nawiększy zbiornik jaki uda mi się wtaszczyć bez kucia ścian i większych inwestycji, jeśli bufor się sprawadzi to napewno będzie rozudowa, kiedyś to liczyłem i nawet o tym pisałem na forum muratora, żeby magazynować energię będę musiał mieć minimum 5ton. http://forum.muratordom.pl/showthread.php?74235-Jak-quot-to-quot-si%C4%99-robi-czyli-bufor-ciep%C5%82a&p=5801979#post5801979
czarski Opublikowano 3 Września 2013 Autor #18 Opublikowano 3 Września 2013 Rozwiązanie z zaworem 3D wydaje się być "solidniejsze" i prostsze. Z pompą kotłową też można to zbudować, ale to już dwie pompy obiegu kotłowego się robią i nie wyobrażam sobie ręcznego ich załączania. Musiałby to robić sterownik z priorytetem ochrony powrotu oraz nastawialną histerezą tej ochrony, tak aby pompy nie "szalały" w okolicy progu ochrony. Sprawę załatwia też Laddomat, tyle że ceny zaczynają się powyżej tysiąca. właśnie o szaleniu pomp niemcy pisali dlatego tu http://www.bosy-onli...turanhebung.htm na rysunku są dwa termostaty jeden ten bliżej kotła załącza pompę kiedy temp. jest niższa niż 55st. pompa chodzi cały czas póki nie wyłączy jej drugi ten dalej kotła jak temp. powrotu przekroczy 55st. Jak dla mnie wydaje się że powinno działać. Nie o to chodzi, że dziaduję i żydzę 1kzł na ladomat. Gdybym wynajął firmę, która zamontowałaby mi wszystko za niedorzeczne pieniądze, żebym miał stabilniejsze spalanie w miałowcu, nie miałbym tematu do pisania, fanu z montażu ani satysfakcji, że sam zrobiłem. Modyfikacje kotłowni traktuję jak hobby - różne są zboczenia.
kiminero Opublikowano 3 Września 2013 #19 Opublikowano 3 Września 2013 Jak pisałem wzorowałem się na schemacie ze strony witkowski kotły link wyżej. Tam jak ja to widzę pompa na obiegu grzejników nie pracuje ciągle chyba, że się mylę. Sytuacja gdy pompa grzejnikowa przestaje pracować, to tylko gdy sterowana jest ON/OFF termostatem pokojowym, gdy temperatura czynnika grzewczego spada poniżej ustalonego na sterowniku minimum, gdy korzystasz z priorytetu CWU, gdy konieczna jest ochrona układu przed za wysoką temperaturą, gdy ma to znaczenie w procesie ochrony powrotu kotła (ale przy buforze to pompy CO nie interesuje), gdy... pewnie jest jeszcze coś... Poza tym pompa CO pracuje bez przerw.
kiminero Opublikowano 3 Września 2013 #20 Opublikowano 3 Września 2013 Do tej pompy kotłowej to wystrczyłby zwykły termostat zanurzeniowy lub przylgowy zamontowany przed kotłem na powrocie. Coś jak niżej http://allegro.pl/termostat-do-bojlera-zanurzeniowy-1-2-0-90-i3504236881.html http://allegro.pl/termostat-przylgowy-salus-at10f-z-kapilara-i3491763444.html Obsługiwałby on pompę kotłową. Ma stałą histerezę ok. 5 sC, więc gdy ustawisz 65 i taką temp uzyskasz, to pompa kotłowa STOP i ponownie załączy się dopiero gdy temp spadnie do 60. Trzeba to spiąć sensownie ze sterownikiem, aby pompa ta nie pracowała gdy w kotle ciemno. Termostaty te mają potrójne wyjścia, więc można podpiąć pod niego również pompę bufora. Wówczas gdy jedna pompa pracuje, druga stoi. Wszystko w amplitudzie tych 5 stopni histerezy.
vernal Opublikowano 3 Września 2013 #21 Opublikowano 3 Września 2013 Jeszczę trochę pomarudzę. Nie wiemy za wiele o zapotrzebowaniu tego 250 metrowego domu na ciepło, stąd moje wątpliwości o zasadności montażu bufora 1000 litrowego. Zimą na 10 h raczej nie wystarczy. Jeśli już go montować to tylko dla stabilizacji pracy kotła (o czym pisałem), ale jest to sytuacja z lekka paranoiczna. Gdyby kolega tego bufora nie dostał od znajomego kolegi szwagra, to kilku tysięcy na taki "gadżet" by nie wydał. Lepiej by było pozbyć się przewymiarowanego kotła. A wyjmowałeś kiedy żar z terzu mocno dymiący siarą po to żeby rozpalić od nowa bo w domu zimno a jeszcze nie wygasło? Zrób to tylko 1 raz to nie będziesz pytał... Pozdrawiam.
czarski Opublikowano 18 Listopada 2014 Autor #22 Opublikowano 18 Listopada 2014 Zamontowałem układ częściowo tzn nie ma jescze bufora ale już jest pompa mieszająca, nie chciałem robić od razu rewolucji bo jeśli coś pójdzie nie tak to nie widomo gdzie jest błąd. Układ z pompą mieszającą działa bardzo dobrze. Powrót do kotła ciągle ma powyżej 50 st. zamontowane jest to tak jak niemieckich linkach które podałem wcześniej. Sterowanie pompami przez termostaty bimetaliczne z allegro na 230v za 3zł można kupić normalnie otwarty, zamknięty na różne temperatury. Po tym jak temp. na kotle podniesie się do 60 st. włączają się 2 pompy tj obiegowa i mieszająca oczywiście trzeba dodać zawory zwrotne żeby woda płynęła jak chcemy. kiedy powrót do kotła z obiegu przekroczy 50 st pompa mieszająca wyłącza się. Pompa mieszająca działa i nie trzeba koniecznie opierać się na zaworach trój, czterodrogowych. Zauważyłem znaczną poprawę ciągu w kominie łatwiejsze rozpalanie i całkowity brak jakiejkolwiek smoły w kotle. Różnica w porównaniu do sytuacji z przed przeróbek - bez podnoszenia temp. powrotu - kolosalna praktycznie nie ma potrzeby czyszczenia kotła. Pozdrawiam o dalszych postępach w pracach nad kotłownią będę medował na bieżąco tj mam nadzieję na wiosnę.
Rekomendowane odpowiedzi
Zarchiwizowany
Ten temat przebywa obecnie w archiwum. Dodawanie nowych odpowiedzi zostało zablokowane.