IGNOROWANY
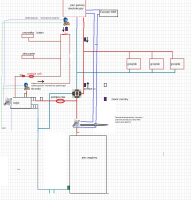
Zgranie Pieca Gazowego Dwufunkcyjnego (Piętro) I Węglowego W Piwnicy
- Odpowiedz w tym temacie
- Ignoruj ten temat
- Czy wyłączyć ignorowanie tego tematu?
- Dodaj nowy temat
-
Ostatnio przeglądający 0 użytkowników
- Brak zarejestrowanych użytkowników przeglądających tę stronę.
-
Podobna zawartość
-
Zużycie gazu w kotle gazowym dwufunkcyjnym Duża zmienność tempa poboru gazu w piecu dwufunkcyjnym
Przez Amik,
- Junkers
- dwufunkcyjny
- (i 4 więcej)
- 9 odpowiedzi
- 1014 wyświetleń
-
- 1 odpowiedź
- 437 wyświetleń
-
Modernizacja instalacji grzewczej Piec gazowy kondensacyjny jednofunkcyjny + ogrzewanie podłogowe + dogrzewanie elektryczne c.o.
Przez Kamillot,
- 2 odpowiedzi
- 452 wyświetleń
-
- 0 odpowiedzi
- 338 wyświetleń
-
- 3 odpowiedzi
- 367 wyświetleń
-

Rekomendowane odpowiedzi
Dołącz do dyskusji
Możesz dodać zawartość już teraz a zarejestrować się później. Jeśli posiadasz już konto, zaloguj się aby dodać zawartość za jego pomocą.
Uwaga: Twój wpis zanim będzie widoczny, będzie wymagał zatwierdzenia moderatora.