vps1
Stały forumowicz-
Postów
271 -
Dołączył
-
Ostatnia wizyta
-
Wygrane w rankingu
2
Typ zawartości
Forum
Wydarzenia
Blogi
Artykuły
Treść opublikowana przez vps1
-
Problem z wyciekami i przepływem w ogrzewaniu podłogowym i niestety RTL
vps1 odpowiedział(a) na vps1 temat w Instalacje CO i CWU
-
Valliant Ecotec Plus i kominek z płaszczem wodnym
vps1 odpowiedział(a) na czeslaw111 temat w Kotły gazowe
W ecoTec plus (w zależności od wersji) zapłon palnika jest z lewej strony LCD wyświetlacza ikona płomienia lub w nowszej na belce u góry LCD kotła. Jeśli rozpalisz w kominku i zacznie pracować pompa kominkowa może być podłączona przez przekaźnik npR15 i w kotle pod styk 3 i 4 wtedy praca kotła jest blokowana na C.O. Jak pompa kominkowa stanie (brak napięcia) styk 3 i 4 da sygnał do pracy kotła na C.O -
Vaillant 186/5, problem z krzywą grzewcza, niedogrzewa
vps1 odpowiedział(a) na dawideo temat w Kotły gazowe
dawideo jak masz ustawiony parametr pracy pompy obiegowej w d.18 (menu kotła) -
Bezprzewodowy regulator temperatury do kotła Vaillant
vps1 odpowiedział(a) na piterchmiel1 temat w Kotły gazowe
Może baterie w Tyboxie są słabe -
Problem z wyciekami i przepływem w ogrzewaniu podłogowym i niestety RTL
vps1 odpowiedział(a) na vps1 temat w Instalacje CO i CWU
Niestety nie wiem. Na zawór upustowy to nie wygląda. Kontakt z tym co montował to 7 lat temu niemożliwy. Na tym zaworze jest strzałka w kierunku czerwonego kapturka. Zawór bezpieczeństwa ? Bez sensu. Rozdzielacze i tak będą wymienione. Myślałem że to mosiądz ale magnes łapie. Taki bufor jako sprzęgło planuję zamontować https://viqtis.pl/wp-content/uploads/2025/09/Bufor-AT-100-PRO.pdf. Kient ma PV i być może zdecyduje się na montaż grzałki -
Problem z wyciekami i przepływem w ogrzewaniu podłogowym i niestety RTL
vps1 opublikował(a) temat w Instalacje CO i CWU
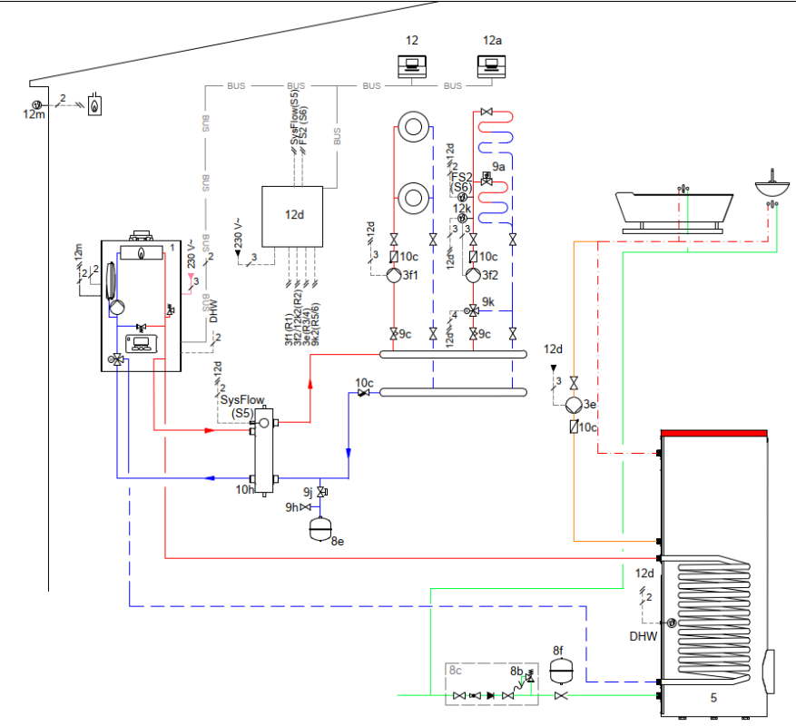
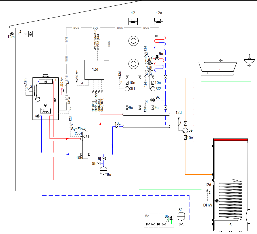
Witam. Podczas przeglądu kotła gazowego po 7 latach pierwszy przegląd klient przy tej okazji zgłosił kilka problemów z instalacją. Dom parterowy 200m2 odliczając garaż 40m2 jest (grzejnik ale wyłączony) powierzchnia 160m2. Dom 7 letni 20cm styropianu ocieplenia. Kocioł Vaillant kondensacyjny 20kW i na taką moc był ustawiony. Zmieniłem moc na 10kW. 160m2 x 50W/m2=8000W Sprzęgło hydrauliczne przyłącze 1" rura z kotła CU22mm, za sprzęgłem rura CU28mm i rozdział na dwa obiegi pompowe. Pierwszy rozdzielacz 12 obwodów rura do rozdzielacza PP32x4,4 fi wew.23,2mm. Pompa 25/60 Keller zawór mieszający Afriso. Drugi rozdzielacz 8 obwodów z czego 4 obwody są na grzejniki (1 garaż, 3 drabinki w łazienkach do suszenia ręczników) i niestety 4 obwody podłogówki na RTL. Błędy w instalacji są brak zaworu zwrotnego miesza się powrót z grzejników z powrotem z podłogówki na podmieszaniu zaworu mieszającego, filtry siatkowe, zacinające się zawory zwrotne pod pompami, oraz wycieki. Klient zgłasza problemy z przepływani i rzeczywiście są ale również zacinające się wkładki termostatyczne na belce rozdzielacza. Mam koncepcję jak to zmodernizować i chciałbym poznać Waszą opinię. Jest sterowanie Vaillant VR71. Było ustawione grzejniki krzywa 1,2, podłoga 0,6. Zmieniłem oba na krzywą 0,3 co dało przy 0'C na zewnątrz zasilanie 30'C. Przy czterech nie dużych grzejnikach sądzę że można na nie dać parametry podłogówki. Klient poinformowany i za kilka dni ma dać znać czy może tak być. W planach wymiana obu rozdzielaczy i likwidacja tych 4 RTL. Zamiast sprzęgła planuję zamontować mały bufor 50-100 litrów pełniący rolę sprzęgła z przyłączami DN40 (1 1/2") z kotła do bufora rura CU35mm i z bufora jeden obieg pompowy bezpośredni rura CU35 (lub 42mm) Dwa rozdzielacze ze stali nierdzewnej o przekroju 35mm z rotametrami 12 obwodów i 8 obwodów Rozdzielacz 12 obw - przyłącze rur CU35 - rozdzielacz 8 obw. (4 na grzejniki i 4 podłoga zamiast tych RTL Czy takie przyłącze w środku sprawdzi się ? Nie robiłem tak jeszcze. Dać rurę CU35mm czy może CU42mm -
Co daje zmiana parametru d.17 Saunier duval thelia condens
vps1 odpowiedział(a) na MixTape temat w Kotły gazowe
Napisz lub wstaw zdjęcie lub odręczny szkic schematu hydraulicznego jak wygląda instalacja. Czy jest tak jak poniżej -
Co daje zmiana parametru d.17 Saunier duval thelia condens
vps1 odpowiedział(a) na MixTape temat w Kotły gazowe
Masz grzejniki - podłogówkę d.17 zostaw na zasilaniu. -
Jaki sens jest montażu kotła gazowego z buforem ? Rozwiń tę myśl. Nie rurka "18" jest stanowczo za mała.
-
Kocioł gazowy dwufunkcyjny. instalacja mieszana. Jak tym sterować ?
vps1 odpowiedział(a) na Jaras833 temat w Kotły gazowe
Mając nowoczesny kocioł kondensacyjny i dwa typy ogrzewania grzejniki i podłogówka powinieneś mieć wykonane dwa niezależne układy pompowe. 1) Układ pompowy bez mieszacza na grzejniki. 2) Układ pompowy z mieszaczem obrotowym z siłownikiem na podłogówkę. Takie rozwiązanie pozwoli Ci ustawić za pomocą odpowiedniej automatyki sterującej (np I-2 plus firmy techsterowniki) po dołożeniu modułu opentherm DIYless thermostat masz pełną komunikację z kotłem i ustawiasz odpowiednie parametry osobno na grzejniki i podłogówkę. Teraz masz niestety w podłogówce zawór mieszający termostatyczny i takie rozwiązanie choć budżetowe nie jest dobrym rozwiązaniem przy współpracy z kotłem kondensacyjnym. Tu masz przykład -
Otwór wokół wkładu kominowego od kotła gazowego
vps1 odpowiedział(a) na Mavercik77 temat w Kotły gazowe
Biała rura (zasysa powietrze) i wchodzi do szachtu kominowego kilka cm. Możesz użyć twardego styropianu. Trzeba zrobić to tak aby nie zasłonić zasysania powietrza białą rurą. Styropian delikatnie na piankę montażową potem całość wyrównać gipsem i gotowe. -
Saunier Duval Thelia Condens - zmiana regulatora
vps1 odpowiedział(a) na Trasshmann temat w Kotły gazowe
Na str.15 instrukcji kotła masz dokładnie napisane co i gdzie podłączyć. -
Kocioł kondensacyjny jednofunkcyjny 25A Saunier Duval
vps1 odpowiedział(a) na kako temat w Kotły gazowe
Nie ma żadnej blokady. Powinien działać zakres nastawy temperatury c.w.u. (°C) 35-60 -
Właśnie dlatego, że klienci zapominają o przeglądach i konieczności wymiany anod magnezowych podczas montażu jakiegokolwiek zasobnika wody montuję anody tytanowe i spokój na co najmniej 10 lat
-
Zamontuj Sterownik Euroster E11Z
-
Vaillant Vuw Atmotec Plus 200/3-5 - jak dolać wody? Jeden zawór bez pętli napełniającej
vps1 odpowiedział(a) na xBlady temat w Kotły gazowe
Niedługo zawór i tak będzie do wymiany. Obserwuj ciśnienie czy nie rośnie. -
Vaillant Vuw Atmotec Plus 200/3-5 - jak dolać wody? Jeden zawór bez pętli napełniającej
vps1 odpowiedział(a) na xBlady temat w Kotły gazowe
-
Różnica ciśnień między naczyniem przeponowym, a instalacją C.O
vps1 odpowiedział(a) na pablos83 temat w Instalacje CO i CWU
Ciśnienie wstępne w naczyniu przeponowym C.O = wysokość statyczna + 0,2bar -
Lokalizacja wycieku wody wpisz w google i znajdź formę w swojej lokalizacji. Masz nowe mieszkanie to warto skorzystać z rękojmi lub gwarancji.
-
Saunier Duval Thelia Condens AS 18 - blokada palnika, dlaczego nie działa?
vps1 odpowiedział(a) na florek25 temat w Kotły gazowe
Czas blokady w d.02 ustawiona wartość 2-60 nie jest wartością wyrażoną w minutach tz ustawisz "20" to jest 20min. Ustawiona wartość blokady zależy od ustawionej temperatury zasilania. Pozostały czas blokady w minutach można odczytać w d.67 Sprawdziłem u klienta blokada działa. Żądanie z pogodówki 40st kocioł grzeje do 45st ustawiona blokada "30" w d.67 pozostały czas blokady 19min. Po upływie 19min kocioł zaczyna grzać. -
Jaka charakterystyka pracy pompy pieca współpracującego ze sprzęgłem hydraulicznym
vps1 odpowiedział(a) na Marek82 temat w Kotły gazowe
Przy zastosowaniu sprzęgła pompa kotłowa powinna być ustawiona na stałą wartość 100%. -
De Dietrich INIDENS 20/24 MI + ogrzewanie podłogowe. Pogodówka?
vps1 odpowiedział(a) na amnesia temat w Kotły gazowe
Ja to widzę poważny duży błąd instalacyjny mając zamontowany nowoczesny kocioł kondensacyjny którego pompa obiegowa ma przepływ 1,2m3/h. Nie potrzebnie zamontowane te układy pompowe z zaworem mieszającym termostatycznym. Drugi błąd to za prawdopodobnie za mała średnica rur dochodzących do zaworu mieszającego ze zdjęć wychodzi, że chyba 20mm a minimum powinny być 25-28mm. Mając taki układ że ręczną regulacją temperatury wody grzewczej nic Ci nie da montaż pogodówki. -
Jak się ustawia krzywą grzewczą w kotle Vaillant
vps1 odpowiedział(a) na sylwia temat w Kotły gazowe
Podaj dokładnie typ i model kotła oraz jaki sterownik jeśli jest. -
Konserwacja kotła gazowego Termet ECOCONDENS GOLD PLUS 20
vps1 odpowiedział(a) na Wojtulas temat w Kotły gazowe
Po stronie wodnej nie ma potrzeby. Po stronie przepływu spalin trzeba czyścić co roku. -
Wymagania spalinowe dla kotła kondensacyjnego
vps1 odpowiedział(a) na spanker1 temat w Instalacje CO i CWU
Większość kotłów kondensacyjnych ma system powietrzno-spalinowy 60/100 lub 80/125. W istniejący wkład kominowy który masz 125 w pionie montujesz rurę spalinową 60 lub 80 a od kotła do wkładu w poziomie 60/100 lub 80/125
