-
Postów
4440 -
Dołączył
-
Ostatnia wizyta
-
Wygrane w rankingu
25
Typ zawartości
Forum
Wydarzenia
Blogi
Artykuły
Treść opublikowana przez AdamGuitar
-
Podłogówka Nie Grzeje Równno Miernie!
AdamGuitar odpowiedział(a) na kaczorek43 temat w Instalacje CO i CWU
Sprawdź wpierw przy bezpiecznych parametrach czy przy otwarciu zaworu utrzymującego temperaturę w pomieszczeniu cała instalacja przegrzeje. Zacznij po kolei, nim wydasz pieniądze. Może pompa jest uszkodzona. Tylko pamiętaj , ze podłogówka dość wolno działa duża bezwładność. Dlatego kontroluj temperaturę na powrocie z podłogówki. -
Zasilanie Junkersa Woda Wstepnie Podgrzana Przez Kominek W Bojlerze
AdamGuitar odpowiedział(a) na jubileromega temat w Instalacje CO i CWU
Osobiście jak pisałem wcześniej nie jestem też za takim rozwiązaniem ale gdy producent podgrzewacza nie widzi przeciwwskazań to czemu nie pomóc? -
To wtedy na wypadek uszkodzenia zaworu potrzebny byłby zawór zabezpieczający podłogówkę przed przegrzaniem (zawór termostatyczny lub elektromagnetyczny) odcinający zasilanie podłogówki przy przekroczeniu np. 45 st. C
-
Instalacja Cwu W Domku Jednorodzinnym
AdamGuitar odpowiedział(a) na Mcdudol temat w Instalacje CO i CWU
układ podmieszania zaworem trój lub czterodrożnym. Schematy całe mnóstwo do wyboru na forum. -
W czasie działania kominka , kocioł gazowy należy ustawić w tryb letni. W trybie tym jest blokada c.w.u. Natomiast po wygaśnięciu kominka kocioł należy przełączyć w tryb zimowy i podgrzew c.w.u. jest tam aktywny czyli kocioł będzie działał normalnie z podgrzewem c.w.u. (patrz instrukcja) Można też zrobić inaczej tj. ustawić temperaturę podgrzewu c.w.u. poniżej podgrzewu z kominka (rozpatrujemy tryb letni) i wtedy podgrzew zadziała gdy temperatura spadnie poniżej zadanej na sterowniku, gdy kominek nie da rady jej podgrzać (duży rozbiór), ale lepiej zastosować wariant 1. Latem natomiast można korzystać z wariantu 2. Kocioł w obydwu przypadkach nie jest wyłączony , jest to tylko opcja w ustawieniach sterownika. Wiem, że jest to trochę zawiłe ale jedyne w tej sytuacji. gdyby kocioł gazowy posiadał funkcje przełączania źródeł ciepła to nie było by problemu taka samo jak z kotłem jednofunkcyjnym. Niestety automatyka zastosowanego kotła na to nie pozwala.
-
A mozna prosic o więcej informacji , jakie masz zapotrzebowanie na ciepło,jaka pompa, może jakiś schemat z opisem?
-
Może tez być , że w pompie zebrał się brud i częściowo "przypchał" pompę oraz , że chodziła , po wygotowaniu się wody na sucho. W pierwszym przypadku wystarczy odkręcić korpus silnika od pompy i wyczyścić ją , w drugim niestety może okazać się konieczna wymiana pompy.
-
Wężownica w samym kotle, montowana fabrycznie.
-
Zasilanie Junkersa Woda Wstepnie Podgrzana Przez Kominek W Bojlerze
AdamGuitar odpowiedział(a) na jubileromega temat w Instalacje CO i CWU
daj termostatyczny zawór mieszający pomiędzy zasobnikiem a podgrzewaczem. Będziesz miał wtedy stałą temperaturę przed podgrzewaczem, który dogrzeje ją do zadanej temperatury, a jednocześnie poprzez podmieszanie zwiększy się ilość pobieranej wody. Możesz mieć wtedy nawet 40 st. na bojlerze a zawór ustawiony na 30 st. Przykład zaworu na stronie http://www.termsystem.com/zawory_miesz_termo.htm i drugi http://www.atmos.cz/poland/prislusenstvi-0...entil-smesovaci -
Tutaj w celu wizualizacji wykresy z regulacją c.o. zaworem trój - czterodrożnym i zaworami termostatycznymi, oraz tylko z zaworami termostatycznymi i stałą temperaturą na zasilaniu.
-
Zawory wtedy pracują cały czas w zakresie otwartym. Przy zbyt wysokiej temperaturze zasilania potrafią się zamknąć co zakłóca cyrkulacje powietrza w pomieszczeniu i powoduje dyskomfort cieplny przy podłodze. Powietrze nagrzane znajduje się u góry pomieszczenia a przy podłodze powietrze jest chłodniejsze strefowo coraz wyżej aż do ponownego otwarcia się zaworu. powoduje to większe wahania temperatury w pomieszczeniu.
-
temperaturę na instalacji można ustawić ręcznie. Kocioł pracuje na swoich (wyższych parametrach) instalacja c.o. na niższych. W ten sposób zabezpiecza się kocioł, a jednocześnie parametry na instalację są zbliżone do zapotrzebowania (temperatura).
-
ok. 50 st. c powinno być na powrocie do kotła.
-
Z podanych danych wynika, ze komin spełnia wymagania. Najwięcej do powiedzenia będą mieli użytkownicy tych kotłów ale nasuwa się refleksja,ze trzeba by było zmniejszyć moc wentylatora np. poprzez wolny start , niektóre nowe sterowniki maja taka opcję, że ruszają od minimalnych obrotów i wraz ze spadkiem temperatury w kotle zwiększają je i na odwrót dochodząc do zadanej temperatury zwalniają. Ważna jest tez praca w podtrzymaniu ale tu inni użytkownicy mający z takimi kotłami do czynienia powinni pomóc. mam tez nadzieje, że komin został prawidłowo zmontowany (docieplenie wełna mineralną).
-
Pytanie o możliwość podłączenia kotła termet central 23
AdamGuitar odpowiedział(a) na jesion temat w Inne tematy o kotłach i piecach
Nie bardzo wiem co producent miał na myśli pisząc "Moc grzewcza pieca (bez instalacji) – węgiel/drewno" Liczy się znamionowa moc nominalna i tu Nadzór Budowlany ma rację , niestety. -
Zależy w jakiej użyte są konfiguracji. Można je skonfigurować do regulacji temperatury na instalacje c.o. lub ochrony kotła przed zbyt niską temperaturą. Można zbudować niezależne układy do kontroli temperatury powrotu oraz utrzymywania temperatury zasilania na c.o. w zależności od temperatury zewnętrznej lub w pomieszczeniu, do regulacji zasilania podłogówki itp.itd.
-
Brak pompy na podłogówce za zaworem trójdrożnym.
-
A jaki jest przekrój komina? Jeśli chodzi o wysokość to dość mała ale zależy jaki jest jeszcze przekrój. przy tej mocy powinien mieć minimum ? 200 mm min. 6 m ? 150 mm min. 12 m 150 x 150 mm min. 10 m zapotrzebowanie powietrza ok. 38 m3
-
Podłogówka Nie Grzeje Równno Miernie!
AdamGuitar odpowiedział(a) na kaczorek43 temat w Instalacje CO i CWU
Jeśli masz ograniczenie temperatury do takiej jak napisałeś to przepływ jest ograniczony i to jest przyczyną. Prawdopodobnie instalacja została źle dobrana. Otwórz ogranicznik temperatury do max. oraz zmniejsz temperaturę zasilania podłogówki na zasilaniu. nie wiem na jakich parametrach ona działa, i spróbuj wtedy. Ograniczenie temperatury powinno pomóc. Nie należy zaczynać od rzeczy najtrudniejszych. -
Piec Na Paliwo Stałe+ Kominek Z Płaszczem
AdamGuitar odpowiedział(a) na przemek2 temat w Instalacje CO i CWU
To nadal nie to.Trzeba umiejętnie połączyć wszystkie układy aby całość instalacji pracowała prawidłowo. -
Instalacja Cwu W Domku Jednorodzinnym
AdamGuitar odpowiedział(a) na Mcdudol temat w Instalacje CO i CWU
Jeśli piec pracuje w podtrzymaniu z temperaturą 35 st. to za kilka lat zostanie zżarty przez korozję. Producent kotła na pewno przewiduje pracę kotła w której temperatura powrotu będzie wynosiła min. 50 st. C. Odsyłam to tematów poświęconych tematowi punktu rosy i korozji z tym związanej. -
Zasilanie Junkersa Woda Wstepnie Podgrzana Przez Kominek W Bojlerze
AdamGuitar odpowiedział(a) na jubileromega temat w Instalacje CO i CWU
Woda w instalacji wodociągowej ma mniej więcej stałą temperaturę ok. 8 - 10 st. C niezależnie od pory roku. Chodzi mi o to , że nie wiem czy podgrzewacz przepływowy jest przystosowany do takiego zastosowania, po stronie napływu zimnej wody(np. membrana), tu wypowiedzieć musiałby się ktoś, kto takie rozwiązanie praktykował, chociaż dla mnie i tak najważniejsza byłaby opinia producenta. Jeśli chodzi o przystosowanie do zasilania innym gazem niż ziemny - to nie ma problemu, producent sprzedaje takie zestawy lub przy zakupie kupuje się już przystosowany do konkretnego gazu. -
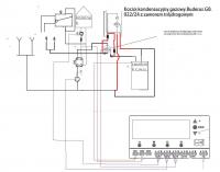
Połączenie jest poprzez zawór trójdrożny ( otoczony kółkiem) , działa on jako priorytet c.w.u. oraz ogranicza temperaturę c.w.u. Wszystko działa w automacie oprócz kotła gazowego załącz - wyłącz.
-
metodą prób i błędów lub z siłownikiem i sterownikiem.
-
sprawdzić czy grzejnik ma drożność na powrocie i zasilaniu, przy grawitacji lepiej lub gorzej ale powinien grzać.
