IGNOROWANY
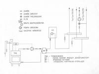
Jak Polaczyc Co Gazowe I Weglowe?
- Odpowiedz w tym temacie
- Ignoruj ten temat
- Czy wyłączyć ignorowanie tego tematu?
- Dodaj nowy temat
-
Ostatnio przeglądający 0 użytkowników
- Brak zarejestrowanych użytkowników przeglądających tę stronę.
-
Podobna zawartość
-
Piec gazowy
Przez kamil85,
- 6 odpowiedzi
- 255 wyświetleń
-
- 2111 odpowiedzi
- 494059 wyświetleń
-
zużycie paliwa gazowego
Przez Niziurski,
- 3 odpowiedzi
- 1006 wyświetleń
-
Piec gazowy problem
Przez sklepzeusik1,
- 2 odpowiedzi
- 791 wyświetleń
-
- 1 odpowiedź
- 404 wyświetleń
-

Rekomendowane odpowiedzi
Dołącz do dyskusji
Możesz dodać zawartość już teraz a zarejestrować się później. Jeśli posiadasz już konto, zaloguj się aby dodać zawartość za jego pomocą.
Uwaga: Twój wpis zanim będzie widoczny, będzie wymagał zatwierdzenia moderatora.