IGNOROWANY
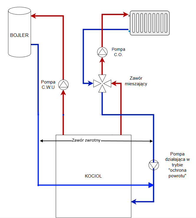
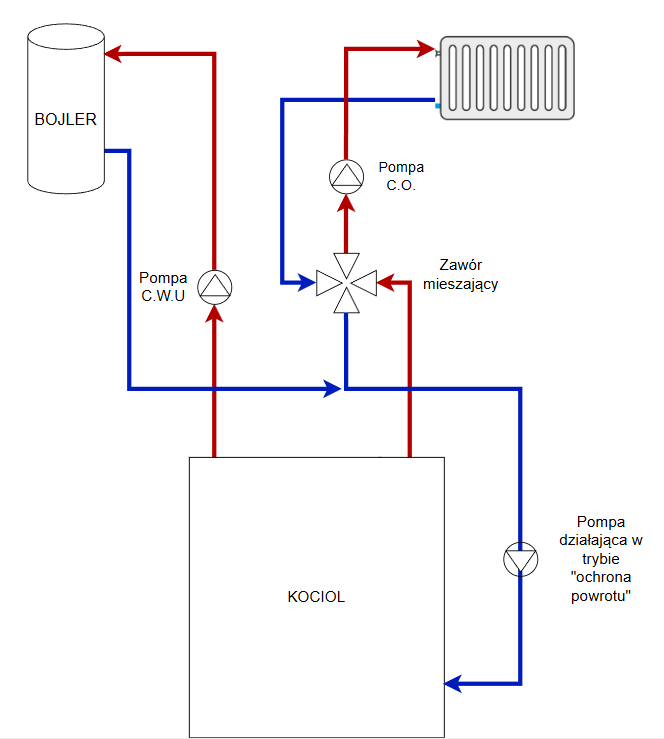
Dwie pompy C.O., zawór 4D i ochrona powrotu – pytania o prawidłowy schemat
- Odpowiedz w tym temacie
- Ignoruj ten temat
- Czy wyłączyć ignorowanie tego tematu?
- Dodaj nowy temat
-
Ostatnio przeglądający 1 użytkownik
-
Podobna zawartość
-
Ochrona powrotu
Przez Damian93,
- 0 odpowiedzi
- 46 wyświetleń
-
- 20 odpowiedzi
- 1032 wyświetleń
-
- 0 odpowiedzi
- 0 wyświetleń
-
Ochrona powrotu
Przez Artur212212,
- 15 odpowiedzi
- 1059 wyświetleń
-
- 7 odpowiedzi
- 830 wyświetleń
-

Rekomendowane odpowiedzi
Dołącz do dyskusji
Możesz dodać zawartość już teraz a zarejestrować się później. Jeśli posiadasz już konto, zaloguj się aby dodać zawartość za jego pomocą.
Uwaga: Twój wpis zanim będzie widoczny, będzie wymagał zatwierdzenia moderatora.