IGNOROWANY
		
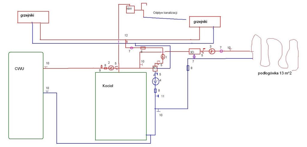
			Przyszła modernizacja instalacji, schemat do oceny.
- Odpowiedz w tym temacie
- Ignoruj ten temat
- Czy wyłączyć ignorowanie tego tematu?
- Dodaj nowy temat
- 
Ostatnio przeglądający 0 użytkowników- Brak zarejestrowanych użytkowników przeglądających tę stronę.
 
- 
Podobna zawartość

 
	 
	 
	
Rekomendowane odpowiedzi
Dołącz do dyskusji
Możesz dodać zawartość już teraz a zarejestrować się później. Jeśli posiadasz już konto, zaloguj się aby dodać zawartość za jego pomocą.
Uwaga: Twój wpis zanim będzie widoczny, będzie wymagał zatwierdzenia moderatora.