Skocz do zawartości
IGNOROWANY

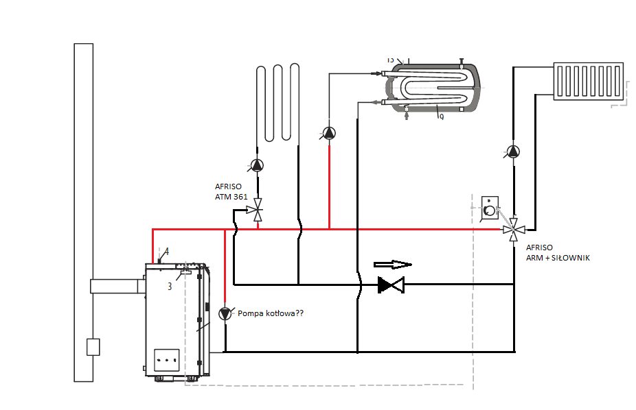
Schemat instalacji hydraulicznej kotła na pellet


kamillos02

Rekomendowane odpowiedzi

Opublikowano

Chciałbym żeby ktoś doradził mi czy schemat instalacji kotła CO jest poprawny do zainstalowania w domu. Zamierzam podłączyć kocioł marki Kostrzewa. Poniżej poglądowy schemat instalacji.

1254346264_Schematinstalacjikota.png.ac5eadcd1240cd16d2663dd6ee8b8c32.png

Opublikowano

Witamy na forum

Do kotła na pellet taki schemat się niezbyt nadaje, ba jest do kitu.

Dobrych schematów jest kilka w dziale o instalacjach - poszukaj, ew na stronie kostrzewy też są schematy, a przynajmniej były do niedawna.

Tu na skróty nie bardzo można iść.

Opublikowano

@sambor dodaj żeby Kolega @kamillos02 wybił sobie z głowy kocioł od Kostrzewa a Ty to potrafisz zrobić skutecznie ;) 

Opublikowano

Kolega ma na schemacie zawór czterodrożny na obiegu c.o. Osobiście, jeśli już, to czterodrożny dałbym na obiegu podłogówki. Zawór 4d lepiej spisuje się na obiegu chłodniejszym, dlatego, że zawór ten w mniejszym stopniu otwiera się, i grawitacja na krótkim obiegu lepiej działa. Trójdrożny na c.o. To tak odnośnie schematu...

Najlepszym rozwiązaniem, oczywiście według mnie, jest pompa przewałowa.

Gość Trener40
Opublikowano
9 godzin temu, kamillos02 napisał:

 

1254346264_Schematinstalacjikota.png.ac5eadcd1240cd16d2663dd6ee8b8c32.png

@palacz66, ale spójrz... Ten kocioł nie potrzebuje zabezpieczenia ;) 

Opublikowano
45 minut temu, palacz66 napisał:

@sambor dodaj żeby Kolega @kamillos02 wybił sobie z głowy kocioł od Kostrzewa a Ty to potrafisz zrobić skutecznie ;) 

Jeden starszy model kostrzewy mam pod swoją "opieką" i praktycznie do niego nie zaglądam, jedyna jego wada to większe spalanie,

ale sam kocioł stoi w miejscu gdzie temp potrafi być taka jak na dworze.

Ale generalnie to takiego kotła, jak już koledzy piszą, to nie należy kupować.

 

Opublikowano
1 godzinę temu, termont napisał:

Kolega ma na schemacie zawór czterodrożny na obiegu c.o. Osobiście, jeśli już, to czterodrożny dałbym na obiegu podłogówki. Zawór 4d lepiej spisuje się na obiegu chłodniejszym, dlatego, że zawór ten w mniejszym stopniu otwiera się, i grawitacja na krótkim obiegu lepiej działa. Trójdrożny na c.o. To tak odnośnie schematu...

Najlepszym rozwiązaniem, oczywiście według mnie, jest pompa przewałowa.

Czyli powinienem zamienić grzejniki z podłogówką oraz układ doposażyć w pompę kotłową z czujnikiem temperatury. To wystarczające czy jeszcze zawór 3d bądź zawór zwrotny? Oczywiście na schemacie poglądowym nie rysowałem zaworów, filtrów do pomp itp.

 

1795881188_Schematinstalacjikotazpomp.png.5180bd280b03c291454104d7854cb5dc.png

Opublikowano

Trochę zbyt dużo tych pomp można to uprościć. 

Opublikowano

Tak, zamienić obiegi właśnie, dobrze Pan zrozumiał. Dla jasności, jeśli mówimy, że zawór 4d się mniej otwiera, to znaczy, że gardziel zaworu (między portami: "zasilaniem z kotła", oraz "powrótem do kotła"), ma największe światło, co sprzyja grawitacji. Taka moja uwaga... Jestem zwolennikiem jak najmniejszej ilości kolan na tym krótkim obiegu, oraz średnicy rur, równej przyłączy kotła. Dopiero przed samym 4d zmniejszenie średnicy np na 1", jeśli 4d jest taki.

Dobrze wrysował Pan pompę przerwałową. Może być wyposażona ta pompa w czujnik temperatury, choć niekoniecznie. Osobiście, wolałbym, aby mieszała zład kotła cały czas, zwiększając stałopalność. Pompa przewałowa nie potrzebuje żadnych trójdrożnych zaworów. Kocioł robi za takie większe sprzęgło.

Lepiej zastosować myślę drugi wariant...

Zarchiwizowany

Ten temat przebywa obecnie w archiwum. Dodawanie nowych odpowiedzi zostało zablokowane.

  • Ostatnio przeglądający   0 użytkowników

    • Brak zarejestrowanych użytkowników przeglądających tę stronę.
×
×
  • Dodaj nową pozycję...

Powiadomienie o plikach cookie

Używając tej strony zgadzasz się na Polityka prywatności.