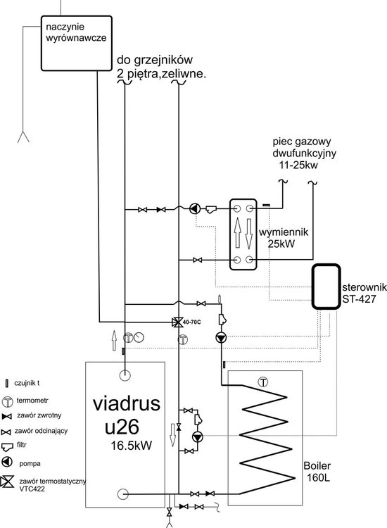
1312 Opublikowano 12 Sierpnia 2019 #1 Opublikowano 12 Sierpnia 2019 Witam wszystkich. Posiadamy w naszym domu (180m2, stary przedwojenny niemiecki dom, nie ociepłony, góry), dwa pieca zasypowy zeliwny (viadrus u26 16kw, sterowany miarkownikiem + pompka) oraz dwufunkcyjny gazowy(ariston microgenus ~11-25kw, z sterownikiem pokojowym), ogrżewanie działa w jednym układzie otwartym rozdziełane przeż zawory odcinajęce(nie używamy tych pieców razem). Większosc grzejników zeliwne, 80% mają termostaty, instalacyja cała w medzi, grawitacyja przy braku prądu i bieganiem wokól zaworów działa. Przyszedł czas na modernizacyje kotłowni, poniewasz zawory wokól pieca ciękną, bojler do wymiany i trzeba rozdzelić dwa układa, z wyjątkiem tego że piec na węgieł-drewno będzie dominujęcym, piec gazowy będzie używany jako dodatkowy w dni wyjazdy oraz w cepły dni jako podgrzewanie wody. W załaczniku mam schemat do sprawdzenia na błędy\porady i mam pare pytan do fachowców - W jakim miejscu lepej zamątować wymennik? -W jakim mejscu podłaczyc bojler?(160l, pionowy z wężownicą, będzie stał obok pieca w kotłowni) -Jak zastosować zawory żeby przy pracy pieca gazowego nie grzać pieca żeliwnego? i nie wychładzać układu Odrazu Wszystkim bardzo dziękuje za pomoc i uwagi.
iwan10 Opublikowano 12 Sierpnia 2019 #2 Opublikowano 12 Sierpnia 2019 Ja się nie znam za bardzo, więc się wypowiem;p Ja bym wstawił w miejsce 1 (patrz załącznik) zamiast zwrotnego różnicowy, bo pisałeś że grawitacja Ci lata. W 2 bym wstawił zwrotny, żeby nie grzać kotła stałopalnego gazowym. Skreśloną pompę dał bym w miejsce 3 + filtr i zawory. a bojler bym podpiął tak jak 4, oczywiście z zaworami i filtrem. Gazówka jest 2-funkcyjna wiec bojler dla stałopalnego. Jestem amatorem, więc poczekaj na rady fachowców.
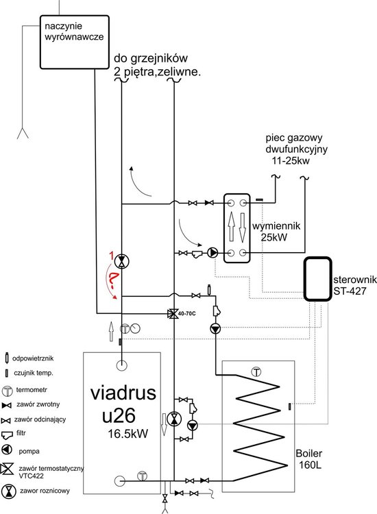
1312 Opublikowano 13 Sierpnia 2019 Autor #3 Opublikowano 13 Sierpnia 2019 Do iwan10 ---- - W mejscu 1 będzie zawór różnicowy ( tyłko sluszałem że na pompach elektronicznych kula halasuje) moża kłapowy bez spręzyny w pionie? -W 2 miescu jak będzie zwrotny to grawitacyja nie zadziała. - 3 można i tak zrobić, tylko zachować kierunek przepływu wody. -4 też trzeba zachować kierunek przepływu(nie w tą strone pompke wstawiłeś), a tak nie będzie róznicy, bo to jest ta sama rura. Dzięki za odpowiedż. Załaczam V2 projektu i mam do tego pytanie - czy można zostosować zawór róznicowy 1 do odcięcja pieca w czasie pracy wymiennika? czy zastosowac elektrozawór? -w jakim miescu zawor 1 było by lepej, przed bojlerem? czy po? -przy pracy wymiennika(tryb pieca gazowego) rozgrżaniu wody w instalacyji zawor 3d termostatyczny otworzy sie i woda pójdzie do pieca? - gdzie muszą być odpowietrzniki?
sambor Opublikowano 13 Sierpnia 2019 #4 Opublikowano 13 Sierpnia 2019 Pompa wymiennika jest wstawiona w złym miejscu. Pompa ma tłoczyć wodę na wymiennik a nie z niego ciągnąć!
1312 Opublikowano 14 Sierpnia 2019 Autor #5 Opublikowano 14 Sierpnia 2019 Aaa, tak z tym sie zgadzam, przeciesz jak w piecu zasypowym tak i gazowym pompa tloczy wode do "wymiennika". Wieczorem poprawie. Dzięki!
sambor Opublikowano 14 Sierpnia 2019 #6 Opublikowano 14 Sierpnia 2019 51 minut temu, 1312 napisał: w piecu zasypowym tak i gazowym pompa tloczy wode do "wymiennika". W kotle gazowym pompa jest zawsze na powrocie, kotła, więc raczej ciągnie z wymiennika płytowego , a nie do niego tłoczy
1312 Opublikowano 14 Sierpnia 2019 Autor #7 Opublikowano 14 Sierpnia 2019 Tak jest, ciągnie z wymiennika woda\woda, a tłoczy do wymiennika woda\ogien. Co sądzisz o schemacie? Czy to zda egzamin?
sambor Opublikowano 14 Sierpnia 2019 #9 Opublikowano 14 Sierpnia 2019 Może dodatkowa zagwozdka - po ochrona powrotu do kotła żeliwnego?
HarryH Opublikowano 14 Sierpnia 2019 #10 Opublikowano 14 Sierpnia 2019 Żeby nie zarastał smołą? Kiedyś chciałem sobie kupić Viadrusa (na szczęście zmądrzałem) i ochrona powrotu byłą warunkiem gwarancyjnym.
Gość Digitrax Opublikowano 14 Sierpnia 2019 #11 Opublikowano 14 Sierpnia 2019 Czy nie prościej będzie jak cały układ się zamknie i podłączy do kotła gazowego bezpośrednio a kocioł węglowy przez wymiennik.
1312 Opublikowano 15 Sierpnia 2019 Autor #12 Opublikowano 15 Sierpnia 2019 Może dodatkowa zagwozdka - po ochrona powrotu do kotła żeliwnego?Dla tego i montuje zawor 3d mieszajecy ochrony powrotu, tylko jak to zgrać z bojlerem?zagwozdka. Bo z bojlera będzie leciała zimna woda na powrot pieca..
sambor Opublikowano 15 Sierpnia 2019 #13 Opublikowano 15 Sierpnia 2019 Z tego co mi wiadomo kocioł żeliwny U26 ma dopuszczalne ciśnienie robocze 4 bary, czyli więcej niż kocioł gazowy Dlaczego więc nie zamkniecie całości ? Zamiast wymiennika dać wężownicę schładzającą zewnętrzną albo dedykowaną do tego kotła i schemat się mocno uprości, choć tańszy nie będzie - potrzeba naczynia przeponowego + grupy bezpieczeństwa + instalacji schładzającej.
1312 Opublikowano 15 Sierpnia 2019 Autor #14 Opublikowano 15 Sierpnia 2019 Zamknięcie całosci spowoduje brak grawitacji i większe koszty (zawor, wymiennik, sterownik i pompy uż zakupione), i nie rozwiąże zimnego powrotu na piec węglowy... Większosc czasu palimy w węglowym z dużą iłoscią wody w instalacji dla tego i jest priorytet otwartej instalacji, chociaż moge i nie mieć racyj.. Dzięki za odpowiedzi!
sambor Opublikowano 15 Sierpnia 2019 #15 Opublikowano 15 Sierpnia 2019 2 godziny temu, 1312 napisał: Zamknięcie całosci spowoduje brak grawitacji Nie prawda! Grawitacja nie jest zależna do zamknięcia lub otwarcia instalacji! Z resztą przy zaworze VTC grawitacji i tak nie będzie lub będzie bardzo słaba - po prostu taki zwór ma spore opory przepływu i będzie tłumił grawitację, z resztą przy samej grawitacji nie potrzeba dodatkowej ochrony powrotu.
Gość Digitrax Opublikowano 15 Sierpnia 2019 #16 Opublikowano 15 Sierpnia 2019 Reasumują: kocioł żeliwny U26 nie wymaga ochrony powrotu i ma dopuszczenie do pracy pod ciśnieniem 4 bary. Proponuję zamknąć układ nie instalować zaworów 3D, 4D i pompę kotła węglowego dać na powrocie. Oba kotły moga pracować wspólnie i niezależnie. Wystarczy na ich powrotach dać zawory zwrotne (klapowy przy węglowym dla grawitacji). Zbiornik CWU podłączyć od obiegu CO tak jak zwykły grzejnik ale na wężownicy na zasilaniu zainstalować zawór termostatyczny z kapilarą i zawór zwrotny.
sambor Opublikowano 15 Sierpnia 2019 #17 Opublikowano 15 Sierpnia 2019 Widzisz Kolego @Digitrax autor tematu zaczął instalację nie od schematu, lecz od kupna zbędnych gratów, które teraz namolnie chce wcisnąć w wydumany schemat. Z resztą to nie pierwszy ani ostatni taki inwestor na forum. "Ochrona powrotu" w kotle żeliwnym jest na poziomie 40- 45C co zapewni praktycznie każda instalacja grzejnikowa z pompą, bez dodatkowych 3-D, 4-D i innych utrudnień. Mam tylko jedną zmianę do Twojej propozycji - pompa CO od kotła żeliwnego na zasilaniu i zaw różnicowy kulowy do obiegu grawitacyjnego - będzie lepszy i pewniejszy niż ZZ klapowy.
KubaSko Opublikowano 15 Sierpnia 2019 #18 Opublikowano 15 Sierpnia 2019 Z doswiadczenia powiem ze jedyne co zda egzamin zeby gazowiec nie grzał śmieciaka to tylko zz york, wszystko inne w mniejszym lub większym stopniu przpuści.
sambor Opublikowano 15 Sierpnia 2019 #19 Opublikowano 15 Sierpnia 2019 Każdy prawidłowo wykonany ZZ np Valvex będzie trzymał, ja staram się wstawiać soclę lub valvexa i nie ma prblemu - jak ktoś wstawia ferro to są kłopoty
KubaSko Opublikowano 15 Sierpnia 2019 #20 Opublikowano 15 Sierpnia 2019 Mówisz o klapowych czy yorkach (grzybkowych )? Różnicowe tez mi potrafiły przepuszczać. Grzybkowe nigdy jakiej firmy by nie byl. Socla nie robi klapowych mniejszych niż 1 1/2 cala więc takowych na pewnl nie uzywasz w mieszkaniówce
sambor Opublikowano 15 Sierpnia 2019 #21 Opublikowano 15 Sierpnia 2019 Jak robisz obieg grawitacyjny z obejściem pompą to wstawienie klapowego 5/4 lub 6/4 to norma nawet do kotła 20-25kW A do kotła gazowego nie potrzeba ZZ klapowych PS raz trafiłem sprężynowe , kupione przez inwestora i żaden z nich nie trzymał na 100%
KubaSko Opublikowano 15 Sierpnia 2019 #22 Opublikowano 15 Sierpnia 2019 Tylko ze niestety jak bedzie chodził gazowy to na viadrusie klapowy bedzie przepuszczał. Moze lepiej bedzie kupic grzybkowy i wyciągnąć sprężynę.
1312 Opublikowano 16 Sierpnia 2019 Autor #23 Opublikowano 16 Sierpnia 2019 Powrot musze dogrzewac bo nigdy nie wraca woda o zalecanej temperaturze i piec obrasta razem z kominem. Wymennik to warunek ktory musze spełnić dla serwisu pieca gazowego na następny sezon grzewczy. Czy ktoś z fachowców używa uszczelniaczy anaerobowych do polączen gwintowanych? Chodzi mi o loctite 577, Jak jest z odkręcaniem?
KubaSko Opublikowano 16 Sierpnia 2019 #24 Opublikowano 16 Sierpnia 2019 Dziwny wymog ze musisz miec wymiennik... co do uszczelniaczy to śrubę wykręcisz, ale mialem kiedys na to wkręconą złączkę mosiężną i nie mogłem tego dziadostwa wykręcic takze odradzam stosowania tego przy dużych gwintach.
Gość Digitrax Opublikowano 16 Sierpnia 2019 #25 Opublikowano 16 Sierpnia 2019 Ten wymiennik to ja myślę że to dupochron nie podparty żadnym aktem prawnym czy wpisem w zaleceniach producenta kotła gazowego. Ot chcą by ze starej grawitacyjnej instalacji z żeliwnymi grzejnikami nie leciały syfy do kotła gazowego. Ja i tak bym robił po swojemu.
Rekomendowane odpowiedzi
Zarchiwizowany
Ten temat przebywa obecnie w archiwum. Dodawanie nowych odpowiedzi zostało zablokowane.