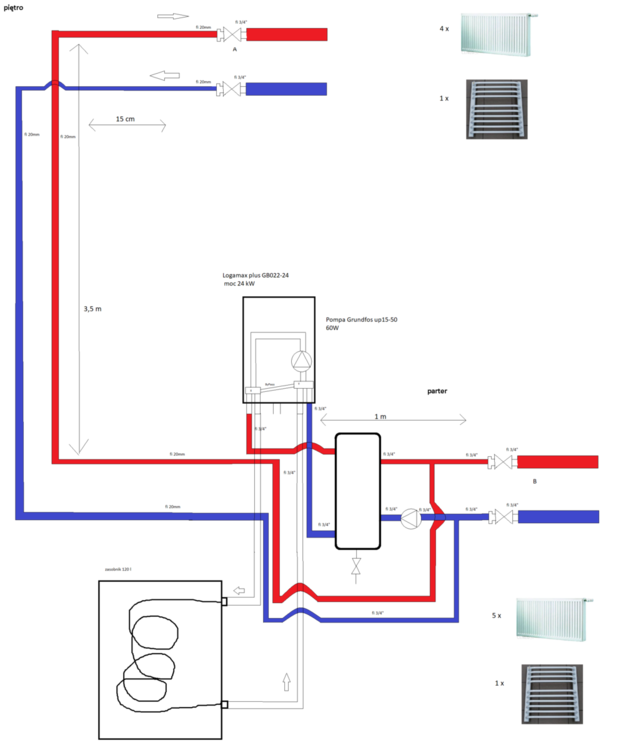
glucosum Opublikowano 30 Grudnia 2018 #1 Opublikowano 30 Grudnia 2018 Dzień dobry. Mam prośbę o opinie i ew pomoc. Dom 1 piętrowy. Piec Buderus GB022 jednofunkcyjny z pompą US 15-50. Zasobnik 120l. Rozdzielacza osobne na piętro i parter. Kaloryfery płytowe Buderus z zasilaniem dolnym i wkładką termostatyczną. Problem -----> parter przewlekle niedogrzany. Kaloryfery na parterze ciepłe dopiero jak zawory termostatyczne kaloryferów z piętra się pozamykają. Mogę odciąć całą górę i wtedy ciepłe są kaloryfery na dole, ale i tak grzeją tylko górną częścią. Powrót zawsze zimny. Instalacja odpowietrzona, instalacja wypłukana. Załączam rysunki instalacji. Jeśli potrzebne będą zdjęcia to proszę zgłosić. Moja propozycja zmian
brovar Opublikowano 30 Grudnia 2018 #2 Opublikowano 30 Grudnia 2018 kryzuj grzejniki i góry i zobacz czy pomogło
brovar Opublikowano 30 Grudnia 2018 #3 Opublikowano 30 Grudnia 2018 a sorki a czemu ty masz pompę za sprzęgłem na powrocie??
gmaj22 Opublikowano 30 Grudnia 2018 #5 Opublikowano 30 Grudnia 2018 Ostatni szkic!! Sprawdż, czy na pewno w ten sposób masz podłączone górne grzejniki. Jesli tak, to nie ma prawa to działać!! @brovar to nie jest sprzęgło tylko wymiennik płytowy!! Tak przynajmniej wynika z umiejscowienia pomp.
glucosum Opublikowano 30 Grudnia 2018 Autor #6 Opublikowano 30 Grudnia 2018 Teraz, brovar napisał: a sorki a czemu ty masz pompę za sprzęgłem na powrocie?? to propozycja zmian
brovar Opublikowano 30 Grudnia 2018 #7 Opublikowano 30 Grudnia 2018 A po co w takiej instalacji wymiennik płytowy jak tylko grzeje gazem
glucosum Opublikowano 30 Grudnia 2018 Autor #8 Opublikowano 30 Grudnia 2018 1 minutę temu, gmaj22 napisał: Ostatni szkic!! Sprawdż, czy na pewno w ten sposób masz podłączone górne grzejniki. Jesli tak, to nie ma prawa to działać!! Chodzi ci o grzejnik "C" na parterze? Jeśli tak to aktualna zmiana fachowca i dodanie drugiego grzejnika. Ale przed zmianą równiez było tak samo.
glucosum Opublikowano 30 Grudnia 2018 Autor #9 Opublikowano 30 Grudnia 2018 Teraz, brovar napisał: A po co w takiej instalacji wymiennik płytowy jak tylko grzeje gazem to moja propozycja zmian
glucosum Opublikowano 30 Grudnia 2018 Autor #10 Opublikowano 30 Grudnia 2018 Myślałem o dodaniu sprzęgła hydraulicznego i pompy. A z racji że nie mogę wymienić pompy w piecu bo ma nietypowy kopus oraz że sterowana jest przez piec a dodatkowej pompy nie założę szeregowo..
brovar Opublikowano 30 Grudnia 2018 #11 Opublikowano 30 Grudnia 2018 a rury masz jak piszesz fi 20 tzn wewnątrz 20 ?? jeśłitaktopowinno być ok
gmaj22 Opublikowano 30 Grudnia 2018 #12 Opublikowano 30 Grudnia 2018 Własnie o tej propozycji piszę: podłączone w ten sposób zasilanie górnych grzejników nie będzie działać. Chcesz zasilać grzejniki VK powrotem?? Jeśli to sprzęgło, to pompa za sprzęgłem powinna być na zasilaniu. Wtedy zasilanie grzejników będzie OK.
glucosum Opublikowano 30 Grudnia 2018 Autor #13 Opublikowano 30 Grudnia 2018 Rury PP klejone fi 20mm na zewnątrz
glucosum Opublikowano 30 Grudnia 2018 Autor #14 Opublikowano 30 Grudnia 2018 1 minutę temu, gmaj22 napisał: Własnie o tej propozycji piszę: podłączone w ten sposób zasilanie górnych grzejników nie będzie działać. Chcesz zasilać grzejniki VK powrotem?? Przepraszam nie rozumiem. Który grzejnik masz na myśli? Każdy ma swój numer. Akurat u góry grzejniki w miarę działają ;)
glucosum Opublikowano 30 Grudnia 2018 Autor #15 Opublikowano 30 Grudnia 2018 Co sądzicie o pompie z tego pieca? Powinna sama dawać radę?
brovar Opublikowano 30 Grudnia 2018 #16 Opublikowano 30 Grudnia 2018 Posłuchaj bardziej doświadczonych lecz na moje oko.... 1. Pompa z pieca bez problemu powinna dać radę 2. Jeśli rury masz fi 20 wg ciebie to jest PP czyli Masz nie fi 20 tylko fi 15 to są za małe. Z Pieca wychodzi ci rura miedź 22 tj 3.4 cala i taką min powinieneś pojechać do rozdzielaczy. 3. Sprzęgło możesz dać i pompę na zasilaniu lecz wg mnie nie ma sensu
glucosum Opublikowano 30 Grudnia 2018 Autor #17 Opublikowano 30 Grudnia 2018 Czyli według punktu 2. jeśli zwiększę średnicę rur do rozdzielaczy będzie znacząca poprawa ?
gmaj22 Opublikowano 30 Grudnia 2018 #18 Opublikowano 30 Grudnia 2018 To miałem na myśli, że pompa za sprzęgłem powinna być na zasilaniu. Pierwsza sugestia wynikała z niedopatrzenia, że to może być wymiennik płytowy. Co zaś do średnic, to całkowicie się z kol. @brovar zgadzam :) Oczywiście jeśli tylko pompa z kotła, to zapomnij o sprzęgle. W sumie całkowicie tu zbędne. T
brovar Opublikowano 30 Grudnia 2018 #19 Opublikowano 30 Grudnia 2018 Wczytałem się w twoje rysunki!! Masz podstawowy błąd... Grzejniki na dole powinny mieć zasilania i powroty bezpośrednio z rozdzielacza a ttu masz dwa grzejniki z jednej pętli i chcesz aby to działało? Każdy grzejnik bezpośrednio od rozdzielacza . A rury swoją drogą
glucosum Opublikowano 30 Grudnia 2018 Autor #20 Opublikowano 30 Grudnia 2018 gmaj22 co sądzisz o sugestii brovar żeby zwiększyć średnicę rur do rozdzielaczy? Sam to rozważałem ale nie chciałem sugerować...
glucosum Opublikowano 30 Grudnia 2018 Autor #21 Opublikowano 30 Grudnia 2018 1 minutę temu, brovar napisał: Wczytałem się w twoje rysunki!! Masz podstawowy błąd... Grzejniki na dole powinny mieć zasilania i powroty bezpośrednio z rozdzielacza a ttu masz dwa grzejniki z jednej pętli i chcesz aby to działało? Każdy grzejnik bezpośrednio od rozdzielacza . A rury swoją drogą Właśnie niedawno przy remoncie pękniętej kanalizacji pod domem mój fachowiec z uwagi na moje uwagi co do słabego grzania instalacji zaproponował dołożenie dwóch grzejników - tego już nie zmienię. Ale przed zmianą też było dokładnie tak samo...
brovar Opublikowano 30 Grudnia 2018 #22 Opublikowano 30 Grudnia 2018 Kolego przede wszystkim pomyśl aby każdy grzejnik był bezpośrednio od rozdzielacza!! Jak chcesz sprawdzić jeszcze to najbardziej skryzuj ten grzejnik na dole co jest bezpośrednio podpięty pod rozdzielacz a tamte otwórz na full Kto ci tą instalacje robił?
glucosum Opublikowano 30 Grudnia 2018 Autor #24 Opublikowano 30 Grudnia 2018 Deweloper. O tym że dokładnie połowa grzejników była odwrotnie podłączona to tylko szczegół. Jak odnalazłem elektryka który pracował dla dewelopera aby podpisał mi dokumenty do Energetyki to powiedział cytuje : deweloper powiedział że miało być tanio i JEST tanio....
gmaj22 Opublikowano 30 Grudnia 2018 #25 Opublikowano 30 Grudnia 2018 A ja dopiero teraz spojrzałem na szkic rozmieszczenia i podłączenia grzejników :) Tu rzeczywiście na dole można jeszcze próbować kryzować poszczególne grzejniki. Najpierw zdławić cały górny rozdzielacz, potem próbować dławić te grzejniki na dole, które są podłączone bezpośrednio z rozdzielacza. Na temat średnic już podzieliłem zdanie kol. @brovar
Rekomendowane odpowiedzi
Zarchiwizowany
Ten temat przebywa obecnie w archiwum. Dodawanie nowych odpowiedzi zostało zablokowane.