menda9307 Opublikowano 27 Listopada 2018 #1 Opublikowano 27 Listopada 2018 Witam. Jestem na etapie nowej instalacji i mam pewny dylemat. Chce zastosować sprzęgło hydrauliczne i teraz występują sprzęgła gotowe z rozdzielaczem lub bez i nie wiem czy jest sens dopłacać. Będę miał trzy obiegi pompowe i zastawaniem czi czy jak przy sprzęgle nie będzie rozdzielacza tylko pompki będą szły jedna za drugą na trójnikach to nie będą się zakłócać? Teraz kolejny wariant z sprzęgłem hydraulicznym i rozdzielaczem. Czy wystarczą zawory trój drogowe czy muszą być zastosowane czerto drogowe żeby powrót nie był za zimny ?
KubaSko Opublikowano 27 Listopada 2018 #2 Opublikowano 27 Listopada 2018 Jak chcesz miec estetycznie to kup kolektor i sprzeglo w zestawie, jak chcesz zaoszczedzic to wylutuj sobie kolektor na trojnikach. Najlepieh jak zwiekszysz jego srednice czyli jesli odejscia na trojnikach beda Cu 28 to trojnjk Cu 35x28x35. Przeplywow nic nie bedzie zaklocac. Za sprzeglem zawory3d. Co do zimnego powrotu to zalezy jaki jest kociol. Jak kondensat to nic nie stosujesz. Jak na paliwo stale to pompa kotlowa ewntualnie pompa i zawor temperaturowy. Zrob schemat, napisz co jest źrodlem ciepla i bedziemy radzic.
menda9307 Opublikowano 27 Listopada 2018 Autor #3 Opublikowano 27 Listopada 2018 Kocioł będzie na pellet i w jego instrukcji pisze ze minimalna temperatura powrotu to 55*C. Narysowałem mały schemacik mam nadzieje że coś z tego odczytacie. Podłogówka jest na rozdzielaczu tylko prościej było mi narysować to bezpośrednio z zasilania . Doradźcie czy instalacja może być tak wykona.
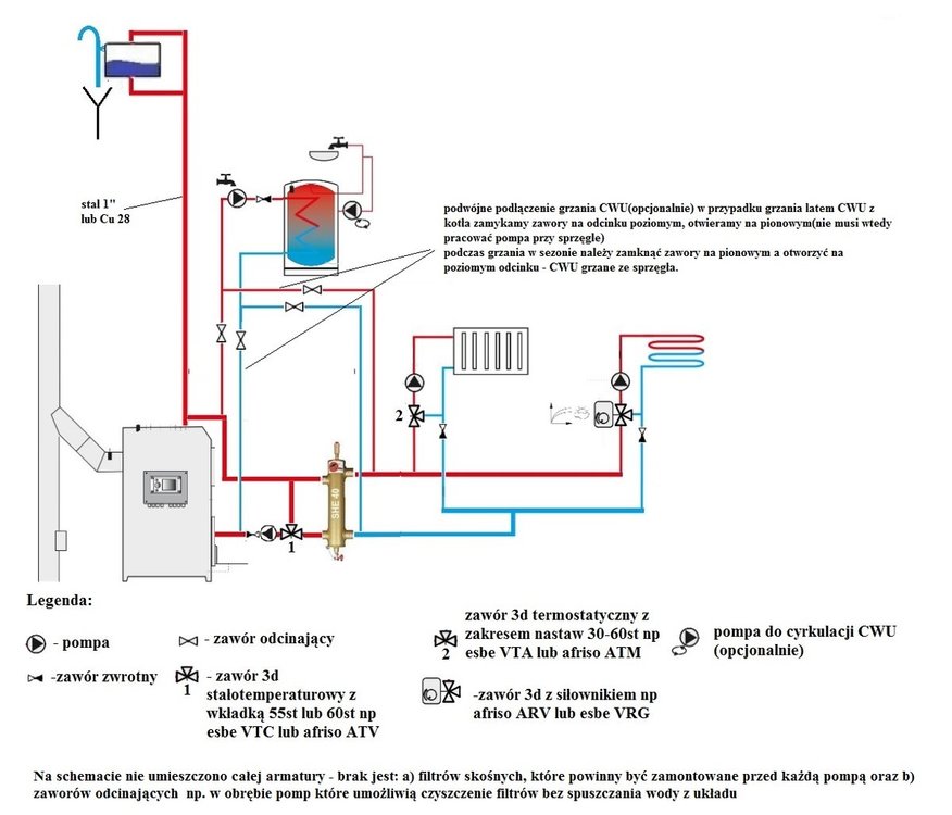
hajtaler428 Opublikowano 27 Listopada 2018 #4 Opublikowano 27 Listopada 2018 Kolektor to zrób z trójników tak jak Ci kolega radzi. Na przelocie daj większą średnicę np 5/4 czy 6/4 a na odejściach pod pompy 1" Poniżej masz schemat dla kotła na pellet który przygotowałem dla znajomego - może skorzystasz
g69 Opublikowano 27 Listopada 2018 #5 Opublikowano 27 Listopada 2018 hajtaler 428 dlaczego powrotu z bojlera nie wpina się między zawór VTC a sprzęgłem?W Twojej propozycji zanim bojler się nagrzeje będzie chłodny powrót kotła.
hajtaler428 Opublikowano 27 Listopada 2018 #6 Opublikowano 27 Listopada 2018 1. Bo jak termostat będzie zamknięty to nie będzie przepływu, a nawet jak będzie otwarty to pompy będą pracowały szeregowo 2. Jak będzie chłodny powrót - przecież CWU to krótki obieg który dogrzewa powrót. 3. Ten odcinek będzie pracował jeśli kocioł będzie grzał tylko CWU poza sezonem żeby nie musiały pracować dwie pompy
g69 Opublikowano 27 Listopada 2018 #7 Opublikowano 27 Listopada 2018 Wpinając powrót z bojlera miedzy zawór VTC a sprzęgło nie potrzebujemy chyba pompy CWU. Bojler będzie ładowany pompą kotłową.Ogranicznikiem temperatury bojlera mógłby być zawór strefowy lub zawór RTL z kapilarą .
audilhr Opublikowano 27 Listopada 2018 #8 Opublikowano 27 Listopada 2018 Nie kombinuje kolego bo po przerubce wyladujesz ponownie na forum z problemami mam identyczną instalacje działa pięknie tylko cwu wydaje mi się zbędne drugie podejście za sprzęgło wystarczy przed
menda9307 Opublikowano 27 Listopada 2018 Autor #9 Opublikowano 27 Listopada 2018 Dzięki hajtaler428 za schemacik na pewno się przyda. Mam jedno pytanko czy mogę podpiąć pompkę do CWU za sprzęgłem i nie stosować na powrocie za sprzęgłem zaworu VTC?
audilhr Opublikowano 27 Listopada 2018 #10 Opublikowano 27 Listopada 2018 Nie kolego vtc musi tam być i koniec i tak powinien być wpiety cwu przed sprzęgłem
hajtaler428 Opublikowano 27 Listopada 2018 #11 Opublikowano 27 Listopada 2018 Przez VTC będziesz miał ochronę powrotu. Wpięcie CWU możesz dać za sprzęgłem jeśli nie będziesz latem grzał samego CWU. Jeśli tak to przed w obieg kotłowy
lechumb Opublikowano 28 Listopada 2018 #12 Opublikowano 28 Listopada 2018 Witam. Na wiosnę będę przerabiał swoją instalacje i montował sprzęgło. I teraz pytanie. Sprzęgło bede robił sam dzięki uprzejmości kolegów z forum i zastanawiam się nad tym czy zrobić tzw sprzęgło rozdzielacz czyli dwa króćce 35mm od strony kotła i cztery króćce na pompy 28mm czy może standardowe 2 króćce od strony kotła i dwa krocce przesunięte na rozdzielacz z trójników. Pierwsza opcja to taki sprzęgło rozdzielacz jak ma Klaudiusz.Wysłane z mojego Nokia 5.1 przy użyciu Tapatalka
menda9307 Opublikowano 28 Listopada 2018 Autor #13 Opublikowano 28 Listopada 2018 Teraz już rozumiem zrobię tak jak na schemacie. Mam jeszcze jedno pytanie czy jeśli pompa CWU nie będzie pracować ponieważ temperatura zostanie osiągnięta to przez zawory 3-d nie będzie wracać zbyt zimna woda? Czy sprzęgło sobie poradzi z dogrzaniem wody powracającej? Chodzi mi o to że będzie wracała zimna woda zawór VTC zamknie obieg żeby dogrzać powrót i w tym momencie nie mam ogrzewania dobrze myślę?
hajtaler428 Opublikowano 28 Listopada 2018 #14 Opublikowano 28 Listopada 2018 Sprzęgło rozdziela obiegi grzewcze a zawór VTC nie zamyka się i otwiera w jednej chwili tylko działa płynnie więc sytuacja że nie będziesz miał temperatury za sprzęgłem będzie miała miejsce tylko przy rozpalaniu i nagrzewaniu instalacji
audilhr Opublikowano 28 Listopada 2018 #15 Opublikowano 28 Listopada 2018 6 godzin temu, lechumb napisał: Witam. Na wiosnę będę przerabiał swoją instalacje i montował sprzęgło. I teraz pytanie. Sprzęgło bede robił sam dzięki uprzejmości kolegów z forum i zastanawiam się nad tym czy zrobić tzw sprzęgło rozdzielacz czyli dwa króćce 35mm od strony kotła i cztery króćce na pompy 28mm czy może standardowe 2 króćce od strony kotła i dwa krocce przesunięte na rozdzielacz z trójników. Pierwsza opcja to taki sprzęgło rozdzielacz jak ma Klaudiusz. Wysłane z mojego Nokia 5.1 przy użyciu Tapatalka Witaj kolego ja mam właśnie taki sprzęgłorozdzielacz tylko wychodzą 4 krućce zasilanie powrót grzejniki i zasilanie powrót podłogówka cwu wpiete przed sprzęgło
odpowietrznik Opublikowano 28 Listopada 2018 #16 Opublikowano 28 Listopada 2018 A filtr przed pompą kotłową to gdzie?)i powinien być odpowietrznik u góry sprzęgła
menda9307 Opublikowano 28 Listopada 2018 Autor #17 Opublikowano 28 Listopada 2018 4 godziny temu, hajtaler428 napisał: Sprzęgło rozdziela obiegi grzewcze a zawór VTC nie zamyka się i otwiera w jednej chwili tylko działa płynnie więc sytuacja że nie będziesz miał temperatury za sprzęgłem będzie miała miejsce tylko przy rozpalaniu i nagrzewaniu instalacji Wielkie dzięki za pomoc.
audilhr Opublikowano 28 Listopada 2018 #18 Opublikowano 28 Listopada 2018 2 godziny temu, odpowietrznik napisał: A filtr przed pompą kotłową to gdzie?)i powinien być odpowietrznik u góry sprzęgła Kolego tak jest barometr został z próby ciśnieniowej po spawaniu sprzęgła i został zastąpiony odpowietrznikiem i filtr też już jest zamontowany ale przyznam się bez bicia ze zapomniałem o nim ale już jest hehehe
g69 Opublikowano 29 Listopada 2018 #19 Opublikowano 29 Listopada 2018 W dniu 27.11.2018 o 17:27, hajtaler428 napisał: 2. Jak będzie chłodny powrót - przecież CWU to krótki obieg który dogrzewa powrót. To w jakim celu zawór VTC przed sprzęgłem?Czy po stronie pierwotnej nie wystarczy tylko jedna pompa a po stronie wtórnej pompy odpalane od czujnika umieszczonego w sprzęgle?
odpowietrznik Opublikowano 29 Listopada 2018 #20 Opublikowano 29 Listopada 2018 W celu ochrony powrotu)Jest prawidłowo
hajtaler428 Opublikowano 29 Listopada 2018 #21 Opublikowano 29 Listopada 2018 3 godziny temu, g69 napisał: To w jakim celu zawór VTC przed sprzęgłem?Czy po stronie pierwotnej nie wystarczy tylko jedna pompa a po stronie wtórnej pompy odpalane od czujnika umieszczonego w sprzęgle? Nie wiem czy rzeczywiście nie rozumiesz czy tak dla rozrywki nakręcasz posty w tym temacie? 1. Masz w opisie schematu że podwójne podłączenie CWU(przed i za sprzęgłem) to opcja w przypadku grzania samego CWU latem z kotła. Gdyby nie było wpięcia w obieg kotłowy to do grzania CWU latem musiałyby pracować dwie pompy a nie ma takiej potrzeby. Jeśli nie grzejemy latem CWU z kotła to podłączenie za sprzęgłem. 2. Zawór VTC do ochrony powrotu. Pompa CWU do ochrony powrotu się nadaje ale niesie za sobą również niepożądane efekty - przy kotle na pellet temp zasobnika w okolicach 70st
KubaSko Opublikowano 29 Listopada 2018 #22 Opublikowano 29 Listopada 2018 str 45 rys nr 26 z załącznika jeśli chcesz pominąć sprzęgło ale warunkiem jest zawór 4d. Inne schematy do wyboru. Ja bym dodał od siebie schemat bez zaworu vtc, na samym sprzęgle (pompa po stronie pierwotnej 60) lub bez vtc i bez sprzęgła na samej pompie kotłowej.Tu masz możliwe rozwiązania ochrony powrotu w kotle pelletowym http://www.pelletmont.pl/na_co_uwazac.html Smart_Fire_SF11_SF15_SF22_SF41_PL_2017_02_22.pdf
menda9307 Opublikowano 30 Listopada 2018 Autor #23 Opublikowano 30 Listopada 2018 Mam jeszcze jedno pytanie. Jeśli w DTR kotła pisze ze powrót najlepiej żeby miał 55*C to zawór VTC mam zastosować 55*C ?
odpowietrznik Opublikowano 30 Listopada 2018 #24 Opublikowano 30 Listopada 2018 Kup sobie zawór ESBE VTC422 z regulowaną nastawą temp. Temp.otwarcia w zakresie 50-70st +/- 4st
menda9307 Opublikowano 28 Grudnia 2018 Autor #25 Opublikowano 28 Grudnia 2018 Witam. Panowie mam pytanie czy to podłączenie zaworów 3-d jest poprawne? Czy trzeba przy niech zrobić trójnik i dać powrót z instalacji do nich? Powrót docelowo maiła być wpięty w dolna belkę.
Rekomendowane odpowiedzi
Zarchiwizowany
Ten temat przebywa obecnie w archiwum. Dodawanie nowych odpowiedzi zostało zablokowane.