odpowietrznik Opublikowano 2 Października 2018 #26 Opublikowano 2 Października 2018 Aleś dowalił do pieca z tym mistrzem)Mistrz jest tylko jeden tu na forum)Wielki Mistrz Ulrich von S )
barney Opublikowano 9 Października 2018 Autor #27 Opublikowano 9 Października 2018 W tamtym tygodniu zamówiłem zawór zawor 3d VRG132 KVS4 1cal gw zewn oraz siłownik ARA661 Zawor jest trudno dostepny. Zalezalo mi na czasie i mial byc w tamtym tygodniu, Do dnia dzisiejszego go nie ma, a sprzedajacy nie odbiera telefonu. Czy wedlug was moge dac jakis inny zamiennik? Przeplyw wyliczony miałem okolo 3kvs wiec te 4kvs jest z zapasem. Czy kvs 6,3 bedzie na tyle za duzy ze kompletnie sie nie nadaje? Jakie beda skutki za duzego kvs? Ewentualnie kvs4 ale podlaczenie 3/4 a nie 1 cal?
odpowietrznik Opublikowano 9 Października 2018 #28 Opublikowano 9 Października 2018 Konsekwencją przewymiarowania zaworu 3D z siłownikiem będzie nieprecyzyjna regulacja temp. i szybsze zużycie siłownika(będzie nieustannie korygował swoje położenie)Ile jest pętli?
barney Opublikowano 9 Października 2018 Autor #29 Opublikowano 9 Października 2018 50 minut temu, odpowietrznik napisał: Ile jest pętli? Jest siedem pętli.
odpowietrznik Opublikowano 10 Października 2018 #30 Opublikowano 10 Października 2018 Zawór o Kvs =6,3 jest zdecydowanie za duży.Może być 3/4 Kvs=4 Choć pewnie wystarczyłby o Kvs=2,5 Jesteś w stanie określić ile m2 tej podłogówki?
barney Opublikowano 10 Października 2018 Autor #31 Opublikowano 10 Października 2018 O ile pamietam to około 70m2
barney Opublikowano 11 Października 2018 Autor #32 Opublikowano 11 Października 2018 Pytanie odnosnie termostatow do grzejniow. ZESTAW TERMOSTATYCZNY 1/2 KĄTOWY DANFOSS 75,00 zł (Głowica , Zawór termostatyczny, Zawór powrotny) FERRO Zestaw termostatyczny kątowy 1/2" ZTM21 38,89 zł (Głowica , Zawór termostatyczny, Zawór powrotny) Jest jakościowa roznica powyzej wymienionymi zaworami? Ktory lepszy?
odpowietrznik Opublikowano 11 Października 2018 #33 Opublikowano 11 Października 2018 No oczywiście że Danfoss lepszy.
sambor Opublikowano 11 Października 2018 #34 Opublikowano 11 Października 2018 Danfoss to prod EU (Dania) a ferro to skośnooki badziew.
barney Opublikowano 11 Października 2018 Autor #35 Opublikowano 11 Października 2018 Dzięki serdeczne.
barney Opublikowano 12 Października 2018 Autor #36 Opublikowano 12 Października 2018 W dniu 10.10.2018 o 16:45, odpowietrznik napisał: Zawór o Kvs =6,3 jest zdecydowanie za duży.Może być 3/4 Kvs=4 Udało mi sie kupic taki jak miał byc. VRG132 KVS4 1cal gw zewn oraz siłownik ARA661 Pytanie w jakiej pozycji powinien byc zamontowany? W moim przypadku tak jak na załączonym foto?
odpowietrznik Opublikowano 12 Października 2018 #37 Opublikowano 12 Października 2018 Tak.I kreseczka na pokrętle do montażu siłownika tak jak na rysunku czyli w połowie pomiędzy króćcem zasilania ze sprzęgła a króćcem podmieszania
barney Opublikowano 14 Października 2018 Autor #38 Opublikowano 14 Października 2018 Witam ponownie. Jeszcze jedno pytanie. Czy miejsce podlaczenie naczynia przeponowego w ukladzie c.w.u jest prawidłowe? Wstawiony bedzie trójnik pomiedzy kolano a grupe bezp. tak jak na foto. Czy jest to dobrze? Wielkosc naczynia z tego co pisza dobiera sie min 5% pojemnosci wymiennika, w moim przypadku 120l x 5% = 6l Instalator wspominał o 24l. Czy nie jest ono zbednie duze?
odpowietrznik Opublikowano 14 Października 2018 #39 Opublikowano 14 Października 2018 Tak w tym miejscu,na trójniku+szybkozłączka do naczynia,przed wejściem zimnej wody z sieci do zasobnika.24l jest zbędnie duże) wystarczy 8l dla zasobnika 120l jak będzie 12l to nie zaszkodzi
odpowietrznik Opublikowano 14 Października 2018 #40 Opublikowano 14 Października 2018 Może udałoby się zamontować trójnik 3/4" w pionie w miejsce tego kolana co jest w tej chwili chyba że naczynie będzie kolidować z kotłem to ten pomysł wtedy odpada
barney Opublikowano 14 Października 2018 Autor #41 Opublikowano 14 Października 2018 40 minut temu, odpowietrznik napisał: Może udałoby się zamontować trójnik 3/4" w pionie w miejsce tego kolana Dziekuje za odpowiedz. Nie wiem czy dam rade bez kolizji otworzyć klape od sterownika na piecu. Wydaje mi sie ze bedzie problem, ale sprawdze.
odpowietrznik Opublikowano 14 Października 2018 #42 Opublikowano 14 Października 2018 Jak problem to usytuwanie trójnika w ten sam sposób(bo myślę że trójnik "siądzie" w to samo miejsce co dotychczasowe kolano) + kolanko 3/4"GZ i kawałkiem rury Cu 22 odjechać w bok
barney Opublikowano 17 Października 2018 Autor #43 Opublikowano 17 Października 2018 W dniu 14.10.2018 o 18:37, odpowietrznik napisał: kolanko 3/4"GZ i kawałkiem rury Cu 22 odjechać w bok Zbiornik na zasobniku koliduje z klapka. Naczynie zawieszone obok kotla na scianie i połączone z zasobnikiem pex fi20 Cisnienie wody z sieci ma okolo 5-6 atmosfer Za licznikiem i z antyskażeniowym zainstalowany jest reduktor cisnienia. W tej chwili jest na nim 2,5 bara Jakie cisnienie powinno byc ustawione na dom? 3-4 atmosfery?
barney Opublikowano 17 Października 2018 Autor #44 Opublikowano 17 Października 2018 Jeszcze jedno. Przy rozdzielaczu do o podlogowego sa odpowietrzniki reczne takie jak przy grzejniku aluminiowym. Takie maja byc czy wymienic na automatyczne?
odpowietrznik Opublikowano 17 Października 2018 #45 Opublikowano 17 Października 2018 2 godziny temu, barney napisał: Zbiornik na zasobniku koliduje z klapka. Naczynie zawieszone obok kotla na scianie i połączone z zasobnikiem pex fi20 Cisnienie wody z sieci ma okolo 5-6 atmosfer Za licznikiem i z antyskażeniowym zainstalowany jest reduktor cisnienia. W tej chwili jest na nim 2,5 bara Jakie cisnienie powinno byc ustawione na dom? 3-4 atmosfery? Zbyt mała średnica do naczynia ten PEX fi.20 Naczynie ma gwint 3/4" co odpowiada rurze np.Cu 22 Fabrycznie reduktory są ustawione na 3bary można ustawić właśnie takie ciśnienie na dom
odpowietrznik Opublikowano 17 Października 2018 #46 Opublikowano 17 Października 2018 2 godziny temu, barney napisał: Jeszcze jedno. Przy rozdzielaczu do o podlogowego sa odpowietrzniki reczne takie jak przy grzejniku aluminiowym. Takie maja byc czy wymienic na automatyczne? I bdb ze ręczne.Pewnie że zostawić.Bym wymienił gdyby było w drugą stronę)
barney Opublikowano 17 Października 2018 Autor #47 Opublikowano 17 Października 2018 2 godziny temu, odpowietrznik napisał: Zbyt mała średnica do naczynia ten PEX fi.20 Naczynie ma gwint 3/4" co odpowiada rurze np.Cu 22 Nie chce miedzi do wody. Pex20 zmienie najwyżej na Pex25
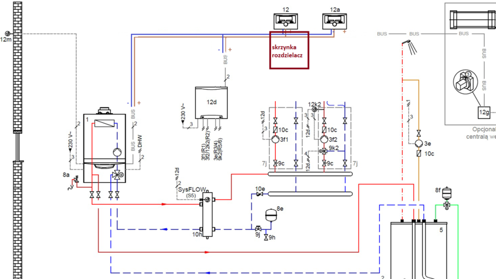
barney Opublikowano 18 Października 2018 Autor #48 Opublikowano 18 Października 2018 Znowu mam pytanie i prosbe o pomoc. Chodzi mi o sposob podpiecia przewodu BUS do kotła, vrc700, vr70 i vr 91 Na parter miałem wciagniety kabel do sterownika i przepuszczony do kotłowni w pobliżu vr70 Niestety doszedł mi kabel do vr91 na poddaszu i nie mam jak go dociagnac do kotłowni. Sa polozone płytki i nie ma opcki kucia. Zostaje opcja po wierzchu płytek, wolałbym tego uniknac. Na jednej scianie jest skrzynka z rozdzielaczem i przez nia przechodzi przewod od vrc700 ktory jest z parteru do vr70 w kotłowni. Kabel z poddasza do tej skrzynki dociagne bez problemu. I tutaj moje pytanie. Czy moge kabel z parteru przeciac i do niego dołączyc ten z poddasza? Moim zdaniem moge, ale ja jestem laikiem i wole zasiegnac porady osob doswiadczonych. Mysle ze zrozumiecie o co mi chodzi.
barney Opublikowano 22 Października 2018 Autor #50 Opublikowano 22 Października 2018 Zapytam jeszcze w tym temacie. W domu gdzie obecnie mieszkam bede wymienial zawory grzejnikowe na termostatyczne z głowicami. W sklepie bardzo zachwalaja francuskiej firmy Comap. Mozecie cos powiedziec o tej marce i jakosci zaworow z glowicami?
Rekomendowane odpowiedzi
Zarchiwizowany
Ten temat przebywa obecnie w archiwum. Dodawanie nowych odpowiedzi zostało zablokowane.