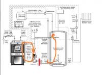
janusz33 Opublikowano 19 Stycznia 2018 Autor #26 Opublikowano 19 Stycznia 2018 Jeśli w obiegu kotłowym ma być laddomat to odbiory na co musisz podłączyć za buforem. Tak jak przedstawiłeś w pierwszej wersji jest źle bo pompa na CO jest połączona szeregowo z pompą laddomatu. Obiegi muszą być rozdzielone sprzęgłem (buforem) Edit: widzę że wcześniej napisał o tym@Digitrax @odpoeietrznik podał dobry schemat. Jeśli latem kocioł ma grzać CWU to można równolegle podłączyć wężownicę w obieg kotłowy i za bufor z zaworami odcinającymi to sobie przełączysz zasilanie skąd będzie potrzeba Takie cuś Bufor.jpg Witam.Powrót w Twoim schemacie nie podoba mi się bo będzie wychładzał kocioł. Cały czas proponujecie rozwiązania przez bufor a ja wolałbym nie . Na miniaturach załączam schemat atmosa i mój i chodzi mi tylko czy ja to dobrze przerobiłem .
hajtaler428 Opublikowano 19 Stycznia 2018 #27 Opublikowano 19 Stycznia 2018 Co Ci wychłodzi powrót? W sezonie grzewczym ładujesz CWU z bufora a latem z kotła - laddomat wtedy nie pracuje tylko sama pompa CWU. Poza tym powtarzam jak masz laddomat to obiegi muszą być rozdzielone sprzęgłem. A drugą sprawa to chyba nie bardzo wiesz jak zbudowany jest bufor- wnioskuję po rysunkach
janusz33 Opublikowano 19 Stycznia 2018 Autor #28 Opublikowano 19 Stycznia 2018 Ty zrobiłeś wersję schematu lato zima, ale latem takie połączenie średnio bezpieczne. Ja wiem jak działa bufor w twoim przypadku jako sprzęgło połączony szeregowo w moim jako zbiornik akumulacyjny połączony równolegle. Ten schemat ładniejszy jest w instrukcji i zalecanej przez producenta kotła atmos. Zobacz na schemat i zdjęcia. Ja zastanawiam się nad sprawnością i efektywnością poszczególnych połączeń.
hajtaler428 Opublikowano 19 Stycznia 2018 #29 Opublikowano 19 Stycznia 2018 Dobra - trochę źle to naniosłeś na swój rysunek ale nadal jest to błędne podłączenie bo pompy pracują szeregowo. ten schemat atmosa z buforem(jak i pozostałe z ich strony z buforem) mają chyba błąd graficzny z podłączeniem instalacji do bufora. Może się mylę niech się inni wypowiedzą. Wg mnie żeby zrobić według Twojego pomysłu nie można zastosować laddomatu czy zaworu 3d do ochrony powrotu tylko samą pompę kotłową i osobn pompę do łdowania bufora. Coś jak poniżej
navo Opublikowano 20 Stycznia 2018 #30 Opublikowano 20 Stycznia 2018 Witam. Przeczytaj kolego ten wątek oceniał go gmaj22 i dał schemat atmosa , kolega który założył ten wątek jest zadowolony. Ja też planuję tak zrobić tak więc kolego janusz ty też nie wahaj się . Żadna dodatkowa pompa do bufora ma działać.Pepiczki też swój rozum mają. https://forum.info-ogrzewanie.pl/topic/25280-zawór-3d-w-instalacji-z-buforem-problem/page-2
gmaj22 Opublikowano 20 Stycznia 2018 #31 Opublikowano 20 Stycznia 2018 gmaj22 nie jest alfą ani omegą :) A ten schemat akurat zamieściłem, bo jest zgodny z "lansowanym" przeze mnie poglądem, że jeśli zasilanie bojlera CWU jest z obiegu kotłowego, to powrót z bojlera powinien być PRZED laddomatem.
hajtaler428 Opublikowano 20 Stycznia 2018 #32 Opublikowano 20 Stycznia 2018 Witam. Przeczytaj kolego ten wątek oceniał go gmaj22 i dał schemat atmosa , kolega który założył ten wątek jest zadowolony. Ja też planuję tak zrobić tak więc kolego janusz ty też nie wahaj się . Żadna dodatkowa pompa do bufora ma działać.Pepiczki też swój rozum mają. https://forum.info-ogrzewanie.pl/topic/25280-zawór-3d-w-instalacji-z-buforem-problem/page-2 No przeczytałem ten wątek wyobraź sobie. Cały problem tkwi w tym że podłączenie powinno być takie jak w schemacie @odpowietrznika w poście #11 w tamtym temacie, co sugerują @Sambor w poście#2 i @Kiminero w poście/ #18. Schemat z postu #11 nie jest tożsamy ze schematem atmosa z postu #12. Wpięcie powrotu CWU za laddomat czy zawór 3d w ochronie powrotu też jest błędem bo sprawia że pompa kotłowa pracuje szeregowo z pompą CWU. Dodatkowo co jeśli popmpa CWU się włączy bo będzie zapotrzebowanie a wkładka laddomatu zamknie się od strony instalacji? Pompa CWU będzie mielić w miejscu(prawie bo wkładka nie zamyka się na 100% ale pompa będzie się męczyć Powtarzam że moim zdaniem to bład graficzny w tych schematach atmosa bo jeśli nie to sugerują one podłączenie szeregowe pomp obiegu kotłowego z pompami na odbiorach. Jestem ciekaw zdania kolegów n ten temat
gmaj22 Opublikowano 20 Stycznia 2018 #33 Opublikowano 20 Stycznia 2018 Laddomat jest zamknięty od strony powrotu bufora ( a więc i powrotu CWU wpiętego przed laddomatem) tylko w pierwszej fazie. Wtedy obieg CWU idzie przez bufor i pompa się nie "zmęczy" :). Załączenie się pompy CWU zbyt wcześnie uniemożliwia temperatura załączenia pompy (musi być niezalezna od temperatury załączenia pompy obiegowej laddomatu). Oczywiście można temu przeciwdziałać bajpasem z zaworem termo ustawionym na temperaturę otwarcia laddomatu. Do letniego ładowania bojlera( bez ładowania bufora) i tak trzeba w takim przypadku obejść laddomat. Ale uwaga @hajtalera słuszna. Jak widać każde podłączenie ma wady jak i zalety.
sambor Opublikowano 20 Stycznia 2018 #34 Opublikowano 20 Stycznia 2018 Wszystkie schematy fabryczne są przykładowymi układami połączeń- jest na ten temat zawsze uwaga pod schematem w instrukcjach lub na stronach producentów, a wy z uporem maniaka robicie wg nich nie zważając na nic - tak jak za cara - na papierze stało i musi tak być.
gmaj22 Opublikowano 20 Stycznia 2018 #35 Opublikowano 20 Stycznia 2018 Co car powiedział, to było święte. Jak budowali linie kolejową, to główny inżynier zapytał: -Jaśnie Panie, budujemy jak w Polsze, czy szersze? - A na *** szersze??!! To mają szersze :)
Gość Digitrax Opublikowano 20 Stycznia 2018 #36 Opublikowano 20 Stycznia 2018 I widać że ruskie do dziś mają kompleks bo u nas szerokość toru to 1435 mm a u nich 1520 czyli widocznie mają po 85 mm w portkach haha.
MaaGdA Opublikowano 23 Stycznia 2018 #37 Opublikowano 23 Stycznia 2018 1000L bufor .. szału nie ma (zwłaszcza jak kolega mówi o dużych odbiorach). Ja mam obecnie 800L.. i bez szału (kilka godzin pracy c.o. na 40'C + podłogówka na 26'C) - jakieś 6..7h po zakończonym paleniu przy obecnych temperaturach...
navo Opublikowano 27 Stycznia 2018 #38 Opublikowano 27 Stycznia 2018 Wszystkie schematy fabryczne są przykładowymi układami połączeń- jest na ten temat zawsze uwaga pod schematem w instrukcjach lub na stronach producentów, a wy z uporem maniaka robicie wg nich nie zważając na nic - tak jak za cara - na papierze stało i musi tak być. Ja tam nic nie oczytałem na stronie producenta. Idąc tokiem Twojego rozumowania BMW X6 można byłoby przerobić, np. założyć gaz , ale po co.
Rekomendowane odpowiedzi
Zarchiwizowany
Ten temat przebywa obecnie w archiwum. Dodawanie nowych odpowiedzi zostało zablokowane.