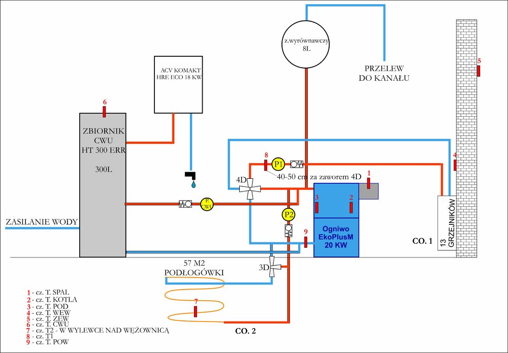
Leniobec Opublikowano 18 Września 2016 #1 Opublikowano 18 Września 2016 Co myślicie Panowie o tym schemacie? Czy moglibyście doradzić co w nim poprawić?
sambor Opublikowano 18 Września 2016 #2 Opublikowano 18 Września 2016 Oczywiście, że jest źle ale jak pisałeś temacie https://forum.info-ogrzewanie.pl/topic/21830-jaka-moc-pieca-oepm-czy-mo%C5%BCe-oe/page-4 Leniobec, dnia 27 Sie 2016 - 22:16, napisał:To forum jest do dupy. To ten schemat jest też do Dupy :P Poczytaj we właściwym dziale , poszukaj gotowego podobnego schematu
Gość mak Opublikowano 19 Września 2016 #3 Opublikowano 19 Września 2016 Poprawne schematy znajdziesz np na stronach producentów. Co jest żle? Przede wszystkim sposób podłączenia podłogówki. Musi być za zaworem 4 D, Błędnie umieszczony zawór 3D i pompa
Leniobec Opublikowano 19 Września 2016 Autor #4 Opublikowano 19 Września 2016 Na stronie ogniwa nie ma schematu gdzie rozrysowane są dwa obwody Co1 i Co2. Tutaj również nie wiem który schemat jest poprawny. Czy teraz zawór 3D jest poprawnie i pompa do podłogi? Na stronie esterownik doradzają aby podłoga byla poza automatycznym zaworem 4D bo ma duży bezwład więc nie będzie to dobrze chodziło z 4 D który często zmienia swoje położenie, dlatego podłogę zrobiłem na zaworze 3D sterowanym ręcznie. Nigdzie w sieci nie ma jakiegoś schematu dobrego który podłogę i grzejniki spinałby na na oddzielnych zasilaniach. Do tego potrzebne mi jest jeszcze grzanie CWU w lecie przez ACV piecyk gazowy.
Gość mak Opublikowano 19 Września 2016 #5 Opublikowano 19 Września 2016 Nie. Nie możesz wpinać powrotu z podłogówki za zaworem 4D bo będzie Ci bardzo wychładzać powrót Czyli jak napisałem zasilanie podłogówki dajesz za zaworem 4 D a powrót musi iść przez zawór . Zawór 3 D dla podłogówki montuje się na zasilaniu. Nie tylko "Ogniwo" produkuje kotły CO
papasmurfek Opublikowano 19 Września 2016 #6 Opublikowano 19 Września 2016 Tu masz prawidłowy schemat:
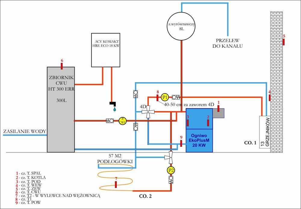
Leniobec Opublikowano 19 Września 2016 Autor #7 Opublikowano 19 Września 2016 Nie. Nie możesz wpinać powrotu z podłogówki za zaworem 4D bo będzie Ci bardzo wychładzać powrót Czyli jak napisałem zasilanie podłogówki dajesz za zaworem 4 D a powrót musi iść przez zawór . Zawór 3 D dla podłogówki montuje się na zasilaniu. Nie tylko "Ogniwo" produkuje kotły CO Zdecydowałem więc zrezygnować z zaworu 3D. RTL na rozdzielaczu podłogi nie puści zbyt wysokiej temperatury na podłogówkę a czujnik w wylewce nad wężownicą będzie mówił pompie ile wody ma podawać. Zmieniłem więc schemat tak jak mi doradzasz. Czy teraz jest ok? Tu masz prawidłowy schemat: Ten schemat nie jest na 4D, a warunki gwarancji mam takie aby do kotła ochrona była na tym zaworze.
papasmurfek Opublikowano 19 Września 2016 #8 Opublikowano 19 Września 2016 Ochrona ma być przed niska temperaturą powrotu. A jak ją zrealizujesz to Twoja sprawa. Układ z 4d jest trudny do regulacji nawet dla doświadczonych hydraulików. Lepiej więc sięgać po sprawdzone rozwiązania. Ato co tu narysowałeś to się kupy nie trzyma. Szukaj, na forum są prawidłowe układy z 4d. Twój jest błędny
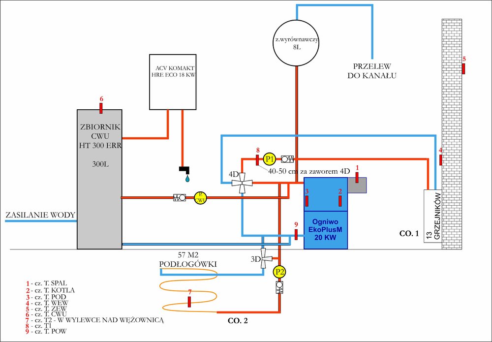
Leniobec Opublikowano 19 Września 2016 Autor #9 Opublikowano 19 Września 2016 Doszedłem do wniosku, że szybciej przy waszej pomocy stworze własny schemat niż znajdę odpowiedni w sieci. Szukam już od jakiegoś czasu. A w ten sposób?
henryk1953 Opublikowano 19 Września 2016 #10 Opublikowano 19 Września 2016 Tu masz gotowca_ https://forum.info-ogrzewanie.pl/topic/19228-schematy-instalacji-cocwu-z-ogrzewaniem-podłogowym-do-sprawdzenia/page-2
Leniobec Opublikowano 19 Września 2016 Autor #11 Opublikowano 19 Września 2016 Fajny schemat. Dziękuję Ci! Widzę jednak że zasilanie na podłogę w nim jest za zaworem 4D. Co w przypadku opinii, że 4D z siłownikiem, zbyt często zmienia temperaturę a podłoga przez swoją bezwładność nie nadąża z oddaniem różnicy temperatury? Czy powinienem się nad tym zastanawiać?
Leniobec Opublikowano 19 Września 2016 Autor #12 Opublikowano 19 Września 2016 Co będzie jeżeli przy takim ustawieniu grzejników jako CO.1 gdzie sterownik steruje zaworem 4D automatycznie, grzejniki złapią zadaną temperaturę, czujnik poda informacje do sterownika i sterownik zamknie 4D? Co wtedy kiedy podłoga będzie potrzebowała więcej czasu aby złapać temperaturę zadaną a będzie działała jako CO.2, gdzie ten obieg nie będzie już miał możliwości otwarcia 4D? Czy sterownik eCoal.pl v3.5 poradzi sobie w takim przypadku? Wydaje mi się, że po prostu zamknie zawór kiedy grzejniki złapią temperaturę, a wtedy będzie problem z dogrzaniem podłogi, która będzie działać na odrębnym zasilaniu jako CO.2. Czy dobrze to rozumiem?
kiminero Opublikowano 19 Września 2016 #13 Opublikowano 19 Września 2016 Źle rozumiesz. 4D nie jest zamykany, jest tak ustawiany, by uzyskać zadaną temperaturę na grzejnikach wg. wyliczeń pogodówki i w tej pozycji zostaje. Co pewien zadany czas (kilka sekund) sterownik bada temp za zaworem i wprowadza korektę, ale to są korekty sinusoidalne oscylujące wokół zadanej i są minimalne. Dla podłogi ciepła wystarczy, bo ona i tak mniejszych temperatur wymaga.
sambor Opublikowano 19 Września 2016 #14 Opublikowano 19 Września 2016 Masz bardzo dziwny tok myślenia - dlaczego zaw 4- D ma się zamknąć, on służy głównie do ochrony powrotu kotła, a czujnik pokojowy jak jest to steruje pompą. Do ustawienia temp w pomieszczeniach są termostaty na grzejnikach.
Leniobec Opublikowano 19 Września 2016 Autor #15 Opublikowano 19 Września 2016 Źle rozumiesz. 4D nie jest zamykany, jest tak ustawiany, by uzyskać zadaną temperaturę na grzejnikach wg. wyliczeń pogodówki i w tej pozycji zostaje. Co pewien zadany czas (kilka sekund) sterownik bada temp za zaworem i wprowadza korektę, ale to są korekty sinusoidalne oscylujące wokół zadanej i są minimalne. Dla podłogi ciepła wystarczy, bo ona i tak mniejszych temperatur wymaga. Dziękuje bardzo za wyjaśnienie tego. Myślałem, że 4D sie zamyka jak obwod uzyska na czujniku temp zadana. Jesli sie tylko koryguje a nie zamyka, to poprostu pompa podłogi P2 w obiegu CO2 będzie musiała chodzić troszkę dłużej aby ja dogrzać. A może warto podłoge zrobić jako CO1, a grzejniki CO2? Wtedy w jesieni bede mogl wylaczyc CO2 i grzac tylko delikatnie podloge aby przelamac temp w lazienkach. Podłogi mam około 52m2, natomiast grzejników mam 13.Jak radzilibyscie podlaczyc obiegi pod sterownik?
kiminero Opublikowano 19 Września 2016 #16 Opublikowano 19 Września 2016 Pompę grzejnikową musisz sparować z zaworem 4D, a nazwa obwodu nie ma znaczenia. Proponowałbym zrezygnować z zaworu 4D za radą "Papy Smerfa" i zadbać o powrót kotła pompą kotłową. Wtedy nie będzie żadnych konfliktów, bo wszystkie obiegi będą samodzielne. Grzejniki możesz obsłużyć prosto z pompy na temperaturze kotła, a resztą zajmą się termostaty na grzejnikach. Dla podłogi sterowanie pogodowe za pośrednictwem 3D z siłownikiem. Wiem, że ilość pomp odstrasza, ale układ robi się przejrzysty z punktu widzenia sterowania.
henryk1953 Opublikowano 19 Września 2016 #17 Opublikowano 19 Września 2016 Popieram kolegę ,masz układ z niezależnymi obiegami a pchasz się w układ w którym te obiegi są zależne , przez co są bardziej zawodne.A swoją drogą dlaczego twierdzisz że gwarancja kotła wymaga tego 4D na stronie producenta jest zawór i jest pompa kotłowa. http://www.ogniwobiecz.com.pl/schematy/
papasmurfek Opublikowano 19 Września 2016 #18 Opublikowano 19 Września 2016 Wiem, że ilość pomp odstrasza, ale układ robi się przejrzysty z punktu widzenia sterowania.Jak policzysz to ten układ inwestycyjnie wcale nie jest droższy w wykonaniu od układu przeze mnie proponowanego. Widzę za to że kolega @Leniobiec coś tam wykonał i teraz próbuje do tego coś wyrzeźbić. Jak koniecznie chcesz 4D to poczytaj to co @henryk Ci podlinkowal.
kiminero Opublikowano 19 Września 2016 #19 Opublikowano 19 Września 2016 Zgadza się, dlatego 4D montuję tylko na wyraźne życzenie klienta, którego nie da się od tego odwieść. Zauważyłem po prostu, że pierwszym argumentem jakim we mnie rzucają jest uwaga: "Pięć pomp!? Ile to prądu pociągnie!" (piąta to ta od cyrkulacji).
Leniobec Opublikowano 19 Września 2016 Autor #20 Opublikowano 19 Września 2016 Popieram kolegę ,masz układ z niezależnymi obiegami a pchasz się w układ w którym te obiegi są zależne , przez co są bardziej zawodne.A swoją drogą dlaczego twierdzisz że gwarancja kotła wymaga tego 4D na stronie producenta jest zawór i jest pompa kotłowa. http://www.ogniwobiecz.com.pl/schematy/ O gwarancji nowego pieca z Ogniwa zwiazanaj z zaworem 4D powiedzial mi kolega MariuszK z forum esterownik.pl. Wolalbym dlatego miec ten zawor i miec gwarancje. Ponadto ten sterownik ma mozliwosc automatycznego sterowania 4D a nie wiem czy ma taka mozliwosc sterowania automatycznie zaworem 3D? Chciałbym miec jak najbardziej automatyczna kotlownie aby nie musiec latac do niej zbyt czesto. Jak narazie esterownik pozwala duzo ustawiac przez telefon i chcialbym przy tym zostac. Rowniez 4D bylby automatyczny z tym piecem. A ta gwarancja to juz o tym przesadza. Czy dobrze teraz koledzy rozumie ze na tym schemacie powyzej CO1 i CO2 sa od siebie zalezne i nie da sie wylaczajac jeden obieg, w pelni funkcjonalnie korzystac z drugiego? Naprawde aby tak miec musze zrezygnowac z 4D i zalozyc 3D na innym schemacie, ryzykujac przy tym problemy z gwarancja?
henryk1953 Opublikowano 19 Września 2016 #21 Opublikowano 19 Września 2016 Kolego w sprawie gwarancji najlepiej zadzwoń do producenta , kolega ci powiedział jedno ja ci pokazuję i mówię drugie.Oby cała zabawa z zaworem 4D nie skonczyła się tym: https://forum.info-ogrzewanie.pl/topic/21984-instalacja-do-poprawki/
papasmurfek Opublikowano 19 Września 2016 #22 Opublikowano 19 Września 2016 Ponadto ten sterownik ma mozliwosc automatycznego sterowania 4D a nie wiem czy ma taka mozliwosc sterowania automatycznie zaworem 3D? Naprawde aby tak miec musze zrezygnowac z 4D i zalozyc 3D na innym schemacie, ryzykujac przy tym problemy z gwarancja? Po pierwsze to błędnie interpretujesz to co przeczytałeś. Po drugie siłownik zaworu 3D działa tak samo jak 4D. Po trzecie gwarancji nie stracisz bo funkcję ochrony powrotu zapewni ci pompa na której sterowanie jest przeznaczone miejsce w eCoalu.Po czwarte jak wydaje Ci się że poradzisz sobie z układem z 4D to masz rację, wydaje Ci się... Miłej lektury: https://forum.info-ogrzewanie.pl/topic/2234-zawory-3d-4d-podstawy-dzialania/
Leniobec Opublikowano 19 Września 2016 Autor #23 Opublikowano 19 Września 2016 Pompę grzejnikową musisz sparować z zaworem 4D, a nazwa obwodu nie ma znaczenia. Proponowałbym zrezygnować z zaworu 4D za radą "Papy Smerfa" i zadbać o powrót kotła pompą kotłową. Wtedy nie będzie żadnych konfliktów, bo wszystkie obiegi będą samodzielne. Grzejniki możesz obsłużyć prosto z pompy na temperaturze kotła, a resztą zajmą się termostaty na grzejnikach. Dla podłogi sterowanie pogodowe za pośrednictwem 3D z siłownikiem. Wiem, że ilość pomp odstrasza, ale układ robi się przejrzysty z punktu widzenia sterowania. Esterownik ma tylko takie parametry obwodu: "Definicja pracy obwodu CO.1/CO.2 określa parametry pracy obwodu: ● Pompa CO – ciągła praca pompy P1/P2 ● Pompa CO + regulator pokojowy – praca pompy P1/P2 w oparciu o temperaturę wewnętrzną z programatora/termostatu zewnętrznego. Wymagane jest podłączenie czujnika wewnętrznego przewodowego lub bezprzewodowego BT1. Możliwość zastosowania termostatu zewnętrznego ● Pompa podłogowa – praca pompy P1 jako pompa podłogowa. Praca pompy P1 w oparciu o temperaturę wewnętrzną z programatora/termostatu zewnętrznego. Wymagane jest podłączenie czujnika wewnętrznego przewodowego lub bezprzewodowego BT1. Możliwość zastosowania termostatu zewnętrznego ● Pompa CO + 4D – praca pompy P1 oraz zaworu 4D ● Pompa CO + 4D + regulator pokojowy – praca pompy P1 oraz zaworu 4D w oparciu o temperaturę wewnętrzną z programatora/termostatu zewnętrznego. Wymagane jest podłączenie czujnika wewnętrznego przewodowego lub bezprzewodowego BT1. Możliwość zastosowania termostatu zewnętrznego ● Pompa podłogowa + 4D - praca pompy P1 jako pompy podłogowej oraz zaworu 4D ● Pompa podłogowa + 4D + regulator pokojowy - praca pompy P1 jako pompy podłogowej oraz zaworu 4D w oparciu o temperaturę wewnętrzną z programatora/termostatu zewnętrznego. Wymagane jest podłączenie czujnika wewnętrznego przewodowego lub bezprzewodowego BT1. Możliwość zastosowania termostatu zewnętrznego" Nie ma parametru działania z pompą kotłową. Czy jest wiec sens dodawania kolejnej pompy i tworzenia czegoś co nie do końca pasuje do sterownika? Nie mam teraz jak poczytac tych watkow ale zalozmy ze daje sie przekonac. Jak wiec za pomoca ecoel-v3,5 sterowac dwoma siłownikami dwóch zaworów 3D skoro ten sterownik ma opcje sterowania tylko jedbym 4D?
sambor Opublikowano 19 Września 2016 #24 Opublikowano 19 Września 2016 Czytam tą waszą dyskusję i nie wiem co chcecie osiągnąć - jak ochronę kotła to trzeba albo zaw 3-D termostatyczny+ pompa na powrocie albo pompę kotłową. Pierwszy układ jest w 100% skuteczny podobnie jak pompa kotłowa. Dla eCoala proponowałbym pompę kotłową, gdyż sterownik ją obsługuje, Zaw 4-D można kupić, ale to rozwiązanie połowiczne i nieskuteczne. Natomiast sterownik nie wie co obsługuje - jemu wsio rawno czy to zaw 3-D, czy 4-D - tu decyduje miejsce montażu czujnika temp , którym określamy co chcemy osiągnąć ( mierzyć). Aby była stała temp powrotu to przy zaw 4-D czujnik musi być na powrocie i nie mamy wpływu ma temp wody podawanej na instalację. Jak czujnik pilnuje temp wody podawanej na instalację, to na powrocie robią się "cuda wianki" i tak właśnie wygląda praca zaw 4-D w instalacji CO - tak źle i tak niedobrze. PS Sprawy gwarancji warto ustalić w serwisie fabrycznym, a nie na forum, gdyż to nie forum odpowiada za ew błędne porady, a koledzy którzy doradzają tak czy inaczej nie biorą za swoje porady odpowiedzialności prawnej PPS Przestań pisać bzdury, że sterownik nie obsługuje pompy kotłowej, popatrz na rys poniżej - to menu sterownika ze strony Ogniwa. W ramce , tej czerwonej, masz co i jak się ustawia
Leniobec Opublikowano 19 Września 2016 Autor #25 Opublikowano 19 Września 2016 Masz racje z tymi poradami. Zapytam o warunki gwarancji przy odbiorze kotla. Chcialbym osiagnac mozliwosc sterowania automatycznego i ustawiania temp podlogi i grzejnikow na telefonie. Po to mam czujniki w wylewce nad werzownica i miedzy grzejnikami z pokoju puszczone do kotlowni. Przy okazji chcialbym za pomoca schematu z automatycznym zaworem uzyskac powrot 45 stopni aby nie miec problemow z gwarancja. Nie chce latac do kotlowni przestawiac zaworu skoro moze to robic sam piec lub ja przez telefon. Dlatego przygladam sie wszelkim schematom i prosze Was o pomoc. Doradzcie za pomoca ktorego schematu uzyskam to o czym pisze? Z gory dziekuje za dotychczasowe podpowiedzi. Nie wiedzialem o tym ze sterownik ma mozliwosc podlaczenia tej pompy. Sugerowalem sie wejsciami na panelu sterownika a tam nie ma podpisanej pompy kotlowej.
Rekomendowane odpowiedzi
Zarchiwizowany
Ten temat przebywa obecnie w archiwum. Dodawanie nowych odpowiedzi zostało zablokowane.