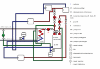
mpkaras Opublikowano 10 Stycznia 2016 #1 Opublikowano 10 Stycznia 2016 Planowany piec 25 kW WELDER z podajnikiem sterownik z PID. Wymiennik CWU 250 l Elektromet. Planowane pompy to Grudfos Alpha 2L - szt. 2. Do CWU jakaś tańsza coś z rozwiązań solarnych. Do cyrkulacji - IBO. Grzejniki żeberka Armatury Kraków wys. 50cm - 65 szt, wys. 40 cm - 85 szt., podłogówka, 80 m kw. - Dom 300 m kw. Czy takie coś ma prawo działać? Czy na powrocie ciepło wymiennika wody nie będzie przegrzewać powrotu podłogi? Gdzie umieścić czujnik temperatury dla sterowania podłogówką?
odpowietrznik Opublikowano 11 Stycznia 2016 #2 Opublikowano 11 Stycznia 2016 NPM i ZC do zasobnika montuje się na dolocie wody zimnej do zasobnika a nie na obiegu cyrkulacji CWU Brak zabezpieczenia kotła przed korozją niskotemperaturową jak się takowe dołoży schemat i tak ulegnie zmianie.Za pompami zawory zwrotne.Kocioł w układzie zamkniętym ma mieć urządzenie do odprowadzania nadmiaru ciepła w razie zagotowania typu wężownica schładzająca lub zawór DBV
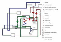
mpkaras Opublikowano 11 Stycznia 2016 Autor #3 Opublikowano 11 Stycznia 2016 Na rysunku jest kilka błędów wynikłych z mojego niedokładnego odwzorowania rysunku instalatora. Wrzucam poprawiony. A co do ochrony przed korozją - t zawory trójdrożne nie spełnią tej roli?
sambor Opublikowano 11 Stycznia 2016 #4 Opublikowano 11 Stycznia 2016 Przy takim montażu 3-D pełnią rolę odwrotną - obniżają temp zasilania a co za tym idzie obniżają też temp powrotu.
mpkaras Opublikowano 11 Stycznia 2016 Autor #5 Opublikowano 11 Stycznia 2016 o w jaki sposób zoptymalizować ten schemat?
sambor Opublikowano 11 Stycznia 2016 #6 Opublikowano 11 Stycznia 2016 Metody ochrony są tu https://forum.info-ogrzewanie.pl/topic/19810-zapewnienie-ochrony-powrotu-na-kocio%C5%82/page-1 Poszukaj coś dla siebie
papasmurfek Opublikowano 11 Stycznia 2016 #7 Opublikowano 11 Stycznia 2016 Najprosciej zamontować zawor 4d i masz dwa w jednym plus dodatkowy 3d na uklad podlogowy. Zasilanie cwu przed zaworem 4d.
mpkaras Opublikowano 11 Stycznia 2016 Autor #8 Opublikowano 11 Stycznia 2016 A czy w takim układzie na powrocie ciepło wymiennika wody nie będzie przegrzewać powrotu podłogi?
papasmurfek Opublikowano 11 Stycznia 2016 #9 Opublikowano 11 Stycznia 2016 ??? Że co? A co ma piernik do wiatraka? !
Gość Digitrax Opublikowano 11 Stycznia 2016 #10 Opublikowano 11 Stycznia 2016 Najprosciej zamontować zawor 4d i masz dwa w jednym A właśnie, że nie. Zawór 4D zabezpieczy powrót kotła albo obniży temp. obiegu CO. Jednocześnie obu tych funkcji nie spełni. Aby mieć zawsze dogrzany powrót najtaniej jest zainstalować pompę kotłową a do regulacji temp. obiegu CO użyć zaworu 3D przed pompą CO.
Rekomendowane odpowiedzi
Zarchiwizowany
Ten temat przebywa obecnie w archiwum. Dodawanie nowych odpowiedzi zostało zablokowane.