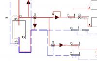
tomx Opublikowano 17 Sierpnia 2014 #1 Opublikowano 17 Sierpnia 2014 Witam wszystkich serdecznie Na imię mam Tomek i jestem tu nowy ,więc proszę o wyrozumiałość Pracuję nad projektem całej hydrauliki do naszego małego domku i mam prośbę o wstępną weryfikacje tego co do tej pory udało mi się stworzyćKOTŁOWNIA wysoka rozdzi..pdf. Dzękuję za zainteresowanie .
majschi Opublikowano 17 Sierpnia 2014 #2 Opublikowano 17 Sierpnia 2014 witam Projekt jest poprawny i nie zawiera rażących błędów Obejście z zaworem różnicowym pompy grzejnikowej jest zdędne ponieważ grawitacji nie uzyskasz Przydał by się jeszcze termometr mierzący temperaturę powrotu kotła Napisz coś więcej o sterowaniu za pomocą termostatów pokojowych
tomx Opublikowano 17 Sierpnia 2014 Autor #3 Opublikowano 17 Sierpnia 2014 Dziękuję za podpowiedz Jednakże ten zawór umieściłem pod wpływem sugestii producenta kotła ( dodatkowe zabezpieczenie w sytuacji braku prądu ) Ja osobiście też bym go tam najchętniej nie montował :) Co do termometru na powrocie sugerowałem się czujnikiem powrotu od sterownika i faktem że zamontowałem już dwa termometry na rozdzielaczach powrotnych CO . Co do sterowania poprzez termostaty to plan mam taki : Sterownik ST 880 (Jeśli dobrze rozumie )podaje napięcie na 3 pompy sygnał ten mogę przerwać poprzez termostat pokojowy np. Honeywell DT 90 lub podobny (kiedy osiągnie żądaną temp. ) Lub załączy kiedy temperatura w pomieszczeniu spadnie poniżej żądanej https://products.ecc.emea.honeywell.com/poland/ecatdata/pg_dt90.html
Gość Digitrax Opublikowano 17 Sierpnia 2014 #4 Opublikowano 17 Sierpnia 2014 Zawór 4D nie będzie skutecznie podnosić temperatury powrotu kotła. Za małe przekroje obiegu kotłowego. Zrezygnuj z zaworu 4D, zainstaluj pompę kotłową sterowaną termostatem za 50 zł zainstalowanym na powrocie kotła. Na obiegu grzejników zainstaluj zawór 3D tak jak na obiegu podłogowym. Będzie taniej w wykonaniu, eksploatacji i skuteczniej.
tomx Opublikowano 18 Sierpnia 2014 Autor #5 Opublikowano 18 Sierpnia 2014 Dziękuje za sugestie Digitrax , jednakże nie do końca rozumie jak sterować tym zaworem Czy pomysł z samą pompą i zaworem zwrotnym na powrocie jest do przyjęcia
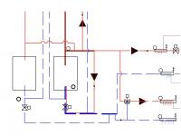
tomx Opublikowano 24 Sierpnia 2014 Autor #6 Opublikowano 24 Sierpnia 2014 Powiedzcie proszę co sądzicie o rozszerzeniu powyższego schematu o współprace z kominkiem ? KOTŁOWNIA robocza .pdf PDF z dodatkowymi opisami i w wyższej rozdzielczości
tomx Opublikowano 25 Sierpnia 2014 Autor #7 Opublikowano 25 Sierpnia 2014 Mam kilka konkretnych pytań do powyższego schematu 1-Czy układ zabezpieczenia pieca przed skraplaniem ( pompa i dwa zawory zwrotne + dwa termostaty przylgowe kontrolujące prace pompy ) ma sens ? 2- Jeśli tak to jakiego rodzaju zawór zwrotny zamontować na głównej magistrali powrotnej 28 mm? (sprężynowy , klapkowy ,grawitacyjny ). 3-Czy dopuszczalne jest stosowanie zaworów odcinających na głównej magistrali powrotnej . 4-Czy stosowanie zaworów grawitacyjnych jako bajpas dla pomp cyrkulacyjnych jest obligatoryjne ( problemy z odbiorem technicznymi gwarancją producenta ) Z gury dziękuję za pomoc Tomek .
kiminero Opublikowano 25 Sierpnia 2014 #8 Opublikowano 25 Sierpnia 2014 1. Ma sens, ale wystarczy jeden ZZ za pompą. Przed pompą możesz zamontować zawór regulacyjny. 2. Na powrocie ZZ nie potrzebny. 3. Tak. Należy tylko pamiętać, aby nie odciąć połączenia rury opadowej od kotła. 4. Nie jest obligatoryjne i jest tutaj zbędne. Parę uwag do schematu masz niżej. Dwa źródła to zawsze komplikacje w sterowaniu. Zastanów się, czy z kominka będziesz korzystał na tyle często, by opłacało się zaprzęgać go do ogrzewania, zwłaszcza, że nie przewidziałeś bufora. Co skłoniło cię do kominka z płaszczem? Jeśli planujesz "incydentalne", nastrojowe palenie, to "nie idź tą drogą". Kominek ma bardzo małą sprawność i ogrzanie nim domu pochłonie tyle drewna ile odpowiednio spaliłbyś węgla w kotle. W gratisie dostaniesz codzienne czyszczenie kominka, targanie szczap i popiołu przez cały dom oraz coroczne malowanie salonu. Twój wybór. Trzeba też mądrze zaplanować sterowanie. Zastanowiłbym się nad dorzuceniem zaworu 3D dla grzejników sterowanym pogodowo. Termostat pokojowy pełniłby rolę "dosterowania" i poglądu na warunki wew. Tutaj rodzi się pytanie jak termostat ten wpłynie na pracę kominka z płaszczem, jeśli nagle pompę wyłączy. Jakoś bez bufora tego kominka nie widzę.
majschi Opublikowano 25 Sierpnia 2014 #9 Opublikowano 25 Sierpnia 2014 ad1 Pompa kotłowa jest najlepszym sposobem zagwarantowania odpowiedniej temprtatury powrotu kotła ad2 Za każdą pompą obowiązkowo zawór zwrotny sprężynowy ad3 Na powrocie możesz montować co chcesz Jedynie na rurze wznośnej do naczynia nie wolno niczego montować ad4 Obejście pompowe (tzw bajpas) montuje się gdy instalacja ma możliwość pracy bez pompy obiegowej Twoja instalacja nie bedzie pracować grawitacyjnie więc jest to zbędny wydatek
tomx Opublikowano 25 Sierpnia 2014 Autor #10 Opublikowano 25 Sierpnia 2014 1. Ma sens, ale wystarczy jeden ZZ za pompą. Przed pompą możesz zamontować zawór regulacyjny. 2. Na powrocie ZZ nie potrzebny. 3. Tak. Należy tylko pamiętać, aby nie odciąć połączenia rury opadowej od kotła. 4. Nie jest obligatoryjne i jest tutaj zbędne. Parę uwag do schematu masz niżej. Dwa źródła to zawsze komplikacje w sterowaniu. Zastanów się, czy z kominka będziesz korzystał na tyle często, by opłacało się zaprzęgać go do ogrzewania, zwłaszcza, że nie przewidziałeś bufora. Co skłoniło cię do kominka z płaszczem? Jeśli planujesz "incydentalne", nastrojowe palenie, to "nie idź tą drogą". Kominek ma bardzo małą sprawność i ogrzanie nim domu pochłonie tyle drewna ile odpowiednio spaliłbyś węgla w kotle. W gratisie dostaniesz codzienne czyszczenie kominka, targanie szczap i popiołu przez cały dom oraz coroczne malowanie salonu. Twój wybór. Trzeba też mądrze zaplanować sterowanie. Zastanowiłbym się nad dorzuceniem zaworu 3D dla grzejników sterowanym pogodowo. Termostat pokojowy pełniłby rolę "dosterowania" i poglądu na warunki wew. Tutaj rodzi się pytanie jak termostat ten wpłynie na pracę kominka z płaszczem, jeśli nagle pompę wyłączy. Jakoś bez bufora tego kominka nie widzę. post-59126-0-04075000-1408903688.jpg Dziękuję za cenne uwagi (część poprawek już naniosłem ) Co do kominka : Raczej funkcja dekoracyjna { część prac związana z nim została już wykonanakomin , doprowadzenie powietrza [planowany z zamkniętą komorą spalania ] po części okablowanie i część hydrauliki Szkoda by mibyło wycofywać się z tego pomysłu na tym etapie } Plan był taki ze jeśli kominek będzie już pracował to po części energie cieplną jaką już wytworzy chciałem rozdystrybuować po domu wykorzystując pompę nr 1 Pomysł na sterowanie tym poniżej sterowanie.pdf Odnośnie termostatów pokojowych ,planuje trzy strefy grzewcze ( T1 centralna część domu :salon ,jadalnia ,hol i pomniejsze . T1 jako główny termostat współpracujący z sterownikiem .T 2 poddasze użytkowe – raczej dla gości , nie zamieszkałe .T3 kontroluje pompę od podłogówki ).
tomx Opublikowano 21 Grudnia 2016 Autor #11 Opublikowano 21 Grudnia 2016 Witam wszystkich ponownie Chciałem wrócić ponownie do powyższego tematu , prace postępują powoli ale postępują . projekt jest rozwojowy i potrzebuję dodatkowej opinii od bardziej doświadczonych użytkowników tego forum . Poproszą o opinię do nowego projektu , szczegóły w załącznikach . kotłownia 200.pdf kotłownia 200 hydraulika.pdf kotłownia 200 sterowanie.pdf
odpowietrznik Opublikowano 22 Grudnia 2016 #12 Opublikowano 22 Grudnia 2016 Czyżby to był rozdzielacz do podłogówki?
tomx Opublikowano 22 Grudnia 2016 Autor #13 Opublikowano 22 Grudnia 2016 Tak ,taka samoróbka - powinna działać :)
Gość mak Opublikowano 22 Grudnia 2016 #14 Opublikowano 22 Grudnia 2016 Czy będzie działać to dopiero się okaże. Ja wcale nie był bym tego pewny szczególnie przy pracy kotła gazowego. Do tego niestety zaoszczędzono na ... rozdzielaczach kolektorach, nie wiadomo jak to nazwać to są naprawdę małe średnice (!!!). 14 kW kocioł gazowy ma pompę o wydajności ok 800 l/h a na tych 11 obwodach potrzeba już ok 1320 l/h nie uwzględniając oporów instalacji, czyli szans na pracę nie ma. Dla mnie w układzie brakuje sprzęgła a 3 źródła ciepła w instalacji to już "czysta głupota" i niepotrzebne komplikowanie instalacji. Są małe szanse żeby ten sterownik obsłużył wszystkie urządzenia. Ale o tym powinni się wypowiedzieć Ci którzy znają ten sterownik.
kiminero Opublikowano 22 Grudnia 2016 #15 Opublikowano 22 Grudnia 2016 Kotłów jak mrówków.. Masz to wszystko na półce z "przydasiami", czy będziesz kupował? Zdecyduj się i życia sobie nie utrudniaj.
Maciek92 Opublikowano 22 Grudnia 2016 #16 Opublikowano 22 Grudnia 2016 Rozdzielacze domowej roboty - nie idz ta droga :-)
tomx Opublikowano 22 Grudnia 2016 Autor #17 Opublikowano 22 Grudnia 2016 Rozdzielacze domowej roboty - nie idz ta droga :-) :rolleyes: hm już poszedłem , co do zasady działania niczym się nie różnią od produkcji rzemieślniczej. mimo wszystko dzięki za sugestie :) .
tomx Opublikowano 22 Grudnia 2016 Autor #18 Opublikowano 22 Grudnia 2016 Kotłów jak mrówków.. Masz to wszystko na półce z "przydasiami", czy będziesz kupował? Zdecyduj się i życia sobie nie utrudniaj. Witam Podstawowe źródło ciepła to kocioł węglowy ( jest zima nie ma wyjścia trzeba grzać ) dodatkowo ( na przykład jesienią trzeba rano podgrzać dom przez godzinę - jednym dotknięciem zapalamy piec gazowy który leżał na półce z przydasiami :) ( niestety zasilany z butli ) . Nawiasem mówiąc już go zacząłem montować . Na koniec fajnie by było usiąść przy kominku , a skoro się już pali to można rozprowadzić trochę to ciepło po domu zakładając na czopuch wymiennik ciepła ( na allegro po 500 zeta ) Taki jest plan na skomplikowanie tej instalacji i sobie trochę utrudnienie budowy ^_^ . pozdrawiam T S .
sambor Opublikowano 23 Grudnia 2016 #19 Opublikowano 23 Grudnia 2016 Czy jesteś pewien , że kocioł gazowy może być zamontowany w tym miejscu? Przeczytaj post 2 w temacie https://forum.info-ogrzewanie.pl/topic/15611-odleglosc-instalacji-kotla-gazowego-od-okna/
tomx Opublikowano 23 Grudnia 2016 Autor #20 Opublikowano 23 Grudnia 2016 OK dzięki Pytanie czy przepisy z 2002 nadal obowiązują i czy dotyczą kotłów kondensacyjnych z zamkniętą komorą spalania ? Przeczytałem instrukcje montażu producenta i nie stawia takich wymogów.
sambor Opublikowano 23 Grudnia 2016 #21 Opublikowano 23 Grudnia 2016 Z tego co wiem te warunki techniczne w tym punkcie się nie zmieniły i dotyczą wszystkich kotłów, kuchni, itp urządzeń gazowych. To nie gwarancja czy warunki montażu stawiają takie wymogi, tylko inne wymogi np p.pożarowe.
tomx Opublikowano 23 Grudnia 2016 Autor #22 Opublikowano 23 Grudnia 2016 Rozdział 7. Instalacja gazowa na paliwa gazowe § 173. 3) kuchnie i kuchenki gazowe należy instalować w odległości co najmniej 0,5 m od okien do boku urządzenia, licząc w rzucie poziomym, § 169. 3. Urządzenia gazowe z zamkniętą komorą spalania, przez co rozumie się urządzenia typu C, mogą być instalowane w pomieszczeniach mieszkalnych, niezależnie od rodzaju występującej w nich wentylacji, pod warunkiem zastosowania koncentrycznych przewodów powietrzno-spalinowych, z zachowaniem wymagań §175. § 173 p. 3 uważam że odnosi się do możliwości zadmuchnięcia płomienia i jest na dzisiejsze czasy mało aktualny gdyż nowe kuchenki posiadają system kontroli płomienia .
sambor Opublikowano 23 Grudnia 2016 #23 Opublikowano 23 Grudnia 2016 To nie o zdmuchanie idzie, ale o to jak takie posadowienie kotła interpretuje strażak lub kominiarz, może bez problemu wyciągnąć inny przepis np taki Podłoga lub ściana bezpośrednio pod kotłem nie może być wykonana z materiałów palnych. W przypadku wykonania podłogi lub ściany z materiałów palnych, powierzchnie w odległości minimum 0,5 m od krawędzi kotła powinny być pokryte materiałem niepalnym. Widzisz - jak nie kijem to pałką , jedno jest pewne, że czasem nawet serwis danego kotła się do tego potrafi przyczepić. Jak masz niepalne okna i przebicie w starciu ze strażą pożarną to zostaw , jak nie to przerób.
tomx Opublikowano 23 Grudnia 2016 Autor #24 Opublikowano 23 Grudnia 2016 To nie o zdmuchanie idzie, ale o to jak takie posadowienie kotła interpretuje strażak lub kominiarz, może bez problemu wyciągnąć inny przepis np taki Podłoga lub ściana bezpośrednio pod kotłem nie może być wykonana z materiałów palnych. W przypadku wykonania podłogi lub ściany z materiałów palnych, powierzchnie w odległości minimum 0,5 m od krawędzi kotła powinny być pokryte materiałem niepalnym. Widzisz - jak nie kijem to pałką , jedno jest pewne, że czasem nawet serwis danego kotła się do tego potrafi przyczepić. Jak masz niepalne okna i przebicie w starciu ze strażą pożarną to zostaw , jak nie to przerób. OK. o której klasie niepalności my tu mówimy? Tak znam komendanta głównego Państwowej Straży Pożarnej ;) W świetle obowiązujących przepisów umiejscowienie tego kotła nie narusza żadnych przepisów :)
tomx Opublikowano 23 Grudnia 2016 Autor #25 Opublikowano 23 Grudnia 2016 Czy będzie działać to dopiero się okaże. Ja wcale nie był bym tego pewny szczególnie przy pracy kotła gazowego. Do tego niestety zaoszczędzono na ... rozdzielaczach kolektorach, nie wiadomo jak to nazwać to są naprawdę małe średnice (!!!). 14 kW kocioł gazowy ma pompę o wydajności ok 800 l/h a na tych 11 obwodach potrzeba już ok 1320 l/h nie uwzględniając oporów instalacji, czyli szans na pracę nie ma. Dla mnie w układzie brakuje sprzęgła a 3 źródła ciepła w instalacji to już "czysta głupota" i niepotrzebne komplikowanie instalacji. Są małe szanse żeby ten sterownik obsłużył wszystkie urządzenia. Ale o tym powinni się wypowiedzieć Ci którzy znają ten sterownik. Dzięki mak ale jesteś mało precyzyjny w tych swoich złośliwościach 1- kocioł gazowy niema tu nic do rzeczy 2-Rozdzielacze w zupełności wystarczające ( przekrój 22 mm miedz = 1" rury stalowej) 3- 800l/h to chyba pompka w akwarium ( przeciętna pompa ma wydajności do 4000l/h ) 4- głupotom jest rozpalanie dużego pieca węglowego w chłodne jesienne dni na godzinę przed wyjściem do pracy 5 - sprzęgło miało by sens gdyby wszystkie te piece miały by pracować jednocześnie ( to jest dopiero idiotyzm w domku jednorodzinnym ) 6 - ma schemacie powyżej jest wyraźnie zaznaczone że sterownik kontroluje tylko piec węglowy 7- PROPONUJĘ UWAŻNIE PRZECZYTAĆ CAŁY POST POZDRAWIAM T. SZ . :)
Rekomendowane odpowiedzi
Zarchiwizowany
Ten temat przebywa obecnie w archiwum. Dodawanie nowych odpowiedzi zostało zablokowane.