misterpaw Opublikowano 5 Czerwca 2014 #1 Opublikowano 5 Czerwca 2014 Witam! Wrzucam dwie wersje A i B, schematu mojej w miarę prostej instalacji. Aczkolwiek chciałbym pogodzić c.w.u. i c.o. i zamontować ten jakże polecany zawór 4-D, a wszystko na 1 pompie, gdyż dom mały (65 m2 pow. użytkowej) i instalacja nie taka wielka.Ogólnie o instalacji:Kotłownia rurki żelazne 1" (może pion dam cały 3/2 ze względu na to że mam dość nisko naczynie wzbiorcze ok. 2-2,5m nad kotłem) na dom pex 20. Kocioł mieści około 50l wody, a przewiduję że w całej instalacji składającej się z 8 grzejników aluminiowych + to co w rurkach też będzie około tyle co w kotle razem około 100l (nie prowadziłem dokładnych wyliczeń).Skłaniam się bardziej ku wersji B ponieważ nie wiem czy dało by radę ogrzewać bojler na samej grawitacji? W tej wersji zastosowałem też powrót z naczynia wzbiorczego do kotła i zastanawiam się czy tak jest lepiej niż w wersji A?Ewentualnie jestem skłonny obyć się bez tego zaworu mieszającego 4-D jeśli uznacie, że to nie ma szans działać.Proszę o rady, sugestie i spostrzeżenia :) W zależności od tego co powiecie będę dalej pracował nad 1 schematem
CIHYMUR Opublikowano 5 Czerwca 2014 #2 Opublikowano 5 Czerwca 2014 Wstawiłem fotki jak chciałeś . Zobaczysz że to całe skręcanie to przyjemna robota . Troche brudna , ale to zależy jak do tego podejdziesz . Ja jestem po pierwszej próbie szczelności. Jak jesteś łebski to dasz rade ,ja dałem i jeśli trzeba to pomogę .Nawet jakiś filmik nagram i wstawie jeśli trzeba . Jeśli chcesz bardziej szczegółowo daj znać. Pozdrawiam.
sambor Opublikowano 6 Czerwca 2014 #3 Opublikowano 6 Czerwca 2014 Jak chcesz połączyć wg schematu B to naczynie wzbiorcze daj prawidlowo czyli wg schematu A
misterpaw Opublikowano 6 Czerwca 2014 Autor #4 Opublikowano 6 Czerwca 2014 Dzięki sambor. Zanim zacznę coś robić ze schematem jeszcze 1 pytanie. Woda chyba zbytnio się nie wychłodzi na tak krótkim obiegu a pompa i tak zacznie ganiać wodę dopiero po osiągnięciu żądanej temperatury na kotle. Reasumując, czy przy tak małej instalacji c.o. jest sens montażu zaworu mieszającego?
sambor Opublikowano 6 Czerwca 2014 #5 Opublikowano 6 Czerwca 2014 Tak małe instalacje to ja proponuję wykonać bez zaworów 3 i 4 drogowych, natomiast daję sterowanie pompą i start pompy ustawiam od np 50C, najprostszy sterownik na 1 pompę np CS-07 to koszt ok 90zl. Innym przypadkiem jest wymóg gwarancyjny na kocioł w którym producent określi że np potrzeba zawór 3 lub 4-D w celu ochrony kotła.
Gość Digitrax Opublikowano 7 Czerwca 2014 #6 Opublikowano 7 Czerwca 2014 Jak chcesz połączyć wg schematu B to naczynie wzbiorcze daj prawidlowo czyli wg schematu A Wersja B ma poprawnie podłączone naczynie wzbiorcze i nie trzeba nic zmieniać. Zaletą tego połączenia w stosunku do wersji A jest fakt, że w przypadku gotowania wody w kotle nadmiar nie ucieka do kanalizacji lecz wraca powrotem do kotła gdzie go powoli wystudza tą wodą, która jest w naczyniu. W tym przypadku zaleca się by naczynie było większej pojemności. U siebie mam 40 litrowe. Dla testu celowo zagotowałem wodę w kotle (28 kW mocy) i gdy para zaczęła napierać do naczynia to woda z naczynia skutecznie wystudziła kocioł.
Grześ4 Opublikowano 13 Czerwca 2014 #7 Opublikowano 13 Czerwca 2014 Niestety układ A i B nie pokazują prawidłowo podłączonego naczynia wyrównawczego polecam to z strony http://www.kotlysas.pl/oferta/schematy/uklad-otwarty/ jest tam schemat z zaworem 4d i 3D i schemat z innej strony http://www.kotly-witkowski.pl/schematy-podlaczen
Gość Digitrax Opublikowano 13 Czerwca 2014 #8 Opublikowano 13 Czerwca 2014 Grzesiu poczytaj PN w zakresie zabezpieczeń kotłów na paliwa stałe. Zapewniam Ciebie, że podłączenie naczynia zarówno w wersji A i B jest zgodne z obowiązującym prawem i zdrowym rozsądkiem.
Grześ4 Opublikowano 17 Czerwca 2014 #9 Opublikowano 17 Czerwca 2014 Witam! No właśnie sobie poczytałem PN i zapraszam do lektury Naczynie zabezpieczają dwie rury Rura wznośna i bezpieczeństwa sposób ich podłączenia pokazany w załącznikach. Wiem, że tak się kiedyś robiło. Nie mniej dobrze by było stosować to co wymagają przepisy. Przepraszam tylko schemat B jest poprawny jeśli chodzi NW otwarte
kiminero Opublikowano 17 Czerwca 2014 #10 Opublikowano 17 Czerwca 2014 Obie metody podpięcia naczynia pokazane w 1. poście są poprawne i zgodne z przepisami. Dla małych kotłów poniżej 25 kW przepisy dopuszczają dwufukcyjną rurę wzbiorczą/bezpieczeństwa co pokazuje rys. 1/a normy. Różnica ze schematem pierwszym autora tematu, polega wyłącznie na braku rozdziału tych rur przed naczyniem. Powoduje to większe "straty" wody w sytuacji awaryjnej, ale bezpieczeństwa nie ogranicza. Drugi schemat autora to już wierna kopia z normy rys. 1/b i rys. 2. Różnica polega na tym, że rozpatrujemy pojedynczy kocioł oraz rezygnujemy z opcjonalnych rur sygnalizacyjnej i cyrkulacji. Łączenie rur RB i RW dla małych kotłów to standard. Wymóg podstawowy to ich prawidłowe średnicowanie i prowadzenie. Łącząc rury rezygnujemy też z możliwości wykorzystania wody w naczyniu do częściowego schładzania kotła w sytuacji gotowania kotła.
sambor Opublikowano 17 Czerwca 2014 #11 Opublikowano 17 Czerwca 2014 Moja odpowiedź w poście #3 na pytanie autora tematu , odnosiła się do konkretnej lokalizacji naczynia - jak autor pisał "mam dość nisko naczynie wzbiorcze ok. 2-2,5m nad kotłem" czyli w przypadku rys "B" nie byłby spełniony wymóg PN - H > 0,7Hp. Zakładając że pompa ma Hp= 4m to 0,7Hp = 2,8m czyli więcej niż dopuszcza norma. gdyż w tym przypadku montażu zaworu 4-D nie wyobrażam sobie montażu pompy poniżej kotła. W przypadku montażu naczynia na zasilaniu kotła - czyli rysunek "A" H> 0,3m czyli praktycznie zawsze będzie spełniona. Pozdr.
henryk1953 Opublikowano 17 Czerwca 2014 #12 Opublikowano 17 Czerwca 2014 Grzesiu poczytaj PN w zakresie zabezpieczeń kotłów na paliwa stałe. Witaj!!!! Czy znasz taką normę? Bo norma którą przytacza kolega Grześ4 jest wycofana. http://sklep.pkn.pl/pn-b-02413-1991p.html pozdrawiam.henryk1953
sambor Opublikowano 17 Czerwca 2014 #13 Opublikowano 17 Czerwca 2014 Ciekawe bo w aktualnym wykazie norm obowiązujących na egzamin PIIB ( uprawnienia budowlane ) podana jest ta właśnie norma , a na dzień dzisiejszy nie ma nowej normy w tym temacie.
henryk1953 Opublikowano 18 Czerwca 2014 #14 Opublikowano 18 Czerwca 2014 WITAJ!!! Na końcu tego wykazu jest punkt 2 2. Brak znajomości norm wycofanych przez PKN ze zbioru norm aktualnych na podstawie ustawy z dnia 12 kwietnia 2002 r. o normalizacji nie może być przyczyna odwołania z uwagi na zamieszczenie norm w źródłach prawa (ustawy, rozporządzenia) oraz wskazanie ich w niniejszym wykazie na podstawie art. 36 ust. 1 pkt 2. ustawy z dnia 15 grudnia 2000 r. o samorządach zawodowych architektów, inżynierów budownictwa. tu wypowiedz zawijan2 na temat wycofania tej normy http://zawijan.wordpress.com/zapytaj-zawijana_2/uklad-otwartyzamkniety/ poz.henryk1953
Grześ4 Opublikowano 18 Czerwca 2014 #15 Opublikowano 18 Czerwca 2014 Widzę, że trochę namieszałem Odnośnie naczynia - To właśnie w schemacie A zabrakło rozdzielenia rury wznośnej i bezpieczeństwa. Odnośne norm. Niestety nasze Państwo odwołało wszystkie normy,a później się na nie powołuje w różnych rozporządzeniach przez co przywołane normy stają się obowiązujące. I dla tego przypadku pokazana przez ze mnie norma jest obowiązująca. Przywołano ją w RMI z dn. 10 grudnia 2010 r. Dz. U nr 239 poz. 1597 ( można sprawdzić na stronie sejmu) patrz str nr 5 Myślę, że autor tematu już ma wszelką wiedzę by dobrze wykonać to o co mu chodziło. D20101597.pdf
sambor Opublikowano 18 Czerwca 2014 #16 Opublikowano 18 Czerwca 2014 Powołujesz się na rozporządzenie z dn 10 12 2010 i wtedy norma ta była obowiązująca, norma ta została wycofana, ale nie odwołana w dn 16 09 2011. Do momentu wprowadzenia nowej normy obowiązuje stara, gdyż w przepisach nie może istnieć "bezkrólewie". Pozdr.
sambor Opublikowano 18 Czerwca 2014 #17 Opublikowano 18 Czerwca 2014 tu wypowiedz zawijan2 na temat wycofania tej normy http://zawijan.wordpress.com/zapytaj-zawijana_2/uklad-otwartyzamkniety/ poz.henryk1953 Na tym forum chłopaki dyskutują jeszcze o starszej normie - gdzie średnica rury wzbiorczej jest dopuszczona jako 3/4" - DN20 , a nie 1"' -DN25 Pozdr.
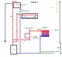
misterpaw Opublikowano 19 Czerwca 2014 Autor #18 Opublikowano 19 Czerwca 2014 Dziękuje wszystkim za udzielanie się w temacie, nie ma to jak merytoryczna dyskusja, która pozwala rozwiać wiele wątpliwości. Przepraszam, że się nie udzielałem, ostatnio mam wiele na głowie, ale czytam co piszecie. Wracając do mojego schematu.Postanowiłem zrezygnować z zaworu mieszającego w tak małej instalacji powinno mi wystarczyć sterowanie pompą.Załączam poprawiony schemat instalacji z dokładniejszymi wymiarami (tolerancja 5 cm). Mam wyższy kocioł i teraz naczynie będzie tylko 160cm nad kotłem dlatego myślę zostawić tam rurę 3/2'' dopiero od niej puścić rury calowe, a ostatecznie do grzejników dotrzeć pexem. Ostatnie wątpliwości:Myślę, że przy tak "niskiej" instalacji bojler do c.w.u. powinien spokojnie pracować na grawitacji? (pompa byłaby tylko na ogrzewanie domu).Co do wysokości to bojler będzie z minimum te 30-40cm poniżej dna naczynia wzbiorczego więc chyba wymóg H>0,3m jest spełniony.Czy powrót z bojlera mogę wciąć w powrót z naczynia wzbiorczego (jak na rysunku)?Wszelkie inne uwagi itp. mile widziane :)
Gość Digitrax Opublikowano 19 Czerwca 2014 #19 Opublikowano 19 Czerwca 2014 Jak będzie działać pompa CO to grawitacja do bojlera nie będzie funkcjonować. Z tego powodu proponuję wpiąć wężownicę zbiornika CWU nie do pionu kotła ale w miejscu gdzie jest odpowietrznik za pompą. Grawitacja będzie działać jak pompa będzie OFF (przez zawór różnicowy) a przy włączonej będzie działać i CO i CWU. Pompa odpowietrzy się przez odpowietrznik przy CWU. W obrębie kotła jak i do naczynia wszystkie rury możesz dać 1" lub Cu28. U siebie wszystkie rury w kotłowni mam Cu28 z wyjątkiem jednej: bezpieczeństwa gdzie jest Cu35 a to tylko dlatego, że kocioł mam 28 kW. Na powrocie wężownicy bezpośrednio za zbiornikiem CWU zainstaluj zawór zasuwę do regulacji przepływu przez zbiornik CWU. Bez niego woda do obiegu CO będzie przepływać wolniej (większe opory). Ile masz tych grzejników w obiegu ? Ja bym tego PEX20 wymienił na cokolwiek w całości metalowego.
misterpaw Opublikowano 19 Czerwca 2014 Autor #20 Opublikowano 19 Czerwca 2014 Ok dziękuję za cenną sugestię! Co do rur chciałem dawać o większej średnicy ze względu na niską instalację, żeby w razie czego... Ale chyba rzeczywiście 1'' wystarczy. Jakiej pojemności naczynie wzbiorcze zastosować, jeżeli piec 50l, CWU 100l a reszta instalacji około 35l. Czy naczynie wzbiorcze 20l do takiej instalacji będzie wystarczające?Edit: W międzyczasie też przerabiałem rysunek i wstawiłem, a że był prawie taki sam jak Twój więc już usuwam, żeby się już nie mieszały/Zamierzam wstawiać grzejniki aluminiowe w sumie ok. 55 żeberek
kiminero Opublikowano 19 Czerwca 2014 #21 Opublikowano 19 Czerwca 2014 20l to z zapasem, ale zostaw. Dla CWU to liczysz tylko pojemność wężownicy, czyli kilka litrów raptem, a nie 100. Zawór regulacyjny na powrocie boilera obowiązkowo, najlepiej jak wyżej pisano zasuwa: Dodałbym jeszcze termometr poglądowy na wejściu powrotu do kotła. Będziesz widział, czy mu nic nie grozi. Co do tych 100l boilera, to może się zdarzyć, że przy grzaniu "od zera" (tzn. wystudzony boiler i grzejemy do 50 lub wyżej), będzie ci puszczał zawór bezpieczeństwa (jeśli w międzyczasie rozbioru nie było). To jest normalne, a uniknąć tego można tylko poprzez montaż małego zbiornika wyrównawczego dla CWU (8l ok. 150 zł.). P.S. Bez mieszacza to obowiązkowo termostaty na grzejnikach.
misterpaw Opublikowano 1 Sierpnia 2014 Autor #22 Opublikowano 1 Sierpnia 2014 Pozwolę sobie odświezyć temat gdyż miałem dłuższą przerwę w pracach , także dopiero wracam do akcji.Chciałem wykonywać instalację pexem, w sumie nadal się skłaniam ku tej metodzie ale potrzebuję waszej porady...Będę miał 8 grzejników rozlokowanych na planie prostokąta. Podejrzewam, że połączenie równolegle wszystkich na jednej nitce zasilającej i powrotu mogłoby powodować że te ostatnie słabo by grzały. Dobrze myśle? Czy może jednak stoponiując odpowiednio średnice rur byłoby to możliwe? (np. 32 potem 25 potem 20 i na końcu 16)? Grzejniki dolno zasilane instalacja z pompką. Reszta jak na obrazkuCzy może jednak zrobić 2 nitki zasilania powiedzmy po 4 grzejniki? (więcej niż 2 nitki ciężko będzie zrobić zrobić). Poradźcie coś, doradźcie średnice rur pliz...
CIHYMUR Opublikowano 16 Sierpnia 2014 #23 Opublikowano 16 Sierpnia 2014 Witam ponownie. Jestem w trakcie rozkładania pexa i robie dwie nitki. Na jednej nitce będą zimne grzejniki - te ostatnie. Tak powiedział stary wyjadacz hydraulik. Logiczne - wie co mówi. Wnioski wyciąnij sam. Pozdr.
misterpaw Opublikowano 23 Sierpnia 2014 Autor #24 Opublikowano 23 Sierpnia 2014 Pozwolę sobie zamieścić kilka foto jako efekty moich prac. Montaż całości skończyłem w poniedziałek jednak dopiero teraz mam chwilę by wrzucić zdjęcia. Kotłownia wygląda tak, jak na foto. Póki co może odprowadzenie nadmiaru nie powala, no ale może w przyszłości to poprawie. Co do grzejników oczywiście rozdzieliłem na 2 nitki stopniując jak na załączonym tu schemacie. Takie doprowadzenie stalą 1' potem kawałek 3/4' ( na tym odcinku wstawiłem zaworki żeby ewentualnie odciąć jedną nić lub zmniejszyć przepływ aczkolwiek póki co nie było potrzeby) przejście na pex20 (3 grzejniki) i do ostatniego pex 16. To w zupełności wystarcza wszystkie grzejniki całe są ciepłe gdy pompka pracuje na 1 biegu.Jest to moja 1 instalacja co, nigdy wcześniej nie miałem z tym do czynienia. Bardzo serdecznie chciałbym podziękować wszystkim, którzy udzielili mi cennych wskazówek. Dziękuję :)Oczywiście jeśli macie jakieś uwagi to słucham.
sambor Opublikowano 23 Sierpnia 2014 #25 Opublikowano 23 Sierpnia 2014 Ładnie, tyko dlaczego ocynkowane rury? Gdzie izolacja rur? Z tym przelewem z NW to trochę przegiełeś Pozdr.
Rekomendowane odpowiedzi
Zarchiwizowany
Ten temat przebywa obecnie w archiwum. Dodawanie nowych odpowiedzi zostało zablokowane.