Ziolek512 Opublikowano 3 Maja 2014 #1 Opublikowano 3 Maja 2014 Witam, parę dni temu hydraulicy skończyli mi montowanie instalacji, dom 122m2 instalacja na rozdzielaczach wszystko alupex i niby nie mam żadnych ale poza montażem w kotłowni. Nie daje mi spokoju obieg od podłogówki, mam zawór 3D termostatyczny zamontowany ale według mojego rozumowania źle zamontowali zasilanie wody powrotnej od tej podłogówki do zaworu trójdrożnego i chcąc uzyskać 30 'C zawór nie będzie miał takiej zdolności gdyż na powrocie zapewne jest wyższa temperatura niż te 30. Jeżeli się mylę poprawcie mnie. Jeszcze za instalacje nie płaciłem więc jeżeli dostrzecie jeszcze jakieś błędy spróbuje je naprawić
automatyk Opublikowano 3 Maja 2014 #2 Opublikowano 3 Maja 2014 no oczywiscie ze jest żle do natychmiastowej poprawki ,powrót na zawór musi isc bezposrednio z obiegu który grzeje dopiero pozniej moze sie łaczyć z innymi powrotami
kiminero Opublikowano 3 Maja 2014 #3 Opublikowano 3 Maja 2014 niby nie mam żadnych ale poza montażem w kotłowni Większy babol to naczynie wzbiorcze. Działało będzie, ale wbrew wytycznym i po stronie tłocznej pompy. Jak pompa ruszy a termostaty będą zamknięte, to już tylko do naczynia tłoczyć będzie.
automatyk Opublikowano 3 Maja 2014 #4 Opublikowano 3 Maja 2014 popatrz dokładnie bocoś zmęczony jestes chyba ????
kiminero Opublikowano 3 Maja 2014 #5 Opublikowano 3 Maja 2014 Konkretnie to na co mam patrzeć? Pisanie zagadkami nabija tylko liczniki pod awatarami i nic więcej.
automatyk Opublikowano 3 Maja 2014 #6 Opublikowano 3 Maja 2014 zbiornik jest ok wiesz sam tak patrze co wg ciebie jest nie tak
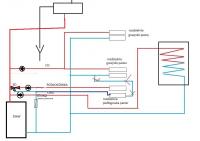
kiminero Opublikowano 3 Maja 2014 #7 Opublikowano 3 Maja 2014 Na który rysunek patrzysz? Jest oryginał u góry i moja wersja poniżej... zmęczony kolego.
sambor Opublikowano 3 Maja 2014 #8 Opublikowano 3 Maja 2014 Ponadto montaż zaworu zwrotnego w podłogówce dałbym na powrocie, przed kotłem
automatyk Opublikowano 3 Maja 2014 #9 Opublikowano 3 Maja 2014 Na który rysunek patrzysz? Jest oryginał u góry i moja wersja poniżej... zmęczony kolego. a no tak znajdz trzy roznice hehe no ok ale ten ostatni jeszcze ma usterkę nadal do poprawki
kiminero Opublikowano 3 Maja 2014 #10 Opublikowano 3 Maja 2014 Zagadek ciąg dalszy... Wiem ale nie powiem... Normalnie gimnazjum... Coś zobaczyłem, coś narysowałem. Nikt nie twierdzi, że czegoś więcej nie da się poprawić, tylko że pisanie o konieczności dalszych poprawek "schematu" w żaden sposób go nie poprawia.
automatyk Opublikowano 3 Maja 2014 #11 Opublikowano 3 Maja 2014 kolega sambor po mojej wypowiedzi zasugerował co poprawić co zwieńczyło dzieło tylko nie wiem co sie przestawiło że jest przedemna a go nie było jak moj post sie pokazał
Ziolek512 Opublikowano 4 Maja 2014 Autor #12 Opublikowano 4 Maja 2014 Najgorzej to widzę będzie problem z przerobieniem naczynia zbiorczego bo to już trzeba będzie kuć ściany i strop żeby go podłączyć bezpośrednio do kotłowni. Znowu będzie gadanie że co to ja się lepiej znam od hydraulika, wyśmiał mnie już z pieca bo też zaprojektowałem go po swojemu dodając PW, szamot i jeszcze innych parę drobiazgów. Dzięki za uwagi jakie powinienem zmienić w mojej instalacji będę musiał jakoś go przekonać ze ja mam racje i niech mi to zmienia wszystko. Dodam jeszcze że upierał się na układ zamknięty mimo kotła na paliwo stałe i wody z hydroforu ale jakoś mu to wybiłem z głowy, a teraz widzę że chyba nie ma wystarczającej wiedzy jak takie naczynka montować
kiminero Opublikowano 4 Maja 2014 #13 Opublikowano 4 Maja 2014 instalacja na rozdzielaczach wszystko alupex Możesz opisać materiał i średnice na rysunku. Jeśli naczynie masz na strychu, to nie oszczędzaj na dodatkowym zabezpieczeniu kotła zaworem bezpieczeństwa 1,5 bara. Być może nigdy się nie przyda, ale w razie przymarznięcia zbiornika (częściej i łatwiej zamarzają rury do niego idące), będzie to nieoceniony dupochron.
Ziolek512 Opublikowano 4 Maja 2014 Autor #14 Opublikowano 4 Maja 2014 Materiał z jakich zrobiona jest instalacja to z pompek do rozdzielaczy miedz średnicy 22, z rozdzielaczy do grzejników alupex chyba 16. Naczynko oczywiście na strychu zabezpieczenia mam na piecu. A zawór termostatyczny trójdrożny od podłogówki ma zakres 35-60 'C Pompka od podłogówki jest sterowana programatorem w przedpokoju że jeżeli temp jest mniejsza w pomieszczeniu niż żądana pompka się załącza, dobre to rozwiązanie??
sambor Opublikowano 4 Maja 2014 #15 Opublikowano 4 Maja 2014 Ale kaszana 1. Z kotła i pomp do rozdzielaczy oraz do naczynia na strychu musi być rura Cu28 a nie Cu22 2.zawór termostatyczny podłogi - 20-43C a nie 35-60C 3. co do sterowania to pompa powinna być sterowana termostatem w pokoju a nie w przedpokoju. Życzę udanych przeróbek - oczywiście na koszt wykonawcy ;) pozdr.
Ziolek512 Opublikowano 4 Maja 2014 Autor #16 Opublikowano 4 Maja 2014 Jak mnie wkur... już ta budowa domu, nie ma to jak w bloku zero problemów. Za chiny wykonawców nie przekonam do zmiany całej instalacji na 28, jedynie może do poprawienia powrotu od podłogówki i może spróbuje zakręcić wszystkie grzejniki i odpalić pompy, jeżeli wywali wodę z naczynka przy nich to może przyznają mi rację i to poprawią. Podłogówkę mam na całym dole czyli kuchnia, salon, wiatrołap i przedpokój, jedynie wiatrołap jest oddzielony drzwiami. A jakie będą przyczyny mniejszej średnicy rurek??
meping Opublikowano 5 Maja 2014 #17 Opublikowano 5 Maja 2014 Jak nie za Chiny, to za pieniądze których im nie zapłaciłeś jeszcze. Albo niech Ci pokarzą, że przepisy pozwalają na takie podłączenie naczynia przelewowego. Możesz też ich zapytać, czy lubią chodzić po podłodze o temperaturze 60st, polewając im stopy taką wodą. Możesz też ich nie przekonywać, tylko wcześniej, przed uiszczeniem zapłaty pokazać żonie zdjęcia domów po eksplozji kotła: http://tinyurl.com/lfmknfe a następnie ją wysłać na negocjacje... Tak, wiem, brutal ze mnie :angry: :) :)
kiminero Opublikowano 5 Maja 2014 #18 Opublikowano 5 Maja 2014 Materiał z jakich zrobiona jest instalacja to z pompek do rozdzielaczy miedz średnicy 22, z rozdzielaczy do grzejników alupex chyba 16. Naczynko oczywiście na strychu zabezpieczenia mam na piecu. A zawór termostatyczny trójdrożny od podłogówki ma zakres 35-60 'C Pompka od podłogówki jest sterowana programatorem w przedpokoju że jeżeli temp jest mniejsza w pomieszczeniu niż żądana pompka się załącza, dobre to rozwiązanie?? Oświeć hydraulika, że ZTM 35-60 jest przeznaczony do regulacji na CWU i w żaden sposób nie nadaje się do podłogi. Ma być taki jak sambor podpowiada, czyli 20-43 stC. Termostat pokojowy do podłogi to loteria. Podstawa to histereza z dokładnością 0,1 sC i mądry algorytm regulacji, by zapanować nad bezwładnością tych ton betonu. Podłogówka na całym parterze, więc będą dynamicznie zmieniające się warunki dla podłogi, jak chociaż zmienne nasłonecznienie pomieszczeń, obecność kominka, różne rodzaje wykończenia podłogi itp. Czasem lepiej sprawdza się pompa non stop i właściwy dobór temperatury zasilania. Osobiście preferuję sterowanie pogodowe, ale do tego potrzebny 3D z siłownikiem, a nie TZM. Może będzie dobrze. Mała średnica to ryzyko przedwczesnego wypłukania miedzi w newralgicznych miejscach takich jak kolanka, a wypłukuje się jak jest za szybki przepływ.
vernal Opublikowano 5 Maja 2014 #19 Opublikowano 5 Maja 2014 Termostat pokojowy do podłogi to loteria. Podstawa to histereza z dokładnością 0,1 sC i mądry algorytm regulacji, by zapanować nad bezwładnością tych ton betonu. Podłogówka na całym parterze, więc będą dynamicznie zmieniające się warunki dla podłogi, jak chociaż zmienne nasłonecznienie pomieszczeń, obecność kominka, różne rodzaje wykończenia podłogi itp. Czasem lepiej sprawdza się pompa non stop i właściwy dobór temperatury zasilania. Zauważ, że właśnie dokładnie zaprzeczyłeś sam sobie. Dynamiczne warunki nijak nie pasują do sterowania pogodowego, które patrzy tylko na temp. zewnętrzną a nie na: słońce, obecność kominka, różne rodzaje wykończenia... Chyba łatwo wymyślisz co jest potrzebne w takich warunkach? Pozdrawiam.
kiminero Opublikowano 5 Maja 2014 #20 Opublikowano 5 Maja 2014 Chyba łatwo wymyślisz co jest potrzebne w takich warunkach? Koło? Proch? Przepis na kompot ze śliwkami? Nie bardzo wiem co mam wymyślać. Działamy w ramach pomocy dla autora tematu i każdy radzi w oparcie o własne doświadczenie. Masz coś mądrzejszego do powiedzenia, to to po prostu napisz. Takie akademickie przepychanki to nie dla mnie... Jeśli uczciwie policzysz jak zbudować poszczególne pola grzewcze uwzględniając przeszklenia, wykończenia, straty etc., to temperatura zewn jest całkiem dobrym wspólnym mianownikiem, który jest w stanie zadbać o stabilność temp wewnątrz. "Centralny" termostat pokojowy niekoniecznie pogodzi salon z łazienką, jeśli dogrzany słońcem salon da sygnał STOP na kilka godzin. Nie chodzi mi tutaj o to, że w łazience zrobi się zimno, tylko zniknie "komfort" ciepłej płytki, na którym ludziom zależy. Tu by się należało strefować, a to już inna bajka i pieniądze. Jak się nie planuje, to zostaje tylko improwizacja lub zwykła partyzantka. P.S. Zastrzegam sobie prawo do bycia omylnym.
sambor Opublikowano 5 Maja 2014 #21 Opublikowano 5 Maja 2014 Ja mam sterowanie podłogówką czysto pogodowe, sterowanie temp w pokojach w granicach 1-2C dodatkowo ustawiłem przepływami w pętlach. Spisało się bardzo dobrze , choć zima była żadna. Mam rozciągnięte kable do sterowania strefowego, ale po doświadczeniach z tym sterowaniem u kolegi - zrezygnowałem. Pozdr PS jak masz coś wymyślać to wymyśl przepis na dobrą nalewkę :P
vernal Opublikowano 5 Maja 2014 #22 Opublikowano 5 Maja 2014 Koło? Proch? Przepis na kompot ze śliwkami? Nie bardzo wiem co mam wymyślać. Działamy w ramach pomocy dla autora tematu i każdy radzi w oparcie o własne doświadczenie. Masz coś mądrzejszego do powiedzenia, to to po prostu napisz. Takie akademickie przepychanki to nie dla mnie... Jeśli uczciwie policzysz jak zbudować poszczególne pola grzewcze uwzględniając przeszklenia, wykończenia, straty etc., to temperatura zewn jest całkiem dobrym wspólnym mianownikiem, który jest w stanie zadbać o stabilność temp wewnątrz. "Centralny" termostat pokojowy niekoniecznie pogodzi salon z łazienką, jeśli dogrzany słońcem salon da sygnał STOP na kilka godzin. Nie chodzi mi tutaj o to, że w łazience zrobi się zimno, tylko zniknie "komfort" ciepłej płytki, na którym ludziom zależy. Tu by się należało strefować, a to już inna bajka i pieniądze. Jak się nie planuje, to zostaje tylko improwizacja lub zwykła partyzantka. Ciężko przyznać, że to rzeczony termostat pokojowy (Tybox 810 lub podobne). Nie musi być od razu centralny, wystarczą zazwyczaj 2 strefy - nasłoneczniona i reszta. Jak chodzi i inne pieniądze, to fakt, termostaty wychodzą dużo taniej niż chociażby zbliżone w efekcie sterowanie krzywymi. Ale który instalator lubi sprzedawać tanie rozwiązania, jak przy odpowiednim PR można sprzedać drogie...
vernal Opublikowano 5 Maja 2014 #23 Opublikowano 5 Maja 2014 Ja mam sterowanie podłogówką czysto pogodowe, sterowanie temp w pokojach w granicach 1-2C dodatkowo ustawiłem przepływami w pętlach. Spisało się bardzo dobrze , choć zima była żadna. Mam rozciągnięte kable do sterowania strefowego, ale po doświadczeniach z tym sterowaniem u kolegi - zrezygnowałem. Kolega ma fatalne termostaty. U mnie przy ogrzewaniu ściennym/podłogowym na 2 termostatach (strefach) temperatura nigdy nie różni się więcej niż o 0,2C od zadanej, oprócz momentów gdy słoneczko ostro przegrzewa o parę stopni (już na własny rachunek). Pozdrawiam.
Ziolek512 Opublikowano 6 Maja 2014 Autor #24 Opublikowano 6 Maja 2014 Dzisiaj zauważyłem jeszcze jeden problem (zapewne nie ostatni) ustawiłem na sterowniku priorytet bojlera i chodziła tylko pompka od CWU ale powrotem też nagrzało mi wszystkie grzejniki, ja dziękuję w upalne lato żeby grzało mi grzejniki przy nagrzewaniu wody. Zapewne jakieś zawory zwrotne na powrotach powinny być ale fachowcem nie jestem więc nie wiem. To widzę że koledzy mają naprawdę wypasione instalacje porobione, ale przy kotle zasypowym i załóżmy rozpalaniu raz dziennie to te wszystkie ustrojstwa od sterowania ciepłem w pomieszczeniach nie bardzo się zdają, przynajmniej tak mi się wydaje.
kiminero Opublikowano 6 Maja 2014 #25 Opublikowano 6 Maja 2014 Prawdopodobnie brakuje ZZ za pompą CO. Na tymczasem możesz zamknąć zawór przy pompie. Od palenia cyklicznego bez buforowania trudno wymagać pełnej stabilizacji warunków w domu. Zależy jeszcze jak długie będą okresy wygaszania między zasypami.
Rekomendowane odpowiedzi
Zarchiwizowany
Ten temat przebywa obecnie w archiwum. Dodawanie nowych odpowiedzi zostało zablokowane.