IGNOROWANY
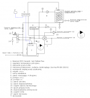
Instalacja Otwarta Na 2 Kotły
- Odpowiedz w tym temacie
- Ignoruj ten temat
- Czy wyłączyć ignorowanie tego tematu?
- Dodaj nowy temat
-
Ostatnio przeglądający 0 użytkowników
- Brak zarejestrowanych użytkowników przeglądających tę stronę.
-
Podobna zawartość
-
Kotły olejowe
Przez lizusss90,
- 2 odpowiedzi
- 410 wyświetleń
-
- 1 odpowiedź
- 500 wyświetleń
-
Błąd otwartej klapy
Przez Artur1992,
- 1 odpowiedź
- 500 wyświetleń
-
- 4 odpowiedzi
- 420 wyświetleń
-
Modernizacja kotłowni, wymiana pieca + bufor + cwu - podłączenie grawitacyjne otwarte.
Przez webspy,
- 15 odpowiedzi
- 2126 wyświetleń
-

Rekomendowane odpowiedzi
Dołącz do dyskusji
Możesz dodać zawartość już teraz a zarejestrować się później. Jeśli posiadasz już konto, zaloguj się aby dodać zawartość za jego pomocą.
Uwaga: Twój wpis zanim będzie widoczny, będzie wymagał zatwierdzenia moderatora.