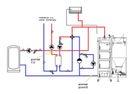
pest Opublikowano 28 Stycznia 2018 #1 Opublikowano 28 Stycznia 2018 Witajcie forumowicze. Czytam trochę to forum, ale nie widziałem podobnej konfiguracji instalacji do mojej, dlatego tworzę nowy temat. Problem: Niska temperatura powrotu, lub niska temperatura zasilania (jeśli ochronę powrotu ustawię na 50st.). Kocioł SAS BIO SOLID 19kW + sterownik recalart Głównie grzejniki, rozdzielnie co na parterze i poddaszu Schemat instalacji w kotłowni (piwnica) Wykresy z serwisu multifun: Kiedy ochronę powrotu ustawiłem na 40st Kiedy ochronę powrotu ustawiłem na 50st Pomyślałem, że dodam pompę kotłową, tylko chciałbym się skonsultować z praktykami - gdzie ją umieścić i jak. Wstępnie wymyśliłem taką stosunkowo drobną modyfikację: Pytanie mam do Was - czy to będzie optymalne położenie, czy może zupełnie równolegle jeszcze przed 4D?
odpowietrznik Opublikowano 28 Stycznia 2018 #2 Opublikowano 28 Stycznia 2018 4D do wywalenia,zła lokalizacja pompy w układzie zamkniętym
henryk1953 Opublikowano 28 Stycznia 2018 #3 Opublikowano 28 Stycznia 2018 Przeciez to układ otwarty,Zawor 4D zbędny - na razie otwórz go tak aby cala woda z kotłła szła na wymiennik .Jezeli to nie pomoże to daj pompkę na "wyższy" bieg. Pomiar tem. powrotu przy kotle.
odpowietrznik Opublikowano 28 Stycznia 2018 #4 Opublikowano 28 Stycznia 2018 po stronie pierwotnej wymiennika płytowego układ otwarty ale po stronie wtórnej układ zamknięty.W końcu do tego służy wymiennik
pest Opublikowano 28 Stycznia 2018 Autor #5 Opublikowano 28 Stycznia 2018 W sumie, to spróbuję z pełnym otwarciem 4d i wylaczeniem go w sterowniku. Zdaje mi się, że stracę możliwość dokładnej regulacji temperatury na grzejnikach, ale zobaczę. Muszę tylko przepiąć pompę na kotłową w sterowniku i zmienić położenie czujników. Dam znać na dniach.
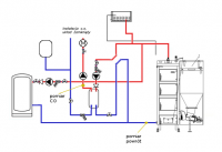
odpowietrznik Opublikowano 28 Stycznia 2018 #6 Opublikowano 28 Stycznia 2018 Ma być jak w załączniku+zawory termostatyczne na grzejnikach
henryk1953 Opublikowano 28 Stycznia 2018 #7 Opublikowano 28 Stycznia 2018 po stronie pierwotnej wymiennika płytowego układ otwarty ale po stronie wtórnej układ zamknięty.W końcu do tego służy wymiennik Masz rację - moje niedopatrzenie.
pawelek123 Opublikowano 28 Stycznia 2018 #8 Opublikowano 28 Stycznia 2018 Zawór mieszający najlepiej jak znajduje się po stronie wtórnej wymiennika i czujnik temperatury obiegu oczywiście za pompą na obiegu. Wymiennik ma wysoką sprawność i moc przenoszenia dla wyższych temperatur. Za wymiennikiem "rób co chcesz". W przypadku niskiego powrotu kocioł broni się i powinien zamykać zawór mieszający a wtedy pompa na pierwotnym przepompuje wodę przez wymiennik i do kotła wróci gorąca. Ten proces oczywiście przy wygrzewaniu trochę trwa i cykli może być dużo - trzeba przeczekać. Przy tym schemacie który wstawił "Odpowietrznik" (ale żeś sobie nazwę wymyślił :) ) i wstawieniu zaworu mieszającego na wtórnym - to musi działać doskonale :) Pozdrawiam.
sambor Opublikowano 28 Stycznia 2018 #9 Opublikowano 28 Stycznia 2018 Na schemacie z postu 6 brak naczynia przeponowego i grupy bezpieczeństwa, ale pewnie są w realu.
pest Opublikowano 1 Lutego 2018 Autor #10 Opublikowano 1 Lutego 2018 Nie mam jeszcze głowic termostatycznych, póki co jest tylko skryzowane, żeby w miarę równo grzało. Pompy Alpha2L 25-40, ta na układ zamknięty jest 25-60 Testowałem układ wg wskazówek podanych w postach powyżej. Zmieniłem położenie czujników. Wyrysowałem też ZZ oraz naczynie przeponowe i manometr, których nie narysowałem wcześniej, a są. ZB jest na kotle. Odpowietrzniki na belkach rozdzielczych. Zmieniłem rolę pompy CO na otwartym - jest jako pompa wymiennika (chodzi cały czas jak kocioł włączony). Ustawiłem temperaturę załączenia pompy CO na 60 st., CWU na 55st. bo po maksymalnym otwarciu i wyłączeniu 4d nie miałem innej regulacji temp. Przy grzaniu CO wykresy są takie: Jak widać włączenie pompy CO na tyle wychładza kocioł, że jego temperatura spada poniżej temperatury włączenia pompy. Chociaż jeszcze przyszło mi do głowy, że mógłbym zwiększyć minimalną temperaturę kotła, wtedy sterownik nie zmniejszałby mocy przy zbliżaniu się do temperatury docelowej i może nie będzie tak bardzo falować. Faktem jest, że pompa na zamkniętym CO na biegu PP1 pracuje w trybie przerywanym ok 9min pracy na 12min przerwy (z wykresu). Powrót spada do 43stC (już po wstępnym wygrzaniu instalacji >12h pracy). Przy grzaniu CWU powrót jest odpowiednio zabezpieczony, jest o 3-4st niższy niż zasilenie. Widzę, że da się w ten sposób kombinować z grzaniem - regulacja temperatury zasilenia CO i powrotu przez nastawę temperatury załączenia pompy oraz temperaturę na kotle. Jest to jednak dość karkołomne. Czy już robię wszystko dobrze, czy pominąłem jakieś rady? PS. Jaki jest błąd w dodaniu pompy kotłowej na obejściu powrotu z CO z zaworu 4D z pierwszego posta?
Gość Digitrax Opublikowano 2 Lutego 2018 #11 Opublikowano 2 Lutego 2018 Pompa CO i wymiennika ma pracować stale już od najniższych temperatur pracy kotła. Masz wychłodzoną instalację i nie zdążysz jej rozgrzać a temperatura na kotle spada przy gwałtownym poborze ciepła i wyłącza pompę CO. Tym sposobem nie "rozbujasz" instalacji. Błędem jest też to, że pompa CO wysysa wodę z wymiennika a nie do niego wtłacza. Winna być pomiędzy filtrem a wymiennikiem na powrocie obiegu CO.
pest Opublikowano 2 Lutego 2018 Autor #12 Opublikowano 2 Lutego 2018 Tak, wcześniej już była mowa o zmianie położenia pompy CO. Sam tego nie zrobię, mógłbym to zlecić hydraulikowi, ale przed wymiennikiem jest już dość ciasno i trzebaby kombinować. Jak włączę na stałe pompę CO to nigdy nie będę miał powrotu wystarczająco ciepłego, żeby nie wychodził kotła. Jeszcze nie mam głowic termostatycznych, które ograniczą przeplyw. Tylko, dlaczego pompa powinna być przed wymiennikiem, czy to duży problem jesli nie jest?
Gość Digitrax Opublikowano 2 Lutego 2018 #13 Opublikowano 2 Lutego 2018 Źle myślisz. Gdy instalacja się rozgrzeje to będzie pobierać mniej ciepła z wymiennika a co za tym idzie więcej ciepła przez wymiennik wróci do powrotu kotła. Ustaw pompę Co na najniższy bieg a pompę wymiennika na najwyższy i zobacz jak zachowa się temp. powrotu kotła.
henryk1953 Opublikowano 2 Lutego 2018 #14 Opublikowano 2 Lutego 2018 Jak jeszcze wyłączy CWU to będziemy wiedzieli jaki ma spadek temperatury na wymienniku, moze to zrobić dla l i II biegu pompki
pest Opublikowano 5 Lutego 2018 Autor #15 Opublikowano 5 Lutego 2018 Normalnie , tak jak wcześniej próbowałem PID przeregulowuje. W momencie kiedy pompa kończy i zaczyna pracować nagle zmienia się temperatura i jest robiona korekta mocy. Ok, można ustabilizować układ po ustawieniu stałej mocy, ale jakoś mam z tym problem, na pid byłoby łatwiej... Faktycznie jak na jakiś czas ustawiłem 100% moc, to pompy obie chodziły i układ był stabilnie zasilany (pompa wymiennika na 2 biegu, pompa co na 1 biegu). Później temperatura na kotle przebiła zadaną i przeszedł w tryb podtrzymania.
Gość Digitrax Opublikowano 5 Lutego 2018 #16 Opublikowano 5 Lutego 2018 Włącz na stałe pompy niechaj pracują zawsze ! Nie potrzebujesz pełnej mocy, niechaj PID ją reguluje według zapotrzebowania instalacji.
Rekomendowane odpowiedzi
Zarchiwizowany
Ten temat przebywa obecnie w archiwum. Dodawanie nowych odpowiedzi zostało zablokowane.