ayo007 Opublikowano 20 Listopada 2017 #26 Opublikowano 20 Listopada 2017 ..no właśnie kolego, zacznij od tego, aby uczynić tą Twoją instalację bezpieczną i podłącz porządnie naczynie przelewowe..
kiminero Opublikowano 20 Listopada 2017 #27 Opublikowano 20 Listopada 2017 Ten co to składał wie, że dzwonią ale nie wie gdzie i po co. Usłyszał o 4D i założył. Usłyszał o 3D i założył. Usłyszał o bypassie pompy CO i założył. Usłyszał nawet o naczyniu i też założył. Szkoda tylko, że w szkole nie słuchał. Ten układ jest od początku źle przemyślany i jeszcze gorzej wykonany. Ratowanie tego wg mnie mija się z celem. Wypruć i poskładać na nowo, oczywiście na koszt fachowca (robocizna). Jakąś namiastkę założonego celu ochrony powrotu daje pompa obiegu kotłowego, ale pytanie jaki tam jest 4D (rozmiar i przepływ). 200 m2 podłogi na dwóch pompach plus grzejniki, to już się robi konkretny przepływ na zaworze i pogodzenie tego może być problematyczne. Moja rada to "niestety" podejście do tematu od zera. Tam powinien być układ oparty na sprzęgle z zaworem termostatycznym ochrony powrotu i obiegiem CWU po stronie kotła. Po stronie odbiorów z kolei, trzy obiegi grzewcze. Jeden CO na grzejniki puszczony na temperaturze sprzęgła bezpośrednio plus termostaty oraz dwa obiegi podłogowe z mieszaczami 3D z siłownikami i sterowaniem pogodowym. Pakowanie się w stałotemperaturową podłogę na zaworach ATM to błąd. Co zrobisz jak w nocy będzie -10, a w dzień 0? Będziesz biegał przestawiać termostat czy może ON/OFF pomp?
sambor Opublikowano 20 Listopada 2017 #28 Opublikowano 20 Listopada 2017 Przede wszystkim przenieś naczynie na zasilanie z kotła! Po drugie podaj jaki masz ten zaw 4-D - pewnie 1" Bez tego nie nie zrobimy w tej instalacji. Ją się powinno w kotłowni całą rozebrać i od nowa połączyć wg przepisów , zasad hydrauliki i zdrowego rozsądku. Obecnie masz źle, no może nie całkiem, gdyż CW może zostać.
shogunzlasa Opublikowano 21 Listopada 2017 #29 Opublikowano 21 Listopada 2017 Ten co to składał wie, że dzwonią ale nie wie gdzie i po co. Usłyszał o 4D i założył. Usłyszał o 3D i założył. Usłyszał o bypassie pompy CO i założył. Usłyszał nawet o naczyniu i też założył. Szkoda tylko, że w szkole nie słuchał. Ten układ jest od początku źle przemyślany i jeszcze gorzej wykonany. Ratowanie tego wg mnie mija się z celem. Wypruć i poskładać na nowo, oczywiście na koszt fachowca (robocizna). Jakąś namiastkę założonego celu ochrony powrotu daje pompa obiegu kotłowego, ale pytanie jaki tam jest 4D (rozmiar i przepływ). 200 m2 podłogi na dwóch pompach plus grzejniki, to już się robi konkretny przepływ na zaworze i pogodzenie tego może być problematyczne. Moja rada to "niestety" podejście do tematu od zera. Tam powinien być układ oparty na sprzęgle z zaworem termostatycznym ochrony powrotu i obiegiem CWU po stronie kotła. Po stronie odbiorów z kolei, trzy obiegi grzewcze. Jeden CO na grzejniki puszczony na temperaturze sprzęgła bezpośrednio plus termostaty oraz dwa obiegi podłogowe z mieszaczami 3D z siłownikami i sterowaniem pogodowym. Pakowanie się w stałotemperaturową podłogę na zaworach ATM to błąd. Co zrobisz jak w nocy będzie -10, a w dzień 0? Będziesz biegał przestawiać termostat czy może ON/OFF pomp? Sam chciałem to napisać, ale brakło czasu... Schemat ze sprzęgłem jest podany na forum w innym wątku wspomnianym wcześniej. Wszystko piknie ładnie ale to jest NOWA INSTALACJA... rozumiem jakiś bubel ktoś zrobił, ale wszystko tu jest tak wymieszane, że trzeba to rozebrać. Pytanie jakie rury, jak rozłożona podłogówka - jeśli to wszystko jest tak urzeźbione jak ta kotłownia to piękna fuszera...
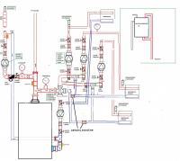
zodi Opublikowano 21 Listopada 2017 Autor #30 Opublikowano 21 Listopada 2017 Chłopcy bo straszycie mnie ładnie. Oto kilka zdjęć. Z pieca wychodzi 1 1/2 i po zaworze 3d przechodzi w 1 1/4. Do CWU idzie 1cal, a do zaworu 4d 1 1/4. Do podlogowki idzie 1cal i rozdwaja sie na dwa rozdzielacze po 1/2. Powrot jak na zdjeciu ponizej ciezko zobaczyc jaki rozmiar bo przechodzi w miedz. Zawor 4 d - afriso 13 485 10, rp 11/4, kvs 16m3/h, dn 32, pn10. zawor 3d - na powrocie do pieca zamontowany zebym sie cieszyl ze moge kontrolowac recznie temp powrotu:) - DN 32, 1 1/4, kvs 15m3/h, pn10. Zawor termostatyczny 3d przed dwoma rozdzielaczami to afriso ATM 561 G1cal, DN20, KVS 2,5. Pan w dziale technicznym afriso powiedzial ze jest za slaby i musze dac drugi taki zawor i ten przenies przed kazdym rozdzielaczem. Podlogowka bedzie sterowana termostatami w pokojach i silownikami na obiegach, wlwktryk bedzie to montowal w pozniejszym terminie. Bardzo was prosze o konkretna pomoc. Hydraulik ma wrocic na poprawki tylko co mam mu powiedziec? Czy faktycznie jest az tak zle?
shogunzlasa Opublikowano 21 Listopada 2017 #31 Opublikowano 21 Listopada 2017 Chyba lecisz na rekord sterowania podłogówką jaki znam.Chcesz sterować termostatami podłogówką która mieszana jest zaworem 4D następnie zmieszana jest zaworem 3D a następnie grupą mieszającą z zaworem termostatycznym z kapilarą?TAK - jest źle - to nie wymaga poprawek a projektu z głową i zrobienia od nowa... To jest naciąganie na koszty i fuszera.
zodi Opublikowano 21 Listopada 2017 Autor #32 Opublikowano 21 Listopada 2017 Chyba lecisz na rekord sterowania podłogówką jaki znam. Chcesz sterować termostatami podłogówką która mieszana jest zaworem 4D następnie zmieszana jest zaworem 3D a następnie grupą mieszającą z zaworem termostatycznym z kapilarą? Na chwile obecna podloga nie jest podpiet do zaworu 4d. Czyli z pieca idzie do 3d zeby na podloge nie puscic wiecej niz 40stopni. A obiegi beda zamykane i otwierane w zaleznosci co pokaze termostat pokojowy.
sambor Opublikowano 21 Listopada 2017 #33 Opublikowano 21 Listopada 2017 A przepływy w podłogówce masz?
zodi Opublikowano 21 Listopada 2017 Autor #34 Opublikowano 21 Listopada 2017 Chodzi ci o miernik przepływu? Jak tak to nie.
zodi Opublikowano 21 Listopada 2017 Autor #35 Opublikowano 21 Listopada 2017 A przepływy w podłogówce masz?Chodzi ci o miernik przepływu? Tylko rotametry.
sambor Opublikowano 21 Listopada 2017 #36 Opublikowano 21 Listopada 2017 Chciałem wiedzieć co pokazują rotametry jak włączysz pompę na rozdzielaczu?
zodi Opublikowano 21 Listopada 2017 Autor #37 Opublikowano 21 Listopada 2017 Chyba lecisz na rekord sterowania podłogówką jaki znam. Chcesz sterować termostatami podłogówką która mieszana jest zaworem 4D następnie zmieszana jest zaworem 3D a następnie grupą mieszającą z zaworem termostatycznym z kapilarą? TAK - jest źle - to nie wymaga poprawek a projektu z głową i zrobienia od nowa... To jest naciąganie na koszty i fuszera. A co konkretnie jest tak bardzo że nie można przerobić? Wielkości rur? Jakis przykład nowej instalacji z konkretnymi rozwiązaniami?
sambor Opublikowano 21 Listopada 2017 #38 Opublikowano 21 Listopada 2017 Tu nie ma powielania , konkretna instalacja to konkretne rozwiązanie. Tego nie robi się przez analogię , lecz dla danych potrzeb.
zodi Opublikowano 21 Listopada 2017 Autor #39 Opublikowano 21 Listopada 2017 IPokazuja od 2 do 3. Ale zawór 3d ma za małą przepustowość i trzeba dać jeden przy każdym rozdzielaczu.
zodi Opublikowano 21 Listopada 2017 Autor #40 Opublikowano 21 Listopada 2017 To zaproponujcie coś dla takich potrzeb. Główne ogrzewanie to podłoga 180m2. CO to 2grzejniki łazienka i 2 poddasze. Mało używane. Zasobnik wody 300l. Piec ogniwo eko plus m 20.
sambor Opublikowano 21 Listopada 2017 #41 Opublikowano 21 Listopada 2017 Jak pompę w rozdzielaczu wyłączysz to rotametry wracają do zera ? Pytam się, gdyż wiele z modeli rotametrów nie pozwala na taki montaż.
odpowietrznik Opublikowano 21 Listopada 2017 #42 Opublikowano 21 Listopada 2017 Oo rotametry "stoją na głowie") ale fajnie)jeszcze takiej kombinacji nie widziałem)
zodi Opublikowano 21 Listopada 2017 Autor #43 Opublikowano 21 Listopada 2017 Po wyłączeniu pompy idą na zero.
shogunzlasa Opublikowano 21 Listopada 2017 #44 Opublikowano 21 Listopada 2017 Nie chce tylko krytykować ale wkurza mnie to że jest tu władowana masa pieniędzy a to jest niebezpieczne i skopane. Jest to świeża instalacja - ktoś wziął za to pewnie nie małą sumę za robótkę - powinieneś to reklamować.Przez niewłaściwe podłączenie naczynia wzbiorczego instalacja jest niebezpieczna i np dom z taką instalacją nie powinien zostać odebrany bo stwarza niebezpieczeństwo dla domownikówPosiadasz kilka obiegów hydraulicznych mase bajerów - a nie masz skutecznej podnoszenia temperatury powrotu co właśnie zgłaszasz. Za te wszystkie bajery, termostaty czyli za te same pieniądze miałbyś bezpieczny układ ze sterowaniem pogodowym przy minimalnej obsłudze - ale sterowanie to indywidualna kwestia.1. Przerób naczynie (podepnij jako pierwsze za wyjściem z kotła rurą 25 w środku - np. miedź 28) - to musisz poprawić.2. Daj znać czy oprócz za niskiej temp. powrotu coś nie działa i czy z czegoś jesteś niezadowolony, czy podłogówka już testowana itd.
sambor Opublikowano 21 Listopada 2017 #45 Opublikowano 21 Listopada 2017 W tym przypadku plusem jest, że instalacja jest w kotłowni i nie trzeba kuć, a większość elementów jest do ponownego wykorzystania. Jedynie potrzeba drugiego zaworu termostatycznego 3-D 20-40C , ale o większym rozmiarze - DN25.
zodi Opublikowano 21 Listopada 2017 Autor #46 Opublikowano 21 Listopada 2017 A jak mnie to denewuje! A teraz nawet nie wiem co z tym zrobić. On się zgodził na przerobienie tylko nie wiem w jaki sposób. Grzejniki i zawór 4d nie testowałem bo nie mam jeszcze zamontowanych grzejników. Podłoga działa tylko że przez ten zamaly zawór 3d przed rozdzielaczami mało grzeje. Cwu grzeje ok. Temperatura powrotu 30stopni przy zadanej na kotle 62.
zodi Opublikowano 21 Listopada 2017 Autor #48 Opublikowano 21 Listopada 2017 Ale czemu dn25? Ten co jest dn20 ma przepływ 2.5m3/h czyli 41 litrów na minutę. Jeśli mam 10obiegow po 3l na minutę to wychodzi 30l na minutę czyli 10l zapasu. Dobrze rozumiem?
zodi Opublikowano 21 Listopada 2017 Autor #49 Opublikowano 21 Listopada 2017 To jak to przerobić? Co byście zrobili z takim problemem u siebie?
sambor Opublikowano 21 Listopada 2017 #50 Opublikowano 21 Listopada 2017 Ale czemu dn25? Ten co jest dn20 ma przepływ 2.5m3/h czyli 41 litrów na minutę. Jeśli mam 10obiegow po 3l na minutę to wychodzi 30l na minutę czyli 10l zapasu. Dobrze rozumiem? Tego tak się nie liczy! Na zaworze masz spadek ciśnienia a Kvs podaje się dla spadku ciśnienia = 10m sł wody. Pompa ma podnoszenie 4-6m ,a jeszcze jest instalacja, która przy takim wydatku będzie głośna i powstaną dodatkowo drgania rur. Aby twoje wyliczenie było słuszne to pompa musiałaby być np 32/150 - widziałeś taką pompę? Ja tak, to koszt ok 4000zł - czyli tyle co cała kotłownia. Może coś znajdę w swoich archiwach, ale widzę , że z tobą będzie ciężko - targujesz się o każdy drobiazg jak by to było życie. Chłopie - chcesz rady to jej słuchaj a nie targuj się jak żyd o każdy element, gdyż nie masz racji! EDIT Mam taki schemat , poprawiony na kolanie, do większego rozdzielacza większy 3-D, do mniejszego ten co masz. Nie patrz na przekroje rur, ale do tak dużej podłogi potrzebna będzie pompa na powrocie z zaw 4-D. Schemat z pompą na powrocie ( kotłową) też dołączam.
Rekomendowane odpowiedzi
Zarchiwizowany
Ten temat przebywa obecnie w archiwum. Dodawanie nowych odpowiedzi zostało zablokowane.