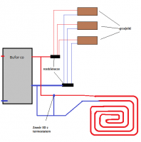
papasmurfek Opublikowano 22 Stycznia 2014 #1 Opublikowano 22 Stycznia 2014 Czy taki schemat jest poprawny?
papasmurfek Opublikowano 22 Stycznia 2014 Autor #3 Opublikowano 22 Stycznia 2014 A co jest nie tak jesli mozna wiedzieć? Dodam że to jest schemat bardzo uproszczony, nie uwzglednia pomp i zaworów.
sambor Opublikowano 22 Stycznia 2014 #4 Opublikowano 22 Stycznia 2014 Brak ochrony powrotu na kocioł, brak zabezpieczenia - ZB, brak Naczynia przeponowego lub naczynia otwartego ........ Narysuj porządnie, gdyż to w uproszczenie to kpina
papasmurfek Opublikowano 26 Stycznia 2014 Autor #5 Opublikowano 26 Stycznia 2014 Poprawiłem schemat. Czy ochrona poworu do kotła jest konieczna? Czy pompa na zasilaniu cwu nie biedzie zakłócać obiegu? brak zabezpieczenia - ZB nie rozumiem co to jest ZB?
observer Opublikowano 26 Stycznia 2014 #7 Opublikowano 26 Stycznia 2014 W tej wersji masz priorytet na CWU, jeśli pompa od CWU będzie dość mocna to większość wody popłynie tym obiegiem, do bufora trafi mała część, albo nic. Może tak być, po to jest bufor, żeby CO grzało bez zmian, a ciepłą wodę masz szybko uzupełnioną. Nadal brak zaworu bezpieczeństwa. Jaki jest sens robić instalację zamkniętą skoro masz bufor do separacji obiegów (no chyba że to zwykły zbiornik na wodę bez wężownicy i separacji żadnej nie ma)? Wężownica schładzająca to jeden z mitów bezpiecznej instalacji, przy większej awarii brak prądu = brak wody, jeśli stanie się to w nocy, lub gdy nikogo nie będzie to może być problem. Prawa strona może zostać pod warunkiem, że grzejniki dobierałeś jako niskotemperaturowe np 40/30/20, jeśli nie to potrzebna jest dodatkowa pompa i rozdzielacz przed zaworem 3d
papasmurfek Opublikowano 27 Stycznia 2014 Autor #8 Opublikowano 27 Stycznia 2014 Koledzy powiedzcie mi jakiego programu mogę użyć do narysowania jak sie należy schematu co, bo paint do najwygodniejszych nie nalezy.
sambor Opublikowano 27 Stycznia 2014 #9 Opublikowano 27 Stycznia 2014 Ja na co dzień używam AutoCAD LT 2011, ale do małych prac może być Paint
observer Opublikowano 27 Stycznia 2014 #10 Opublikowano 27 Stycznia 2014 http://www.dobreprogramy.pl/Solid-Edge,Program,Windows,12097.html całkowicie darmowy, choć troszkę prostszy od cada LT, radzę zerknąć w komentarze i pobierać bezpośrednio ze strony Siemensa, wymaga pobrania pliku licencji. Aktualna wersja do działania wymaga Win 7 lub 8, na XP i Vista już nie ruszy. Możesz ewentualnie poszukać starszej wersji ST5, ta działa jeszcze na Viście, pliki licencji są kompatybilne.
Marek Opublikowano 27 Stycznia 2014 #11 Opublikowano 27 Stycznia 2014 Koledzy powiedzcie mi jakiego programu mogę użyć do narysowania jak sie należy schematu co, Czy kartka i ołówek (moga byc kolorowe kredki ) to taki archaizm aby namalowac 1 schemat ? zanim znajdziesz odpowieni program i nauczysz sie jak to robi to cały zeszyt zmalujesz zaden program nie wyreczy programisty jak on nie umie robic tego co zmierza zanim zajmiesz sie projektowaniem poczytaj na forum kilka dni tygodni ( zalezy od zdolnosci ) to zrozumiesz jakie podsawoe elementy musi zawierac inst. grzewcza bo po kilku uwagach nadal nie wiesz czego brakuje na Twoim schemacie
papasmurfek Opublikowano 27 Stycznia 2014 Autor #12 Opublikowano 27 Stycznia 2014 Czy kartka i ołówek (moga byc kolorowe kredki ) to taki archaizm aby namalowac 1 schemat ? zanim znajdziesz odpowieni program i nauczysz sie jak to robi to cały zeszyt zmalujesz zaden program nie wyreczy programisty jak on nie umie robic tego co zmierza Celna uwaga! zanim zajmiesz sie projektowaniem poczytaj na forum kilka dni tygodni ( zalezy od zdolnosci ) to zrozumiesz jakie podsawoe elementy musi zawierac inst. grzewcza bo po kilku uwagach nadal nie wiesz czego brakuje na Twoim schemacie Na forum siedzę już od miesiąca i nie tylko tym forum. Nie piszę tylko czytam i sie uczę. O podstawowych elemetach wiem już wystarczajaco dużo. Dla mnie to oczywiste. Wiem, że koledzy odpisujący w temacie traktują każdego jak "laika" (a może powiem dosadnie idiotę) który nie ma za wiele pojęcia. Zakładając tem post chciałem dowiedzieć się konkretów. Wiem, że muszę narysować schemat zgodnie ze sztuką i to zrobię, ale brak czasu mi nie pozwala usiąść i przyłożyć się do tego. Takich rad potrzebowałem: W tej wersji masz priorytet na CWU, jeśli pompa od CWU będzie dość mocna to większość wody popłynie tym obiegiem, do bufora trafi mała część, albo nic. Może tak być, po to jest bufor, żeby CO grzało bez zmian, a ciepłą wodę masz szybko uzupełnioną. Nadal brak zaworu bezpieczeństwa. Jaki jest sens robić instalację zamkniętą skoro masz bufor do separacji obiegów (no chyba że to zwykły zbiornik na wodę bez wężownicy i separacji żadnej nie ma)? Wężownica schładzająca to jeden z mitów bezpiecznej instalacji, przy większej awarii brak prądu = brak wody, jeśli stanie się to w nocy, lub gdy nikogo nie będzie to może być problem. Prawa strona może zostać pod warunkiem, że grzejniki dobierałeś jako niskotemperaturowe np 40/30/20, jeśli nie to potrzebna jest dodatkowa pompa i rozdzielacz przed zaworem 3d A czy wyłączając pompę ładującą cwu nie odetniemy tego obiegu? Gdzie w takim razie zasilić zasobnik cwu? Instalacje zamkniętą rozważam z powodu umiejscowienia kotłowni w przybudówce budynku i braku możliwości zamontowania naczynia wzbiorczego powyżej zasilania grzejników. Z tego co przeczytałem to do naczynia powinnna iść prosto rura o możliwie największym przekroju. Kotłownia jest trochę poniżej gruntu a do ogrzania mam jeszcze pietro. A czy można zasilić grzejniki bezpośrednio z bufora plus zawory termostatyczne, a podłogówkę wpiąć za mieszaczem z zaworem 3d?
kiminero Opublikowano 27 Stycznia 2014 #13 Opublikowano 27 Stycznia 2014 Jeśli chcesz konkretnych rad, to daj konkretny materiał do ich udzielania. Nic nie wiemy o twoim układzie poza tym, że jest kocioł, bufor, boiler grzejniki i podłoga. To za mało. 1. Jaki to kocioł: moc, rodzaj, paliwo itd. 2. Jaki planujesz bufor: rodzaj, pojemność, metodyka ładowania/rozładowania itd. 3. Jaki boiler; rodzaj, pojemność, zapotrzebowanie na CWU itd. 4. Grzejniki: rodzaj, moc ogółem, planowane temperatury robocze itd. 5. Podłoga: jaka powierzchnia, planowane temperatury robocze. 6. Stosunek grzejniki/podłoga. 7. Jak masz zamiar tym sterować lub jak chciałbyś, aby to sterowanie wyglądało? 8. Boisz się pomp, czy wolisz "rodzić" układ siłami natury? 9. Kto ci to złoży? Po tych odpowiedziach można jedno doradzić, drugie wybić z głowy. P.S. 10. Co ogrzewasz?
observer Opublikowano 27 Stycznia 2014 #14 Opublikowano 27 Stycznia 2014 Celna uwaga! Na forum siedzę już od miesiąca i nie tylko tym forum. Nie piszę tylko czytam i sie uczę. O podstawowych elemetach wiem już wystarczajaco dużo. Dla mnie to oczywiste. Wiem, że koledzy odpisujący w temacie traktują każdego jak "laika" (a może powiem dosadnie idiotę) który nie ma za wiele pojęcia. Zakładając tem post chciałem dowiedzieć się konkretów. Wiem, że muszę narysować schemat zgodnie ze sztuką i to zrobię, ale brak czasu mi nie pozwala usiąść i przyłożyć się do tego. Takich rad potrzebowałem: A czy wyłączając pompę ładującą cwu nie odetniemy tego obiegu? Gdzie w takim razie zasilić zasobnik cwu? Instalacje zamkniętą rozważam z powodu umiejscowienia kotłowni w przybudówce budynku i braku możliwości zamontowania naczynia wzbiorczego powyżej zasilania grzejników. Z tego co przeczytałem to do naczynia powinnna iść prosto rura o możliwie największym przekroju. Kotłownia jest trochę poniżej gruntu a do ogrzania mam jeszcze pietro. A czy można zasilić grzejniki bezpośrednio z bufora plus zawory termostatyczne, a podłogówkę wpiąć za mieszaczem z zaworem 3d? Napisałem priorytet, bo taka sytuacja będzie tylko w momencie grzania CWU, potem pompa CWU się wyłancza i 100% wody idzie przez bufor. Nadal nie napisałeś co to za bufor. Ma wężownicę czy nie? Jak ma, to ilość pięter nie jest istotna, wystarczy że naczynie będzie powyżej kotła, jak nie ma, to wymień na taki co ma i zrób separacje obwodów. Jak się upierasz, że koniecznie instalacja zamknięta to musisz znaleźć instalatora który to zrobi i się pod tym podpisze. Odp na ostatnie - można, jak ich jest mało to nie ma co kombinować z rozdzielaczem, wystarczy obieg dwu rurowy.
papasmurfek Opublikowano 28 Stycznia 2014 Autor #15 Opublikowano 28 Stycznia 2014 Bufor miałby być robiony na zamówienie. Odnośnie wężownicy - po której stronie miała by być? Od strony kotła do grzania wody czy od strony instalacji do odbioru ciepła z bufora?
observer Opublikowano 28 Stycznia 2014 #16 Opublikowano 28 Stycznia 2014 Od strony instalacji, potrzebujesz zrobić trochę obliczeń żeby dobrać wężownicę. Nie lepiej będzie jak ktoś zrobi Ci kompleksowy projekt tych zmian? Przyjedzie, pomierzy, policzy, narysuje i możesz brać się za robotę. Jeśli chcesz sam się za to brać za jakiś czas, to polecał bym oprócz info z netu jakąś książkę, może być ta: http://witmir.pl/ksiegarnia/ogrzewnictwo-praktyczne-wyd-ii/77078/
papasmurfek Opublikowano 28 Stycznia 2014 Autor #17 Opublikowano 28 Stycznia 2014 Wikszość rzeczy chcę robić samemu z racji redukcji kosztów oraz dlatego, że nie mam zaufania do wszelkiej maści "fachowcuf" którzy potrafią brać kasę. Sam pacuję jako elektryk, monter instalacji teletechnicznych. Przeprowadziłem już kilka rozmów z rzekomymi "specjalistami" w dziedzinie hydrauliki i żaden z nich nie miał pojęcia o buforach i tego typu instalacjach.
Rekomendowane odpowiedzi
Zarchiwizowany
Ten temat przebywa obecnie w archiwum. Dodawanie nowych odpowiedzi zostało zablokowane.