ryszardl Opublikowano 7 Września 2013 Autor #26 Opublikowano 7 Września 2013 Też zawór termostatyczny ma za zadanie pilnować temp na wyjściu z bojlera. Ale, żeby nie było - sprawdzałem też bez tegoż zaworu i problem występuje. Więc to nie on jest przyczyną
automatyk Opublikowano 7 Września 2013 #27 Opublikowano 7 Września 2013 daj dokładne fotki twojej instalacji tak aby wszystko wyło widać jedno od strony kotła drugie na wymiennik ze wszytkimi rurkami i trzecie na zasobnik tak zebym widział twoja kotłownie w całej okazałości (od strony instalacji)
ryszardl Opublikowano 7 Września 2013 Autor #28 Opublikowano 7 Września 2013 Problem rozwiązany. Wstawiłem prowizorycznie na powrocie z wymiennika do kotła zawór kulowy, lekko zdławiając przepływ przez wymiennik i teraz wszystko gra :-) Dzięki serdeczne wszystkim za pomoc :-$ Pozdr, Rysiek
kiminero Opublikowano 7 Września 2013 #29 Opublikowano 7 Września 2013 Sprawdź wypoziomowanie boilera. Spróbuj też zamknąć oba zawory boilera, odkręć śrubunek zasilania i otwórz zawór powrotny. Jeśli jest powietrze w wężownicy to powinno zostać wypchnięte. Upuść trochę w ten sposób wody i dokręć śrubunek (przy otwartym powrocie). Byćmoże to jednak zapowietrzenie boilera, bo ten odpowietrznik powinien być bezpośrenio na wężownicy. P.S. I po problemie. Dziwny problem i wydaje się nieprawdopodobna przyczyna.
ryszardl Opublikowano 7 Września 2013 Autor #30 Opublikowano 7 Września 2013 Bojler jest w poziomie. Odpowietrzałem dziś dwa razy (i przez odpowietrznik, i przez śrubunek) przy okazji montażu tego zaworu. Jak już kupię zawór dedykowany, to przełożę ten nieszczęsny odpowietrznik między zawór a wlot wężownicy, tak aby zamknięcie zaworu nie powodowało odcięcia odpowietrznika PS. A problem faktycznie dziwny. Ciągle zachodzę w głowę jak to było możliwe....
Gość Digitrax Opublikowano 8 Września 2013 #31 Opublikowano 8 Września 2013 Jak zainstalujesz zawór dławiący na powrocie za wymiennikiem to zmieniając przez niego przepływ będziesz regulować temperaturę wody po stronie wtórnej, która idzie na grzejniki. Ja to bym zainstalował tutaj zawór termostatyczny z kapilarą HERTZ i ustawił 55 stopni. Większa temperatura na grzejniki zbędna.
ryszardl Opublikowano 8 Września 2013 Autor #32 Opublikowano 8 Września 2013 Nie wiem czy mówimy o tym samym - jakoś nie umiem wyobrazić sobie w którym miejscu miałby być ten zawór termostatyczny z kapilarą :( no i gdzie miałaby być wpięta ta kapilara.... U mnie było tak: zrobiłem tak: i, odpukać, działa. Na grzejniki u mnie idzie 60C, powrót z grzejników 45C i tak jest ok Po stronie kotłowej wymiennika temp odpowiednio: 70C zasilanie, 55C powrót Nie wiem czy jest sens cokolwiek zmieniać... Jeśli tak - wytłumacz, proszę
automatyk Opublikowano 8 Września 2013 #33 Opublikowano 8 Września 2013 teraz masz dobrze nic nie musisz robić ,a jakbyś chciał mieć super to wstawiłbym pompę do zasobnika i wysterować tak aby tylko doładowywała zasobnik w razie potrzeby a tak pozatym cała moc by szłą na wymiennik i grzejniki ale to już twoja sprawa czy tak chesz mieć
ryszardl Opublikowano 8 Września 2013 Autor #34 Opublikowano 8 Września 2013 Dla mnie taka pompa ładująca bojler jest niepotrzebna. Ta, która jest daję radę, a po naładowaniu bojlera i tak cała moc idzie na wymiennik. Jeżeli już miałbym "udziwniać" to chciałbym jakiś elektrozawór na zasilaniu bojlera, sterowany tak by zamykał przepływ przez wężownicę, gdy temp na piecu będzie niższa niż w bojlerze. Coby go nie wychładzać...
Gość Digitrax Opublikowano 8 Września 2013 #35 Opublikowano 8 Września 2013 To pompę podłącz przez zwykły termostat przylgowy za 50 zł, który wyłączy pompę gdy temp kotła spadnie np poniżej 50 stopni. Zamiast kulowego zainstaluj ten regulacyjny. Zawory kulowe służą do całkowitego zamykania przepływu. Regulacyjnym będziesz mógł sobie dławic przepływ dowolnie.
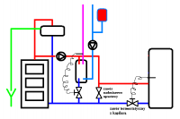
ryszardl Opublikowano 10 Września 2013 Autor #36 Opublikowano 10 Września 2013 Zamiast kulowego zainstaluj ten regulacyjny Tak, wiem. Pisałem przecież, że : ...Wstawiłem prowizorycznie... tak, więc.... ;) Zastanawia mnie jednak to : ...Ja to bym zainstalował tutaj zawór termostatyczny z kapilarą HERZ.... Tutaj, czyli w tym, zaznaczonym na niebiesko, miejscu?? : A kapilarę podłączam do rury zasilającej po stronie instalacji??
Gość Digitrax Opublikowano 10 Września 2013 #37 Opublikowano 10 Września 2013 Zawór z kapilara instalujesz tam gdzie obecnie zainstalowałes kulowy a koncówkę kapilary przyczepiasz do rury za wymiennikeim po stronie wtórnej czyli na tej gdzie masz odpowietrznik. W ten sposób gdy strona wtórna wymiennika będzie mieć np 55 stopni to zawór zdławi obieg po stronie pierwotnej a wtedy więcej wody z kotła połynie do wężownicy zbiornika CWU. Jednocześnie zawór nie dopuści do tego by w kierunku instalacji CO nie było wiekszej temperatury niz 55 stopni co uważam za wystarczające. Bynajmniej u mnie to działa bo nawet gdy na zewnatrz jest -20 to na CO idzie u mnie nie więcej niż 45-50 st. Tak jak na rysunku w tym temacie https://forum.info-ogrzewanie.pl/topic/14902-uklad-zamkniety-uklad-otwarty/#entry148973
ryszardl Opublikowano 10 Września 2013 Autor #38 Opublikowano 10 Września 2013 Tak, to jest myśl. Mogłoby to działać szczególnie w warunkach przejściowych - wtedy zbędne mogłyby być głowice termostatyczne na grzejnikach. Co jednak w sytacji (być może hipotetycznej), gdy ten zawór się zamknie i także będzie odcięty przepływ przez bojler?? Powinien chyba być jakiś by-pass... Możesz podać jakieś rozwiązanie tego szczególnego przypadku?
automatyk Opublikowano 10 Września 2013 #39 Opublikowano 10 Września 2013 Dla mnie taka pompa ładująca bojler jest niepotrzebna. Ta, która jest daję radę, a po naładowaniu bojlera i tak cała moc idzie na wymiennik. Jeżeli już miałbym "udziwniać" to chciałbym jakiś elektrozawór na zasilaniu bojlera, sterowany tak by zamykał przepływ przez wężownicę, gdy temp na piecu będzie niższa niż w bojlerze. Coby go nie wychładzać... chłopie załóż pompe do tego sterownik z opcją ładowania zasobnika i masz po problemie ,ładuje na zawołanie ,jak temperatura się nie zgadza to nie ładuje ,automatycznie podnosi temperaturę kotła jak potrzeba i w ogóle
ryszardl Opublikowano 10 Września 2013 Autor #40 Opublikowano 10 Września 2013 @ automatyk Kolejna pompa, kolejny ster, znów prąd....po co to mnożyć, gdy w zupełności wystarczy jedna? (no, u mnie akurat dwie ;-))
automatyk Opublikowano 10 Września 2013 #41 Opublikowano 10 Września 2013 tylko ze ona pracuje na zadanie wyłączając w tym czasie wymiennik ale zrób jak uważasz tylko proponuje naprawdę solidne rozwiązanie jak zamontujesz to się przekonasz jak super takie rozwiązanie działa
Gość Digitrax Opublikowano 10 Września 2013 #42 Opublikowano 10 Września 2013 Powinien chyba być jakiś by-pass... Możesz podać jakieś rozwiązanie tego szczególnego przypadku? I jest by-pass z zaworem nadmiarowo upustowym na wypadek zamknięcia obu zaworów. Termostaty na grzejnikach zostaw. One mają regulować temperaturą pomieszczeń. Zawór przy wymienniku ma regulować wstępnie temperaturę obiegu CO. Dzięki temu kocioł pracuje w optymalnych warunkach z gorącym powrotem a na CO jest umiarkowana temp.
ryszardl Opublikowano 11 Września 2013 Autor #43 Opublikowano 11 Września 2013 Możesz podać jakiś przykład tego zaworu nadmiarowo - upustowego?
sambor Opublikowano 11 Września 2013 #44 Opublikowano 11 Września 2013 Ale brniecie w kłopoty. Zamiast wykonać układ klasyczny z wymiennikiem i wydzieloną pompą na CWU to autor za waszymi radami brnie w coś co może będzie działać ale wcale nie musi. Wywalić te zawory termostatyczne z kapilarami, wstawić za wymiennikiem na rurę termostat przylgowy sterujący pracą pomp na wymienniku połączony w szereg z termostatem pokojowym i mamy załatwioną pracę wymiennika. Co do grzania CWU to klasyczna pompa z czujnikiem w zbiorniku CWU. Zaletami mojej propozycji są - niezawodność , mniejsze zużycie energii el oraz nie zależność pozysku CWU od pracy wymiennika. Wadą że trzeba to rozebrać i wykonać od A-Z od nowa. Może się na tym nie znam ale na mój rozum to tędy droga. Możesz podać jakiś przykład tego zaworu nadmiarowo - upustowego? Proszę bardzo http://allegro.pl/heimeier-zawor-nadmiarowo-upustowy-hydrolux-3-4-i3511165919.html Dużo droższy niż pompa a czy wiesz jak go ustawić? Pozdr.
ryszardl Opublikowano 11 Września 2013 Autor #45 Opublikowano 11 Września 2013 Problemem, dla którego "autor" założył ten temat była mała ilość ciepłej wody z bojlera - został rozwiązany. Reszta dyskusji to czysto teoretyczne rozważania co by było, gdyby... Jednak...jeżeli wynikłoby z tego jakieś fajne, działające, automatyczne sterowanie, w miarę niezależne od prądu to jestem jak najbardziej za :-) @sambor Podany przez Ciebie link jest jednym z droższych ;-), ale ok - przynajmniej wiem za czym się, w razie czego, rozglądać :-) Jak ustawić taki zawór? Mam nadzieję, że...pomożecie? ;-) Tak wg mnie to wartość nastawy powinna być między 200 a 400 mbar
ryszardl Opublikowano 11 Września 2013 Autor #46 Opublikowano 11 Września 2013 W którymś z poprzednich wątków wyczytałem propozycję kol AdamGuitar, by zamiast zaworu N-U zastosować zwykły grzejnikowy zawór termostatyczny bez glowicy, z nastawą wstępną ust na 2 do 3
ryszardl Opublikowano 22 Września 2013 Autor #48 Opublikowano 22 Września 2013 Niestety nie - ciągły brak czasu dręczy mnie ...
Rekomendowane odpowiedzi
Zarchiwizowany
Ten temat przebywa obecnie w archiwum. Dodawanie nowych odpowiedzi zostało zablokowane.