IGNOROWANY
Prośba O Sprawdzenie Schematu
- Odpowiedz w tym temacie
- Ignoruj ten temat
- Czy wyłączyć ignorowanie tego tematu?
- Dodaj nowy temat
-
Ostatnio przeglądający 0 użytkowników
- Brak zarejestrowanych użytkowników przeglądających tę stronę.
-
Podobna zawartość
-
- 7 odpowiedzi
- 1030 wyświetleń
-
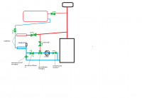
Opinie schematu instalacji grzewczej Popa ciepła + gaz sekwencyjnie, sprawdzenie projektu
Przez xpx,
- 1 odpowiedź
- 408 wyświetleń
-
- 0 odpowiedzi
- 40 wyświetleń
-
Schemat instalacji c.o i c.w.u 1 2
Przez Goori25,
- 40 odpowiedzi
- 1798 wyświetleń
-
Ustawienie parametrów pracy kotła pelletowego Prośba o pomoc w ustawieniach ferroli 12KW pro
Przez rezacz1976,
- 13 odpowiedzi
- 733 wyświetleń
-

Rekomendowane odpowiedzi
Dołącz do dyskusji
Możesz dodać zawartość już teraz a zarejestrować się później. Jeśli posiadasz już konto, zaloguj się aby dodać zawartość za jego pomocą.
Uwaga: Twój wpis zanim będzie widoczny, będzie wymagał zatwierdzenia moderatora.