Skocz do zawartości

Paweł26

Stały forumowicz
  • Postów

    378
  • Dołączył

  • Ostatnia wizyta

  • Wygrane w rankingu

    1

Ostatnia wygrana Paweł26 w dniu 21 Grudnia 2011

Użytkownicy przyznają Paweł26 punkty reputacji!

O sobie

  • Płeć
    Mężczyzna

Ostatnie wizyty

Blok z ostatnimi odwiedzającymi dany profil jest wyłączony i nie jest wyświetlany użytkownikom.

Osiągnięcia Paweł26

Wschodząca gwiazda

Wschodząca gwiazda (9/14)

  • Oddany Unikat
  • Pierwszy post
  • Współtwórca
  • Tydzień pierwszy zaliczony
  • Miesiąc później

Najnowsze odznaki

3

Reputacja

  1. Robi się inaczej,jednak ja mierzyłem na naczyniu i piecu .Wyższy wskaźnik również na powietrznej stronie będzie w miarę poprawnie odczutany.
  2. Dzięki .Zazwyczaj jest tak ,że kierunek napisów jest kierunkiem przepływu.
  3. Zakupiłem do instalacji zawór odcinający 2 drogowy z siłownikiem Afriso BEV 213,w instrukcji jednak nie ma żadnego info która strona to podejście,a która odejście.Czy strona z oznaczeniem DVGW to odejście od zaworu?
  4. Ustawiłem po stronie powietrznej w naczyniu 1.Dopuściłem wody do instalacji mierząc na naczyniu po stronie powietrznej do 1.2,na piecu jest wtedy 1.Wraz ze wzrostem ciśnienia w układzie różnica niweluje się do 0.1 błędu (mniej na piecu).
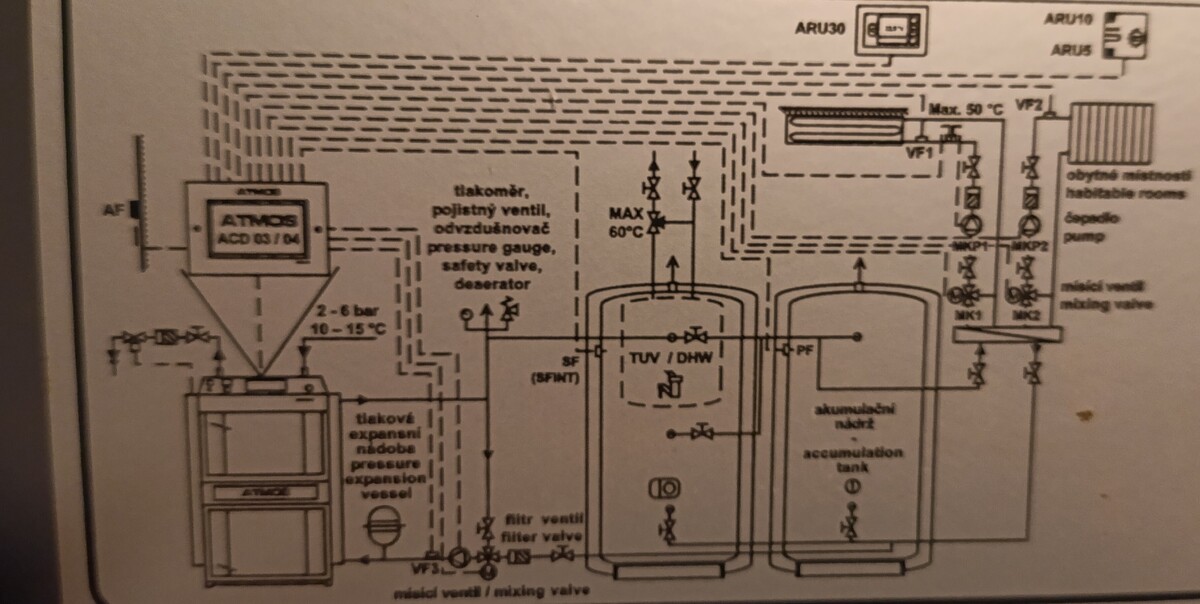
  5. To jest dokładnie ten schemat. To jest dokładnie ten schemat.
  6. Pomiar w naczyniu znajduje się na wysokości 70 cm i wskazuje 1 bar.poiar przy piecu na wysokości 129 cm i wskazuje 0.75 Schemat zrobię jutro.
  7. Dość dziwna sytuacja,w naczyniu 1.05 i w instalacji nie da się nabić 1.2. Natomiast jak w naczyniu jest 1.2 a w instalacji początkowe 0.8 to wszystko działa. Zauważyłem że ciśnienie przelewu do naczynia z instalacji przy 0.8 = 1 .05 na naczyniu.
  8. To jest układ zamknięty,a z tego co się zdążyłem zorientować jest zbyt małe ciśnienie wstępne.Gdy na naczyniu było 1.3 a piecu 1 wszystko było ok . Tu jest problem ze zbyt małym ciśnieniem w instalacji
  9. Aż tyle ma się odpowietrzac? Ciśnienie 1.25-1.3 ma być w instalacji przy zakręconym zaworze na naczynie( po napełnieniu go odkręcić),czy przy otwartym naczyniu dopuścić wody do 1.3 w naczy na poduszce?
  10. Witam . Posiadam instalacje grzewcza w układzie zamkniętym przy kotle zgazowującym drewno.Wysokosc słupa wody to około 7m,w naczyniu ustawiłem ciśnienie wstępne na 1.05 bara.Dopiscilem.wody w instalacji na 1 bar,w tym momencie w naczyniu jest około 1.25 bara.Mam problem w prawidłowym grzaniem w domu na obiegu grzejnikiem,w pompce zasilającej ciągle pojawia się powietrze.
  11. Żywotność możliwe że ma większą ma,na pewno jest bardziej podatny na zanieczyszczenia w instalscji ( może się nie domykać np).Przydał by się w takiej instalacji filtr magnetyczny.
  12. Jak masz rozwiązane sterowanie,dodatkowy przekaźnik,czy że sterownika np piec?
  13. Czytałem na forum supli,że nie ma z tym problemu. Nie zacina się zawór elektromagnetyczny,przychylne opinie ma bardziej ten z siłownikiem?
  14. Dzień dobry. Jakiego rodzaju rury zastosować do połączenia bufor piec 1 1/4 calą,miedź lutowaną,stał skręcana,czy nierdzewna prasowana?.Dodam że część instalacji będzie szła w podłodze Lodomat wysysa mi powrotem wodę w obiegu c.w.u,zawór zwrotny sprężynowy jest zbyt słaby by zamknąć obieg.Zawor kulowy z siłownikiem np Afriso BEV 213( 9021300), jakieś sugestie?. Odczyt temperatury z buforów,myślałem o takim rozwiązaniu https://allegro.pl/oferta/sonoff-czujnik-temperatury-termostat-inteligentny-wifi-4x1-4x2-supla-15091989690 Zawór odcinający w pozycji zamkniętej.
  15. W instalacji przed zbiornikiem jest reduktor ciśnienia?
×
×
  • Dodaj nową pozycję...

Powiadomienie o plikach cookie

Używając tej strony zgadzasz się na Polityka prywatności.