IGNOROWANY
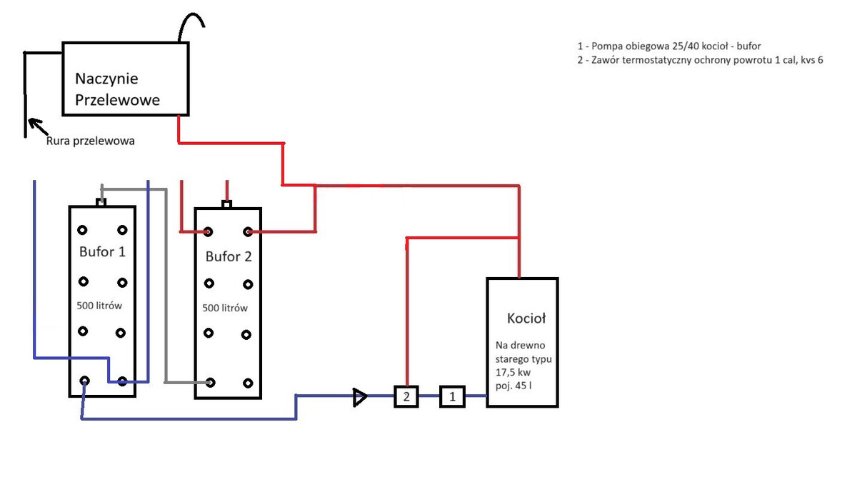
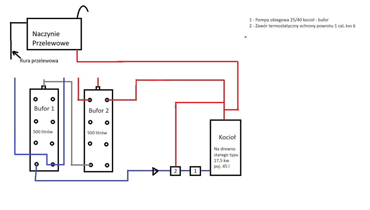
Podłączenie naczynia przelewowego w układzie otwartym - sposob podłączenia
- Odpowiedz w tym temacie
- Ignoruj ten temat
- Czy wyłączyć ignorowanie tego tematu?
- Dodaj nowy temat
-
Ostatnio przeglądający 0 użytkowników
- Brak zarejestrowanych użytkowników przeglądających tę stronę.
-
Podobna zawartość
-
- 7 odpowiedzi
- 553 wyświetleń
-
- 0 odpowiedzi
- 201 wyświetleń
-
- 1 odpowiedź
- 338 wyświetleń
-
Modernizacja kotłowni, wymiana pieca + bufor + cwu - podłączenie grawitacyjne otwarte.
Przez webspy,
- 9 odpowiedzi
- 1174 wyświetleń
-
Błąd otwartej klapy
Przez Artur1992,
- 1 odpowiedź
- 370 wyświetleń
-

Rekomendowane odpowiedzi
Dołącz do dyskusji
Możesz dodać zawartość już teraz a zarejestrować się później. Jeśli posiadasz już konto, zaloguj się aby dodać zawartość za jego pomocą.
Uwaga: Twój wpis zanim będzie widoczny, będzie wymagał zatwierdzenia moderatora.