conneus Opublikowano 4 Grudnia 2019 #1 Opublikowano 4 Grudnia 2019 Witam, rozmyślając na temat wymienników płytowych C.O. zadałem sobie pytanie, czy nie lepiej dopłacić do większego bojlera z 2 wężownicami... Tylko, czy bojlera 2 wężownicowy będzie działać jako "wymiennik"? Pozwolę sobie umieścić o co mi chodzi dokładnie. Domyślam się, że wydajność nie będzie piorunująca, ale moc piecokuchni u mnie wynosi 8-10KW (no to realnie z 4-5). Nawet przy 80-90 stopniach na piecu ,jakby 2 wężownica potrafiła oddać 55-60 stopni na grzejniki by było idealnie. Tak z zalet jakby powiedzieć no to w sumie mniejsze zarastanie kamieniem, dodatkowo woda w razie czego w bojlerze działa jako "bufor", który stabilizuje trochę piec, w razie jakiejś super awarii zawsze można odkręcić kran by wyziębić bojler i również piec. Oczywiście na rysunku nie ma pomp itp bo mi się nie chciało rysować tego. Btw. nie zwracajcie uwagi na te rury przy naczyniu, zapomniało mi się zmazać 1 rury.
shogunzlasa Opublikowano 6 Grudnia 2019 #2 Opublikowano 6 Grudnia 2019 Ale po co Ci wymiennik? to jest zasilanie podstawowe grzejników? Dodatkowe?
Kazio321 Opublikowano 6 Grudnia 2019 #3 Opublikowano 6 Grudnia 2019 Kolega wyżej ma rację. Po co? No chyba że chce żeby kocioł był w systemie otwartym. A dalszą instalacja w zamkniętym.
conneus Opublikowano 6 Grudnia 2019 Autor #4 Opublikowano 6 Grudnia 2019 Dokładnie, rozmyślałem nad czymś takim by uchronić pex. Ale jednak lepiej zostać przy zaworze mieszającym i instalacji otwartej.
mironw Opublikowano 6 Grudnia 2019 #5 Opublikowano 6 Grudnia 2019 Witam a jak masz rozbudowaną instalacje grzejnikową ? Bo czy nie za zimna będzie temperatura na zasilaniu CO ,do podłogówki to by wydoliło na pewno . Ajaki przewidujesz bojler czy wężownice wydolą .
conneus Opublikowano 7 Grudnia 2019 Autor #6 Opublikowano 7 Grudnia 2019 W umie prócz rur do grzejników (pex) to jeszcze nic nie kupione. Połączenie trójnikowe bez rozdzielaczy. W sumie zapotrzebowanie przy -20 wynosi u mnie 3-4KW z tego co obliczałem na stronie. Rury pex już poprowadzone. Co do bojlera są 2 osoby dorosłe, to trzeba liczyć maksymalnie to 40l na os. ciepłej wody. Załóżmy, że normalny bojler by był 80l, to tu bym dał z 250-300.
sambor Opublikowano 7 Grudnia 2019 #7 Opublikowano 7 Grudnia 2019 W dniu 4.12.2019 o 13:12, conneus napisał: Tak z zalet jakby powiedzieć no to w sumie mniejsze zarastanie kamieniem, To na pewno jest odwrotnie i bojler szybciej zarośnie kamieniem a na dodatek jest droższy niż wymiennik płytowy.
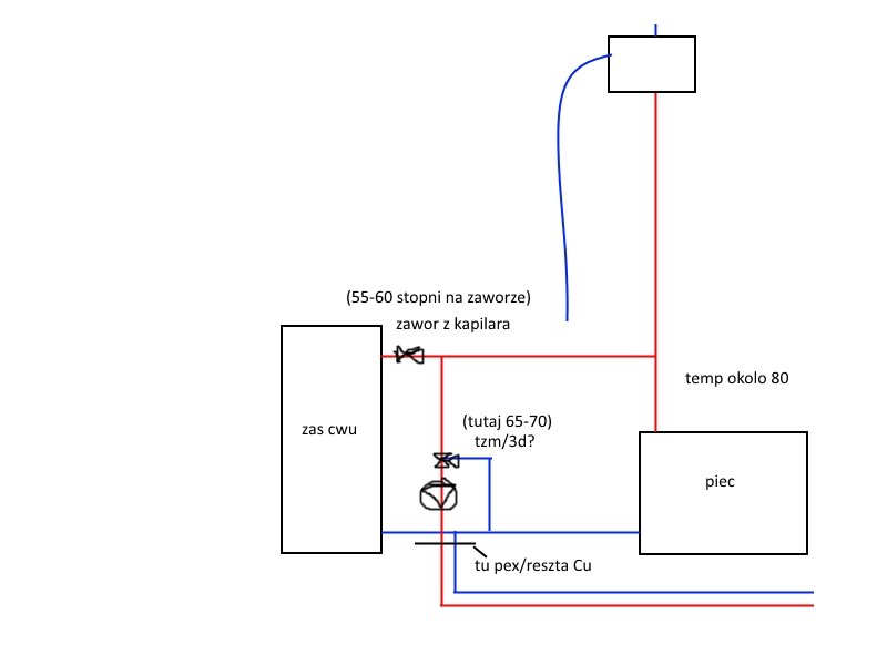
conneus Opublikowano 7 Grudnia 2019 Autor #8 Opublikowano 7 Grudnia 2019 Czyli lepiej nie kombinować zostać przy zasobniku CWU + jakimś zworze mieszającym termostatycznym czy tam zaworze 3d na grzejnikach? W sumie to mi bardziej chodzi by temp zasilania grzejników nie przekroczyła 60-70, nawet jeśli na piecu by było 80. cos jak na tym zdj.
gmaj22 Opublikowano 7 Grudnia 2019 #9 Opublikowano 7 Grudnia 2019 Nie podłączysz prawidłowo w ten sposób TZM-a.
conneus Opublikowano 7 Grudnia 2019 Autor #10 Opublikowano 7 Grudnia 2019 Hmm, a jeszcze mam 1 wariant. Mianowicie jakby zainstalować zbiornik kombinowany (220 dla co/80 dla cwu) i podłączyć wyjście do grzejników w połowie takiego zbiornika ( gdzie woda nie jest gorąca ani zimna...
Rekomendowane odpowiedzi
Zarchiwizowany
Ten temat przebywa obecnie w archiwum. Dodawanie nowych odpowiedzi zostało zablokowane.