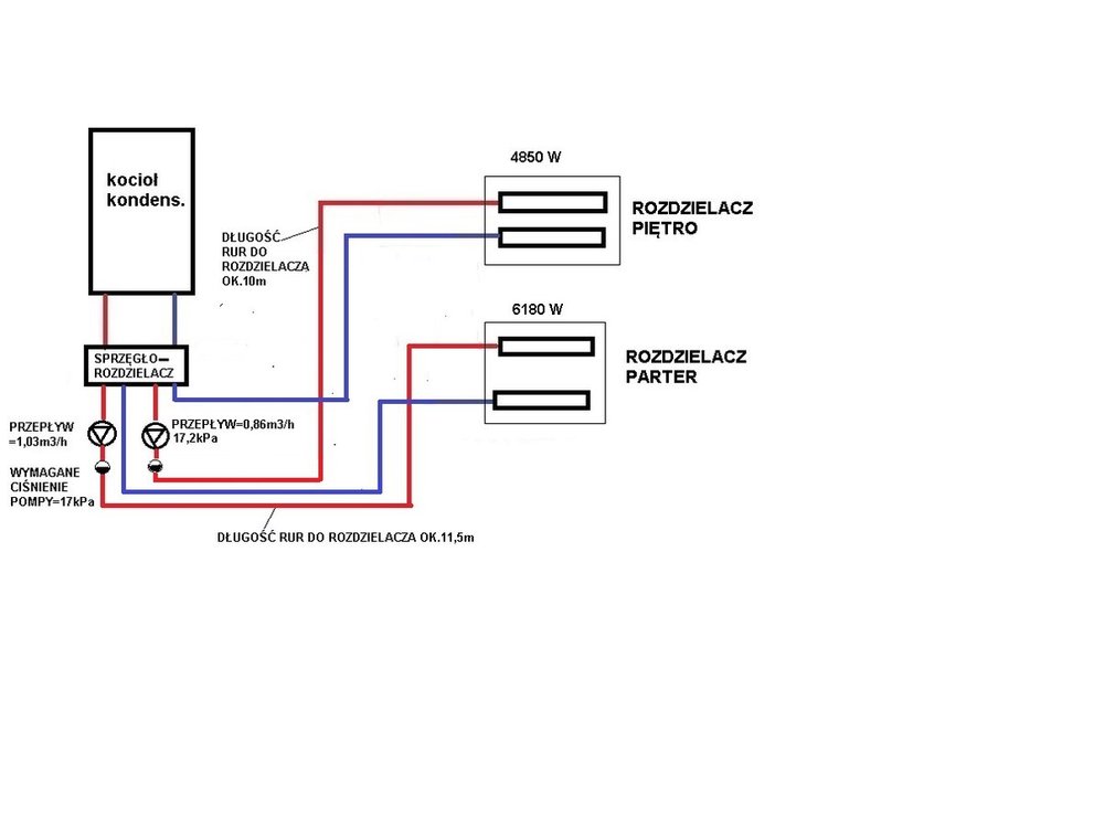
Rekuperator Opublikowano 9 Listopada 2019 #1 Opublikowano 9 Listopada 2019 Witam Forumowiczów Zamierzam wykonać instalację jak w tytule Niewiadome: 1)Czy pociągnie to jedna pompa np.25/60 Czy jednak zrobić to na dwóch pompach? 2)Czy wystarczająca jest średnica rur pex fi.32 z uwzględnieniem przewężeń na kształtkach od sprzęgła do rozdzielaczy. 3)Średnica rur miedzianych w obiegu sprzęgło-kocioł fi.22 czy fi.28 4)Czy belki rozdzielaczy na profilu mosiężnym 1" przy 13tu i 14tu obiegach nie będą stwarzały problemu dla pompy? 5)Czy w tego typu instalacji wystarczy filtr tylko przed kotłem czy też powinien być przed pompą za sprzęgłem. W załącznikach są podane dane dotyczące instalacji.Będę wdzięczny za każdą uwagę.
ameno25 Opublikowano 9 Listopada 2019 #2 Opublikowano 9 Listopada 2019 Mam OP na dwóch poziomach i tylko tyle mogę Ci podpowiedzieć , że jakbym miał teraz robić zrobiłbym to aby miec mozliwośc zasilić dany rozdzielacz róznym parametrem
gmaj22 Opublikowano 9 Listopada 2019 #3 Opublikowano 9 Listopada 2019 Posadzki z OP już zalane? Czym - mieszanką betonową czy anhydrytową.
Rekuperator Opublikowano 9 Listopada 2019 Autor #4 Opublikowano 9 Listopada 2019 19 minut temu, ameno25 napisał: Mam OP na dwóch poziomach i tylko tyle mogę Ci podpowiedzieć , że jakbym miał teraz robić zrobiłbym to aby miec mozliwośc zasilić dany rozdzielacz róznym parametrem Chyba nie warto iść w koszty.Chcąc zasilić poszczególne kondygnacje różną temperaturą to już muszą być 2x zawór 3D z siłownikiem,moduł mieszacza.I takiej instalacji to już nie obsłuży byle jaki kocioł tak że dołóż sobie jakieś min.4tys.
Rekuperator Opublikowano 9 Listopada 2019 Autor #5 Opublikowano 9 Listopada 2019 10 minut temu, gmaj22 napisał: Posadzki z OP już zalane? Czym - mieszanką betonową czy anhydrytową. Póki co inwestycja na etapie projektowania.Przewidziany anhydryt.Prawdę mówiąc nie widzę związku rodzaju wylewki z moimi pytaniami)
ameno25 Opublikowano 9 Listopada 2019 #6 Opublikowano 9 Listopada 2019 2 minuty temu, Rekuperator napisał: Chyba nie warto iść w koszty.Chcąc zasilić poszczególne kondygnacje różną temperaturą to już muszą być 2x 3D z siłownikiem,moduł mieszacza.I takiej instalacji to już nie obsłuży byle jaki kocioł tak że dołóż sobie jakieś 4tys. Ja zastosowałem siłowniki , bo góre miałem nie dogrzaną , jak zwiekszałem temp. zasilania to znów dół mi przegrzewało , nawet jesli na ratometrach na dole miałęm min przepływy. Sytuacja powstała z mojej niewiedzy , cały dół mam ceramike na podłogach , góre zaś panele podłogowe , jednak panel mocno ogranicza wydajność OP , a podczas układania rur nie brałem tego pod uwaga , jak wczesniej wspomniałem z braku wiedzy
gmaj22 Opublikowano 9 Listopada 2019 #7 Opublikowano 9 Listopada 2019 To proponuję pełny automat....siłowniki na pętlach sterowane indywidualnie termostatami pokojowymi. Tam gdzie dwie pętle - jedna grzeje non stop, druga -wg termostatu. Tylko to trzeba z głową położyć, tzn. "pętla w pętli". PS: Skoro nie widzisz związku, to się wycofuję z porad ;)
Rekuperator Opublikowano 9 Listopada 2019 Autor #8 Opublikowano 9 Listopada 2019 1 minutę temu, ameno25 napisał: Ja zastosowałem siłowniki , bo góre miałem nie dogrzaną , jak zwiekszałem temp. zasilania to znów dół mi przegrzewało , nawet jesli na ratometrach na dole miałęm min przepływy. Sytuacja powstała z mojej niewiedzy , cały dół mam ceramike na podłogach , góre zaś panele podłogowe , jednak panel mocno ogranicza wydajność OP , a podczas układania rur nie brałem tego pod uwaga , jak wczesniej wspomniałem z braku wiedzy Podejrzewam że powodem takiego stanu rzeczy u ciebie jest wykonanie instalacji bez projektu
Rekuperator Opublikowano 9 Listopada 2019 Autor #9 Opublikowano 9 Listopada 2019 16 minut temu, gmaj22 napisał: To proponuję pełny automat....siłowniki na pętlach sterowane indywidualnie termostatami pokojowymi. Tam gdzie dwie pętle - jedna grzeje non stop, druga -wg termostatu. Tylko to trzeba z głową położyć, tzn. "pętla w pętli". PS: Skoro nie widzisz związku, to się wycofuję z porad ;) Spokojnie)Bo jak znam życie po twojej wypowiedzi zaraz dojdzie do odwiecznej wojny zwolenników sterowania siłownikami+termostaty w poszczególnych pomieszczeniach(wydatek rzędu 3tyś) i tych którzy uważają że tego typu sterowanie przy kotle kondensacyjnym nie ma sensu z uwagi na fakt że automatyka żadnego kotła kondensacyjnego nie współpracuje z tego typu oddzielnym sterowaniem.Owszem działać będzie zwłaszcza z anhydrytem który szybko reaguje na zmiany temperatury tylko czy to nie jest przerost formy nad treścią
ameno25 Opublikowano 9 Listopada 2019 #10 Opublikowano 9 Listopada 2019 oczywiscie ze tak :) kładłem metodą chałupniczą , rura co 15 cm i ma być dobrze , i w sumie nie jest zle :) , jak na tamtą wiedzę która miałem wtedy :) W kazdym razie całe OP zrobiłem sam , wstydzić zabardzo nie mam sie czego , a grosza na robocizne nie wydałem mam prosty układ , kocioł na ekogroch z zaawansowanym sterownikiem Elektrosystemu, eCoal , zawór 4d sterowany pogodowo oraz czujnikikami temperatuty , pętli 4 góra ( do 100mb rury) oraz 6 dół , na 8 pętlach mam siłowniki z bardzo fajnym sterowaniem strefowym już takim inteligetniejszym niż ON_OFF
Rekuperator Opublikowano 9 Listopada 2019 Autor #11 Opublikowano 9 Listopada 2019 Ze śmieciuchem można jeszcze się bawić w siłowniki ale już z kotłem kondensacyjnym nie jest to już takie oczywiste
ameno25 Opublikowano 9 Listopada 2019 #12 Opublikowano 9 Listopada 2019 Przepraszam nie mam smieciucha :) Wydaje się że kocioł kondensacyjny jak sama nazwa wskazuje lubi mięć ciepło na wyjściu i zimno na powrocie . Nie chce się tutaj nikogo wprowadzać w błąd bo sam nie wiem , ale jeśli juz nagrzejesz ta podłogę to jaka bedzie delta miedzy zasilaniem a powrotem
sambor Opublikowano 9 Listopada 2019 #14 Opublikowano 9 Listopada 2019 58 minut temu, gmaj22 napisał: To proponuję pełny automat....siłowniki na pętlach sterowane indywidualnie termostatami pokojowymi. Weź się opanuj - do podłogówki przecież nie daje się siłowników, brdyków i pierdulników - tylko same sterowanie pogodowe i ma działać. U mnie takie działa już 9 sezonów i jest OK. Delta 5K jest też dobra, reszta pewnie też. Wg mnie można na 1 pompie - u mnie 170m2 chodzi na 1 pompie 25/40, pompa nawet nie na max. Różnicę między poziomami rzędu 1-2K można uzyskać przez zmiany przepływu w pętlach .
gmaj22 Opublikowano 9 Listopada 2019 #15 Opublikowano 9 Listopada 2019 A dlaczego nie? Podobno ma być anhydryt a ten materiał ma mniejszą bezwładność cieplną niż beton. Jeśli ktoś chce mieć pełny komfort i niezależne sterowanie strefowe, jak najbardziej taką opcję może zastosować. Przecież dla kogoś produkowane są siłowniki, listwy sterujące termostaty programowalne etc. Wiem, że to lepiej sprawdzi się np. w biurach, gdzie przez większą część dnia i weekend można obniżyć temperaturę. W mieszkaniach/domach, gdzie praktycznie non-stop przebywają ludzie są nieco inne priorytety. Chociaż i tu wszystko zależy od charakteru pracy domowników, sposobu spędzania weekendów itp.
Rekuperator Opublikowano 9 Listopada 2019 Autor #16 Opublikowano 9 Listopada 2019 Dziękuję za wypowiedź kol.Samborowi.A jak wykonać to od strony technicznej przy jednej pompie tzn.za pompą dać np.kolektor 1" z wyjściami na dwa obiegi? czy też po prostu odejście na trójnikach 1" na poszczególne rozdzielacze? Czy może być tak i tak?)
gmaj22 Opublikowano 9 Listopada 2019 #17 Opublikowano 9 Listopada 2019 23 minuty temu, Rekuperator napisał: A jak wykonać to od strony technicznej przy jednej pompie Pompa w kotle nie "obsłuży" tak rozległej instalacji.
Rekuperator Opublikowano 9 Listopada 2019 Autor #18 Opublikowano 9 Listopada 2019 Tak wiem,mówimy o pompie za sprzęgłem.Chociaż,czytając to Forum ostatnio w jednym z wątków był poruszany motyw czy pompa kotła Termet Ecocondens Gold da rady konkretnej też rozległej instalacji i kol.Sambor stwierdził że producent tego kotła w charakterystyce pompy nie uwzględnia oporów samego kotła więc zadzwoniłem do działu technicznego Termeta bo nie ukrywam że nosiłem się z zamiarem puszczenia swojej instalacji bezpośrednio z Golda(moje parametry tj.przepływ i spadek ciśnienia mieszczą się w wymaganym zakresie) Odpowiedź pana z Termeta była "charakterystyka pompy uwzględnia już opory samego kotła" ale chyba mimo takiej odpowiedzi nie będę ryzykował i dam sprzęgło a za nim mocniejszą pompą czy to Grundfos Alpha 1L 25-60 czy podobną Wilo Yonos Pico 1-6 W sumie niczym bym nie ryzykował gdybym zasilił swoją instalację bezpośrednio bo jak nie uzyskam wymaganych przepływów to wtedy dołożę sprzęgło i mocniejszą pompę wszak to tylko przeróbka w obrębie kotłowni a po drugie będę miał satysfakcje sprawdzenia czy Pan Termet mówił prawdę;)
sambor Opublikowano 9 Listopada 2019 #19 Opublikowano 9 Listopada 2019 Pan z termeta nie może podać inaczej - przecież zawarli to instrukcji, ale wg mnie jest niższe ciśnienie dyspozycyjne i niższa wydajność - czyli charakterystyka jest przesunięta w dół. Pompy w zachodnich kotłach też mają podobne pompy, ale w nich dodatkowo są montowane ograniczniki ciśnienia dyspozycyjnego aby kocioł był cichszy i pompa nie tłukła w instalację.
ameno25 Opublikowano 11 Listopada 2019 #20 Opublikowano 11 Listopada 2019 Odnośnie do zastosowania automatyki czyli siłowników w OP , jestem ich zwolennikiem . Pogodówka owszem , ale najlepiej jakby miała wyprzedzenie 2-3 godzinne Jak wczsniej pisałem mam podłogówke robioną na pałe czyli co 15cm rura , musiałem się ratować siłownikami . Tak jak wczesniej pisałem są one sterowane syglałem PWM , samo sterowanie uwzglednia równiez histereze , czyli im blizej zadanej tym czesciej sie zamykaja , im dalej zadanej dłuzej są otwarte . Dla przykładu zdjecie z wykresu pracy siłownikó z 2 pomieszczeń , jest to zółta linia , góra grzanie dół brak grzania Do tego wszystkiego pompa ustawiona na zmienną róznice cisnień , 4d pogodowe dla -10/ 32* dla +10/26* , grzanie CWU spadek o 10* włączą priorytet , także kocioł nie dostaje pod dupie , CO jest wyłaczane na czas łądowania CWU , jesli znów CWU ładuje się nie w priorytecie , jest ustawione ograniczenie na 4d do 38% maxymalnego owtwarcia , tak aby kocioł nie musiał gonić jak szalony , wszystko to zapewnia spokojną stała prace systemu , bez szarpaniny , ale tez wymaga sporo czasu i obserwacji instalacji aby wszystko ustawić
gmaj22 Opublikowano 11 Listopada 2019 #21 Opublikowano 11 Listopada 2019 Podsunę jeszcze pod rozwagę fajny zestaw z dwoma niezależnymi obiegami: wersja pozioma i pionowa Tu nawet ZZ w odpowiednich miejscach są :)
romanik99 Opublikowano 11 Listopada 2019 #22 Opublikowano 11 Listopada 2019 Podepne sie pod temat. Ja jestem jeszcze przed wykonaniem projektu podlogówki. Też 100%. Powiedzcie mi jak na projektach wychodzą łazienki? Da się zrobić sama podlogowke zeby uzyskac projektowe 24 w lazienkach i 22 w pokojach. Co zrobic jak nie wychodzi. Budynek nowy 20cm styro na scianach. 15 na posadzce. Nie chcialbym komplikowac instalacji poprzez jakies mieszacze i grzejniki. Kocioł kondensat.
Rekuperator Opublikowano 11 Listopada 2019 Autor #23 Opublikowano 11 Listopada 2019 Prawie w 100% łazienek wychodzi deficyt mocy.Najlepszym sposobem na jego pokrycie jest dołożenie do tego pomieszczenia ogrzewania ściennego i ja tak będę robił u siebie
romanik99 Opublikowano 12 Listopada 2019 #24 Opublikowano 12 Listopada 2019 Jest to bardzo ciekawy aspekt podłogówki. Większosc instalatorów pakuje do lazienek te drabinki. Jedni zasilają je z podlogowki. Gdzie w efekcie ta drabinka zysk ciepla daje znikomy a inni podwyzszają temp zasilania i stosują mieszacz na podlogowke co przy ogrzewaniu kondensatem chyba jest srednim rozwiązaniem. Malo kto robi scienne. Dlaczego? Powiedz mi. Dajmy na to tak czysto teoretycznie zrobi sie projekt podlogowki . Wyjdzie ze trzeba zrobic np 2m2 rur rozstawie 10 cm w scianie. 1. Czy ma to byc na wspolnej petli z podlogą? 2. Czy ma to znaczenie na której scianie to zamontujemy ? 3. Czy ma to znaczenie jak zrobimy to wąskim pasem od posadzki pod sam sufit, czy np szerokim a niskim pasem przy posadzce lub suficie? 4.Jaka technologia wykonania jest najlepsza. Rury bezposrednio na mur a później tynk? 5. Ile tego tynku potrzeba. 6. Czy moze są jakies inne rozwiązania co do schowania podlogowki w scianie pod plytkami.
gmaj22 Opublikowano 12 Listopada 2019 #25 Opublikowano 12 Listopada 2019 Niektórzy jeszcze podłączają drabinki pod zasilanie wężownicy bojlera, co również nie jest bezzasadne.
Rekomendowane odpowiedzi
Zarchiwizowany
Ten temat przebywa obecnie w archiwum. Dodawanie nowych odpowiedzi zostało zablokowane.