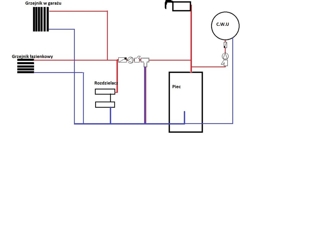
kubaopatowice Opublikowano 18 Września 2019 #1 Opublikowano 18 Września 2019 Witam, proszę o poradę czy tak mogę podłączyć ogrzewanie podłogowe jak poniżej ? Co dodać ? co przesunąć ? Obecnie mam zawór 4d, instalatorzy nie zamontowali ZZ NIGDZIE ! a z racji tego,że w całym domu jest ogrzewanie podłogowe chciałbym mieć jednakową temperaturę zasilania wszędzie wraz z drabinką w łazience i grzejnikiem w garażu. Jakieś rady ? Drugie zdjęcie to obecnie podłączony rozdzielacz (chciałbym usunąć pompę i zawór 3drożny z tamtego miejsca i sterować piecem temp.zasilania wg pogody)
kubaopatowice Opublikowano 18 Września 2019 Autor #2 Opublikowano 18 Września 2019 Obecny stan instalacji wygląda tak
sambor Opublikowano 18 Września 2019 #3 Opublikowano 18 Września 2019 Jak chcesz zapewnić ochronę powrotu kotła i dlaczego na grzejniki idzie taka sama temp jak na podłogę? Oczywiście dotyczy to nowej koncepcji.
LordFalcon Opublikowano 19 Września 2019 #4 Opublikowano 19 Września 2019 Czemu chcesz usunąć zawór 4D? Czy w obiegu kotłowym nie ma pompy? Zawór 4D bardzo dobrze się sprawdza w regulacji zabezpieczenia niskotemperaturowego kotła i jednoczesnej regulacji temperatury obiegu. Warunkiem prawidłowego działania zaworu 4D są 2 pompy, obiegu grzewczego i obiegu kotłowego.
KubaWTG Opublikowano 19 Września 2019 #5 Opublikowano 19 Września 2019 Sambor-grzejnik w garazu jest przu glownym zaworze wody,ma tylko nie dopuscic do zamarzniecia. Stad tez nikoma potrzeba wysokiej temp. zasilania tych grzejnikow.Zabezpieczenie kotla to puszczenie na instalacje max 40st reszta spowrotem do kotla.W poprzednim sezonie przy -10 na dworze, max.temperatura na podloge to 41st. Mam zawor 4d ale brak pompy kotlowej jestem otwarty na sugestie poniewaz i tak musze rozszarpac instalacje i zamontowac ZZ bo wszedzie ucieka mi cieplo z kotla i piec szybko traci swoja temp.A dodatkowo instalacja jest wykonana:Piec-czarna stal,ocynk,miedz-Podlaczenie CWU oraz grzejnikow-ZHANA zaciskowy ocynk i juz widzialem wykwity poleczen miedzy miedz a ocynk :/ Jesli macie jakies pomysly zeby ta instalacja dzialala jak powinna i trzeba cos dolozyc czy ujac to chetnie wyslucham.Jesli za malo informacji -piszcie to rozszerze temat,zrobie dokladne zdjecia
sambor Opublikowano 19 Września 2019 #6 Opublikowano 19 Września 2019 Tu nie ma co ameryki odkrywać , powinno być tak jak poniżej Pompa na grzanie CW, grzejników i kotłowa 25/40, pompa od podłogi zależnie od dł i ilości pętli 25/40 lub 25/60. Zawory zwrotne sprężynowe, przed pompami filtry i to cały schemat.
KubaWTG Opublikowano 19 Września 2019 #7 Opublikowano 19 Września 2019 Dziekuję :) Pytanie jeszcze o c.w.u. to normalne ze jak sie uruchamia pompa cwu to zabiera 80%wody z kotla na bojler ? A po zagrzaniu cwu do zadanej(50st) wszystko wraca do normy.
sambor Opublikowano 19 Września 2019 #8 Opublikowano 19 Września 2019 Trzeba zmniejszyć bieg na pompie od grzania CW lub przejśc na grzanie z priorytetem tj jak jest grzanie CW to pozostałe pompy stoją.
KubaWTG Opublikowano 19 Września 2019 #9 Opublikowano 19 Września 2019 Okok :) A wg schematu który narysowales,kierowac się rozmiarem rur odpowiednio do grubosci 1" , 3/4", 0,5" ? Przy piecu mam wyjscie 1"
Rekomendowane odpowiedzi
Zarchiwizowany
Ten temat przebywa obecnie w archiwum. Dodawanie nowych odpowiedzi zostało zablokowane.