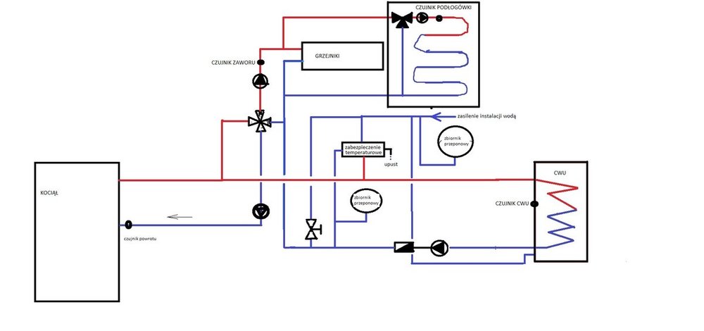
celnikoli Opublikowano 22 Sierpnia 2019 #1 Opublikowano 22 Sierpnia 2019 Witam Mam prośbę o opinie doświadczonych fachowców i instalatorów. Posiadam piec peletowy z podajnikiem DEFRO Delta Ekopel. Człowiek który robił mi instalację CO/CWU w domu wykonał ją według następującego schematu (pierwsze zdjęcie). Instalacja jest po pierwszym sezonie grzewczym 2018/2019 i wszystko działało jak należy – z niczym nie miałem problemu. Problem… z mojego punktu widzenia zaczął się kiedy postanowiłem spróbować grzać 200 L CWU piecem a nie grzałką elektryczną. Po wybraniu w sterowniku tryb letni i rozpoczęciu palenia zawór na zaworze 4D się zamyka (i słusznie) tworząc krótki obieg kotłowy. Po osiągnięciu właściwej temperatury włącza się pompa CWU która tłoczy ciepłą wodę przez wężownicę aż do osiągnięcia ustawionej przez mnie temperatury CWU. I tu zaczyna się problem – otóż po przejściu ciepłej wody przez wężownicę woda ta jest tłoczona w powrót CO ponieważ: 1. instalator wykonał wspólny powrót CO i CWU który wpada do zaworu 4D 2. zawór w trybie letnim jest zamknięty a więc powrót wpada przez zawór do zasilenia CO które jest wyłączone. (zamknąłem zawory przy pompie CO) Woda w zbiorniku się podgrzewa ale moim zdaniem trwa to długo gdyż pompa nie ma gdzie tłoczyć wody przechodzącej przez wężownicę – woda ta miesza się z zimną wodą w rurach powrotnych z CO. W sezonie grzewczym używam trybu „pompy równoległe” tj gdzie obie pompy CO – CWU pracują jednocześnie i ich powrót się miesza wpadając do zaworu i dalej do pieca. Podejrzewam że przy trybie „priorytet bojlera” byłby ten problem bo wtedy pracuje albo CO albo CWU. Rozmawiałem z człowiekiem który robił mi instalację i przyznał mi rację że w tym trybie i przy takiej konstrukcji instalacji praktycznie nie ma obiegu wody do podgrzewania zbiornika. Powiedział żebym pozamykał zawory na CO, zdjął siłownik z zaworu 4D i otworzył go ręcznie i będzie dobrze bo on teraz nie ma czasu mi pomóc bo ma w *** roboty. Ja jednak myślę że nie będzie „Dobrze”. Chce przerobić powrót CWU na oddzielny wpadający prosto do pieca wg drugiego schematu (drugie zdjęcie). Co o tym myślicie?
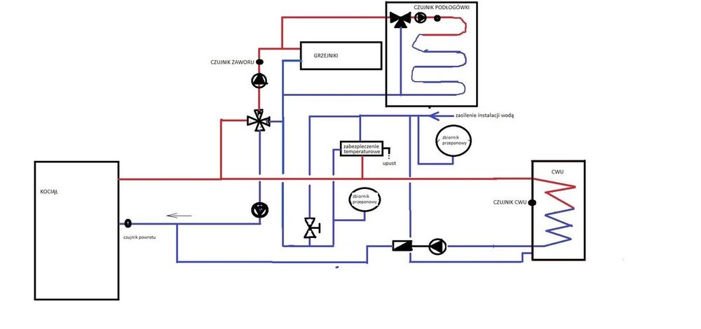
sambor Opublikowano 22 Sierpnia 2019 #2 Opublikowano 22 Sierpnia 2019 Prawidłowy schemat poniżej - dodano 3x zaw zwrotny, 1 ZB-6bar oraz poprawiono miejsca połączeń
celnikoli Opublikowano 22 Sierpnia 2019 Autor #3 Opublikowano 22 Sierpnia 2019 Czy ten zawór zwrotny na obiegu kotłowym musi być bezpośrednio za pompą czy mogę umieścić go tuż przed trójnikiem?
sambor Opublikowano 22 Sierpnia 2019 #4 Opublikowano 22 Sierpnia 2019 ZZ musi być między trójnikiem a pompą. Pozostałe poprawki też są istotne, szczególnie ta na zasilaniu zimną wodą bojlera!
celnikoli Opublikowano 30 Sierpnia 2019 Autor #5 Opublikowano 30 Sierpnia 2019 Czy umiejscowienie zaworu zwrotnego między pompą a trójnikiem ma znaczenie tj. czy lepiej bliżej pompy czy też lepiej przy samym trójniku? Wysłane z mojego ONEPLUS A3003 przy użyciu Tapatalka
celnikoli Opublikowano 31 Sierpnia 2019 Autor #7 Opublikowano 31 Sierpnia 2019 Czy zawór zwrotny na obieg kotłowy może być taki? Taki wcisnął mi sprzedawca z plastikowym grzybkiem Wysłane z mojego ONEPLUS A3003 przy użyciu Tapatalka
sambor Opublikowano 31 Sierpnia 2019 #8 Opublikowano 31 Sierpnia 2019 Teoretycznie te z plastikowym grzybkiem pracują poprawnie do 50C, czyli może wytrzyma, ale na wszelki wypadek kup z metalowym grzybkiem
komoona Opublikowano 4 Września 2019 #9 Opublikowano 4 Września 2019 Zawór spokojnie pracuje do 90* sam takie stosuję i są doskonałe do pomp elektronicznych bo dużo lżej chodzą niż metalowe. Cytat DANE TECHNICZNE: Temperatura pracy: od - 20˚ C (bez zamarzania) do 90˚ C Maksymalna temperatura chwilowa: 110˚ C Ciśnienie nominalne: PN25 Spokojnie możesz montować i będziesz zadowolony.
KubaSko Opublikowano 4 Września 2019 #10 Opublikowano 4 Września 2019 Najgorsza wersja takiego zaworu to ta z plastikowym trzpieniem i mosiężną obwódką w ktorej jest osadzony. Mosiądz go tak ścina że robi się wgłębienie w trzpieniu i się zawór potrafi zawiesić. Jakby nie było każdy metal kolorowy będze lepszy od plastiku wiec kup caly mosiezny
celnikoli Opublikowano 7 Stycznia 2020 Autor #11 Opublikowano 7 Stycznia 2020 WITAM Poprawiłem instalację w/g przedstawionego przez użytkownika "sambor" schematu i instalacja ładnie hula. Bardzo dziękuję. Teraz mam następujące pytanie jak do powyższego schematu podpiąć kominek z płaszczem wodnym? Posiadam żeliwny piec wolnostojący w panelem wodnym o mocy 9kw. Przypomnę tylko że istniejąca instalacja co jest typu zamkniętego (co widać na schemacie). Z góry dziękuje z podpowiedz jak to połaczyć
tommyp2 Opublikowano 8 Stycznia 2020 #12 Opublikowano 8 Stycznia 2020 W dniu 22.08.2019 o 08:42, sambor napisał: Prawidłowy schemat poniżej - dodano 3x zaw zwrotny, 1 ZB-6bar oraz poprawiono miejsca połączeń Mam pytanie : - czy to zabezpieczenie temperaturowe oraz ZB można wpiąć w powrót kotła?
sambor Opublikowano 8 Stycznia 2020 #13 Opublikowano 8 Stycznia 2020 Na rysunku masz zabezpieczenie dla obiegu zimnej wody i kotła. Jak chcesz zabezpieczyć kocioł to na zasilaniu kotła dajesz ZB 1,5 do 2,5bar zależnie jak producent kotła pozwala, do tego naczynie o odpowiedniej wielkości zamontowane na powrocie kotła, z zabezpieczenie temperaturowe podłączasz tam gdzie zaleca producent kotła i samego zabezpieczenia temperaturowego. Naczynie możesz wpiąć wprost do kotła , podobnie jak i schładzanie, w oryginalnym schemacie inne wpięcie - dalej od kotła częściowo zabezpieczało kocioł od udaru cieplnego spowodowanego napływem zimnej wody do żeliwnego kotła, przez co mógłby on uleć pęknięciu.
tommyp2 Opublikowano 8 Stycznia 2020 #14 Opublikowano 8 Stycznia 2020 Czyli, jeżeli dobrze rozumiem to tutaj zabezpieczenie kotła jest wpięte przed 4D w powrót z instalacji? A zabezpieczenie temp. to zawór coś jak DVB?
sambor Opublikowano 8 Stycznia 2020 #15 Opublikowano 8 Stycznia 2020 Zabezpieczenie może być jednofunkcyjne - puszcza zimną wodę w wężownicę schładzającą lub dwufunkcyjne - jak w przypadku tego narysowanego czyli DBV regulusa lub callefi, które spuszcza wodę i jednocześnie podaje nową
tommyp2 Opublikowano 8 Stycznia 2020 #16 Opublikowano 8 Stycznia 2020 Jeżeli mógłbyś mi jeszcze odpowiedzieć: - czy nie może zdażyć się taka sytuacja, że zawór 4D będzie zamknięty (woda będzie krążyć tylko w obiegu kotłowym), jak wtedy działa to zabezpieczenie, jeżeli droga z powrotu instalacji jest zamknięta?
gmaj22 Opublikowano 8 Stycznia 2020 #17 Opublikowano 8 Stycznia 2020 1 godzinę temu, tommyp2 napisał: Czyli, jeżeli dobrze rozumiem to tutaj zabezpieczenie kotła jest wpięte przed 4D w powrót z instalacji? A zabezpieczenie temp. to zawór coś jak DVB? 48 minut temu, tommyp2 napisał: Jeżeli mógłbyś mi jeszcze odpowiedzieć: - czy nie może zdażyć się taka sytuacja, że zawór 4D będzie zamknięty (woda będzie krążyć tylko w obiegu kotłowym), jak wtedy działa to zabezpieczenie, jeżeli droga z powrotu instalacji jest zamknięta? Zabezpieczenie naczyniem nie może być za 4D na powrocie z instalacji, tylko bezpośrednio na powrocie do kotła.
sambor Opublikowano 8 Stycznia 2020 #18 Opublikowano 8 Stycznia 2020 A jak naczynie będzie na zasilaniu to źle? A jak gdzieś w instalacji to też źle? Aby nie mnożyć postów poniżej kawałek przepisów
gmaj22 Opublikowano 8 Stycznia 2020 #19 Opublikowano 8 Stycznia 2020 Miałem na myśli zabezpieczenie KOTŁA na paliwo stałe, a na powyższych szkicach mowa o zabezpieczeniu instalacji z kotłem gazowym lub elektrycznym, które najczęściej mają takie naczynia wbudowane. Po drugie tu pomiędzy kotłem a naczyniem są zawory odcinające albo na powrocie, albo na zasilaniu a to już wbrew zasadom zabezpieczania kotła.
tommyp2 Opublikowano 8 Stycznia 2020 #20 Opublikowano 8 Stycznia 2020 3 godziny temu, tommyp2 napisał: Jeżeli mógłbyś mi jeszcze odpowiedzieć: - czy nie może zdażyć się taka sytuacja, że zawór 4D będzie zamknięty (woda będzie krążyć tylko w obiegu kotłowym), jak wtedy działa to zabezpieczenie, jeżeli droga z powrotu instalacji jest zamknięta? Dziękuję kolegom za odpowiedzi ;-) Kolego Sambor czybyś się odnieść do cytatu wyżej? Zamontowanie 4D pomiędzy instalacją, a kotłem chyba zmienia sytuację od tej na schematach? Kolego Gmaj22 właśnie tez zauważyłem, że w temacie jest mowa o kotle na paliwo stałe.
sambor Opublikowano 8 Stycznia 2020 #21 Opublikowano 8 Stycznia 2020 Zaw 4-D nigdy nie zamknie się na 100%, zawsze jest te 2-3% przepustowości, ale tu masz rację lepiej dać na powrocie z zaw 4-D na kocioł, ale tam znowu zaw zwrotny przeszkadza, więc może bezpieczniej na samym podłączeniu kotła można to NP zamontować.
Rekomendowane odpowiedzi
Zarchiwizowany
Ten temat przebywa obecnie w archiwum. Dodawanie nowych odpowiedzi zostało zablokowane.