zumak Opublikowano 30 Września 2018 #1 Opublikowano 30 Września 2018 Witam Proszę o pomoc, w najbliższym czasie hydraulik zaczyna u mnie na budowie prace instalacyjne. Dom nowobudowny, dobrze zaizolowany (ściany 20cm styropianu, poddasze 40cm piany, okna 3 szyby, rekuperacja), w całym domu planuje ogrzewanie podłogowe ok 200m2 z piwnicami, wylewki cementowe w piwnicach a parter i poddasze anhydryt. Kocioł gazowy kondensacyjny Viessman Vitodens 100 lub 200. Z racji że dom ma 3 poziomy wiec 3 rozdzielacze,na każdym pietrze po jednym, instalator proponuje sterowanie piętrami - jedne sterownik na jedno piętro, sterowanie ma odbywać się przez wyłączenie pompy w danym rozdzielaczu. Sterowanie każdym pomieszczeniem z osobna wg mnie jest nie potrzebne więc sterowanie piętrami dla mnie wydaje się mieć sens tylko czy na pewno przez wyłączenie pompy? Co ze sprzęgłem hydraulicznym? Instalator twierdzi że nie ma potrzeby jego instalacji. I jeszcze temat kotła, obliczyłem wstępnie zapotrzebowanie na energię i maksymalna moc grzewcza wg strony cieplowlasciwe.pl to 5,1kW. Instalator zaleca kocioł Viessman Vitodens 100, ale ten kocioł ma modulacje 6,5-19kW, czy to nie będzie za wysoka moc minimalna do mojej instalacji? Proszę o Wasze opinie póki jeszcze jest czas żeby coś zmienić, z góry dziękuję.
odpowietrznik Opublikowano 30 Września 2018 #2 Opublikowano 30 Września 2018 Z tym kotłem to chyba twój instalator żartuje,ma za dużą moc minimalną.Sterowanie całością pogodowo(zawnętrzny czujnik pogodowy i ustawienie krzywej(wych) grzewczej(czych) Wszystkie ewentualne pompy w kotłowni a nie przy rozdzielaczach.Obliczenia OZC ze strony ciepło właściwe są obarczone dużym błędem dla mnie to żadne obliczenia ot taka "zabawka" ale po opisie jak ocieplone są poszczególne przegrody budowlane oczywiście widać że budynek ma małe zapotrzebowanie.Sterowanie przez włącz/wyłącz pomp to porażka absolutnie nie daj się w to wmanewrować.Podłogówka ma chodzić cały czas.Co do sterownia to zależy od koncepcji,gdybyś chciał podzielić całość na 3strefy grzewcze(każda kondygnacja) to nieodzowne jest sprzęgło hydrauliczne+3xzaw.3D z siłownikiem+3x pompa+moduł mieszacza obsługujący 3obiegi grzewcze VR71(przy Vaillancie)Przy tym rozwiązaniu polecam kocioł Vaillant np.Eco Tec Plus to rozwiązanie nie będzie tanie.Można zrezygnować ze sterowania strefowego.Dobrze by było zrobić projekt OZC i na jego podstawie projekt ogrzewania podłogowego.Przy tak małym zapotrzebowaniu na ciepło budynku to poszłoby bezpośrednio z kotła bez sprzęgła-kocioł Termet Ecocondens Gold
zumak Opublikowano 30 Września 2018 Autor #3 Opublikowano 30 Września 2018 Projekt ogrzewania podłogowego będzie zamawiany w EkoHeat, oni robią projekt OZC i na jego podstawie projekt podłogówki. Czyli na tym kotle Termet cała podłogówka tylko na pompie kotła?
odpowietrznik Opublikowano 30 Września 2018 #4 Opublikowano 30 Września 2018 Poczekajmy na projekt to będzie wiadomo co i jak,w projekcie CO powinny być podane m.in.przepływy w poszczególnych pętlach i średnice rur do rozdzielaczy.Tak na marginesie chętnie bym go zobaczył)Dla potrzeb projektu musisz im podać rodzaj pokrycia podłóg już na tym etapie należy się zdecydować co będzie w poszczególnych pomieszczeniach czy panel czy płytki. Wspomniany kocioł ma mocną pompę i moduluje od 2,8kW .Rozdzielacze oczywiście z rotametrami
zumak Opublikowano 30 Września 2018 Autor #5 Opublikowano 30 Września 2018 Jak otrzymam projekt to go udostepnię, tak się jeszcze zastanawiam, skoro już będę miał projekt to raczej temperatury w poszczególnych pomieszczeniach też będą "ustawione" poprzez zmiany rozstawu rurek, to wtedy nie ma konieczności sterowania każdym piętrem osobno, tylko temperatura ustawiana na kotle i tyle w zakresie regulacji temperatury. Bo zależy mi tez na tym żeby instalacja była jak najmniej skomplikowana.
zumak Opublikowano 16 Października 2018 Autor #6 Opublikowano 16 Października 2018 Właśnie otrzymałem projekt, proszę o ocenę. 655.pdf
odpowietrznik Opublikowano 16 Października 2018 #7 Opublikowano 16 Października 2018 Dla mnie to nie jest projekt.To są tylko rozrysowane poszczególne pętle i to w niektórych przypadkach dziwnie,chodzi mi o pomieszczenia gdzie występują obok siebie dwie pętle.Jeszcze gdyby jedna z nich była tzw.strefą brzegową (pas do 1m przy ścianie zewnętrznej)to mógłbym zrozumieć ale w obu pętlach są te same rozstawy rur.(robi się jak w załączniku)Mam nadzieje że ta pętla na zielono to nie jest ułożona w formie meandra jak na rysunku tylko program tak maluje. Brakuje multum rzeczy: 1)Nie jest podane pokrycie podłogi płytka/panel (ich opór cieplny) 2)Nie wiadomo jaka jest projektowa temp.zasilania i powrotu ze źródła ciepła 3)Nie są podane średnice rur do rozdzielaczy 4)Nie wiadomo jaka są straty ciepła dla poszczególnych pomieszczeń(czy w ogóle "projektant"dysponował projektem OZC?bo to jest podstawa do późniejszego projektu ogrzewania) 5)Nie jest podany przepływ i straty ciśnienia w instalacji które to dane są potrzebne do doboru pompy 6)Nie są podane przepływy w poszczególnych pętlach To tak z grubsza.Na podstawie przesłanego pliku nikt nie jest w stanie powiedzieć czy instalacja jest poprawnie zaprojektowana
zumak Opublikowano 16 Października 2018 Autor #8 Opublikowano 16 Października 2018 Z projektem otrzymałem jeszcze to co w załączniku, a tak pozatym to nic, oprócz reklamy na produkty tej firmy. Mi tez sie wydaje że nie tak powinien wyglądać projekt, tym bardziej że mało nie kosztował. Nowy obraz.bmp
amsnake Opublikowano 16 Października 2018 #9 Opublikowano 16 Października 2018 W dniu 30.09.2018 o 12:36, zumak napisał: I jeszcze temat kotła, obliczyłem wstępnie zapotrzebowanie na energię i maksymalna moc grzewcza wg strony cieplowlasciwe.pl to 5,1kW. Instalator zaleca kocioł Viessman Vitodens 100, ale ten kocioł ma modulacje 6,5-19kW, czy to nie będzie za wysoka moc minimalna do mojej instalacji? Za mocny kocioł ...
odpowietrznik Opublikowano 16 Października 2018 #10 Opublikowano 16 Października 2018 Już coś więcej.Jaka jest powierzchnia np.sypialni na poddaszu nr2?
zumak Opublikowano 16 Października 2018 Autor #11 Opublikowano 16 Października 2018 sypialnia nr 2 ma ok 18m2
teres Opublikowano 16 Października 2018 #12 Opublikowano 16 Października 2018 Nie zapłaciłbym za ten projekt złotówki. Zrób to porządnie ze sprzęgłem. Instalatora zmień na bardziej rozciągniętego.
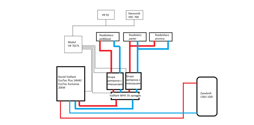
zumak Opublikowano 16 Października 2018 Autor #13 Opublikowano 16 Października 2018 Instalatora nie zmienię bo terminy mnie gonią a znaleźć kogoś na juz raczej nie realne, ale już sobie zrobiłem wstępny schemat ze sprzęgłem, tylko zastanawiam się jeszcze jakie dać średnice rur do zasilania rozdzielaczy, no i co robić z tym projektem podłogówki? reklamować? czy to coś pomoże?
odpowietrznik Opublikowano 16 Października 2018 #14 Opublikowano 16 Października 2018 Weźmy dla przykładu jedno z pomieszczeń czyli tą sypialnię #2 Założenia: -zapotrzebowanie cieplne pomieszczenia 821W -temp.zasilania 35st. -podłoga panele opór pokrycia podłogi 0,1m2xK/W -schłodzenia czynnika grzewczego 5K Posłużę się uproszczonym programem SDG (załączniki) Wyniki-program dobiera dwie pętle o rozstawie 10cm(i jeszcze jest mały niedogrzew 1%) u ciebie 2pętle rozstaw 15cm w dodatku u mnie zakładana temp.pomieszczenia 20st u ciebie 22 i aby taką uzyskać rozstaw rur musiałby być jeszcze mniejszy. Wniosek: coś jest nie tak z tym twoim projektem zbyt optymistyczne wyniki)
odpowietrznik Opublikowano 16 Października 2018 #15 Opublikowano 16 Października 2018 Co do schematu to przy samej podłogówce (ponieważ w łazience jest deficyt mocy jak zresztą w większości łazienek to trzeba dać grzejnik drabinkowy elektryczny) nie są potrzebne żadne mieszacze czy moduły typu VR70 Wystarczy sprzęgło i za nim 1 lub 2 pompy bo chyba kotłowa jednak nie da rady.Z podanych przez ciebie danych obciążenie cieplne budynku to ok.11kW co daje przepływ w całej instalacji podłogowej przy schłodzenie czynnika grzewczego 5K ok.1.9m3/h Drugi parametr potrzebny do doboru pompy czyli straty ciśnienia w obiegu krytycznym jest nie zamieszczony w twoim "projekcie" Kocioł 14kW nie da rady zasobnikowi 150l.Sugeruje kocioł Termet Ecocondens Gold 20kW Za jednego Exclusiva kupi dwa Goldy.Takie Exclusivy można sobie kupować jak mają obsłużyć dwa obiegi grzewcze np.grzejniki i podłogówkę
zumak Opublikowano 16 Października 2018 Autor #16 Opublikowano 16 Października 2018 Wydaje mi się że ta rozbieżność może wynikać z tego że jest to sypialnia na poddaszu więc kubatura jest trochę mniejsza(skosy). Mógłbyś sprawdzić np salon powierzchnia 34m2? Co do kotła i mojego schematu, chciałbym sterować poddaszem osobno, dlatego dwie grupy pompowe z mieszaczem i moduły.
odpowietrznik Opublikowano 16 Października 2018 #17 Opublikowano 16 Października 2018 Ktoś liczył to zapotrzebowanie cieplne (821W) dla tej sypialni i powinien policzyć ze skosami w przeciwnym przypadku to OZC można sobie wyrzucić do kosza.Rzetelne OZC to podstawa.Jakąś wartość zapotrzebowania trzeba przyjąć bo to jest jeden z czynników decydujących o rozstawie rur. Jak będziesz chciał sterować dwoma obiegami o różnych temp.to rzeczywiście będą potrzebne akcesoria które wymieniłem w drugim poście w tym temacie.Dla dwóch obiegów to VR70.To sterowanie będzie cię kosztować kilka tyś zł ale jak to mówią kto bogatemu zabroni)
odpowietrznik Opublikowano 16 Października 2018 #18 Opublikowano 16 Października 2018 Nie za bardzo jestem w stanie policzyć dla salonu ponieważ jest połączony z kuchnią i holem i podane jest łączne zapotrzebowanie cieplne dla tych 3 pomieszczeń(2682W) a w dodatku na tej łącznej powierzchni jest "mieszanka" panel/płytki.Nie wiadomo jaką powierzchnię zajmują panele a jaką płytki
teres Opublikowano 16 Października 2018 #19 Opublikowano 16 Października 2018 3 godziny temu, zumak napisał: zastanawiam się jeszcze jakie dać średnice rur do zasilania rozdzielaczy, no i co robić z tym projektem podłogówki? reklamować? czy to coś pomoże? Do sprzęgła średnica wewnętrzna 20 mm powinno wystarczyć, ewentualnie 26 mm. Do rozdzielaczy dałbym 2* 26mm wewnątrz. 2 godziny temu, odpowietrznik napisał: Kocioł 14kW nie da rady zasobnikowi 150l. Co to znaczy "nie da rady"? Bo ja nie rozumiem. Przecież jedynie co się będzie dziać, to trochę dłużej będzie go nagrzewać. Producenci kotłów dopuszczają takie zbiorniki do kotłów. 2 godziny temu, zumak napisał: Co do kotła i mojego schematu, chciałbym sterować poddaszem osobno, dlatego dwie grupy pompowe z mieszaczem i moduły. Jeśli to konieczność, to innej rady nie ma. Zastanów się czy ewentualnie opcja: 2 pompy + 2 sterowniki pokojowe by nie wystarczyła.
zumak Opublikowano 17 Października 2018 Autor #20 Opublikowano 17 Października 2018 5 godzin temu, teres napisał: Do sprzęgła średnica wewnętrzna 20 mm powinno wystarczyć, ewentualnie 26 mm. Do rozdzielaczy dałbym 2* 26mm wewnątrz. W takim wypadku grupy pompowe z jakimi wejściami? 3/4 czy 1"?
teres Opublikowano 17 Października 2018 #21 Opublikowano 17 Października 2018 Grupy pompowe dobierz z pompami /40 albo /4 (w zależności od producenta grupy), to narzuci średnicę wejść. 3/4 wystarczy, ale obstawiam, że będzie 1".
odpowietrznik Opublikowano 17 Października 2018 #22 Opublikowano 17 Października 2018 "Nie da rady" tzn że będzie zbyt długa przerwa w ogrzewaniu budynku przy pojemności zasobnika 150l i kotle 14kW.Ja wiem że nagrzeje wcześniej czy później.
teres Opublikowano 17 Października 2018 #23 Opublikowano 17 Października 2018 Przy podłogówce tego nie zauważysz.
zumak Opublikowano 17 Października 2018 Autor #24 Opublikowano 17 Października 2018 22 godziny temu, odpowietrznik napisał: Weźmy dla przykładu jedno z pomieszczeń czyli tą sypialnię #2 Założenia: -zapotrzebowanie cieplne pomieszczenia 821W -temp.zasilania 35st. -podłoga panele opór pokrycia podłogi 0,1m2xK/W -schłodzenia czynnika grzewczego 5K Posłużę się uproszczonym programem SDG (załączniki) Wyniki-program dobiera dwie pętle o rozstawie 10cm(i jeszcze jest mały niedogrzew 1%) u ciebie 2pętle rozstaw 15cm w dodatku u mnie zakładana temp.pomieszczenia 20st u ciebie 22 i aby taką uzyskać rozstaw rur musiałby być jeszcze mniejszy. Wniosek: coś jest nie tak z tym twoim projektem zbyt optymistyczne wyniki) Policzyłem sobie zapotrzebowanie w tym programie SDG dla tej sypialni nr 2 na poddaszu i wyszło mi 654W. Wydaje mi się że różnica miedzy wynikami moimi a Twoimi wynika z tego ze mój dom spełnia WT2021 i ja takie przyjąłem do wyliczeń (ściany zewnętrzne 0,14W/m2*K, dach/poddasze 0,11: okna 0,8: rekuperacja), nie doliczyłem tylko okna dachowego (Uw=1,1) bo nie wiem jak je dodać, wiec może dlatego wynik trochę niższy. Mi wyszła jedna pętla 90mb, rozstaw co 20cm, czynnik grzewczy 35st.
odpowietrznik Opublikowano 17 Października 2018 #25 Opublikowano 17 Października 2018 Ja tylko ustosunkowałem się do danych z Twojego projektu aby udowodnić że nie jest wiarygodny.Wrzuciłem dane tu 821W bo taka wartość była podana w projekcie dla rozpatrywanego pomieszczenia.Tak na marginesie ten program SDG to nadal taka "zabawka" ja używam programów Audytor OZC i CO
Rekomendowane odpowiedzi
Zarchiwizowany
Ten temat przebywa obecnie w archiwum. Dodawanie nowych odpowiedzi zostało zablokowane.