tomd5 Opublikowano 13 Listopada 2016 Autor #26 Opublikowano 13 Listopada 2016 Zawory są, ale czy da radę je tam upchnąć? Musiałbyś jeszcze pociągnąć przewody zasilające od siłowników i od czujników temperatury między szafkami a sterownikiem. Sam sterownik też pewnie trzeba by rozbudować o moduły wykonawcze dodatkowych zaworów. Ciężki temat.Jeżeli są to jakie? sprawdzę czy się zmieszczą bo z przewodami nie problem. Jeżeli się nie zmieści to przerabiamy instalacje bo na moje to ona jest źle wykonana instalacja skoro są połączone OP i grzejniki i nie będzie można sterować tym z pieca. t_d :)
kiminero Opublikowano 13 Listopada 2016 #27 Opublikowano 13 Listopada 2016 Wygląd i wymiary zbliżone do tego co masz na 4D, tyle, że potrzebne są zawory 3D. Żeby się zmieściły siłowniki, to musi być zawór 3D o podobnej konstrukcji do tego co w tym zestawie:http://www.finish-a.com.pl/oferta.php?maincat=115&subcat=116 Jak masz niedaleko do szafek, to lepiej osobno zasilić grzejniki. Można też z szafek OP wypruć wszystko poza belkami i połączyć je z rurami bezpośrednio, a mieszanie zrobić centralne w kotłowni na jednej pompie, na zaworze 3D z siłownikiem w trybie pogodowym. Opcja trzecia, to jak pisałem zostawiasz jak masz, ustawiasz na termostatach OP stałą temp powiedzmy 30 st i do regulowania temp pomieszczeń używasz centrali sterującej radiowej z siłownikami na pętlach. Coś podobnego do zestawu wyżej, ale bez siłownika.
sambor Opublikowano 13 Listopada 2016 #28 Opublikowano 13 Listopada 2016 Ja bym nie kombinował, tylko dodał osobne rury do grzejników z pompą w kotłowni oraz na istniejących rurach dał podłogówkę z mieszaczem też w kotłowni - to jest najbardziej funkcjonalne rozwiązanie, Wiem, że trochę bałaganu będzie , ale wtedy będzie OK.
tomd5 Opublikowano 13 Listopada 2016 Autor #29 Opublikowano 13 Listopada 2016 Wygląd i wymiary zbliżone do tego co masz na 4D, tyle, że potrzebne są zawory 3D. Żeby się zmieściły siłowniki, to musi być zawór 3D o podobnej konstrukcji do tego co w tym zestawie:http://www.finish-a.com.pl/oferta.php?maincat=115&subcat=116 Jak masz niedaleko do szafek, to lepiej osobno zasilić grzejniki. Można też z szafek OP wypruć wszystko poza belkami i połączyć je z rurami bezpośrednio, a mieszanie zrobić centralne w kotłowni na jednej pompie, na zaworze 3D z siłownikiem w trybie pogodowym. Opcja trzecia, to jak pisałem zostawiasz jak masz, ustawiasz na termostatach OP stałą temp powiedzmy 30 st i do regulowania temp pomieszczeń używasz centrali sterującej radiowej z siłownikami na pętlach. Coś podobnego do zestawu wyżej, ale bez siłownika. Teraz panowie kolejne pytanie?Jak zdecyduję się na przerobienie tej instalacji czyli osobne zasilanie bo to wychodzi najrozsadniej czy musi być kolejna pompa? Nie pociągnie to grawitacyjnie? Jeżeli nie pójdzie bez pompy to gdzie ją umieścić i jak puścić rurki? I jeszcze jedno bo wyczytałem w instrukcji montażu kotła że musi być zawór różnicowy? t_d :)
odpowietrznik Opublikowano 13 Listopada 2016 #30 Opublikowano 13 Listopada 2016 Tak powinno być tylko na ogrzewanie podłogowe zawór 3D z siłownikiem np.ESBE VRG lub AFRISO ARV
sambor Opublikowano 13 Listopada 2016 #31 Opublikowano 13 Listopada 2016 Za zaw 4-D grawitacji na takich cienkich rurach nie będzie, potrzebne są rury 1" i większe, co jest rozwiązaniem dużo droższym niż pompa. Zawór różnicowy jest zbędny! - po co on?
tomd5 Opublikowano 25 Listopada 2016 Autor #32 Opublikowano 25 Listopada 2016 Panowie kolejne pytanie. Oddaje automat od zaworu 4D bo wariuje non stop i mam go wyłączony. Teraz pojawia się kwestia czy zawór 4d też oddać skoro nie mam i tak go na 0? Kolejna kwestia dotyczy rotametrów. Wiadomo że dolnym zaworem od podłogówki zamyka się obwód. A co jest chodzi o rotametry. Bo zauważyłem że każdy jest wykręcony na maksa. To tym reguluje się przepływy czy jak? Przepraszam za to pytanie ale w zasadzie uczę się tej instalacji a wujek Google mi nic na ten temat nie chce wytłumaczyć
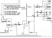
odpowietrznik Opublikowano 25 Listopada 2016 #33 Opublikowano 25 Listopada 2016 W końcu jaka jest ostateczna koncepcja instalcji? Czy ogrzewanie podłogowe ma być sterowane pogodowo czy stałotemperaturowo?Czy są przewidziane(możliwe) ewenetualne przeróbki instalacji? Czy ma byc ochrona kotła przed korozją niskotemperaturową?
tomd5 Opublikowano 25 Listopada 2016 Autor #34 Opublikowano 25 Listopada 2016 W końcu jaka jest ostateczna koncepcja instalcji? Czy ogrzewanie podłogowe ma być sterowane pogodowo czy stałotemperaturowo?Czy są przewidziane(możliwe) ewenetualne przeróbki instalacji? Czy ma byc ochrona kotła przed korozją niskotemperaturową? Nie przerabiamy instalacji po obserwacjach i ćwiczeniach z zaworem 4d i problem z ochroną powrotu stwierdziłem że wrzucam siłownik od 4d wtedy jest temperatura na kotle odpowiednia i idzie ładne ciepło na rozdzielnie. Podlogowkę reguluje zaworem termostatycznym i tak już zostaje t_d :)
MikiQ Opublikowano 26 Listopada 2016 #35 Opublikowano 26 Listopada 2016 Panowie kolejne pytanie. Oddaje automat od zaworu 4D bo wariuje non stop i mam go wyłączony. Teraz pojawia się kwestia czy zawór 4d też oddać skoro nie mam i tak go na 0? Kolejna kwestia dotyczy rotametrów. Wiadomo że dolnym zaworem od podłogówki zamyka się obwód. A co jest chodzi o rotametry. Bo zauważyłem że każdy jest wykręcony na maksa. To tym reguluje się przepływy czy jak? Przepraszam za to pytanie ale w zasadzie uczę się tej instalacji a wujek Google mi nic na ten temat nie chce wytłumaczyć Przepływy na petlach reguluje się właśnie rotametrami. Chodzi o wyrównanie temperatury w pomieszczeniach. Ustaw na początek 1 litr i sprawdzaj termometrem. Wysłane z mojego HTC One M9 przy użyciu Tapatalka
tomd5 Opublikowano 20 Grudnia 2016 Autor #36 Opublikowano 20 Grudnia 2016 No to walczymy dalej z instalacją pojawił się taki hałas w zaworze zwrotnym poniżej pompy obiegowej https://youtu.be/xHdZlN9USco Zaznaczę że to już drugi taki zawór bo został wymieniony. Zawór obok od cwu na 3 biegu nawet nie chce wydać żadnego dźwięku. Może być tak że jest za mocna pompa na obiegu kotłowym. Pompa jest 25/60. Kolejna kwestia nie mogę ustawić przepływów na podłodze na dole a podłoga niby grzeje. U góry wszystko ładnie pięknie ustawione na 2 i niby grzeje.
Rekomendowane odpowiedzi
Zarchiwizowany
Ten temat przebywa obecnie w archiwum. Dodawanie nowych odpowiedzi zostało zablokowane.