Lechu200000 Opublikowano 6 Listopada 2016 Autor #26 Opublikowano 6 Listopada 2016 Dzięki za zainteresowanie. Wieczorem wyczyszcze filtr.do tej pory tam nie zagladalem. MAM jakieś zdjęcie zaworu 4d ale nie wiem jakie maja przekroje rury dochodzące i on sam.
sambor Opublikowano 6 Listopada 2016 #27 Opublikowano 6 Listopada 2016 Rury mają 1" i zaw 4-D pewnie też
Lechu200000 Opublikowano 6 Listopada 2016 Autor #28 Opublikowano 6 Listopada 2016 Filtr pompy CO sprawdzałeś? Wyłącz pompę CO lub cały sterownik, zamknij zawory kulowe przed i za pompą i odkręć zaślepkę filtra. Wyjmij wkład siatkowy i wymyj. Dalej odwrotnie wszystko poskładaj, ale zawory otwieraj w kolejności: najpierw ten przed pompą, a jak ten odpowietrznik za pompą przestanie "syczeć", to otwórz drugi zawór. Nie widzę dokładnie jak ten odpowietrznik jest zamontowany, ale prawdopodobnie taki zamysł miał instalator. Na koniec uruchom pompę. Filtr.jpg P.S. Pompy masz w szeregu i jako główna pracuje pompa CO za zaworem 4D, a pompa podłogowa na niej "żeruje". To chyba jest trzystopniowa Halm HUPA, ale słabo widać i nie wiem w jakiej wersji. Generalnie pompa CO najlepiej z autoadaptacją by się sprawdziła, czyli dla Halma HEP Plus. Czy przełączałeś pompę na wyższy bieg? Ochronę powrotu aktywujesz w menu sterownika, chyba serwisowym. Zawoła kod, ale ekomax od lat fabrycznie ustawia same zera. W ustawieniach kotła masz dostęp do menu "Ochrona powrotu". Jeśli jest włączona i pilnuje powiedzmy tych 45 stopni, to przy małym zaworze 4D i braku pompy kotłowej będziesz miał duże i długie wahnięcia zaworu, dla którego priorytetem jest utrzymanie tej minimalnej temperatury powrotu. Niestety dzieje się to kosztem grzejników i na czas dogrzewania powrotu mogą robić się chłodne. Najpierw jednak trzeba poszukać przyczyny nierównego grzania góra/dół i kręcenie głowicami termostatycznymi nic nie da. One nie sa przeznaczone do regulacji hydraulicznej. Jest dokładnie tak jak piszesz. tzn. zawor 4d 90 procent czasu ma bardzo małe wachniecia tzn chodzi 1-2% w prawo lub lewo. ale czasami mu odwali i chodzi od lewej do prawej w zakresie 30%-nawet do maca dochodzi. Powoduje to puszczanie w takim cyklu gorącej a później po kilkunastu sekundach zimnej wody na grzejniki. wtedy przekrecam taka śrubę na froncie obudowy zaworu 4d na nastawy ręczne po czym daje na auto i się normuje. z tym ze przed przełączenie na auto obserwuje wskazania na wyświetlaczu i gdy wskazuje że zawor 4d jest na 50% a fizycznie zawor nie jest w połowie to go przekręcam na te 50% tj. To pokrętło od frontu zaworu daje tak aby wskaźnik był pomiedzy czerwonym a niebieskim.
kiminero Opublikowano 6 Listopada 2016 #29 Opublikowano 6 Listopada 2016 Spróbuj tak: Wyczyść filtr. Kocioł trzymaj wysoko 65-70. 4D prowadź pogodowo. Jak masz termostat ścienny, to nie może on wyłączać pompy, tylko wprowadzać korektę do wyliczeń pogodowych. Ochronę powrotu ustaw na 46 z histerezą 1. Za pompą CWU musi być zawór zwrotny. Wszystkie termostaty odkręć na max lub zdejmij głowice i w tym ustawieniu wszystkie maja grzać równo. Pisałeś o pięciu obiegach podłogi i musisz wziąć poprawkę na pomieszczenia gdzie ona się znajduje. Jeśli poza podłogą masz w pomieszczeniu grzejnik, to jest duże prawdopodobieństwo, że pomimo odkręconej na max głowicy termostatycznej grzejnik się nie rozgrzeje i lepiej tu głowice na czas próby zdjąć. Po prostu podłoga daje radę ogrzać pomieszczenie i termostat się zamyka. Jeśli przy zdjętych głowicach są różnice w temp grzejników, to zwiększ bieg pompy lub kryzuj grzejniki mocno grzejące. Robisz to zaworem zasilającym gdzie jest skala kryzy. Gdy uda się wyrównać grzejniki, to termostaty grzejnikowe ustaw w pozycji, która odpowiada temp dla ciebie komfortowej (nie wiem jakie masz, ale w pudełku lub na pudełku będzie info jaki numer na głowicy odpowiada jakiej temp otoczenia, zazwyczaj 3 to okolice 21 stopni). Termostaty raz ustawione zostaw w spokoju jeśli temperatura w pokojach ci odpowiada. Istnieje możliwość, że regulacji kryzowania nie trzeba robić, bo to mała instalacja i pompa powinna sobie radzić. Próbowałbym najpierw poeksperymentować z biegami.
Lechu200000 Opublikowano 6 Listopada 2016 Autor #30 Opublikowano 6 Listopada 2016 Dom na parterze ma ogrzewanie jak na zalaczonym zdjęciu. Na dole są 4 obwody podlogowki . jeden na łazience plus jest tam grzejnik. Kuchnia i wiatrolap są na kolejnym obwodzie plus wiatrołap ma mały grzejnik. JADALNIA i hall są na 2 osobnych obwodach. PLUS są tam 2 grzejniki. NA gorze są same grzejniki tylko w łazience na gorze jest podlogowka. NA razie podlogowka nie chodzi nie jest zalana. Dom jest z 2010 roku i wtedy w zimę ogrzewanie działało podłoga plus grzejniki. Byla przerwa w zamieszkania do teraz w tym okresie nie było wody w instalacji. WE wrześniu tego roku zalałem pięć i grzejniki. wszystkie na dole działały plus 2 na polpietrze i dwa na poddaszu. Przed długim weekendem dałem pompe CO na 1 bieg. PO powróbcie okazało się ze grzejnik w łazience na dole nie działa. Zdjąłem go założyłem na nowo zalalek i odpowietrzylem wszystkie pompa na 3 bieg. I nie pomogło. Założyłem resztę grzejnikow na gorze tj 3 szt. Zalała odpowietrzylem i grzeje ale sama góra. Pozakrecalem górę poza jednym i dwóch w pokoju na polpietrze do tego cały dol odkręcony na max. dół działa pokój na polpietrze tez i ten jeden na poddaszu tez. Jak dodaje tzn. otwieram jeden dodatkowy na poddaszu to czuć ze dół zaczyna gorzej grzać nie dramatycznie ale gorzej. GDY załącze wszystkie na gorze to historia się powtarza góra grzeje dół zimny. Przeczyszcze filtr. STEROWANIA pogodnego trochę się obawiam bo dochodzi ustawianie tej krzywej grzewczej..... a ja słaby jestem w tych tematach. Dodatkowo zauważyłem ze jak piec był na 65, temp mieszacz 4d na 43 st to powrót miał 50 st. JAK mam piec na 72 st temp mieszacza jest 55 to powrót ma 43 st. O co chodzi? czy to nie jest tak ze fabrycznie jest jakss temp powrotu ustawio a i piec ma ja trzymac? tu wyglada na to ze zaleznie jaka dam temp ns mieszaczu 4d to zmienia sie temp powrotu - chyba ze nie ms wlaczonej ochrony powrotu ale czy tak moze byc? jak piszecie ustawie ochronę powrotu w serwisowych jak mi się uda na wyższą. W nadchodzącym tygodniu będę zalewa i uruchamial podlogowke to będą jaja. ...
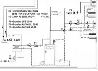
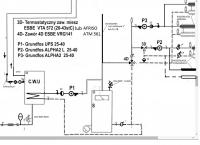
odpowietrznik Opublikowano 6 Listopada 2016 #31 Opublikowano 6 Listopada 2016 Ty nie mów kolejny raz ze przeczyścisz filtr( to 5min roboty) tylko to zrób :) bo to moze być z dużym prawdopodobieństwem przyczyną Twoich problemów z instalacją A Twoja instalacja powinna mniej więcej wyglądać tak
Lechu200000 Opublikowano 6 Listopada 2016 Autor #32 Opublikowano 6 Listopada 2016 Wyczyszcze tylko ze jestem poza domem wieczorem wracam.
Gość miki1212 Opublikowano 6 Listopada 2016 #33 Opublikowano 6 Listopada 2016 To normalne bo zawór 4D tak działa, że jak odkręcasz więcej na grzejniki to tym samym zamykasz i dajesz mniej na powrót, dlatego na początku powrót jest zimniejszy ale jak po czasie grzejniki stają się cieplejsze to i powrót robi sie cieplejszy.
Lechu200000 Opublikowano 7 Listopada 2016 Autor #34 Opublikowano 7 Listopada 2016 Witam. KOLEJNE pytanie się pojawiło. Wczoraj w ustawieniach serwisowych ustawiłem ochrone powrotu na 45 st a była na 38 st. Pięć bez zmian 72 st. po paru chwilach zawor 4d chodził od prawa do lewa. temperatura na nim od 40 paru do 60 paru stopni w cyklach około 2 minutowych a ochrona powrotu na te 45. Wróciłem w serwisowe i ustawiłem na 38 st ochronę powrotu pięć 72 zawor 4d na 55 st. PO chwili zawor się unormowal i zadawał te 55 st kontrolując wachniecia w prawo lewo minimalnie. w tym przypadku ochrona powrotu trzymała się na 48 st. Tak jak na załączonych zdjęciach. PYTANIE czy warto ustawiać w serwisowych ta ochronę na 45 st i zawor 4d daje w cyklach zmniejsza i cieplejsze wodę na grzejniki przez co gorzej zachować jednolitą temperaturę czy zostawić ochronę na 38 wtedy zawor pracuje stabilnie i dajw te 55 st na grzejniki ciągłe ochrona i tak jest na 48 st. w takim przypadku? PS. filtr wyczyszcze dziś. ... Aha i nie zauważałem żadnych zaworów zwrotnych w mojej instalacji, i dodatkowo czy to ze rurka do naczynia zbiorczego jest z pexa to wpływa jakoś na cala instalacje?
Lechu200000 Opublikowano 7 Listopada 2016 Autor #35 Opublikowano 7 Listopada 2016 Dodałem jeszcze fotę pompy CO i skrzynki z podlogowka.
odpowietrznik Opublikowano 7 Listopada 2016 #36 Opublikowano 7 Listopada 2016 Brak zaworu zwrotnego.Za pompą na grzejniki też takowy powinien być.Swoją drogą ciekawe gdzie są włączone zasilanie i powrót od tej podłogówki
Lechu200000 Opublikowano 8 Grudnia 2016 Autor #37 Opublikowano 8 Grudnia 2016 Dzięki wszystkim za porady. Problem był w zapchanym filtrze przed pompą CO. dodatkowo okazało się ze to jest filtr gazowy z bardzo drobna siateczka. Jak go wyjalem to pompa CO która wcześniej szła na 3 biegu teraz na 1 daje rade. Do tego zalałem podlogowke i tez działa. Grzejniki ciepłe tak jak trzeba. Teraz przyjdzie czas na ustawianie pieca i zmniejszenie spalania bo teraz idzie 38 kg na dobę. RAZ jeszcze dzięki za pomoc!
Rekomendowane odpowiedzi
Zarchiwizowany
Ten temat przebywa obecnie w archiwum. Dodawanie nowych odpowiedzi zostało zablokowane.