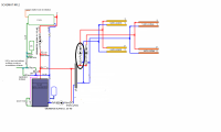
odpowietrznik Opublikowano 6 Marca 2016 #1 Opublikowano 6 Marca 2016 Witam Czy poniższy schemat jest OK? Dzięki za odp
sambor Opublikowano 6 Marca 2016 #2 Opublikowano 6 Marca 2016 Przecież wiesz, że jest, dobrze, zgodnie z europejskimi normami i zdrowym rozsądkiem. Zaraz się pewnie podniesie wrzask , że NP nie powinno być za pompą, ale na dowód , że inni tak robią , schemat Wolfa z podłączeniem naczynia do kotła HG. PS Pompa 25/40 przy zaw RTL może być na mała, ale to trzeba sprawdzić w praktyce.
odpowietrznik Opublikowano 6 Marca 2016 Autor #3 Opublikowano 6 Marca 2016 Bardzo dziękuję za odp.ale pójdźmy o krok dalej.Czy pojawienie się zaworu 3D typu VTA lub VRG np.w obiegu podłogowym generuje potrzebę zastosowania sprzęgła hydraulicznego (schemat nr.3)czy może być bez (schemat nr.2)
sambor Opublikowano 6 Marca 2016 #4 Opublikowano 6 Marca 2016 Samo sprzęgło to mało , każdy obwód potrzebuje za sprzęgłem pompy - czyli potrzeba pompę na grzejniki i pompę za zaw 3-D na podłogę.
odpowietrznik Opublikowano 6 Marca 2016 Autor #5 Opublikowano 6 Marca 2016 Jeżeli na kotle jest temp.mniejsza od 55 st.to przy VTC 55 C woda krąży tylko w obiegu kotłowym tym samym na etapie rozpalania kotła i każdego spadku temp.poniżej 55st czynnik grzewczy w ogóle nie idzie na instalacje? Poprawiony schemat w załączniku.
Gość Digitrax Opublikowano 6 Marca 2016 #6 Opublikowano 6 Marca 2016 Tak priorytetem jest rozgrzanie kotła i utrzymanie wymaganej temperatury na jego powrocie. Dopiero nadwyżką energii zostanie skierowana do obioru przez instalację.
robkom Opublikowano 7 Marca 2016 #7 Opublikowano 7 Marca 2016 czyli w przypadku zastosowania sprzęgła nie ma możliwości regulacja temperatury na wyjściu ze sprzęgła tak? temperatura na wyjściu jest taka ile zostanie z tych 55 stopni, tak? a co jak mam teraz na zaw. 4d sterowanie pogodowe, to tego już nie wykorzystam w przypadku zastosowania sprzęgła.
hajtaler428 Opublikowano 7 Marca 2016 #8 Opublikowano 7 Marca 2016 Za sprzęgłem możesz zastosować dowolny rodzaj sterowania temp CO
Gość Digitrax Opublikowano 7 Marca 2016 #9 Opublikowano 7 Marca 2016 Za sprzęgłem najlepiej się sprawi zawór 3D z siłownikiem podłączony do sterownika pogodowego. Bez różnicy czy to podłogówka czy grzejniki. Obwody i tak muszą być osobno sterowane ze względu na temperatury zasilania. Zawór 3D wystarczy 1" a pompy to w 90% przypadkach 25/40. Masz wtedy regulację automatyczną przynoszącą najwięcej oszczędności. Dodatkowo na grzejnikach zawory termostatyczne i jest instalacja wzorcowa.
odpowietrznik Opublikowano 7 Marca 2016 Autor #10 Opublikowano 7 Marca 2016 Ale chyba rozwiązanie z zaworem 3D na grzejniki nie jest najszczęśliwsze?Domniemam że wtedy na grzejnikach są zwykłe zawory bo gdyby termostatyczne to regulacja temp.by się dublowała? a skoro są zwykłe to trzeba nimi co chwilę kręcić aby mieć pożądaną temp.w danym pomieszczeniu.Z uwagi na powyższe zdecydowanie lepszym rozwiązaniem jest sama pompa (z Autoadapt) w obiegu grzejnikowym + zawory termostatyczne na grzejnikach?Jakoś nie widzę tu plusów w zastosowaniu zaw.3D no ale może o czymś nie wiem)
odpowietrznik Opublikowano 7 Marca 2016 Autor #11 Opublikowano 7 Marca 2016 Za sprzęgłem najlepiej się sprawi zawór 3D z siłownikiem podłączony do sterownika pogodowego. Bez różnicy czy to podłogówka czy grzejniki. Obwody i tak muszą być osobno sterowane ze względu na temperatury zasilania. Zawór 3D wystarczy 1" a pompy to w 90% przypadkach 25/40. Masz wtedy regulację automatyczną przynoszącą najwięcej oszczędności. Dodatkowo na grzejnikach zawory termostatyczne i jest instalacja wzorcowa. Sor Dig napisaliśmy posta równolegle nie zauważyłem i wrzuciłem swojego) a w Twoim jest odp na moje wątpliwości)Ale jak sterownik kotła nie obsługuje 3D to chyba najlepszym rozwiązaniem wydaje się być VTA na podłogę a na grzejniki pompa z Auto+termostaty na grzejnikach?
Rekomendowane odpowiedzi
Zarchiwizowany
Ten temat przebywa obecnie w archiwum. Dodawanie nowych odpowiedzi zostało zablokowane.