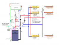
Marek009 Opublikowano 29 Grudnia 2015 #1 Opublikowano 29 Grudnia 2015 Witam. Przygotowuję się do wykonania instalacji w nowym domku 2 pietrowym ( 3 kondygnacje ) ale całość to około 180m2 powierzchni użytkowej. Wąski a wysoki - taki urok szeregowca. Szeroki 6m. Długi 12m. Taki jamnik. OZC budynku na stronie ciepłowłaściwe wyszło, że potrzebuję pieca max 8KW, ale i tak nie uwzględnione że przy dłuższych bokach sąsiadują budynki, co prawda każdy ma swoją ścianę, ale wychodzi jakby była 1 wspólna. Co do pieca, to oczywiście na ekogroszek z podajnikiem. Myślałem długo nad Kostrzewa Fuzzy Logic 15KW, bo 3 kolegów ma ( co prawda 25KW) i chwalą sobie ( a znalezienie opinii pozytywnych o tych piecach jak na lekarstwo), lecz cena mnie trochę odstrasza. Ostatecznie raczej chyba wybór padnie na Defro Comfort Eko 12KW, ale bez wersji do układu zamkniętego, bo sam sobie przystosowałem jak widać z wykorzystaniem zaworu DBV1, bo na jedno wychodzi a dużo taniej. Układ jest mieszany, a właściwie podwojony, bo wszędzie są grzejniki i wszędzie jest podłogówka. Ogrzewać mam zamiar głównie podłogówką. a grzejniki to głównie jesienią lub wiosną, żeby jak to się mówi przepalić na szybko w piecu w chłodniejsze dni i gdy podłogówka nie będzie jeszcze uruchomiona przed sezonem grzewczym. Możliwe, że zakręcę wszystkie, a zostawie tylko 3 drabinki w łazienkach. Oczywiście C.W.U będę grać na okrągło. Poczytałem i wymyśliłem taki schemat, proszę o sprawdzenie tej instalacji. Czy jest dobrze. Może czegoś brakuje, czegoś za dużo, coś źle wpięte, za grube rury, za słaba pompka, itp. Długość rury od pieca do najwyżej położonego rozdzielacza to 6m. Dwa zawory 4D dałem po to, żeby grzać tylko c.w.u. latem, sterowane będą przez sterownik pieca - nie uwzględnione są czujniki temperatury, ale będą założone na powrocie wody do zaworów 4D. Rozdzielacz podłogówki klasyczny z rotametrami, pętle równe po 60m., a grzejniki (z zaworami termostatycznymi - zasilanie dolne) ze zwykłych belek rozdzielaczy rurką pex 16 każdy z osobna. co2.bmp
Gość mak Opublikowano 29 Grudnia 2015 #2 Opublikowano 29 Grudnia 2015 Zwykły przerost formy nad treścią, Niby udajesz oszczędnego, bo fabrycznego kotła do układu zamkniętego kupić nie chcesz ale instalacje dajesz podwójną co oznacza że masz za dużo kasy w portfelu.. Dlaczego tego nawet sam dokładnie nie wiesz. Podobnie z zaworami 4D. Tego na podłogówkę trzeba zastąpić zaworem 3D. Nie za bardzo rozumiem jakie znaczenie ma dla grzania cwu latem zawór 4D? To też jakaś "nowa" koncepcja którą powinieneś wyjaśnić. Dla mnie zwykłą głupotą są również grzejniki, podobnie jak kocioł na ekogroszek do nowego domu. Piszesz o zapotrzebowaniu na poziomie 8 kW ale kocioł pakujesz 12 tu też trzeba zapytać: Po co? Jedyny pozytyw to to że nikt nie namówił cię na te 25 kW mocy kotła. Te 8kW które wyliczyłeś to moc na minimalnej temperatury zewnętrzne czyli -20 C i właściwie powinieneś sobie zadać pytanie ile będzie Ci potrzeba mocy jak na zewnątrz temperatura będzie wynosić +10 do 0 C, a właściwie co zrobisz wtedy z nadmiarem mocy?
odpowietrznik Opublikowano 29 Grudnia 2015 #3 Opublikowano 29 Grudnia 2015 Witam. Przygotowuję się do wykonania instalacji w nowym domku 2 pietrowym ( 3 kondygnacje ) ale całość to około 180m2 powierzchni użytkowej. Wąski a wysoki - taki urok szeregowca. Szeroki 6m. Długi 12m. Taki jamnik. OZC budynku na stronie ciepłowłaściwe wyszło, że potrzebuję pieca max 8KW, ale i tak nie uwzględnione że przy dłuższych bokach sąsiadują budynki, co prawda każdy ma swoją ścianę, ale wychodzi jakby była 1 wspólna. Co do pieca, to oczywiście na ekogroszek z podajnikiem. Myślałem długo nad Kostrzewa Fuzzy Logic 15KW, bo 3 kolegów ma ( co prawda 25KW) i chwalą sobie ( a znalezienie opinii pozytywnych o tych piecach jak na lekarstwo), lecz cena mnie trochę odstrasza. Ostatecznie raczej chyba wybór padnie na Defro Comfort Eko 12KW, ale bez wersji do układu zamkniętego, bo sam sobie przystosowałem jak widać z wykorzystaniem zaworu DBV1, bo na jedno wychodzi a dużo taniej. Układ jest mieszany, a właściwie podwojony, bo wszędzie są grzejniki i wszędzie jest podłogówka. Ogrzewać mam zamiar głównie podłogówką. a grzejniki to głównie jesienią lub wiosną, żeby jak to się mówi przepalić na szybko w piecu w chłodniejsze dni i gdy podłogówka nie będzie jeszcze uruchomiona przed sezonem grzewczym. Możliwe, że zakręcę wszystkie, a zostawie tylko 3 drabinki w łazienkach. Oczywiście C.W.U będę grać na okrągło. Poczytałem i wymyśliłem taki schemat, proszę o sprawdzenie tej instalacji. Czy jest dobrze. Może czegoś brakuje, czegoś za dużo, coś źle wpięte, za grube rury, za słaba pompka, itp. Długość rury od pieca do najwyżej położonego rozdzielacza to 6m. Dwa zawory 4D dałem po to, żeby grzać tylko c.w.u. latem, sterowane będą przez sterownik pieca - nie uwzględnione są czujniki temperatury, ale będą założone na powrocie wody do zaworów 4D. Rozdzielacz podłogówki klasyczny z rotametrami, pętle równe po 60m., a grzejniki (z zaworami termostatycznymi - zasilanie dolne) ze zwykłych belek rozdzielaczy rurką pex 16 każdy z osobna. No nie na jedno wychodzi bo mimo wszystkich zabezpieczeń do układu zamkniętego nie będziesz miał gwarancji na kocioł Defro który sobie upatrzyłeś (przerabiałem to) Defro ma specjalny kocioł do układu zamkniętego(wzmocniona konstrukcja) ale ta zabawka kosztuje x2 Z tego powodu zakupiłem SASa bo przy tym kotle miałem gwarancję.
Marek009 Opublikowano 29 Grudnia 2015 Autor #4 Opublikowano 29 Grudnia 2015 Zwykły przerost formy nad treścią, Niby udajesz oszczędnego, bo fabrycznego kotła do układu zamkniętego kupić nie chcesz ale instalacje dajesz podwójną co oznacza że masz za dużo kasy w portfelu.. Dlaczego tego nawet sam dokładnie nie wiesz. Podobnie z zaworami 4D. Tego na podłogówkę trzeba zastąpić zaworem 3D. Nie za bardzo rozumiem jakie znaczenie ma dla grzania cwu latem zawór 4D? To też jakaś "nowa" koncepcja którą powinieneś wyjaśnić. Dla mnie zwykłą głupotą są również grzejniki, podobnie jak kocioł na ekogroszek do nowego domu. Piszesz o zapotrzebowaniu na poziomie 8 kW ale kocioł pakujesz 12 tu też trzeba zapytać: Po co? Jedyny pozytyw to to że nikt nie namówił cię na te 25 kW mocy kotła. Te 8kW które wyliczyłeś to moc na minimalnej temperatury zewnętrzne czyli -20 C i właściwie powinieneś sobie zadać pytanie ile będzie Ci potrzeba mocy jak na zewnątrz temperatura będzie wynosić +10 do 0 C, a właściwie co zrobisz wtedy z nadmiarem mocy? Nie to,że nie chcę fabrycznego kotła do układu zamkniętego. Wybór pieca nie jest jeszcze w 100% przesądzony ( powiedzmy na 80% jest ), a nie wszystkie fabrycznie są przystosowane do układu zamkniętego, stąd dałem DBV1. Jeśli kupię Defro, to chyba warto fabrycznie wziąć do układu zamkniętego, bo niby wzmocniona konstrukcja, choć i tak nie wiadomo tego na 100%. Sam osobiście w to nie wierzę. Na pewno dodana tylko wężownica schładzająca i to wszystko. A z tym zaworem 4D na podłogówkę to będzie jakiś błąd? On będzie 3 punktowy, jest po to żeby całkowicie zamknąć podłogówkę a grzać wtedy grzejnikami, lub oba zamknąć i grzać tylko c.w.u. na lato, lub gdy mamy ustawiony priorytet boilera Przy zaworze 3D jest to niemożliwe? Grzejniki jako rezerwa i w razie awarii i żeby szybko nagrzać pomieszczenie gdy przyjdą chłodne dni, bo podłogówka ile się rozgrzewa? Dzień? Dwa? Nie wiem bo nie mam. Co do pieca, to nie widziałem 8kW z podajnikiem. Ja nie chcę gazu. Co będzie jak Ruskie zakręcą kurek? Nie będę przepłacał za gaz z Kataru. Wolę wspierać polskich górników, a może też czeskich. ;) Ponadto nie lubię abonamentu, a telefon mam na kartę.
Marek009 Opublikowano 29 Grudnia 2015 Autor #5 Opublikowano 29 Grudnia 2015 No nie na jedno wychodzi bo mimo wszystkich zabezpieczeń do układu zamkniętego nie będziesz miał gwarancji na kocioł Defro który sobie upatrzyłeś (przerabiałem to) Defro ma specjalny kocioł do układu zamkniętego(wzmocniona konstrukcja) ale ta zabawka kosztuje x2 Z tego powodu zakupiłem SASa bo przy tym kotle miałem gwarancję. Układ zamknięty to chyba dopłata 1400zł do ceny w przypadku tego Defro - gdzieś widziałem w sklepie. Moim zdaniem to tylko pretekst producenta aby unieważnić gwarancję, albo zarobić więcej bo inny trzeba kupić - wzmocniony. Poczytam o SASie, nie brałem pod uwagę.
Marek009 Opublikowano 29 Grudnia 2015 Autor #6 Opublikowano 29 Grudnia 2015 No nie na jedno wychodzi bo mimo wszystkich zabezpieczeń do układu zamkniętego nie będziesz miał gwarancji na kocioł Defro który sobie upatrzyłeś (przerabiałem to) Defro ma specjalny kocioł do układu zamkniętego(wzmocniona konstrukcja) ale ta zabawka kosztuje x2 Z tego powodu zakupiłem SASa bo przy tym kotle miałem gwarancję. Czy ten układ gdzie zamiast drugiego zaworu 4D dałem zawór 3D będzie lepszy? Nadmieniam, że siłowniki dać 3 punktowe. Ale nie wiem nadal dlaczego nie mogą być 2 zawory 4D? Przecież to chyba lepiej? Byłyby 2 niezależne od siebie sterowane obwody? Może ktoś wyjaśni?
Gość mak Opublikowano 30 Grudnia 2015 #7 Opublikowano 30 Grudnia 2015 Przy podłogówce grzejniki to zbędny wydatek, na podłogówkę powinien być 3D . Dlaczego 4D nie nadaje się do podłogówki? Dlatego że 4D ma dwie funkcje czyli ochrony powrotu i regulacji temperatury na CO i jeżeli przy grzejnikach spełnia swoją funkcję to przy podłogówce ze względu na niską temperaturę zasilania już nie. Oczywiście opowiadasz bzdury o gazie, zrersztą dość często powtarzane na forum, a przy podłogówce i niskim zapotrzebowaniu na moc jest to optymalne rozwiązanie. Nie chcesz przepłacać za gaz ze wschodu czy Kataru będziesz przepłacał ......za węgiel z KW lub KHW, bo .... tak, tak jest to najdroższy węgiel w Europie
sambor Opublikowano 30 Grudnia 2015 #8 Opublikowano 30 Grudnia 2015 Układ jest dobry, jak potrafisz to sam wykonać i nie zepsuć to rób. A co do polskiego węgla to na rynku jest już dużo obcego - ceny węgla z USA, Kolumbii i Australii są niższe niż nasze, ponadto jeszcze dużo jest "ruska". Ale w sumie gaz byłby tańszym rozwiązaniem.
Marek009 Opublikowano 30 Grudnia 2015 Autor #9 Opublikowano 30 Grudnia 2015 Ok, czyli będzie ten z zaworem 4D i 3D, instalację zrobi się. Mój tata na emeryturze szuka zajęcia, to mu powiem, że już ma, to się ucieszy. U siebie sam robił to i u mnie da radę. Gwintowanie i lutowanie nie jest mu obce, także jest ok. Gaz mam w domu rodziców i wcale tak wesoło z kosztami nie jest - 1200 za miesiąc i nie ma zmiłuj się, dom 200m2. Może dlatego, że stary piec bo chyba 20-letni, a dom 35 lat, ale okna starego typu plastikowe i słabe ocieplenie, bo suporex i styropian 5cm? Dlatego biorę na groszek, bo podejrzewam, że więcej jak 600zł w miesiącu nie wydam na ogrzewanie. Jeżeli się zawiodę to trudno, ale spróbować trzeba. Spotykam też ludzi, którzy chwalą się, że wydają 1000zł za rok ogrzewania gazem jakiegoś tam bliźniaka te ze 200m2, ale jakoś nikt nie chciał pokazać rachunków za gaz. Niżej jeszcze mój wykres kosztów z ciepłowłaściwe. Różnica tylko 800zł między groszkiem a gazem na korzyść groszku. Wiadomo, że nie można tego brać dosłownie, ale jakaś tam różnica jest. Pozdrawiam.
maciej1007 Opublikowano 30 Grudnia 2015 #10 Opublikowano 30 Grudnia 2015 Witam. Ja co prawda ogrzewam węglem,ale interesuje się też opłacalnością ogrzewania domu gazem. I z moich obserwacji wynika,że jeśli mamy ciepły budynek i możliwość ogrzania go gazem to wcale nie jest to wysoki koszt w porównaniu z węglem. Przykład,kilka tygodni temu analizowałem rachunek za prawie dwa miesiące dla domu w którym ogrzewane jest 300 m2,w tym piwnica oraz cwu oraz kuchnia..Domownicy w liczbie cztery sztuki.Średnia za dobę 25 zł.Czy to drogo?Jeśli ktoś ma przyzwoite dochody i nie jest sknerą to w porównaniu z węglem wcale nie jest taka duża różnica.Tym bardziej że kotły gazowe też nie są jakoś bardzo drogie.
Gość mak Opublikowano 31 Grudnia 2015 #11 Opublikowano 31 Grudnia 2015 Ok, czyli będzie ten z zaworem 4D i 3D, instalację zrobi się. Mój tata na emeryturze szuka zajęcia, to mu powiem, że już ma, to się ucieszy. U siebie sam robił to i u mnie da radę. Gwintowanie i lutowanie nie jest mu obce, także jest ok. Gaz mam w domu rodziców i wcale tak wesoło z kosztami nie jest - 1200 za miesiąc i nie ma zmiłuj się, dom 200m2. Może dlatego, że stary piec bo chyba 20-letni, a dom 35 lat, ale okna starego typu plastikowe i słabe ocieplenie, bo suporex i styropian 5cm? Dlatego biorę na groszek, bo podejrzewam, że więcej jak 600zł w miesiącu nie wydam na ogrzewanie. Jeżeli się zawiodę to trudno, ale spróbować trzeba. Spotykam też ludzi, którzy chwalą się, że wydają 1000zł za rok ogrzewania gazem jakiegoś tam bliźniaka te ze 200m2, ale jakoś nikt nie chciał pokazać rachunków za gaz. Niżej jeszcze mój wykres kosztów z ciepłowłaściwe. Różnica tylko 800zł między groszkiem a gazem na korzyść groszku. Wiadomo, że nie można tego brać dosłownie, ale jakaś tam różnica jest. Pozdrawiam. Nie porównuj 20-letniego domu rodziców ze swoim. Tam masz zapotrzebowanie na poziomie 24-27 kW ty masz....7 kW i to przy minimalnej obliczeniowej temperaturze zewn. Gaz ma sens wtedy gdy dom jest o niskim zapotrzebowaniu na ciepło, a Ty masz taki właśnie. U twoich rodziców też można spokojnie obniżyć rachunki trzeba tylko inwestycji w docieplenie.Przy ogrzewaniu domu o niskim zapotrzebowaniu na ciepło, z instalacją niskotemperaturową i węglowym źródle ciepła problemem nie są koszty ogrzewania tylko praca kotła. Niestety w większości przypadków takie kotły stają się domowymi wytwórniami sadzy i smoły. Aby kocioł na węgiel poprawnie pracował temperatura zasilania musi wynosić ok 60-65 C a powrót ok 50. a na zasilanie podłogówki potrzeba 30 -40 C i to przy najniższych temp. zewnętrznych. Dlatego pytałem co zamierzasz zrobić z nadmiarem ciepła z kotła w okresach przejściowych? Nie chcesz odpowiedzieć na to pytanie.Temperaturę -20C mamy może ze dwie noce na .....5 lat. Decyzja jest twoja tak jak i problemy będą twoje, ale radzę poczytać o problemach jakie opisują inni forumowicze. PS. Jak nie lubisz abonamentów to musisz zrezygnować z dostaw prądu elektrycznego, wody, kanalizacji, telewizji. Wszędzie tam jest abonament, a bez wody, prądu i kanalizacji nie potrzebny Ci dom wystarczy szałas. A w szałasie nie będzie potrzebne Ci CO wystarczy chrust i ognisko
Marek009 Opublikowano 31 Grudnia 2015 Autor #12 Opublikowano 31 Grudnia 2015 Co z nadmiarem mocy? Piec z podajnikiem jest przecież, to niech wejdzie sobie w podtrzymanie i problem z nadmiarem mocy rozwiązany. Ile w takim stanie spali groszku, 100kg przez miesiąc. Co do poprawności działania przy temperaturach 65/50 - to przecież jest zawór 4D, który to załatwia. Myślę, że nie będzie tragedii.
Gość Digitrax Opublikowano 31 Grudnia 2015 #13 Opublikowano 31 Grudnia 2015 Taniej i skuteczniej będzie jak wykonasz to zgodnie z poniższym schematem. Wszystkie rury to miedź 28. Za pompami może być już Pex 25. Zawory 3D wystarczą 1". Dla wydajności pomp należy obliczyć przepływy ale w 90 % przypadkach jak poprawnie będzie wykonana instalacja to wystarczą "40".
Marek009 Opublikowano 31 Grudnia 2015 Autor #14 Opublikowano 31 Grudnia 2015 Taniej to raczej nie będzie, bo dochodzi mi tu pompa kotłowa (która zapewne służy tu do ochrony powrotu), minus niewielka różnica ceny zaworu 4D a 3D, a u mnie to samo robi to zawór 4D i wtedy pompy kotłowej brak. Ze skutecznością to nie wiem (zmniejszona bezwładność cieplna kotła?), bo nie znalazłem odpowiedzi na pytanie jaka jest różnica między tymi dwoma układami, a schematy w obu przypadkach znajdują zastosowanie. Interesuje mnie jeszcze jedna kwestia. Czy potrzebna mi jest pompa c.w.u. jeśli zbiornik jest poziomy i wisi powyżej kotła? Czy Grawitacja nie załatwi tu sprawy? Chyba, że przy kotle z podajnikiem jest obligatoryjna.
Gość Digitrax Opublikowano 31 Grudnia 2015 #15 Opublikowano 31 Grudnia 2015 Jeżeli uważasz, że zawór 4D zabezpieczy powrót lepiej niż pompa kotłowa to ja już nie mam nic do dodania w tym temacie. Pompa kotłowa do jednorazowy wydatek i pobór prądu nie przekracza 10 W. Amen.
Marek009 Opublikowano 31 Grudnia 2015 Autor #16 Opublikowano 31 Grudnia 2015 Nic nie uważam, bo duchem świętym nie jestem, tylko chodzi mi o wyjaśnienie w czym jest ta różnica? Czy to taki problem jest, czy tak do końca nie wiadomo? Myślę, że jest tak: Przy 4D zamkniętym - mamy obieg kotłowy zamknięty na grawitacji, a to najlepsze rozwiązanie dla pieca, temperatura przekroczy zakładaną wartość to sterownik otworzy go do połowy (przy siłowniku 3 punktowym?), woda pójdzie na obieg, na powrocie będzie zmieszana, a te bezpieczne 50'C osiągnie pewnie po rozgrzaniu całej instalacji. Przy pompie kotłowej mieszającej szybciej na powrocie osiągnie te 50'C? Też będzie mieszać między wyjściem z kotła a powrotem z instalacji i powinien być identyczny rozkład temperatur, tylko tyle, że woda szybciej krąży w kotle. Czy nie jest tak? Ktoś potrafi wytłumaczyć? Jak widać zdania są podzielone. Jeden woli ogórki, drugi ogrodnika córki. https://forum.info-ogrzewanie.pl/topic/5650-4d-pompa-kotlowa/
Rekomendowane odpowiedzi
Zarchiwizowany
Ten temat przebywa obecnie w archiwum. Dodawanie nowych odpowiedzi zostało zablokowane.