marian1107 Opublikowano 13 Grudnia 2015 #1 Opublikowano 13 Grudnia 2015 Witam. Mam pytanie odnosnie dzialanie tej instalacji czy wszystko bedzie dobrze pracowac.
sambor Opublikowano 13 Grudnia 2015 #2 Opublikowano 13 Grudnia 2015 Nie, nie będzie prawidłowo pracować najwyżej wodę podgrzeje.
marian1107 Opublikowano 13 Grudnia 2015 Autor #3 Opublikowano 13 Grudnia 2015 witam. Czy mozesz podpowiedziec gdzie jest blad??
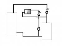
sambor Opublikowano 13 Grudnia 2015 #4 Opublikowano 13 Grudnia 2015 Jak wywalisz zawór 3-D to będzie działać Dodatkowo brak naczynia przelewowego
hajtaler428 Opublikowano 13 Grudnia 2015 #5 Opublikowano 13 Grudnia 2015 Pytanie po co Ci ten zawór 3d - do regulacji temp CO? Jeżeli tak to powinno chyba to wyglądać tak. Niech Sambor się wypowie Jeżeli masz zawory termostatyczne na grzejnikach to zawór 3d niepotrzebny chyba że wywalisz pompę kotłową i zawór 3d w funkcji ochrony powrotu i pompa też na powrót między kocioł a zawór 3d
pasik1002 Opublikowano 14 Grudnia 2015 #6 Opublikowano 14 Grudnia 2015 strasznie zamieszany ten układ jak chcesz mieć regulacje temp na grzejniki to wywal ten 3d i pompę kotłową i załóż zawór 4d, a jak nie chcesz mieć regulacji temp na grzejniki wywal ten zawór 3d i bedzie ok
Gość Digitrax Opublikowano 14 Grudnia 2015 #7 Opublikowano 14 Grudnia 2015 Ilość pomp się zgadza ale układ połączeń jest bzdurny. Pompa ładująca CWU być musi. Pompa CO także i do niej własnie należy podłączyć zawór 3D aby regulować niezależnie np pogodowo temperaturę grzejników. Pompa kotłowa skutecznie podgrzeje powrót kotła włączając się cyklicznie raz na jakiś czas. Do tego podłączyć wymagane naczynie otwarte i układ staje się poprawny. Zapewne padnie pytanie po co pompa kotłowa i zawór 3D jeżeli 4D zrobi to podobnie. Właśnie, że nie zrobi tego tak skutecznie jak powyższe rozwiąznie. Albo wyreguluje nam temperaturę CO albo podgrzeje powrót. Dodatkowo trzeba wykonać układ kotłowy zgodnie ze sztuką czyli grube rury, zawór 4D i jak najbliżej kotła. Ni każdy sobie z tym radzi bądź szuka oszczędności. Przy powyższym rozwiązaniu wystarczą rury 1" lub Cu28. PS: hajtaler dobrze to rozrysował tylko zawór zwrotny znad pompy CO winien znaleźć się na powrocie z obiegu CO za trójnikiem do zaworu 3D.
hajtaler428 Opublikowano 15 Grudnia 2015 #8 Opublikowano 15 Grudnia 2015 Wszystko zależy po co ten zawór 3d ale autor coś się przestał udzielać...Bo jeśli są zawory termostatyczne na grzejnikach to można wywalić pompę kotłową a zawór 3d z pompą dać na powrót - jedna pompa mniej = oszczędności na prądzie. Ja mam u siebie taki układ i wszystko śmiga jak ta lala. A na początku chciałem 4d ale po lekturze forum i zapoznaniu się z problemami regulacji temp obiegów zrezygnowałem z tego pomysłu i nie żałuję
Gość Digitrax Opublikowano 15 Grudnia 2015 #9 Opublikowano 15 Grudnia 2015 Jeżeli masz w domu instalację w 100% metalową to można zrobić tak jak piszesz. Regulację temperatury w pomieszczeniach realizują wtedy wyłącznie termostaty. Wadą tego rozwiązania jest fakt, że temperatura obiegu CO = temperaturze kotła. Gdy masz jednak instalację PP lub z aluPEX to zawór 3D na zasilaniu jest wskazany. Rury z tworzyw nie lubią wysokich temperatur. PP się odkształci a PEX może rozwarstwić. Kolejnym plusem na korzyść zaworu 3D jest możliwości podłączenia niezależnego sterownika pogodowego. Dzięki temu grzejniki mamy ciepłe na całej powierzchni, ponieważ mamy przez nie większy przepływ chłodniejszego czynnika. Idą za tym oszczędności w opale. Obecnie produkowane pompy pobierają mało energii. Kotłowa pracuje sporadycznie tak jak ładująca zbiornik CWU. Działa na tej samej zasadzie z tą różnicą, że czujnik mierzy temperaturę powrotu kotła a nie temperaturę zbiornika CWU.
marian1107 Opublikowano 15 Grudnia 2015 Autor #10 Opublikowano 15 Grudnia 2015 Witam Panowie. Nie ze przestalem sie udzielac:) Dziekuje za zainteresowanie sie tematem. Nie jestem instalatorem .Lubie sam sobie rozne rzeczy zrobic. I tak wlasnie na ten sezon podlaczylem piec , i zastosowalem dwie pompy. Jedna na co zalaczana termostatem pokojowym. Druga na cwu z funkcja mieszajaca. Tylko ze temp powrotu jest bardzo niska. Mam zawory termostatyczne na grzejnikach(i tu znow pytanie czy mozna same wkladki kupic) Pozdrawiam
Gość Digitrax Opublikowano 15 Grudnia 2015 #11 Opublikowano 15 Grudnia 2015 Zrób zdjęcia i pokaż jak ten kocioł jest podłączony.
marian1107 Opublikowano 18 Grudnia 2015 Autor #12 Opublikowano 18 Grudnia 2015 Witam. Rysunek szybciej sie wstawia:) Panowie czy taka POMPA CYRKULACYJNA C.W.U. LFP ERGA 3W nada sie na pompe obiegu kotlowego??? Ma najnizsze zuzycie pradu. Na stronach sprzedajcy pisza ze nadaje sie rowniez do instalacji co. Pozdrawiam
marian1107 Opublikowano 18 Grudnia 2015 Autor #14 Opublikowano 18 Grudnia 2015 w ktorym miejscu jest zly??
Gość Digitrax Opublikowano 19 Grudnia 2015 #15 Opublikowano 19 Grudnia 2015 W kierunku naczynia otwartego
hajtaler428 Opublikowano 19 Grudnia 2015 #16 Opublikowano 19 Grudnia 2015 Jak już wstawiasz jakiś schemat to się trochę przyłóż- tak jak kolega napisał naczynie to raz. Jeżeli chcesz pracy CO na grawitacji to powrót do kotła źle podłączony. . Mam zawory termostatyczne na grzejnikach(i tu znow pytanie czy mozna same wkladki kupic) Możesz napisać co masz na myśli? Jak masz zawory to po co wkładki? Głowica na zawór i gotowe. Panowie czy taka POMPA CYRKULACYJNA C.W.U. LFP ERGA 3W nada sie na pompe obiegu kotlowego??? Może być tylko gdzie to masz na schemacie?
marian1107 Opublikowano 19 Grudnia 2015 Autor #17 Opublikowano 19 Grudnia 2015 Witam .. Mam juz glowice pozakladane .Myslalem nad zaworami (wkladkami) do obiegu grawitacyjnego , mam zwykle zalozone A te pompe mam zamiar dolozyc dopiero
pasik1002 Opublikowano 20 Grudnia 2015 #19 Opublikowano 20 Grudnia 2015 naczynie bezpośrednio z kotła a zawory z filtrami przed pompami
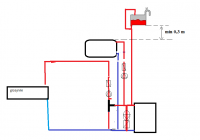
marian1107 Opublikowano 24 Grudnia 2015 Autor #20 Opublikowano 24 Grudnia 2015 Witam . Przedewszystkim Zdrowych Wesolych Swiat. Ta instalacja jest z 90roku stara rurowa , ale bez zastrzezen. Zalozylem grzejniki panelowe mialem saune> Zalozylem termostat pokojowy ktory rozlaczal pompke , niewiele pomogl. Zalozylem termostat i teraz reguleje sobie plynnie temperature . Kiedy temperatura spadnie ponizej zadanej zalacza sie pompa co. Piec weber15 kW z podajnikiem i sterownikiem ecomax 800r Ale temperatura powrotu wtedy gwaltownie spada. Temperature na piecu mam ustawiona na 55 . I tak sobie mysle o dolozeniu pompy kotlowej(do ochrony powrotu) i zaworu mieszajacego (do zmniejszenia temperatury na grzejniki) Takie rzeczy jak filtry to wiem gdzie zamontowac:) naczynie wzbiorcze tez jest podpiete :) Mam prosbe zerknijcie na to co wymyslilem.
hajtaler428 Opublikowano 25 Grudnia 2015 #22 Opublikowano 25 Grudnia 2015 ]Twój układ jest ok. Moim zdaniem jeśli masz termostaty na grzejnikach to zawór 3d na CO zbędny chyba że tak jak pisał Digitrax - poźniej podpiąć do niego sterowanie pogodowe naczynie wzbiorcze tez jest podpiete :) Jeżeli tak jak w poście #17 to źle Możesz też zrezygnować z pompy kotłowej i powrót dogrzewć pompą CWU tylko wtedy gorąca woda w kranie - warto wtedy dać zawór 3d na wyjściu CWU żeby się nie poparzyć Jeżeli zdecydyjesz się na pompę kotłową to musisz jeszcze dać zawór grzybkowy przed pompą do regulacji przepływu
marian1107 Opublikowano 25 Grudnia 2015 Autor #23 Opublikowano 25 Grudnia 2015 Witam. Aktualnie mam tak wlasnie zrobione ze sterownik (eco-max 800) ogarnia mi pompe cwu jako kotłowa . Pompe kotlowa mam zamiar zalozyc te mala co wczesniej pisalem POMPA CYRKULACYJNA DO C.W.U. LFP LESZNO ERGA 3W. Ten zawor przed pompa czy za pompa??? Ten zawor mysle , ze nie jest zbedny , chcialbym puszczac mniejsza temperature na grzejniki i tak jak juz podpowiadacie podpiac sterowanie pogodowe. Pozdrawiam
hajtaler428 Opublikowano 26 Grudnia 2015 #24 Opublikowano 26 Grudnia 2015 Witam. Aktualnie mam tak wlasnie zrobione ze sterownik (eco-max 800) ogarnia mi pompe cwu jako kotłowa . No to czemu powrót piszesz że masz zimny? Jak to u |Ciebie działa? Zawór grzybkowy przed pompą Do pompy kotłowej termostat przylgowy na powrót chyba że sterownik obsługuje pompę kotłową to wtedy do sterownika Jeżeli sterowanie pogodowe to zawór 3d jak najbardziej
Pief Opublikowano 26 Grudnia 2015 #25 Opublikowano 26 Grudnia 2015 Witam Panowie Walczę z zimnym powrotem do kotła .Na początku moja instalacja wyglądała tak: Sorry za bazgroły (brak armatury odcinającej). temperatura powrotu bardzo niska 47 st przy temp kotła 55 st zawór 4 drogowy latał (siłownik) od 30 % do 60% otwarcia .. Poczytałem i doszedłem do wniosku że średnica rur przy zaworze i powrotu jest za mała , mam zawór i rury 1 cal .Poradzono doraźnie mi włączyć pompkę cwu i faktycznie układ się uspokoił i temperatura powrotu podniosła się do 54 stopni przy temp kotła 55st piec wszedł w modulację i pracuje dobrze, informując że dopóki nie zamontuje przy tych rurach (1 cal) pompy kotłowej ne mam co kombinować z poprawną pracą pieca. Wykonałem przeróbkę instalacji dokładając pompę powrotu . Wyłączyłem pompę cwu , załączyłem pompę kotłową , patrzę jest dobrze powrót dogrzany 54 st. Piec po paru minutach ustabilizował się. No myślę sobie super to jest to , i w tym momencie właczyła się pompka cwu i rozregulowała całą instalację temperatura pieca poleciała w dół o 6-7 stopni piec wszedł na max obroty. Wniosek załączenie grzania cwu zaburza pracę pieca . Ponownie włączyłem pompkę od cwu i sytuacja się uspokoiła . Co należy waszym zdaniem zrobić aby piec nie był zalewany zimną wodą na powrocie . Pozdrawiam
Rekomendowane odpowiedzi
Zarchiwizowany
Ten temat przebywa obecnie w archiwum. Dodawanie nowych odpowiedzi zostało zablokowane.