sawos Opublikowano 31 Października 2015 #76 Opublikowano 31 Października 2015 Są zawory różnicowe, które pracują w dowolnej pozycji, np.: http://tech-pol.pl/images/artykuly/zr_instrukcja.pdf Trzeba to dokładnie sprawdzić, najlepiej w DTR-ce.
PrOgram Opublikowano 31 Października 2015 Autor #77 Opublikowano 31 Października 2015 Czy ktoś się orientuje za ile mogę to pompe alpha2 25-60 sprzedać ? jako używka bo chodziła pare dni
tqlis Opublikowano 31 Października 2015 #78 Opublikowano 31 Października 2015 Obie pompy na obwodach grzejnych są za mocne - pompa 25/60 jest stosowana w instalacjach z ponad 20 grzejnikami średniej wielkości lub z podłogówką do 20 pętli o długości ok 100-120m - ja tak praktycznie przeliczam to "na kolanie" i w 95 % jest OK. Duży przepływ prze pompę = duże przepływy przez grzejniki = głośna praca całej instalacji. Czy jak w kotle mam 25/60, to te dwie za sprzeglem mogą być 25/40?
sambor Opublikowano 31 Października 2015 #79 Opublikowano 31 Października 2015 To nie ma nic wspólnego ze sobą - po to właśnie jest sprzęgło aby rozdzielić obwody i dopasować przepływy do odbiorów. Nie wiem jak dużą masz instalację, ale pewnie wystarczą.
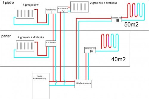
tqlis Opublikowano 2 Listopada 2015 #80 Opublikowano 2 Listopada 2015 Dom 5lat. Powierzchnia około 230m2. Dodatkowo garaż ~50m. - Pompa grzejnikowa obsługuje 11 grzejników płytowych podwójnych (3 szt. po 60cm, 4szt. po 1m, 3 szt po 1,4m, 1 szt 2m ) + 2 drabinki (1,2m szerokie 0,7m wysokie). Rozmiary podałem z trafnością 85%. Ten obieg ma dwa rozdzielacze połączone ze sobą. - Pompa podłogowa obsługuje 90m2 podłogówki, tak podzielonej, że pcha na jeden rozdzielacz do którego podłączone jest 40m2 podłogówki (3 pętle) i na drugi rozdzielacz do którego podłączone są dwie pętle 50m2. Oba końce rozdzielaczy podłogowych sprowadzone są do kotłowni w której jest owa pompa. Pompę ustawiłem z ręki wg płaskiej charakterystyki na drugim biegu. Męczę Was, ponieważ jeszcze nie rozliczyłem się do końca z hydraulikiem (musi jeszcze ocieplić rury itp). Jeżeli okaże się, że pompy są za duże, to zawsze może mi je wymienić, tamte 25-60 i tak wykorzysta na inne roboty. Jak nie tknę tematu, to później może być problem. Co do podłogowej pompy nie mam zastrzeżeń, bo pracuje na 15W. Do grzejnikowej mam jedynie żal, że powoduje hałas zaworu zwrotnego, który jest nad nią. Jak ustawię ją na pierwszy bieg wg płaskiej charakterystyki, to cisza. Jak ustawię większy bieg to zawór hałasuje. Wydaje mi się, że coś jest z przepływem w instalacji, bo hałas wzmagał się podczas kryzowania grzejników (do tego całego kryzowania, to wrócę jeszcze, bo to wyzwanie). Aktualnie testuję krzywą 0,7 (nie wiem czy to ma związek, ale pewnie ma, bo pompa ma po coś czujniki temp)
sambor Opublikowano 2 Listopada 2015 #81 Opublikowano 2 Listopada 2015 Pompa od podłogi w twoim przypadku jest raczej OK - masz długie pętle, więc większe opory instalacji będą wymagały mocniejszej pompy. Natomiast pompa od grzejników jest za mocna - wystarczy 25/40. na rysunku nie zaznaczyłeś wszystkich elementów instalacji - brak lokalizacji pomp i sprzęgła - wrysuj to w rysunek
Gość mak Opublikowano 2 Listopada 2015 #82 Opublikowano 2 Listopada 2015 Dom 5lat. Powierzchnia około 230m2. Dodatkowo garaż ~50m. - Pompa grzejnikowa obsługuje 11 grzejników płytowych podwójnych (3 szt. po 60cm, 4szt. po 1m, 3 szt po 1,4m, 1 szt 2m ) + 2 drabinki (1,2m szerokie 0,7m wysokie). Rozmiary podałem z trafnością 85%. Ten obieg ma dwa rozdzielacze połączone ze sobą. - Pompa podłogowa obsługuje 90m2 podłogówki, tak podzielonej, że pcha na jeden rozdzielacz do którego podłączone jest 40m2 podłogówki (3 pętle) i na drugi rozdzielacz do którego podłączone są dwie pętle 50m2. Oba końce rozdzielaczy podłogowych sprowadzone są do kotłowni w której jest owa pompa. Pompę ustawiłem z ręki wg płaskiej charakterystyki na drugim biegu. Męczę Was, ponieważ jeszcze nie rozliczyłem się do końca z hydraulikiem (musi jeszcze ocieplić rury itp). Jeżeli okaże się, że pompy są za duże, to zawsze może mi je wymienić, tamte 25-60 i tak wykorzysta na inne roboty. Jak nie tknę tematu, to później może być problem. Co do podłogowej pompy nie mam zastrzeżeń, bo pracuje na 15W. Do grzejnikowej mam jedynie żal, że powoduje hałas zaworu zwrotnego, który jest nad nią. Jak ustawię ją na pierwszy bieg wg płaskiej charakterystyki, to cisza. Jak ustawię większy bieg to zawór hałasuje. Wydaje mi się, że coś jest z przepływem w instalacji, bo hałas wzmagał się podczas kryzowania grzejników (do tego całego kryzowania, to wrócę jeszcze, bo to wyzwanie). Aktualnie testuję krzywą 0,7 (nie wiem czy to ma związek, ale pewnie ma, bo pompa ma po coś czujniki temp) Piszesz o sprzęgle ale go nie pokazujesz na schemacie, na schemacie są trzy obiegi grzewcze ale piszesz o dwóch. Gdzie zamontowana jest pompa na grzejniki? Napisz coś o kotle sterowaniu jakie elementy instalacji zastosowano...... ?Gdzie jest zdalne sterowanie, jeżeli w ogóle jest? Co to znaczy że testujesz krzywą 0,7? Co według tej krzywej grzejesz, podłogówkę czy grzejniki? Jaki to kocioł że twierdzisz że ma pompę 25/60? W kotłach gazowych oznaczenia pomp są inne więc warto wiedzieć dlaczego twierdzisz że ten twój posiada pompę 25/60?
tqlis Opublikowano 2 Listopada 2015 #83 Opublikowano 2 Listopada 2015 Już doprecyzowuję: Jest to kocioł ATAG Q25S (4,4-25KW). Obudowa jest jeszcze nie założona, więc odczytałem informacje z pompy (Grundfoss ALPHA 2 UPPER 25-60 (130mm)).Sprzęgło Flamco 40kW, a za nim rozgałęzienie na dwie pompy wg poniższego schematu. Jeżeli chodzi o wyrażenie "testowanie krzywej grzewczej 0,7", chodziło mi o to, że wg tej krzywej grzeję grzejniki. (przy temp 10st na zewnątrz, temp czynnika 27stopni)
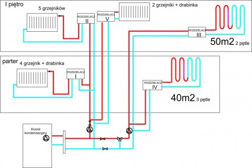
sambor Opublikowano 2 Listopada 2015 #84 Opublikowano 2 Listopada 2015 Jak masz zaw 3-D zamontowany jak na rysunku to masz źle - pompa musi ciągnąć przez zawór - wtedy jest mieszanie i regulacja temp a nie przez niego pchać, gdyż wtedy tylko rozdziela obiegi grzewcze na dwa strumienie o tej samej temperaturze
tqlis Opublikowano 2 Listopada 2015 #85 Opublikowano 2 Listopada 2015 Źle wrysowałem pompę w schemat, już edytowałem poprzedni schemat. Pompa ciągnie,
tqlis Opublikowano 2 Listopada 2015 #86 Opublikowano 2 Listopada 2015 Pompa od podłogi w twoim przypadku jest raczej OK - masz długie pętle, więc większe opory instalacji będą wymagały mocniejszej pompy. Natomiast pompa od grzejników jest za mocna - wystarczy 25/40. Sambor, co mam powiedzieć hydraulikowi? Jakiego argumentu użyć? Z drugiej strony hydraulik może powiedzieć, że jest to i tak automat i że sam się dostosuje do instalacji. Wyprowadź mnie z błędu, bo wydawać by się mogło, że dużej pompie jest lżej pracować na minimum, niż mniejszej pompie na 80% mocy. I czy zmiana na mniejszą jest w ogóle zasadna.
sambor Opublikowano 2 Listopada 2015 #87 Opublikowano 2 Listopada 2015 Przy grzejnikach ma sens praca pompy na małych mocach a przy pompie 25-60 pompa pobiera 2x więcej en el niż pompa 25-40 , ponadto praca większej pompy jak sam podajesz jest głośna Pompa za duża się nie dopasuje do zbyt małych potrzeb, gdyż pracuje po za parametrami pracy optymalnej. Pompa 25/40 w trybie AUTO na 100m2 - 9 grzejników, pobiera u mnie 5-9W i jej nie słychać. I coś takiego powinno być u ciebie. Pompę do podłogi zostaw.
tqlis Opublikowano 2 Listopada 2015 #88 Opublikowano 2 Listopada 2015 Dziękuję, Mam jeszcze ostatnie 2 pytania, 1.Czy zważywszy na to, że zapotrzebowanie mocy przy aktualnych temp na zewnątrz jest dużo mniejsze niż dolna moc mojego kotła, to czy nie jest wskazane, aby utrzymać duży przepływ (nawet kosztem szumu)? Zawsze to kocioł dłużej będzie chodził na minimalnej mocy. Czy mniejsza pompa tego nie zachwieje? Choć teraz mam wrażenie, że grzejniki wcale nie są ciepłe w całości, co by wskazywało właśnie na problem z dostosowaniem przepływu przez pompę. 2. Czemu ten zawór zwrotny zamontowany nad pompą grzejnikową terkocze/stuka? Czy to wina za mocnej pompy?
emus Opublikowano 2 Listopada 2015 #89 Opublikowano 2 Listopada 2015 Mam jeszcze ostatnie 2 pytania, ad. 1. Trzymaj w AUTO, bo masz zawory termostatyczne. ad. 2. Wada zaworu, niewłaściwy montaż. Teoretyczna mocna pompa wytwarza większą różnicę ciśnień czyli powinna pewniej zamykać zawór zwrotny. Jak pompa pracuje to zawór powinien być na 100% szczelny. Z tego co wyczytałem na forum to zaworami zwrotnymi jest wiecej problemów niż pożytku. co mam powiedzieć hydraulikowi? Jakiego argumentu użyć? Płacę i proszę o wymianę pompy. Sam zauważyłeś, że instalator pompę 25/60 wykorzysta w innej instalacji. Z drugiej strony hydraulik może powiedzieć, że jest to i tak automat i że sam się dostosuje do instalacji.U kolegi Sambora pompa 25/40 w trybie AUTO na 100m2 - 9 grzejników, pobiera 5-9W i jej nie słychać. U mnie jest podobnie. Aby tak było to musiałem sporo nabiegać się, aby ustawić odpowiednie przepływy przez grzejniki. Trwało to wiele dni rozłożonych na wiele miesięcy.
tqlis Opublikowano 2 Listopada 2015 #90 Opublikowano 2 Listopada 2015 ..... Trwało to wiele dni rozłożonych na wiele miesięcy. I za pewne było to bardzo kosztowne :) Organizm był za pewne spragniony bieganiem z dołu do góry i odwrotnie.
emus Opublikowano 2 Listopada 2015 #91 Opublikowano 2 Listopada 2015 Jak Ci zależy na minimalizacji stosunku koszt/efekt to sam będziesz musiał kombinować z przepływami, krzywymi grzewczymi itp. Należy tak wyregulować przepływy w instalacji (bardzo trudne do wykonania!!!) aby: 1. Przy wszystkich grzejnikach otwartych moc była 1-2 W mniejsza od mocy maksymalnej. 2. Zamknięcie jednego grzejnika powodowało spadek mocy o 1-3 W w zależności od ilości grzejników i wielkości pompy. 3. Zamknięcie wszystkich grzejników powodowało ustawienie mocy na mocy minimalnej na przykład 5-6 W. Instalator tego Ci nie zrobi. Ciekawy jestem kiedy dojdziesz do wniosku, że trzeba kupić UPS, zdemontować zawór zwrotny.
tqlis Opublikowano 2 Listopada 2015 #92 Opublikowano 2 Listopada 2015 Jak Ci zależy na minimalizacji stosunku koszt/efekt to sam będziesz musiał kombinować z przepływami, krzywymi grzewczymi itp. Ciekawy jestem kiedy dojdziesz do wniosku, że trzeba kupić UPS, zdemontować zawór zwrotny. Właśnie od dwóch tygodni kombinuję z tą parametryzacją. Miało być bezobsługowo :) UPS - masz na myśli backup zasilania? Nie rozumiem kwestii demontażu zaworu zwrotnego.
emus Opublikowano 2 Listopada 2015 #93 Opublikowano 2 Listopada 2015 Tak. Backup zasilania.Ja nie mam zaworu zwrotnego. Po przeczytaniu na forum informacji na jego temat doszedłem do wniosku że wiecej z nim problemów niż korzyści.Powtórzę jeszcze raz "Jak Ci zależy na minimalizacji stosunku koszt/efekt to sam będziesz musiał kombinować z przepływami, krzywymi grzewczymi itp." Musisz nabrać doświadczenia w swojej instalacji. U mnie dzisiaj w nocy: charakterystyka pompy PP1, krzywa 9, w dzień pompa AUTO, krzywa 8
tqlis Opublikowano 2 Listopada 2015 #94 Opublikowano 2 Listopada 2015 Ciekawi mnie, czy po usunięciu zaworu w obiegu grzejnikowym nie nastąpiłoby takie zjawisko, że pompa podłogowa będzie podbierała wodę z pompy grzejnikowej jak ta nie będzie chodziła.
sambor Opublikowano 2 Listopada 2015 #95 Opublikowano 2 Listopada 2015 Jak rozumiem kolega ma zawór zwrotny ze sprężyną i to on kłapie,
tqlis Opublikowano 2 Listopada 2015 #96 Opublikowano 2 Listopada 2015 Tak mosiężny V.... Dokładnej nazwy nie pamiętam.
PrOgram Opublikowano 2 Listopada 2015 Autor #97 Opublikowano 2 Listopada 2015 Trochę odbiegam od tematu,ale alpha już zdemontowana zastapiona przez zwyklą pompa z większa ilością stałych biegów i pytanie za ile mogę ją sprzedać ? Gwarancja 5 lat producenta , pompa chodziła parę dni .
tqlis Opublikowano 3 Listopada 2015 #98 Opublikowano 3 Listopada 2015 Myślę, że najszybciej sprzedasz na OLIKSIE lub ALLEGROSZU. Wystaw za 300 i czekaj.
PrOgram Opublikowano 3 Listopada 2015 Autor #99 Opublikowano 3 Listopada 2015 łoo ponad 50% straty na starcie no nic w takim razie niech leży .
MariuszP Opublikowano 3 Listopada 2015 #100 Opublikowano 3 Listopada 2015 Witam napisz dlaczego sprzedajesz i daj taką cene jak uwarzasz, spróbować możesz to nic nie kosztuje.
Rekomendowane odpowiedzi
Zarchiwizowany
Ten temat przebywa obecnie w archiwum. Dodawanie nowych odpowiedzi zostało zablokowane.