Skocz do zawartości

Nika

Rekomendowane odpowiedzi

Opublikowano

Zgłaszam się z prośbą o pomoc co do koncepcji na instalację CO (oraz CWU) do ogrzania domu 160m2 (docelowo 185m2), budowanego 1985 (ściana trójwarstwowa, warstwa ociepleniowa 5 cm), nowe okna, podpiwniczony z poddaszem użytkowym (niezaadaptowanym na chwilę obecną). Zamierzam palić przynajmniej przez najbliższe lata paliwem stałym (drewno, węgiel - raczej z przewagą na drewno). Obecnie stoję przed wyborem kotła (skłaniam się do kotła dolnego spalania o ile ciąg komina na to pozwali ...i finansy). Dom w połowie ogrzewany podłogówką (już jest) i w połowie grzejnikami (przed wyborem). Ogólna koncepcja jest taka:

 

Piec na paliwo stałe 20 kw, palone na maksa by załadować bufor i ograniczać częstotliwość palenia. Koncepcja wydaje mi się dobra, ale problemy zaczynają się w konkretach i tu miałam nadzieję, że mi coś doradzicie.

 

-mam do dyspozycji bufor 300 L, chyba z dwoma weżownicami, co z moich obliczeń jest za mały (wg tego co czytam powinien być minimum 1000L - ale taki musiałabym kupić i tak zrobię jeśli jest taka potrzeba). Szkoda jednak byłoby nie wykorzystać tego co mam, chociażby jako zasobnik na CWU (do tego wydaje mi się jednak za duży).

 

-problemco do układu otwartego czy zamkniętego. Kocioł na paliwo stałe - na otwartym. Podłogówka raczej powinna za zamkniętym, przy wyborze grzejników stalowych raczej też. Koncepcja taka by kocioł pracował w układzie otwartym a reszta na zamkniętym ale co do szczegółów to już cięzko mi to sobie wyobrazić. Nie zabardzo widzi mi się koncepcja bufora + wymiennika płytowego (za duże straty ciepła, koszty), bezpiecznikom wszelkiego rodzaju nie ufam całkowiecie. Wydaje mi się, że wystarczająco duży bufor byłby sam w sobie pewnym zabezpieczeniem przed zagotowaniem się wody, ale czy wystarczającym?

 

- różnice w temp. podłogówki i grzejników. Myślę, że można by wykorzystac wodę powrotną z grzejników do podłogówki (ewentualnie schładzana przez zawór mieszający?). Tutaj też szczegóły nie doprecyzowane a od czytania o zaworach głowa mnie boli.

 

 

Byłabym wdzięczna za opinie na temat takiej instalacji i sposób pogodzenia pewnych sprzeczności. Szczółami zajmię się oczywiście hydraulik, ale decyzje co do kotła, układu, itp. itd. pozostawie mnie. Moge oczywiśćie powiedzieć mu by zrobił jak uważa, byleby "funkcjonowało" ale jendak wolę orientować się, przynajmniej powierzchniowo, w temacie. Byłabym bardzo wdzięczna za pomoc.Mąż niestety w sprawach technicznych nie doradzi i nie pomoże.

Opublikowano

Decyzja o kotle na drewno praktycznie determinuje potrzebę bufora. Im większy, tym rzadziej palisz - jasne. Piszesz, że pół na pół podłoga i grzejniki, więc jeśli chcesz dobrze bufor wykorzystać, to grzejniki kup niskotemperaturowe lub przewymiaruj, by mogły pracować na niskich temperaturach wychładzającego się bufora. Podłoga musi być na mieszaczu, ewentualnie dodatkowo z zasilaniem wpiętym w połowie bufora.

 

Jak nie chcesz "kotła z zabezpieczeniami", to pozostaje układ otwarty. Jeśli jest możliwość zrobienia go po całości, to nie bój się układu odbioru (podłoga, grzejniki stalowe) w układzie otwartym. W ten sposób układ będzie znacznie uproszczony i pozbawiony "pośredników", których nie ominiesz przy tandemie układu otwartego z zamkniętym. Jednocześnie będzie sporo taniej i zaoszczędzone środki zainwestuj w automatykę "zarządzania" stroną odbioru (mieszacze z siłownikami, sterowanie pogodowe itp.).

 

Pozostaje jeszcze kwestia grzania CWU. Jak zasobnik  będzie podkradał wodę z bufora, to może to robić do poziomu powiedzmy 50 sC, by sensownie wodę nagrzać. Poniżej tego progu już będzie trzeba rozpalać, chociaż dla podłogi i niskotemperaturowych grzejników jeszcze woda w buforze jest OK. Warto więc mieć zasobnik większy (nawet te 300l), by raz nagrzany, trzymał zapas wody do kolejnego cyklu rozpalania (i nie wymagał dogrzewania energią zakumulowaną w buforze).

 

Warunki oczywiście zmienne są i ciężko będzie utrzymać regularność cykli. Inaczej będzie dla mrozu, inaczej dla okresów przejściowych.

 

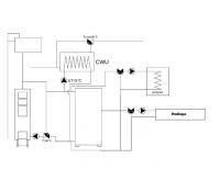
Być może punktem wyjścia może być schemat poniżej (lekko przerobiony schemat z naszego forum, autora nie pamiętam).

 

post-18583-0-83312700-1436633161_thumb.jpg

Opublikowano

Dziękuję za odpowiedź . Ogólnie rozważałam taką opcję ale mam wrażenie, że wszyscy robią podłogówkę na zamkniętym :unsure: . Może dlatego, że większość z tych osób ma kotły kondensacyjne lub pompy ciepła ;). Czy w przypadku zrobienia jej w układzie otwartym muszę pomyśleć o jakimś przystosowaniu wody (inhibitory korozji, odkamieniacz)?  Rozumiem, że zapowietrzenie podłogówki nie stanowi wielkiego zagrożenia biorąc pod uwagę, że grzejniki leżą znacznie wyżej?

 

Myślę, że osobny zasobnik CWU faktycznie może być lepszym pomysłem. Trochę mi się nie widzi zbiornik 300 litrów z tego powodu, że np. w lato, kiedy nie będe chciała grzać kotłem i wolałabym np. elektrycznie to musiałabym grzać znacznie więcej wody niż wynoszą moje potrzeby. Nie wiem też, jak długo byłby w stanie utrzymać wodę w korzystnej temperaturze.

 

Co do kaloryferów to właśnie planowałam trochę przewymiarować (około 25%, nie wiem czy wystarczy). Dodatkowo dotyczą one głównie pomieszczeń które są otwarte na pomieszczenia z podłogówką na południe budynku (salon, z kominkiem - bez płaszczu wodnego i udziwnień ;) , albo typowe sypialnie.

 

I jeszcze pytanie do do bufora - czy faktycznie powinnam celować w około 1000 L ? Rozumiem, że przy takim układzie wężownice itp. itd. będą zbyteczne i mogę sobie je darować w celu pewnych oszczędnośći? Czy jest realna szansa, że będę mogła ograniczyć palenie do 1x na dobę (2 razy przy większych mrozach)?

Opublikowano

Podłogówce korozja nie grozi, a wskazanie montażu grzejników stalowych w układzie zamkniętym, to już dmuchanie na lód. Żadnych dodatków nie trzeba, sama woda ma być. Kamienia też się nie obawiaj, bo wody w układzie codziennie wymieniać raczej nie będziesz, więc skąd niby miałby się skumulować? Do zapowietrzenia podłogówki to już niezły fachman musi być. Tu masz rozdzielacze powyżej poziomu płyt grzewczych i one zbierają powietrze, generalnie raz odpowietrzasz i spokój na lata.

 

Zasobnik tej wielkości ma z cała pewnością punkt montażowy grzałki w połowie zbiornika lub wyżej, więc de facto grzejesz połowę (150 l). Poza tym skoro masz plany palić drewnem, to taniej będzie grzać wodę kotłem, wystarczy dobrać ilość opału konieczną do rozgrzania zasobnika (niewiele tego będzie), a jak już zagrzejesz te 300l, to pewnie na dwa, trzy dni będzie.

 

Bufor jak na schemacie wyżej idzie na ostro z układem i jest to najprostsze rozwiązanie. Jeśli nie przewidujesz innych źródeł ciepła, to goły bufor wystarczy, byle miał mufy dopływu i odpływu w odpowiednich miejscach. Pojemność sensowna to "niestety" min 1000l. Planujesz 20 kW, więc 50l na 1 kW zwyczajowo. Bezie mniejszy, to też nie tragedia, ale wtedy kocioł będzie wchodził w dłuższe podtrzymania i sprawność będzie spadać. Przy 1000l myślę, że raz na dobę wystarczy nawet w mrozy, ale to tylko gdybanie, bo tu należy podeprzeć się wynikami energochłonności budynku dla warunków komfortu wewnętrznego. Pytanie też do jakiej efektywnej temperatury będzie mógł być rozładowywany. Jeśli będzie za mały, to można dorzucać kolejne.

 

P.S

Zauważ, że na schemacie masz powyżej zasobnika CWU termostatyczny zawór mieszający, na którym ustawiasz żądaną temperaturę cipłej wody użytkowej. Dzięki temu możesz pogonić zasobnik do wyższych temperatur bez ryzyka, że z kranu poleci "wrzątek". Jednocześnie robi się w zasobniku pozornie większa ilość wody ciepłej (chociaż tu i tak masz jej sporo). Zawór ten działa w ten sposób, że jeśli dopływa do niego z zasobnika woda o temp powiedzmy 70 sC, a Ty chcesz mieć na kranie max 50, to z trzeciego przyłącza dopuszcza sobie wody zimnej i miesza ją z tą gorącą, aż uzyska 50 (termostat działający płynnie). Gdy wodę przebierzesz i temp w zasobniku spadnie poniżej 50, to zawór korzysta tylko z wody z zasobnika (przyłącze wody zimnej jest zamknięte).

Opublikowano

Tak tak, już hydraulik mnie "ostrzegł" , że zamierza mi taki zawór zafundować przy moim pomyśle czerpanie CWU z bufora więc wiem o co chodzi. Dobra, o ciepła wodę się nie martwię. Wykorzytam w tym celu bufor 300 L który mam gratis. Może w odległej przyszłości podepnie się do niego solary.

 

Teraz pytanie laika, czy na tym schemacie widzę 4 pompy i 4 zawory mieszające?

 

I pytanie co do kotła, rozważam Umega Vienybe tylko cena wydaje mi się lekko wygórowana, zwłaszcza jeśli decyduje się na układ otwarty (wówczas wężownica schładzająca jest zbyteczna). Trochę obawiam się, że komin może być przymały 14x14 (na oko), za to wysoki - spokojnie ponad 10 m więc może ciąg będzie wystarczający.

 

I jeszcze przeraża mnie wysokość buforów. Kotłownię mam w piwnicy, cały wielki dom jest podpiwniczony ale wysokość to max 215, przy wyrównaniu posadzki mniej, a większość buforów 1000 L i wzwyż przekracza znacznie te 2m.

 

Dopiero co skończyłam rozgryzać elektrykę to teraz czeka mnie ogrzewanie - temat rzeka. Już tęsknię za moim mieszkaniem w bloku a jeszcze nie zdążyłam się wyprowadzić.

Opublikowano

Układ zamknięty z buforem 1000l ma wiele zalet, ale co najmniej 1 wadę - wymaga dużego - 150-200l naczynia przeponowego, które trochę kosztuje.

Ja proponowałbym kocioł w układzie otwartym z grawitacyjnym ładowaniem bufora i rozładowaniem przez pompy z zaw 3-D podające na odbiorniki.

W powyższym układzie nawet zanik napięcia nie jest straszny - bufor odbierze energię ciepną od kotła.

Dodatkowo na 2-3 pompy można zastosować podtrzymanie UPS lub przetwornicą z akumulatorem.

 

Sam mam bufor 800l i paląc drewnem w kotle DS ok 14 kW przez 4-5h ładuję bufor do ok 90C co wystarcza na 8-16h grzania do temp 21-22C

 dużo cieplejszego domu ( gazonbeton 36cm + stryro 15cm) o pow 260m2 .

 

W przypadku autorki tematu budynek jest raczej kiepsko ocieplony co skróci czas rozładowania bufora.

 

Wysokość buforów ok 1000l jest 2m lub coś koło tego, pewnie da radę coś dopasować - ew 2 mniejsze.

Opublikowano

Opcji jest na tyle dużo, by głowa rozbolała. Decyzja - nemezis inwestora.

 

Ilość zaworów mieszających może być mniejsza. Na grzejniki np. mogą wystarczyć zawory termostatyczne. Przy grawitacyjnym ładowaniu bufora TZM ochrony powrotu zbędny, chociaż ja preferuję ładowanie pompą. Są też granice oszczędzania, za którymi można stracić, a nie zyskać.

 

Komin raczej powinien wystarczyć, a można go dodatkowo rozwiercić na okrągły fi 160 i wyszlamować od środka. To można zadecydować po pierwszym sezonie, o ile nie ma w planie przebudowy komina.

Opublikowano

Też się zastanawiałam, czy nie da się tego buforu ładować grawitacyjnie bo robi ich się strasznie dużo... W przyszłości zamierzam docieplić dom, ale kiedy ta przyszłość będzie to nie jestem w stanie powiedzieć.

 

Rozważając układ zamknięty - czy duże naczynie przeponowe gwarantuje bezpieczeństwo takiego układu? Z tego co zdążyłam się zorientować, to wydaje mi się, że chyba nie. Przy rzekomych zaletach układu zamkniętego, 1000 zł nie wydaje mi się być jakąś astronomiczną ceną.

 

Absolutnie nie mam w planach przebudowy komina - mam tyle rzeczy do zrobienia i taki misz-masz w głowie, że nie jestem w stanie na razie rozważać przebudowy komina - no chyba, że będzie taka konieczność.

Opublikowano

Myślę że autorka tematu trochę powinna trochę zamierzenia zweryfikować. Pierwszą podstawowym tematem którym powinna się zająć to ....nie wymiana kotła i komplikacja instalacji, bo bufor to raz że drogi to i komplikuje instalację i jej sterowanie, ale zająć się termomodernizacją budynku a nie odkładać jej na przyszłość. Nie jak to pisze za kilka lat, ale teraz, Najlepiej nie zwlekająć zbytnio. Dla takiego budynku, wykonując wszystkie prace, można uzyskać obniżenie zapotrzebowania na ciepło o 50% czasem nawet więcej . Myślę że koleżanka zamiast pakować pieniądze w kocioł bufory i drogie przeróbki niech zainwestuje w .... termomodernizację, a po jej wykonaniu ( najlepiej jak modernizacja instalacji jest częścią termomodernizacji) myśleć o systemie ogrzewania budynku. Naprawdę uzyskane efekty mogą zaskoczyć tak jak i późniejsze koszty ogrzewania. Nie widzę sensu pakowania kikudziesięciu tyś w instalację która po termomodernizacji będzie się nadawała do....... ponownej modernizacji. Tylko w takiej kolejności prace mają sens.

Opublikowano

I tutaj nie mogę się zgodzić. Instalację w budynku robię od zera. Instalacji nie zamierzam komplikować, ponieważ nie jest to niestety już system z grzejnikami żeliwnymi który mogę uruchomić (dom stał pusty przez 5 lat, grzejniki zostały pokradzione, kocioł oryginalny pewnie z 85 roku więc siła rzeczy do wymiany). Posadzki musiałam zmienić więc przy okazji ociepliłam. Strop zamierzam ocieplić dodatkowo bo tutaj są główne straty, it tak też zrobię. Okna zmienione. Ściana swoje 50 cm z warstwą izolacji ma i nie tędy są główne straty ciepła - co nie znaczy, że w przyszłości nie opłaca się ich dodatkowo ograniczyć. Na obecne ocieplenie całej elewacji budynku mnie niestety na chwilę obecna nie stać (instalacja jest mi potrzebna na teraz do funkcjonowania (jak i kilka innych niezbędnych rzeczy), ocieplenie nie, chociaż nie zaprzeczam, że się przyda) przy innych koniecznych remontach (okna, dach). Nie rozumiem też, dlaczego wg Maka system ogrzewania jaki mam na myśli nie mógłby funkcjonować przy dodatkowo ocieplonym budynku. Przecież zasada działania byłaby podobna, jedynie perspektywa, że bufor dłużej utrzyma wymaganą temperaturę i rzadziej będę musiała palić.

 

Co w takim razie byś zaproponował ... bo grzać tej zimy muszę, a prowizorki nie będę urządzać by za chwilę wymieniać.

Opublikowano

To w energooszczędnym domu nie można stawiać bufora? Co chcesz modernizować po izolacji?

 

P.S.

Autorka mnie ubiegła w odpowiedzi na post @maka. Te same argumenty bym przytoczył i naprawdę szacunek za świadomość "budowlaną" inwestorki. Polibude kończyła?

Opublikowano

Jak miałem inst z buforem przed ociepleniem to czas rozładowania bufora był ponad 2x krótszy po ociepleniu wydłużył się co zmniejszyło częstotliwość palenia w kotle.

ot i cała filozofia z buforem przed i po ociepleniu

 

Co do rad dla autorki tematu to po pierwsze szukaj bufora jak największego , możliwego do wstawienia do twojej kotłowni.

Pamiętaj że na szczycie bufora musi być wstawiony odpowietrznik do odpowietrzenia zbiornika - czyli musi zostać ok 10cm pomięszy buforem i stropem.

Opublikowano

 Dziękuję. Kończyła bioinżynierię zwierząt specjalizacja hodowla koni, uczy angielskiego bo kupę czasu spędziła w stanach, czasami zajmuje się tłumaczeniami (w tym specjalistycznymi z zakresu budownictwa), ma mamę architekta oraz trzy remonty za sobą. Bardzo dużo brakuje mi bym oswoiła się z tematyką ogrzewania, ale lubię wiedzieć w co i dlaczego wkładam pieniądze.

 

Nie za bardzo rozumiem Maka, ponieważ ogrzewanie muszę mieć i tutaj dodatkowy koszt kilku tysięcy za bufor i "komplikację" nieistniejącej instalacji to pestka przy 30000 które musiałabym włożyć w ocieplenie budynku. Czy w takim razie, forumowicz proponuje bym zamieszkała w nieocieplonym budynku ze świetna izolacją? Albo 7 razy dziennie chodziła rozpalać w kotłowni? Czy też kisiła drewno/węgiel w niskich temperaturach? A może zmieniła koncepcję na piec na gaz (nie mając przyłącza na gaz).... Dodatkowo, nie uważam by taki skomplikowany system nie sprawdził się przy lepiej ocieplonym domu, ale może się mylę - w takim razie proszę mnie uświadomić. Po to tu piszę.

 

sambor - dziękuje  za informację. Tak się obawiałam, czy czegoś to tej wysokości bufora nie muszę doliczyć. I tutaj mam problem bo celując w 1000 L to prawie wszystkie mają grubo ponad 2 m i byłyby na styk a może i za duże.

Opublikowano

Można wiedzieć skąd parcie na kocioł na drewno? Własny las? Pytam, bo taki kocioł jako jedyne źródło ciepła, to jednak codzienny obowiązek. Za wodą pewnie drewno króluje ale są i inne alternatywy. Kotły automatyczne na pellet rozważałaś? To nieporównanie większy komfort obsługi, a w przyszłości można sobie bufor dostawić i kociołek na to własne drewno. @sambor tak ma i sobie chwali, zwłaszcza brak obowiązku codziennej wizytacji w kotłowni. Jak nie ma ochoty brudzić rąk, to ogrzewanie przejmuje pelleciak (sam się rozpala i gaśnie gdy grzać nie trzeba). Niestety do tego tandemu dwa kominy trzeba mieć.

Opublikowano

Kiminero - wszystko się zgadza, kocioł na drewno jest dość kłopotliwy - suche drewno, powien czas od zapalenia do początku grzania budynku

ale jak jest na ten moment w domu ponad 30mp drewna to trudno o inne rozwiązanie.

 

Jak kocioł na pellet to można mniejszy bufor wstawić ok 800l i palić naprzemiennie - pellet / drewno.

Elementy instalacji można dostawiać etapami tak jak finansów starcza.

 

Obecnie przerzuciłem się z pelletów markowych po 950zł/t na pellety produkcji lokalnej po 650zł/t i jestem mile zaskoczony ich jakością.

Co przy ilości ok 3t spalanych rocznie daje koszt grzania rzędu 2000zł/ rok

Opublikowano

Komin mam jeden, drugi do kominka ale wizja kominków z płaszczem wodnym i palenie w salonie gdy cały dom jest podpiwniczony mi kompletnie nie odpowiada. Ja znajde czas 3x w roku rozpalić dla przyjemności do będzie dobrze. Na chwilę obecną, wolałabym nie inwestować w dwa kotły (pomijając już ograniczeń w formie przestrzeni i brak komina ;) Rozważałam wersję kotła z podajnikiem na pellet lub ekogroszek ale trochę przeraża mnie uzależnienie od dostępności tego paliwa... i czy koszty na moje spore 180m2 słabo ocieplonego domu mnie nie wykończą. Mam własny las (0,25 hektara więc nie dużo ale coś), większość osób w okolicy pali drewnem - mieszkam w pobliżu Olsztyna. Stąd ciężka do podjęcia decyzja bo też nie widzi mi się przygotowywanie opały 2 sezony z góry i trzykrotne wizyty w kotłowni. Inna sprawa, to że często z mężem pracujemy z domu więc na upartego to drewno można podrzucać. Gorzej jakbyśmy gdzieś wyjeżdżali.

 

- aha,  za wodą wszyscy których znam grzeją gazem, tylko że tam nie ma wody w instalacjach grzewczych tylko nadmuchy.

Opublikowano

Warmińsko mazurskie to kraina pelletu - idź w pellet, dobry kocioł to już teraz za ok 8000 kupisz, ale weź pod uwagę, że powinien być to kocioł tylko na pellet + ew palenisko na ręczne spalanie drewna i wtedy ten "las" też się przyda.

Opublikowano

Trochę Was nie rozumiem. Do kalkulacji kosztu opału w postaci drewna, należy doliczyć parę rzeczy. Ktoś musi to drzewo ściąć, pociąć, przetransportować, zmagazynować i wysuszyć, a następnie codziennie przytaszczyć do kotłowni, usunąć popiół z kotła, załadować go, rozpalić i pilnować kiedy zgaśnie.. Surowiec też nie jest "darmowy", bo kosztem alternatywnym jest rezygnacja ze sprzedaży tego drewna na pniu (za co kupilibyście np. pellet).

 

Osobiście doradzałbym grzanie kotłem na pellet z prawdziwego zdarzenia, są też takie z rusztami dodatkowymi gdzie szczapy można podrzucać. Koszt opału będzie większy, ale zysku z komfortu użytkowania nie da się wycenić (dla mnie przynajmniej). Dostępność pelletu to kwestia... dostępu do internetu lub telefonu, wiec w czym problem? Gwarantuję ci, że producentów tego opału będzie przybywało i go nie zabraknie. Zainteresuj się również możliwościami uzyskania dotacji z gminy, mogą mieć na to kasę z programów "eko".

 

Twój wybór.

 

Za wodą, ale na rynku paliw stałych o tym drewnie pisałem. Nie sądzę, że kotłownie węglowe są tam popularne.

 

P.S.

Do kotła na pellet można zaprząc mały buforek 500l, by stabilizował jego pracę i odebrał ewentualne nadwyżki z palenia na ruszcie. Można zacząć od samego kotła i bufor podpiąć za rok lub wcale. Tu jest pewna elastyczność. Oszczędzasz na buforze, który nie musi być duży, wejdzie do niskiej kotłowni i mało miejsca zajmie.

Opublikowano

Kiminero - las na własnej działce,  że tak powiem. Przestrzeni na magazynowanie suchego już drewna to aż zanadto (problemem faktycznie mógłby być z suszeniem ale przy wielkości działki jaką mam dało by się spokojnie coś wymyślić. Na pewno byłoby to znacznym problemem przez najbliższe 2 sezon do póki nie ogarnę tematu. Na pewno zagłębię się w opcję kotła na pellet która pierwotnie odrzuciłam, niestety decyzję muszę podjąć na dniach i teraz ponownie mam sporo do przemyślenia.

 

Odchodząc nieco od  tematu, to nie mam w sumie pojęcia czy się w Stanach pali jeśli chodzi o paliwo stałe ... chyba się z tym nigdy nie spotkałam ale raczej drewnem niż węglem, przynajmniej tam gdzie mieszkałam :) w okolicach Appalachów może jednak być inaczej.

Opublikowano

Ja pod Warszawę ściągałem pellet z Ornety i Pisza a koleżanka nie może tego samego zrobić pod  Olsztynem - tam do Ornety ok 50-60km,

a dobry pellet mieli po ok 600/t .

Opublikowano

Trochę Was nie rozumiem. Do kalkulacji kosztu opału w postaci drewna, należy doliczyć parę rzeczy. Ktoś musi to drzewo ściąć, pociąć, przetransportować, zmagazynować i wysuszyć (...)

O to to... Palenie mokrym drewnem przyspiesza korozję kotła... Trzeba je wysezonować. Ja zamawiałem "2 przyczepy" drewna w kawałkach 30 - 40 cm. Czasami były to solidne, bukowe pniaki, które trzeba było rozbić na mniejsze kawałki, potem poukładać do suszenia, potem przenieść do suszarni w budynku.... Trzeba było też kupić piłę spalinową do walki z większymi klocami... Dla mnie szybko przestało to być zabawą....

Opublikowano

Sambor - oczywiście że mogę i powoli skłaniam się do takiej opcji. Rozumiem, że w takim wypadku, bufor mogę sobie darować (ewentualnie wykorzystać 300 L który mam) i ewentualnie instalację zrobić w układzie zamkniętym. Czy możesz jakiś kotły na pellet polecić bym mogła trochę się ten temat zagłębić.

Opublikowano

Kotły pelletowe są w dużej rozpiętości cenowej. Dziś większość producentów je oferuje: Kostrzewa, Greń, Defro, Sas itd. Są też branżowe "lamborgini" napędzane biomasą, czyli kotły d'Allesandro CSI, ale kosztują, że hej... Dziś można nawet systemy odpopielania automatycznego dostawiać, załadunek pneumatyczny paliwa itp. Popiół to akurat przy pellecie najmniejszy problem.

Opublikowano

W takim razie idę odrobić pracę domową w tym zakresie i jeśli się przekonam, wrócę z kilkoma konkretniejszymi już pytaniami co do instalacji. Sama cena za piec dwukrotnie wyższa od zamierzonej trochę odstrasza, ale co robić.

Opublikowano

Mój post napisałem nie znając do końca problemu podobnie zresztą jak wszysy wypowiadający się, i dobrze że koleżanka opisała całość. Czytając pierwszy post można było dość do wniosku że zależy Ci na modernizacji instalacji a mamy do czynienia z odbudową czy budową nowej Teraz oczywiście wiemy więcej. Nie bardzo jest sens się upierać nad własnymi koncepcjami, bo na koncepcję trzeba jeszcze nałożyć możliwości finansowe a to już może zrobić tylko inwestorka. Myślę że od kompleksowej termomodernizacji i tak nie ucieknie.

Drewno jest problematycznym paliwem o czym wspominali koledzy, i jak koleżanka nawet by w tym roku przygotowała paliwo - połupane szczapy, to do palenia nadadzą się najwcześniej za rok. I wtedy instalacja z buforem ma sens tylko że skłaniał bym się do kotła dedykowanego do spalania drewna a nie uniwersalnego. Oczywiście pomysł z pelletem też może być ok a i można trochę kasy na buforze zaoszczędzić , chociaż same kotły do najtańszych nie należą.

Zarchiwizowany

Ten temat przebywa obecnie w archiwum. Dodawanie nowych odpowiedzi zostało zablokowane.

  • Ostatnio przeglądający   0 użytkowników

    • Brak zarejestrowanych użytkowników przeglądających tę stronę.
×
×
  • Dodaj nową pozycję...

Powiadomienie o plikach cookie

Używając tej strony zgadzasz się na Polityka prywatności.