Skocz do zawartości
IGNOROWANY

Schematy Instalacji


KubaSko

Rekomendowane odpowiedzi

Opublikowano

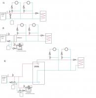
Witam chciałbym się doradzić co do poprawności schematów. Założenie jest takie: 

opcja nr 1) układ zamknięty, zawór dbv-1, podłogówka grzejniki zasobnik, pompa obiegu kotłowego, kocioł pelletowy grzeje cały dom

opcja nr 2) układ zamknięty, zawory wystudzające, grzejniki, podłogówka, zasobnik, grzeje albo kominkiem albo pelletowcem nigdy obydwoma

opcja nr 3) układ zamknięty, zawory schładzające, zawory ATV 50, bufor 1500 L, podłogówka grzejniki, zasobnik, grzeje obydwoma źródłami naraz, w pierwszej kolejności wygrzewam dom, bufor łapie nadwyżki ciepła i co do tego schematu mam wątpliwości nie wiem czy dobrze go narysowałem, wzorowałem się na schematach Atmosa.

Bardzo proszę o ewentualne uwagi co do schematów i  pomoc. Pozdrawiam. Zapomniałem dodać dom nowy 15 cm styro, 200m2

post-42382-0-40163700-1389998920_thumb.jpg

Opublikowano

Ogólnie fajną sprawą byłoby stworzenie przez Administratora karty tak jak to jest w przypadku zaworów 3d i 4d, ale dotyczącej przykładowych schematów instalacji stworzonych i zaakceptowanych przez forumowiczów. Myślę że przydałyby się takie schematy zawierające połączenie kotła na paliwo stałe z gazowym i kilkoma obiegami grzewczymi, kotła na paliwo stałe, kominka z płaszczem wodnym i kilkoma obiegami grzewczymi, bufora, układy otwarte, zamknięte itp. takie najczęściej stosowane w naszych domkach lub takie jakie my mamy w naszych domach. Pozdrawiam 

Opublikowano

Biorąc pod uwagę kotły tzw bezobsługowe,pellet jest droższym paliwem w stosunku do węgla.

W cenie tego kotła można wybrać o wiele lepsze rozwiązania.

kocioł z palnikiem rynnowym

Dolniak z podajnikiem uzupełniającym zasyp.

 

Rozważ też  kocioł na biomasę/węgiel  + kocioł gazowy jako uzupełnienie strat ciepła.(bez buforu)

 

 

 

W opcji

1.2 kocioł 20kw dla palenia ciągłego jest za duży. 10-12 kw.

3  ...20kw kocioł z podajnikiem+ bufor+ kominek.

Przewymiarowany  kocioł  z podajnikiem ,do tego bufor.Moim zdaniem zbędny wydatek.

 

At mos to kocioł zgazowujący biomasę, temperatura jego pracy to 80 st, ztond też bufor.

Kocioł ma za zadanie naładować bufor,nie pracować ciągle.

Zarchiwizowany

Ten temat przebywa obecnie w archiwum. Dodawanie nowych odpowiedzi zostało zablokowane.

  • Ostatnio przeglądający   0 użytkowników

    • Brak zarejestrowanych użytkowników przeglądających tę stronę.
×
×
  • Dodaj nową pozycję...

Powiadomienie o plikach cookie

Używając tej strony zgadzasz się na Polityka prywatności.