miro30 Opublikowano 23 Lutego 2013 Autor #51 Opublikowano 23 Lutego 2013 tylko co z tą grawitacją wiadomo różnie to bywa brak prądu i już pa paleniu, wtedy jednak lepiej ten 4d i jak bym na powrocie przed zaworem 4d wstawił zawór kulowy i dodatkowo od nogę bym zrobił do powrotu. nie ma prądu schodzę do piwnicy i zamykam kulowym obieg na 4d i woda powrotna grawitacyjnie wróci do pieca
sambor Opublikowano 23 Lutego 2013 #52 Opublikowano 23 Lutego 2013 Przed brakiem prądu chroni cię zasilacz awaryjny a nie zawór 4-D, tym bardziej że NW jest nie bardzo zgodne z przepisami, Przetwornica 12/230 + aku 100-150Ah powinna wystarczyć na 5-8h pracy bez prądu. Poczytaj temat o przetwornicy i jej doborze do kotla. Pozdr.
miro30 Opublikowano 23 Lutego 2013 Autor #53 Opublikowano 23 Lutego 2013 tak też dobry pomysł,ale ja miałem na myśli jak bym palił w trybie ręcznym na dodatkowym ruszcie
miro30 Opublikowano 23 Lutego 2013 Autor #54 Opublikowano 23 Lutego 2013 także sumując wszystkie odpowiedzi skłaniam się do schematu kiminero,wstawię dla bezpieczeństwa ten zawór 1.5 bara,także ten schemat wyślę hydraulikowi na e-mail
miro30 Opublikowano 23 Lutego 2013 Autor #56 Opublikowano 23 Lutego 2013 będzie dobrze z tym 4d.byłem w piwnicy obejrzeć stary piec i on miał na stałe w korpus stawiony ten zawór bezpieczeństwa 1.5 bara,przez 8 sezonów grzewczych nigdy nie zadziałał,
Gość Digitrax Opublikowano 24 Lutego 2013 #57 Opublikowano 24 Lutego 2013 Dla mnie najlepszym rozwiązaniem jest najprostsze rozwiązanie. Na Twoim miejscu zapomniałbym o zaworze 4D i 3D jeżeli nie masz możliwości podciągnięcia osobnej rury bezpieczeństwa do naczynia. W takim przypadku robi się to w ten sposób, że pompę CO daje się na powrocie i wykonuje by-pass spinając wyjście kotła z powrotem poprzez zawór o zwiększonym przepływie np 1" wraz z głowicą termostatyczną z kapilarą np na 55 stopni. (dostępne na allegro). Będzie zgodnie z przepisami, zdrowym rozsądkiem i co ważne bezpiecznie. Układ działa w ten sposób, że do czasu rozgrzania powrotu kotła do np 55 stopni woda krąży krótkim obiegiem. W chwili gdy powrót kotła się rozgrzeje zawór termostatyczny zamyka przepływ przez by-pass i woda zaczyna krążyć w kierunku instalacji CO. Powyższe działanie przyśpieszy także podgrzewanie wody w zbiorniku CWU, ponieważ on także podgrzewa skutecznie powrót. Układ grawitacyjny także zadziała w przypadku braku zasilania. Zawór zwrotny klapowy to umożliwi. Średnice rur: obieg do zbiornika CWU - 1 cal (lub miedź 28), by-pass - 1 cal (lub miedź 28) obieg CO zasilanie i powrót taki aby nie tłumić grawitacji 5/4 lub 6/4.
miro30 Opublikowano 24 Lutego 2013 Autor #58 Opublikowano 24 Lutego 2013 Jakby nie patrzeć w tym piecu nie da się zagotować wody,jak ustawione mam 60 stopni.to piec się wyłącza wchodzi w tryb podtrzymania i załączy się dopiero poniżej nastawy,tego żaru na tym palenisku jest tyle co w szufelce bym zmieścił,jaka musiała by nastąpić ekstrymalna sytuacja by zagotować tą wodę?
Gość Digitrax Opublikowano 24 Lutego 2013 #59 Opublikowano 24 Lutego 2013 W piecu wody nie zagotujesz ale w kotle jest to bardzo łatwe. Wystarczy, że zbraknie zasilania elektrycznego, pompa stoi = nie ma odbioru ciepła. Zapewne powiesz, że wentylator też stoi i się nic nie stanie - błąd, wystarczy, że ciąg kominowy się zwiększy i skutecznie już przeciągnie powietrze przez wentylator do paleniska gdzie może już porządnie rozbujać kocioł. Doświadczyłem tego osobiście a powodem był brak prądu na fazie do której miałem podłączony kocioł. Dlatego zainstalowałem automatyczny przełącznik faz aby się przed tym zabezpieczyć. Gotująca się woda w kotle uchodziła do zbiornika wyrównawczego na strychu i przez przelew wracała do umywalki w kotłowni ale uderzenia hydrauliczne w rurach pobudziły domowników. Huk był tak głośny jakby ktoś celowo po rurach młotkiem stukał. To były jedynie przemieszczające się kłęby pary z kotła do naczynia. Zawór bezpieczeństwa na kotle nie wiele pomoże, ponieważ nie otworzy się on pod wpływem ciśnienia pary. Nie bez powodu ktoś określił w ustawie czyli akcie prawnym sposób zabezpieczeń kotła na paliwo stałe. Priorytetem jest bezpieczeństwo i następnie komfort.
kiminero Opublikowano 24 Lutego 2013 #60 Opublikowano 24 Lutego 2013 Zawór bezpieczeństwa na kotle nie wiele pomoże, ponieważ nie otworzy się on pod wpływem ciśnienia pary. Nie bez powodu ktoś określił w ustawie czyli akcie prawnym sposób zabezpieczeń kotła na paliwo stałe. Priorytetem jest bezpieczeństwo i następnie komfort. Nie piszcie, że zawór bezpieczeństwa niewiele pomoże i dlaczego miałby się nie otworzyć pod wpływem ciśnienia pary? Ciśnienie to ciśnienie. Jeżeli będzie miało odpowiednią wartość w miejscu ZB, to nie ma znaczenia co jest jego nośnikiem. Zawór w poprawnie zbudowanym układzie otwartym nie zadziała nigdy i nie ma tu z czym polemizować (właściwie dobrany do ciśnienia statycznego). Twój układ jest poprawny i wzrost ciśnienia na kotle jest rozładowywany do naczynia. Napewno też uważasz, że niemożliwe jest aby kiedykolwiek zamarzło ci naczynie. Ty jako fachowiec i świadomy użytkownik nigdy do tego nie dopuścisz, ale ja swoim klientom nie ufam i ZB montuje obligatoryjnie. Teoretycznie prokurator nic by mi nie zrobił, bo wszystko w zgodzie z przepisami, ale śpię jeszcze spokojniej dzięki ZB. Jak wiadomo ustawodawca dopuszcza już montaż kotłów na paliwo stałe w układach zamkniętych i jeśli miro30 mimo wszystko "zamknie" średnicę rury bezpieczeństwa, to powinien nie tylko zamontować zawór bezpieczeństwa, ale pomyśleć też nad wmontowaniem jedno lub dwufunkcyjnego zaworu schładzającego. Raczej marne szanse, bo po pierwsze trafił mu się fachura "po szkoleniu" i ten pomysł wyśmieje a po drugie "przecież 8 lat nigdy woda się nie zagotowała". Pomijając prawo, w omijaniu którego Polacy się specjalizują, ryzyko bierze na siebie instalator i użytkownik. My tu na forum mamy człowieka uświadomić, innych narzędzi nie posiadamy. Wolny kraj.
miro30 Opublikowano 24 Lutego 2013 Autor #61 Opublikowano 24 Lutego 2013 w sumie to defro w tym piecu zastosował dwa zabezpieczenia.Na obudowie podajnika zamontowana jest tulejka do montażu czujnika cofnięcia się płomienia.dodatkowo na rurze podawczej paliwo umieszczony jest czujnik temperatury nie zależny od energii elektr oraz zawór termostatyczny który w przypadku zbyt wysokiej temperatury w rurze podawczej uruchamia strażaka. a czy ten mój zawór różnicowy nie zadziała wtedy,obieg grawitacyjny
kiminero Opublikowano 24 Lutego 2013 #62 Opublikowano 24 Lutego 2013 Cofanie się żaru to inna bajka. Może nastąpić przy długich okresach podtrzymania latem lub nawet otwartej klapy zasobnika. Te zabezpieczenia nie chronią przed gotowaniem, tylko przed zapłonem węgla (częściej pelletu) w zasobniku. Tej zimy doszło do takiego przypadku w mojej okolicy. Kotłownia poszła z dymem a zanim dojechała straż, domek się "uwędził". Dobrze, że nie spłonął doszczętnie.
miro30 Opublikowano 24 Lutego 2013 Autor #63 Opublikowano 24 Lutego 2013 czyli sumując hydraulik ma zrobić -zawór 4d 5.4cala -zawory zwrotne za pomkami -c.w.u bezpośrednio w zasilanie -termometry poglądowe za zaworem 4d i na powrocie -zawór bezpieczeństwa - i dla swojego bezpieczeństwa zasilacz awaryjny,na allegro dość chodliwy towar
sambor Opublikowano 24 Lutego 2013 #64 Opublikowano 24 Lutego 2013 - i dla swojego bezpieczeństwa zasilacz awaryjny,na allegro dość chodliwy towar zasilacz musi być z napięciem wyjściowym o kształcie pełnego sinusa a nie sinusopodobnym
miro30 Opublikowano 24 Lutego 2013 Autor #65 Opublikowano 24 Lutego 2013 dziękuje wszystkim za rady,także jak widze nie sztuką jest kupić kocioł,ale sztuką jest go poprawnie zamontować. nie ukrywam że moja instalacja ma korzenie jak za gierka,cóż zrobić w tamtym czasie czyli 18lat temu jak rodzice stawiali ten dom,to było normą. także przez ostatnie dni jestem mądrzejszy a nauka nie idzie w las,
vernal Opublikowano 24 Lutego 2013 #66 Opublikowano 24 Lutego 2013 Jak wchodzę na ten temat, to ciągle mi skacze po głowie, że najlepiej to by było gdyby w ogóle tej instalacji nie ruszali. Podejrzewam, że pierwotnie działała lepiej niż kiedykolwiek w przyszłości będzie... Ale wiadomo - nowy kocioł, to łatwo wmówić klientowi, że to trzeba przecież przerobić (dostosować :lol: ) instalację. I tu chyba tak właśnie było, szkoda tej fuszerki za pieniądze klienta.
miro30 Opublikowano 28 Lutego 2013 Autor #67 Opublikowano 28 Lutego 2013 witam ponownie.dziś był hydraulik który zdecydował się zrobić poprawki,a więc zawór 3drożny zostaje w funkcji mieszania, wstawi zawór bezpieczeństwa.pompkę c.w.u wstawia bezpośrednio w zasilanie z zaworem zwrotnym,także dzięki temu wpięciu będzie na krótkim obiegu ochrona powrotu tak ja mówię on był innego zdania że nie powiedziane ile ma wynosić ochrona kotła tylko są to zalecenia,tak samo dotyczy temp na kotle że jak mi za gorąco to sobie mogę zmniejszyć nawet na 45stopni Nie była to miła rozmowa nie chce zamontować zaworu 4d bo mówi że nie za działa prawidłowo instalacja i ze względu na bezpieczeństwo,nawet jak będę się upierał to mi nie podbije gwarancji.co o tym myślicie?
miro30 Opublikowano 28 Lutego 2013 Autor #68 Opublikowano 28 Lutego 2013 jakbym chciał nawet ten zawór 4d to muszę mieć projekt podbity i zatwierdzony przez instalatora,
kiminero Opublikowano 28 Lutego 2013 #69 Opublikowano 28 Lutego 2013 Nie chce zamontować... Dobre. A co on ma do chcenia? Jak byś jeszcze rozwinął tą kwestię względów bezpieczeństwa... Dziwne, że podpięcie naczynia mu nie przeszkadza... Obawiam się też, że bez 4D to ty krótkiego obiegu po prostu nie posiadasz ale co rozumiesz przez 3D w funkcji mieszania? Jeśli pompa CO będzie jak teraz za zaworem, to mieszanie i owszem będzie, ale w kierunku grzejników. Ochrony powrotu tu nie ma.
miro30 Opublikowano 28 Lutego 2013 Autor #70 Opublikowano 28 Lutego 2013 wspomniał o naczyńku ze niema bezposredniego podłączenia do kotła że w tym przypadku nie ma mowy o zaworze 4d ,powrót chce mieć czysty bez żadnych zaworów, a jesli chodzi o funkcje mieszania tak jak na fotkach nic nie zmieni zawór 3d zostaje w tej samej pozycji bedzie zassysał wode z powrotu i mieszał na grzejniki,a z ochroną to d...a jedynie bojler bedzie dbał o to.
miro30 Opublikowano 28 Lutego 2013 Autor #71 Opublikowano 28 Lutego 2013 nadal nie mogę zrozumieć czemu nie chce hydraulik mi zrobić zaworem 3d funkcji rozdzielania,założyłbym termostaty na grzejnikach i po problemie,temp jaką chcę w pomieszczeniu i zachowana ochrona powrotu,czy to takie trudne
Gość Digitrax Opublikowano 1 Marca 2013 #72 Opublikowano 1 Marca 2013 Zapłaciłeś mu ? jeżeli nie to pogoń frędzla a jeżeli tak to domagaj się doprowadzenia instalacji do stanu wymaganego przez prawo. Gdy będzie się migał nie obawiaj się iść do sądu. Trzeba tępić głupotę bo na nią lekarstwa nie ma.
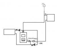
miro30 Opublikowano 2 Marca 2013 Autor #73 Opublikowano 2 Marca 2013 witam.prośba zrobiłem sobie taki schemat jakbym widział tą moją instalacje po przeróbce.po lewej stronie rysunku układ który nie zdaje roli, po prawej po poprawkach jedynie mam pytanie odnośnie punktu z kółkiem z znakiem ? czy tam nie będzie problemu z przepływem?to tyle a żółty punkt na rysunku to jest obieg grawitacyjny z zaworem różnicowym,wiadomo rysunek poglądowy brak w nim zaworów kulowych,sitek itp
Gość Digitrax Opublikowano 3 Marca 2013 #74 Opublikowano 3 Marca 2013 Kombinujesz i nadal Twe pomysły są niebezpieczne. Jeżeli tak bardzo chcesz wykorzystać zawór 3D, który posiadasz to wykonaj instalację w kotłowni jak na poniższym rysunku. Powiesz, że upieram się przy swoim ale ja już taki jestem. Bezpieczeństwo, minimalizm komplikacji i gwarancja poprawności działania układu będzie zapewniona. Co do Twego rozwiązania podłączenia zbiornika na strychu z powrotem to zapomniałeś o jednym, że gazy unoszą się ku górze czyli wyjście z kotła musi być podłączone ze zbiornikiem a nie powrót !
miro30 Opublikowano 3 Marca 2013 Autor #75 Opublikowano 3 Marca 2013 Kombinujesz i nadal Twe pomysły są niebezpieczne. Jeżeli tak bardzo chcesz wykorzystać zawór 3D, który posiadasz to wykonaj instalację w kotłowni jak na poniższym rysunku. Powiesz, że upieram się przy swoim ale ja już taki jestem. Bezpieczeństwo, minimalizm komplikacji i gwarancja poprawności działania układu będzie zapewniona. Co do Twego rozwiązania podłączenia zbiornika na strychu z powrotem to zapomniałeś o jednym, że gazy unoszą się ku górze czyli wyjście z kotła musi być podłączone ze zbiornikiem a nie powrót ! miro30 naczynko na strychu nie ma powrotu do kotła tam idzie tylko jedna rura zasilanie,grzejnik łazienkowy jest ostatni i on ma powrót a u góry ok 1metra na strychu naczynko przelewowe może fotki coś rozjaśnią temat. także zawór 3d chcem zastosować na rozdzielanie np40% z kotła na grzejniki a reszte te 60% niech wraca do kotła taki schemat działania jest na stronie defro i sam zawór tak może działać
Rekomendowane odpowiedzi
Zarchiwizowany
Ten temat przebywa obecnie w archiwum. Dodawanie nowych odpowiedzi zostało zablokowane.