Skocz do zawartości

AdamGuitar

Stały forumowicz
  • Postów

    4440
  • Dołączył

  • Ostatnia wizyta

  • Wygrane w rankingu

    25

Treść opublikowana przez AdamGuitar

  1. Sprawdź gałązki powrotne i zasilające przy grzejnikach i spadek grzejników. powinno być tak:
  2. Czy mogę prosić o schemat instalacji? A może to coś z kominkiem?
  3. Czy ta ilość spalonego opału dotyczy całej tegorocznej zimy czy tylko stycznia? Pragnę zauważyć,ze w styczniu w moim regionie średnia temperatura miesięczna wynosiła - 7,74 st. C. Trzeba więc odnieść się również do tego aspektu.
  4. Wyrzucić sterownik pokojowy, zaufać termostatom grzejnikowym.
  5. Jeśli wyliczenia dają wynik 50 kW zapotrzebowania na ciepło to taki8 musi być kocioł. Jeśli mniejsze, to i kocioł i nagrzewnica powinny być mniejsze.
  6. A masz w reku termometr, że twierdzisz, że jest cieplejszy? Zostaw tak jak jest.
  7. Opisałem to post wyżej. Przeanalizuj jak będzie płynęła woda przy montażu pompy przed zaworem a jak po montażu za zaworem
  8. Przynajmniej równa mocy nagrzewnicy, jeśli układ ma działać właściwie. Inaczej można kupić również mniejszą nagrzewnicę. zastanawiam się czasem skąd takie pomysły?
  9. Bez komentarza.
  10. Tak i kocioł powinien tyle mieć przynajmniej. Nagrzewnica sama sobie nie doda mocy. A trzeba jeszxcze doliczyć inne funkcje kotła jeżeli są. Np. podgrzew wody w ilości wystarczającej dla myjni.
  11. Ciekawe ile stopni macie w mieszkaniu?
  12. Tu nie chodzi o zakłócenia tylko o pracę. Montaż przed zaworem powoduje rozdzielenie wody pompowanej. Za zaworem woda zasysana jest z odpowiednich gałęzi. czyli układ nie będzie działał właściwie.
  13. Minimum 1"
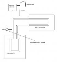
  14. Ale czy ma króćce i wężownicę do podłączenia podkowy, a to nie jest wszystko. Takie małe centralne musi spełniać/ wymogi normalnego układu grzewczego. Stąd moja rada aby poszukać miejscowego majstra. Tu najprostszy schemat z obiegiem grawitacyjnym.
  15. Niestety nie wystarczy. Pompa musi być za zaworem inaczej układ nie będzie właściwie funkcjonował.
  16. Wszystko zależy jaki to bojler. Proszę poszukać majstra na miejscu to podpowie i zrobi.
  17. To znaczy,ze jest za ciepło i grzejnik jest odcięty "3" to ok. 20 st. C. zazwyczaj jednak jest nieco więcej (chodzi o głowicę termostatyczną a nie nastawę wstępną zaworu). Regulator pogodowy ustala temperaturę czynnika grzewczego c.o. na odpowiednim poziomie, dopasowanym do zapotrzebowania na ciepło w zależności od temperatury zewnętrznej.
  18. Widziałbym to tak: Brakuje tu jeszcze przy pompach (przed i za) zaworów kulowych odcinających umożliwiających ich demontaż w razie konieczności. Zawór różnicowy bez odcięcia.
  19. Może warto zacząć od zmiany opału? Np. ekogroszek. Zakup 100kg i spróbuj.
  20. Zadam jeszcze pytanie jaki to kocioł? Przy pewnych rozwiązaniach lepiej jest kupić nowy. Instalacja nie koniecznie do wymiany.
  21. Tak w zupełności. Lepszym rozwiązaniem od czujnika pokojowego jest regulator pogodowy sterujący zaworem trójdrożny, czterodrożnym dla c.o.. Osobiście jestem zwolennikiem zaworu trójdrożnego i niezależnego obiegu kotłowego. Jest to, według mnie, najbardziej optymalny układ dla kotła na paliwo stałe i instalacji c.o.
  22. Nie wiemy jaki to kocioł, ani nic o instalacji. Od tego by trzeba zacząć.
  23. Przygotuj wpierw schemat a później go omówimy.
  24. Nie każdy zamontowany gadżet zmniejsza ilość spalonego paliwa. Podane zużycie jest naprawdę nieduże. Jedynie aby zabezpieczyć kocioł przed niskimi temperaturami na powrocie można wykonać proponowane przez zibi11 układy. Ale czy zużycie się zmniejszy a może nieco zwiększy nie wiadomo. Kocioł jest naprawdę dobrze wyregulowany. generalnie nie proponuję regulatorów pokojowych.
  25. W końcu robisz układ pompowy. grawitacja zadziała ale w ograniczonym, zakresie.
×
×
  • Dodaj nową pozycję...

Powiadomienie o plikach cookie

Używając tej strony zgadzasz się na Polityka prywatności.