IGNOROWANY
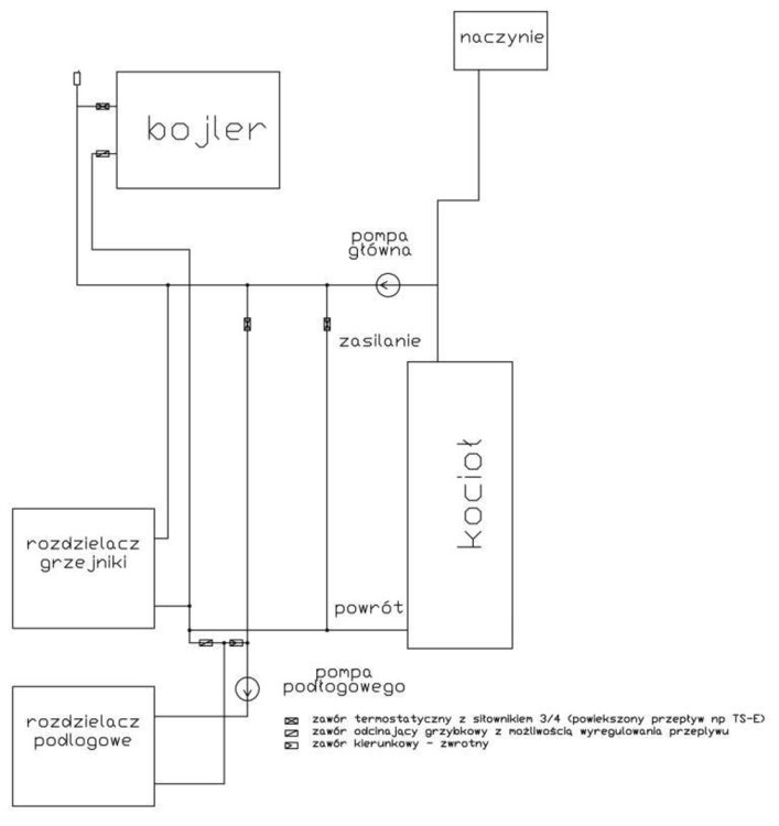
Nowa kotłownia z jedna pompa + druga podłogówki - nietypowe sterowanie
- Odpowiedz w tym temacie
- Ignoruj ten temat
- Czy wyłączyć ignorowanie tego tematu?
- Dodaj nowy temat
-
Ostatnio przeglądający 0 użytkowników
- Brak zarejestrowanych użytkowników przeglądających tę stronę.
-
Podobna zawartość
-
- 10 odpowiedzi
- 561 wyświetleń
-
- 0 odpowiedzi
- 325 wyświetleń
-
- 12 odpowiedzi
- 913 wyświetleń
-
- 49 odpowiedzi
- 4179 wyświetleń
-
Podłączenie zasilania podłogówki + zasilanie bufora z PC oraz z pieca stałopalnego do jednego króćca w buforze
Przez MuminPapa,
- 0 odpowiedzi
- 261 wyświetleń
-

Rekomendowane odpowiedzi
Dołącz do dyskusji
Możesz dodać zawartość już teraz a zarejestrować się później. Jeśli posiadasz już konto, zaloguj się aby dodać zawartość za jego pomocą.
Uwaga: Twój wpis zanim będzie widoczny, będzie wymagał zatwierdzenia moderatora.