Nutowsky Opublikowano 20 Marca 2020 #1 Opublikowano 20 Marca 2020 Witam. Potrzebuje porady w rozwiązaniu problemu, ze sterowaniem dwoma oddzielnymi obiegami. Mam dwa sterowniki pokojowe firmy Salus i chciałbym aby każdy z nich załączał jedna z pomp (po jednej na każde piętro), a po osiągnięciu zadanej temperatury na obu kondygnacjach wyłączał się kocioł. Mam jednak problem z połączeniem tego do kupy. Proszę poradźcie mi jakie elementy muszę wstawić w miejsce pola z numerem 1 na schemacie i jak to pospinać. ps. wiem, że producenci kotłów gazowych oferują gotowe moduły do tego typu instalacji (zresztą często ich uzywam), ale jak wiadomo nie każdego inwestora na to stać i chciałbym to po prostu zrobić taniej
WojtuNie Opublikowano 20 Marca 2020 #2 Opublikowano 20 Marca 2020 Podaj model tych salusów, czy to tylko termostaty on off, czy jakieś sterowniki. Najtaniej będzie to zrobić na 2 przekaźnikach. Ale sterowanie kotłem będzie tylko on off i jedynie pogodówka jeżeli ją posiada.
Nutowsky Opublikowano 20 Marca 2020 Autor #3 Opublikowano 20 Marca 2020 Tylko on off i kocioł będzie działał tak jak kolega napisał. Mógłbym prosić o jakiś link do tych przekaźników?
WojtuNie Opublikowano 20 Marca 2020 #4 Opublikowano 20 Marca 2020 Tylko jakie te Salusy są? Bo nie wiem czy trzeba sterowanie tylko do kotła, czy również do pomp.
sambor Opublikowano 20 Marca 2020 #5 Opublikowano 20 Marca 2020 Czasem takie sterowanie robię dla prostych kotłów np termetów - dwa sterowniki pokojowe załaczają dwa przekaźniki a te jedną parą zestyków załączają pompy, natomiast drugie pary zestyków są połączone równolegle i sterują kotłem - przy wyłączeniu obu przekaźników kocioł jest blokowany Wot technika za 150zł.
Nutowsky Opublikowano 20 Marca 2020 Autor #6 Opublikowano 20 Marca 2020 Chodzi o taki sterownik https://allegro.pl/oferta/salus-091fl-regulator-sterownik-temperatury-tygod-5212671435?bi_s=ads&bi_m=showitem%3Aactive&bi_c=NjkxYjFlMjItN2FiOS00Y2VhLTllMzUtZDg0MjVkNmVmOWNjAA&bi_t=ape&referrer=proxy&emission_unit_id=15ca17de-cf70-491a-9b20-d2ce3fa13abf @sambor Jeśli można prosić o jakiś link do tych przekaźników, to byłbym bardzo wdzięczny. Jeśli chodzi o elektrykę to jestem zielony i ciężko mi znaleźć odpowiednie.
WojtuNie Opublikowano 20 Marca 2020 #7 Opublikowano 20 Marca 2020 Przekaźniki obojętnie jakiej firmy, cewka na 230v~ I dwie pary styków. Schemat odręczny ale jak ktoś elektryczny to skuma, inaczej lepiej nie igrać bo prądu nie widać.
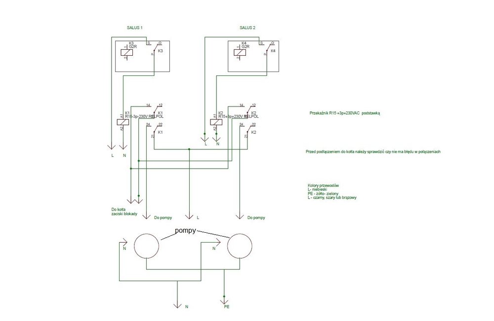
sambor Opublikowano 20 Marca 2020 #8 Opublikowano 20 Marca 2020 Podanie fazy na kocioł będzie skutkowało jego spaleniem, w przekaźnikach muszą być zestyki przełączane , na pompy wystarczy po 1 a na kocioł drugi - bez napięciowy. Np ja stosuję stare, ale mocne przekaźniki R15 3P, jak dojdę do odpowiedniego kompa to może coś machę .
PioBin Opublikowano 20 Marca 2020 #9 Opublikowano 20 Marca 2020 Schemat @WojtuNie jest dobry o ile logika tych salusow oraz kotla jest wlasciwa (ale pewnie ok).
WojtuNie Opublikowano 20 Marca 2020 #10 Opublikowano 20 Marca 2020 48 minut temu, sambor napisał: Podanie fazy na kocioł będzie skutkowało jego spaleniem, w przekaźnikach muszą być zestyki przełączane , na pompy wystarczy po 1 a na kocioł drugi - bez napięciowy. Na moim schemacie nie ma połączenia fazy z stykami sterującymi kotłem. Chyba że chodzi o kreskę pomiędzy cewką a stykami, to jest połączenie mechaniczne izolowane. Uzupełniam. Na schemacie są narysowane tylko styki które są wykorzystane, nie ma tych NC, żeby nie mieszać już koledze, a przekaźnik jest w stanie beznapięciowym, czyli styki otwarte.
WojtuNie Opublikowano 20 Marca 2020 #11 Opublikowano 20 Marca 2020 17 minut temu, PioBin napisał: Schemat @WojtuNie jest dobry o ile logika tych salusow oraz kotla jest wlasciwa (ale pewnie ok). Logika jest taka, że ma być tanio w instalacji ;). Można jeszcze taniej stosując zwykłe termostaty mechaniczne. Jeszcze odnośnie połączenia, w Salusach należy wykorzystać styki które zwierają się w przypadku zapotrzebowania na grzanie, a w kotle podłączyć zamiast zaworki która najczęściej opisana jest jako TERM. Chociaż mam obawy, czy inwestor jest świadom takiego sposobu sterowania, ale nie znamy nic więcej, to trudno oceniać.
sambor Opublikowano 20 Marca 2020 #12 Opublikowano 20 Marca 2020 Trochę sie boję o kocioł, ale zamieszę mój schemat- narysowany na kolanie, ale wg mnie jest OK. Mam nadzieję że dużych szkód nie powstanie.
Nutowsky Opublikowano 21 Marca 2020 Autor #15 Opublikowano 21 Marca 2020 Wielkie dzięki panowie, postaram się to jakoś sprawdzić przed wpięciem do kotła.
Rekomendowane odpowiedzi
Zarchiwizowany
Ten temat przebywa obecnie w archiwum. Dodawanie nowych odpowiedzi zostało zablokowane.