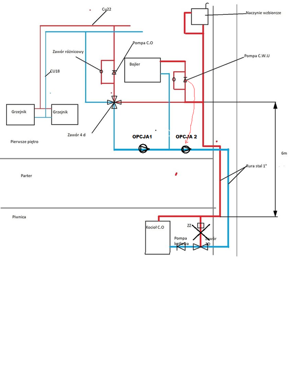
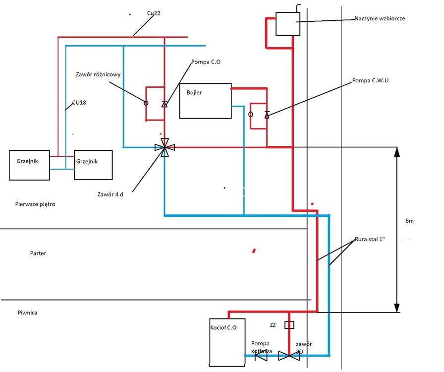
Robson88 Opublikowano 23 Października 2019 #1 Opublikowano 23 Października 2019 Witam, Nie za bardzo wiem jakie powinienem stosować pompy do mojej instalacji tak aby nie pobierały za dużo prądu ale żeby wszystko działało obliczyłem sobie przepływ w instalacji Q=0,645 ale nie mam pewności czy dobrze to zrobiłem. Mam kocioł kl.5 15 kw, bojler z wężownicą 80l oraz 5grzejników panelowych 2m i jadną drabinka w łazience z kotła do mieszkania(zbiornika przelewowego) jest ok 9 m pionu. tak jak na schemacie. Co możecie mi polecić Mam już jedną pompę którą zostawili fachowcy tj. Pompa typ GPD 25-40-180c waterforce Pozdrawiam
sambor Opublikowano 24 Października 2019 #2 Opublikowano 24 Października 2019 Wszystkie pompy 25/40 ta na grzejniki z autoadapt. Zaw 3-D do wywalenia - po co on?
Robson88 Opublikowano 24 Października 2019 Autor #3 Opublikowano 24 Października 2019 @Sambor dzięki W sumie znalazłem taki schemat w internecie jeśli chodzi o pompe kotłową ale może żle coś rozumiałem/ podpatrzyłem. Nawet to uprości instalacje :) dzięki :)
Darekgra Opublikowano 24 Października 2019 #4 Opublikowano 24 Października 2019 Chyba jeszcze pompa CWU I CO do zamiany miejscami z zaworem różnicowym i czy pompa kotłowa nie wprowadzi zamieszania w układzie CWU? I czy pompa kotłowa wg tego schematu nie będzie zbyt mocno wymuszać obieg na kotle z pominięciem zaworu 4D? Może jakiś zawór termostatyczny zamiast tego 3d
Robson88 Opublikowano 24 Października 2019 Autor #5 Opublikowano 24 Października 2019 Zaworów różnicowych nie bedzie za poradą kolegi sambor w innym temacie:) także pompa kotłowa została dodana po konsultaci na forum zawsze idzie ją zdemontować w razie komplikacji pzdr
Darekgra Opublikowano 24 Października 2019 #6 Opublikowano 24 Października 2019 Pompa kotłowa być musi, sam się o tym przekonałem, tylko chyba lepiej ją zamontować zaraz za zaworem 4D, a połączenie pomiędzy ciepła i zimną rura zaraz za piecem zlikwidować lub ewentualnie właśnie na nim zamontować ta pompę. Może @sambor podpowie, mi dużo pomógł. Co do pomp to mogę polecić Wilo yonos pico 1-4, mi sprawują się świetnie.
Robson88 Opublikowano 24 Października 2019 Autor #7 Opublikowano 24 Października 2019 Czytałem o zaworach termostatycznych ale już w ogóle mam mentlik w głowie. Myślę że zrobię tak zlikwiduję rurę łączaca zasilanie z powrotem zostawie tylko trójniki zaślepione i sprawdzę jak sie będzie sprawować instalacja. Jak coś bedzie nie tak to wtedy bedę dalej kombinował. Tylko kwestia tego jakie ewentualne konsekwencje mogą być? o jakich zakłóceniach pisałeś?
Darekgra Opublikowano 24 Października 2019 #8 Opublikowano 24 Października 2019 Tak termostatyczny tu się nie sprawdzi... Zakłócenia - to czy przy takim umiejscowieniu pompy kotłowej i takie miejscu wpięcia powrotu CWU w powrót z 4D nie spowoduje ciągłego obiegu wody przez bojler nawet mimo wyłączenia pompy CWU i w konsekwencji nadmiernego podnoszenia temperatury w bojlerze?
Robson88 Opublikowano 24 Października 2019 Autor #9 Opublikowano 24 Października 2019 Temp. Bojlera nie powinna chyba wzrosnać powyżej temp zadanej na piecu czyli max 80 stopni chyba że nastapi zagotowanie wody w wyniku "awarii"w takim wypadku pompa cwu chyba powinna sie wyłączyć i zatrzymać napływ wody do bojlera ? Zaworów różnicowych nie bedzie w układzie wiec chyba powinno być ok. W pewnym momencie myślałem nawet aby zlikwidować pompe cwu bo sądziłem że kotłowa wystarczy i wymusi obieg w bojlerze ale doszedłem do wniosku że lepiej nie eksperymentować jak się nie ma doświadczenia.
gmaj22 Opublikowano 25 Października 2019 #10 Opublikowano 25 Października 2019 11 godzin temu, Robson88 napisał: Myślę że zrobię tak zlikwiduję rurę łączaca zasilanie z powrotem zostawie tylko trójniki zaślepione i sprawdzę jak sie będzie sprawować instalacja. Jak coś bedzie nie tak to wtedy bedę dalej kombinował. 11 godzin temu, Robson88 napisał: Temp. Bojlera nie powinna chyba wzrosnać powyżej temp zadanej na piecu czyli max 80 stopni chyba że nastapi zagotowanie wody w wyniku "awarii"w takim wypadku pompa cwu chyba powinna sie wyłączyć i zatrzymać napływ wody do bojlera ? Zaworów różnicowych nie bedzie w układzie wiec chyba powinno być ok. W pewnym momencie myślałem nawet aby zlikwidować pompe cwu bo sądziłem że kotłowa wystarczy i wymusi obieg w bojlerze ale doszedłem do wniosku że lepiej nie eksperymentować jak się nie ma doświadczenia. Pompa kotłowa ma być na rurze powrotu od 4D a nie tej łączącej powrót z zasilaniem kotła. Jeśli dasz pompę kotłową na powrocie, ale za trójnikiem podłączenia powrotu CWU, wtedy rzeczywiście mógłbyś zrezygnować z pompy CWU ( a raczej zrobić z niej pompę kotłową). Wtedy musiałbyś mieć siłownik na 4D i sterownik musiałby zamykać mieszacz w auto lato bądż po wyłączeniu pompy CO. Temperatura CWU jak na kotle chyba że dasz zawór termostatyczny z głowicą i kapilarą w bojlerze albo zawór termoelektryczny NC zasilany z wyjscia pompy CWU. Pozostanie wtedy tylko dobrze zrównoważyć układ zaworami i/lub przepływem pompy kotłowej.
Robson88 Opublikowano 25 Października 2019 Autor #11 Opublikowano 25 Października 2019 Nie wiem czy dobrze zrozumiałem pompa kotłowa może być zamontowana pomiedzy powrotem Z zaw 4d a trojnikie powrotu z bojlera tak ? A ktore rozwiązanie bylo by lepsze z twojego punktu widzenia kolego @gmaj22?
gmaj22 Opublikowano 25 Października 2019 #12 Opublikowano 25 Października 2019 Wiem, które tańsze skoro oszczędności szukasz:) Nie musisz kupować kolejnej pompy. Opcja 1 - zostawiasz pompę CWU, zakładasz dodatkową pompę na powrót z 4D i likwidujesz 3D z bajpasem między zasilaniem i powrotem. opcja 2 - wykorzystujesz pompę CWU. W tej opcji pompa może być również w miejscu przed kotłem, gdzie masz narysowaną pompę kotłową, i likwidujesz j/w Za pompami zawory zwrotne, przed nimi filtry.
Robson88 Opublikowano 25 Października 2019 Autor #13 Opublikowano 25 Października 2019 Niekoniecznie oszczednaści co dobrze działajacego układu :)300 zl rożnicy nie robi :) dlatego pytam które rozwiazanie byś wybrał a jeżeli oba są dobre to zastosuje tę gdzie mniejsze wydatki :) zależy mi na bezproblemowej pracy :)
Darekgra Opublikowano 25 Października 2019 #14 Opublikowano 25 Października 2019 Najlepsze to jest nr 1. Mam tak u siebie i jest BDB. Oddzielne sterowanie CWU, i pompa kotłowa z przeznaczeniem tylko do obiegu kotłowego.
Robson88 Opublikowano 26 Października 2019 Autor #15 Opublikowano 26 Października 2019 Ok dobrze zrobie w twn sposób że zostawiw sobie miejsce na pompe cwu i przetestuje jak działa na 2 pompach a ewentualnie potem dołącze pompe cwu w razie problemów. Czy do cwu są specjalne dedykowane pompy? Pzdr
gmaj22 Opublikowano 26 Października 2019 #16 Opublikowano 26 Października 2019 Jak dołączysz pompę CWU, to pompa kotłowa MUSI pozostać w opcji 1.
Robson88 Opublikowano 26 Października 2019 Autor #17 Opublikowano 26 Października 2019 Tak wiem :) zostawie miejsce na takie przeróbki :)
Rekomendowane odpowiedzi
Zarchiwizowany
Ten temat przebywa obecnie w archiwum. Dodawanie nowych odpowiedzi zostało zablokowane.