rafi77480 Opublikowano 11 Grudnia 2018 #1 Opublikowano 11 Grudnia 2018 Witam. W pierwszych słowach chcę przywitać wszystkich użytkowników forum, jestem nowym użytkownikiem forum i totalnym laikiem jeśli chodzi o tematykę związaną z ogrzewaniem. Jestem szczęśliwym posiadaczem jednopiętrowego domu z lat sześćdziesiątych. Jest to dom o powierzchni ok. 90 m2 plus poddasze nieużytkowe. Aktualnie dom jest ogrzewany przez piec kaflowy na tzw. podkowę (cztery kaloryfery w 3 pomieszczeniach plus korytarz) ten sposób ogrzewania jest niewystarczający w związku z tym planuję w najbliższym czasie zainstalować piec na ekogroszek (piec SETLANS TOWER 13kW ze sterownikiem TECH ST 480 PID już zakupiony) ze względu na malutką piwnice i utrudniony dostęp do niej piec będzie zainstalowany w budynku gospodarczym oddalonym o ok. 10 metrów od domu a w piwnicy ma być zbiornik c.w.u. Takie są wstępne założenia sugerowane przez ekipę która ma wykonać instalację. W związku z tym zastanawiam się czy takie rozmieszczenie jest poprawne, rozumiem że zbiornik c.w.u w piwnicy spowoduje że będą mniejsze straty ciepła ale mogę się mylić może lepsze rozwiązanie to zbiornik w pom. gospodarczym obok pieca, dodam że instalacja ma być tzw. otwarta zalana płynem niezamarzającym natomiast nie mam pojęcia odnośnie szczegółów instalacji, poradźcie czy taka instalacja powinna być wyposażona w zawór mieszający i gdzie on powinien być zamontowany, jakie pompy zawory lub inne elementy powinny być zamontowane i gdzie. Dom nie jest użytkowany przez cały rok tylko w sezonie letnim a zimą tylko weekendy i święta więc na pewno rzadziej. Dodatkowo chciałbym móc wykorzystać możliwości zaawansowanego sterownika pieca. Opis może jest troche chaotyczny ale myślę ze przedstawia ogólny zarys tego co ma być wykonane. Proszę o pomoc specjalistów i ewentualne sugestie dotyczące instalacji, może jakiś schemat jak to powinno wyglądać.
rafi77480 Opublikowano 11 Grudnia 2018 Autor #2 Opublikowano 11 Grudnia 2018 Za dwa dni jestem umówiony z ekipą, mają kopać rowek między domem a gospodarczym i teraz pytanie na jakiej głębokości powinny być rury majster mówi że wystarczy ok 80 cm ale mi się wydaje że to za mało jaka powinna być głębokość wykopu według was ?
odpowietrznik Opublikowano 11 Grudnia 2018 #3 Opublikowano 11 Grudnia 2018 Tak bym to widział jak w zał.Głębokość strefy zamarzania gruntu jest odmienna w różnych rejonach Polski gdzieniegdzie jest i 1,40m Zwróć uwagę na fakt czy dane pompy mogą pracować z glikolem i w jakim stężeniu.Oczywiście naczynie otwarte musi być w najwyższym punkcie,do niego rura stal 1" lub Cu 28 Przed każdą pompą filtr osadnikowy
rafi77480 Opublikowano 11 Grudnia 2018 Autor #5 Opublikowano 11 Grudnia 2018 Sprawdziłem tam gdzie mieszkam głębokość przemarzania 1 m wiec przewody co najmniej na takiej głębokości
Gość Digitrax Opublikowano 11 Grudnia 2018 #6 Opublikowano 11 Grudnia 2018 Można to wykonać także za pomocą jednej pompy. Wtedy obowiązkowo na powrocie kotła TZM a na zasilaniu wężownicy zbiornika CWU głowica termostatyczna z kapilarą. Pompy w domu wtedy odpadają.
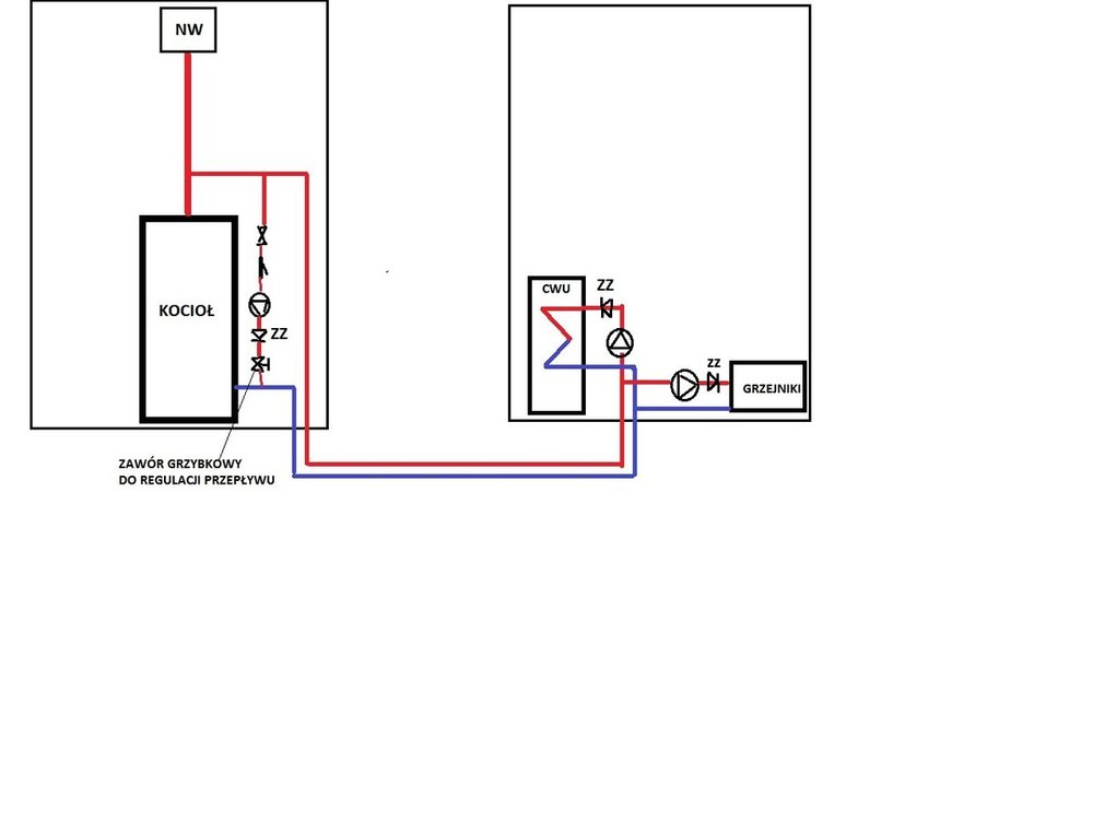
rafi77480 Opublikowano 11 Grudnia 2018 Autor #7 Opublikowano 11 Grudnia 2018 Bardzo podobny schemat rysował hydraulik ale z tego wynika że sterownik pieca będzie obsługiwał tylko sam pięć więc nie będzie wykrzystane 100 procent jego możliwości.W takiej sytuacji aby zmniejszyć temperaturę cwu bed musiał zejść do piwnicy i zakręcić zawór, czy dobrze rozumie ?
odpowietrznik Opublikowano 11 Grudnia 2018 #8 Opublikowano 11 Grudnia 2018 W propozycji Digiego nastawisz sobie na głowicy zaworu temp.wody w zasobniku,nie musisz schodzić)Zawór sam odetnie grzanie zasobnika gdy woda w zasobniku osiągnie nastawioną wartość.Ten zawór nie potrzebuje pompy.
gmaj22 Opublikowano 11 Grudnia 2018 #9 Opublikowano 11 Grudnia 2018 11 minut temu, Digitrax napisał: Można to wykonać także za pomocą jednej pompy. Wtedy obowiązkowo na powrocie kotła TZM a na zasilaniu wężownicy zbiornika CWU głowica termostatyczna z kapilarą. Pompy w domu wtedy odpadają. Słuszna uwaga i odpada ciągnięcie co najmniej dwóch kabli 230 V do zasilania pomp ze sterownika, oraz przewodu czujnika CWU.
rafi77480 Opublikowano 11 Grudnia 2018 Autor #10 Opublikowano 11 Grudnia 2018 Nadal nie rozumiem jak sterować temperatura c.w.u. skoro zasobnik będzie w piwnicy to głowica chyba też. A czy jest sens puścić z pieca ogrzewanie co i cwu oddzielnymi rurami skoro pięć ma dwa wyjścia zasilania.
odpowietrznik Opublikowano 11 Grudnia 2018 #11 Opublikowano 11 Grudnia 2018 Jak w załączniku,tylko naczynie wyrównawcze musi być dość wysoko nad kotłem Możesz puścić oczywiście osobnymi rurami do zasobnika jak chcesz iść w koszty)w myśl zasady kto bogatemu zabroni)wtedy jeszcze dodatkowa pompa na CWU
gmaj22 Opublikowano 11 Grudnia 2018 #12 Opublikowano 11 Grudnia 2018 Sprostowanie: nie nad kotłem, a co najmniej (0,7 X wys. podnoszenia pompy) nad najwyżej połozonym grzejnikiem. W praktyce: około 3m nad drabinka łazienkową na poddaszu/piętrze.
odpowietrznik Opublikowano 11 Grudnia 2018 #13 Opublikowano 11 Grudnia 2018 No niekoniecznie 0,7)bo to wartość przy pompie pracującej na full
rafi77480 Opublikowano 11 Grudnia 2018 Autor #14 Opublikowano 11 Grudnia 2018 Z naczyniem wyrównawczym nie ma problemu dom jest niżej niż bud. gospodarczy.Natomiast jeśli trzymać się ostatniego schematu to jednak muszę schodzić do piwnicy aby regulować cwu. a czy są jakieś inne sposoby.
Gość Digitrax Opublikowano 11 Grudnia 2018 #15 Opublikowano 11 Grudnia 2018 A po grzyba chcesz regulować stale CWU ? Ustawiasz na tym zaworze raz np 45 stopni i masz tyle zawsze w kranie.
odpowietrznik Opublikowano 11 Grudnia 2018 #16 Opublikowano 11 Grudnia 2018 Teraz, rafi77480 napisał: Z naczyniem wyrównawczym nie ma problemu dom jest niżej niż bud. gospodarczy. Natomiast jeśli trzymać się ostatniego schematu to jednak muszę schodzić do piwnicy aby regulować cwu. a czy są jakieś inne sposoby. Ja nie rozumiem po co schodzić) Czyżbyś codziennie chciał mieć inną temp.wody użytkowej?;)
gmaj22 Opublikowano 11 Grudnia 2018 #17 Opublikowano 11 Grudnia 2018 Piszemy o pompie na powrocie... :) 3 minuty temu, odpowietrznik napisał: No niekoniecznie 0,7)
odpowietrznik Opublikowano 11 Grudnia 2018 #18 Opublikowano 11 Grudnia 2018 No wiem,sam powiedziałem że naczynie musi być wyżej ale pompa niekoniecznie musi pracować na "III biegu" zazwyczaj wystarcza "I" i wtedy naczynie nie musi już być 0.7?Zresztą do tej instalacji wystarczy 40ka,parę grzejników na krzyż)
rafi77480 Opublikowano 11 Grudnia 2018 Autor #19 Opublikowano 11 Grudnia 2018 Dobrze więc zapytam inaczej, 16 minut temu, odpowietrznik napisał: Ja nie rozumiem po co schodzić) Czyżbyś codziennie chciał mieć inną temp.wody użytkowej?;) No właśnie chciałbym w zależności od pory dnia bo po co 45 stopni przez cały dzień jak wtedy nikogo nie ma w domu a sterownik pieca na to pozwala. Chyba że ja coś pokręciłem albo mam zbyt wygórowane wyagania.
Gość Digitrax Opublikowano 11 Grudnia 2018 #20 Opublikowano 11 Grudnia 2018 Obniżanie cykliczne temperatury wody użytkowej czy obiegu CO jest pozbawione sensu. To co zaoszczędzisz na tymczasowym braku podgrzewania będziesz musiał wykorzystać na dodatkowe podniesienie temperatury po wystudzeniu. Wtedy się zużywa najwięcej energii. Jak myślisz jakie będziesz mieć spalanie w aucie. Jadąc ze stałą prędkością np 90 km/h czy rozpędzającej je do 90 km/h i następnie jadąc na luzie do 50 km/h i ponownie rozpędzanie. Tu jest podobnie.
rafi77480 Opublikowano 11 Grudnia 2018 Autor #21 Opublikowano 11 Grudnia 2018 Wszystko zależy jak dług będę jechał na luzie, ale rozumiem że ciągła zmiana temperatury jest bez sensu więc się nie upierał. Nasuwa się natomiast pytanie jak przejść na grzanie c.w.u. w okresie letnim, czy wystarczy zakręcić wszystkie grzejniki i po kłopocie czy po drodze jest potrzebny jakiś zawór odcinający dopływ do grzejników.
Gość Digitrax Opublikowano 11 Grudnia 2018 #22 Opublikowano 11 Grudnia 2018 Wystarczy na głównej rurze zasilającej grzejniki zainstalować zwykły zawór kulowy za 20 zł. Na okres letni zaleca się by głowice termostatyczne były odkręcone na max. by się nie zapiekły trzpienie.
rafi77480 Opublikowano 11 Grudnia 2018 Autor #23 Opublikowano 11 Grudnia 2018 Taka instalacja wydaje się mało skomplikowana, zastanawiam się więc dlaczego hydraulik polecił mi sterownik tech st 480 z pid. Mówił że ma on możliwość odczytu temperatury cwu oraz możliwość mieszania wody powracającej do kotła a ja widzę że te wszystkie bajery są zbędne bo można zrealizować to w prostszy sposób.
Gość Digitrax Opublikowano 11 Grudnia 2018 #24 Opublikowano 11 Grudnia 2018 PID wykorzystaj do sterowania kotła kropka. To TZM na powrocie bez udziału elektroniki będzie pilnować temperatury powrotu.
rafi77480 Opublikowano 11 Grudnia 2018 Autor #25 Opublikowano 11 Grudnia 2018 Teraz rozumiem że do sterowania piecem, tylko są chyba tańsze sterowniki z pid. Skoro sterownik nie musi dostawać informacji o temperaturach w układzie to chyba nie musi tez kosztować 1000 zeta
Rekomendowane odpowiedzi
Zarchiwizowany
Ten temat przebywa obecnie w archiwum. Dodawanie nowych odpowiedzi zostało zablokowane.