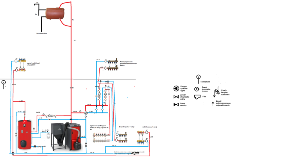
Radzajvectra Opublikowano 27 Listopada 2018 #1 Opublikowano 27 Listopada 2018 Witam. Proszę o sprawdzenie mojego schematu centralnego ogrzewania , nie jest on dokładny i wciąż nanoszę zmiany lecz borykam się z średnicą rur od kotła aż do rozdzielaczy . czy średnica 35 od kotła można zmiejszyc na 28 i dalej jakoś to wystopniować choć wydaje mi się ze 35 od kotła to najlepszy pomysł dalej grupa pompowa grzejników na srednice 28 cu i przejscie na 2 piony 22 Cu do rozdzielaczy , czy da się coś zmienić ? . układ podłogówki może być zasilany rurą 28 cu , lecz słyszałem ze 22 wystarczy. proszę o radę jakie średnice stosować. myślę ze schemat ma błędy ale w tej chwili chodzi mi o przedstawienie układu. kocioł będzie na pallet 16 kw układ otwarty , grawitacja nie jest możliwa ponieważ kocioł znajduje się na parterze wieć układ bedzie wymuszony. zasobnik CWU 200 litrów na 2 węzownice , w przyszłości będą solary. na parterze układ ogrzewania przejmuje podłogówka i w nie dużym stopniu będą wspomagać ją grzejniki podczas silnych mrozów . piętro w całości grzejniki. Dom o powierzchni 140 m2 , nowe budownictwo i dobrze wykonana izolacja . Pozdrawiam
odpowietrznik Opublikowano 27 Listopada 2018 #2 Opublikowano 27 Listopada 2018 Jak kocioł na pellet to bym zrobił na sprzęgle.Na grzejniki niekoniecznie zaw.3D Odcinek wspólny dla grzejników i podłogówki dałbym cu 35 dla samego OP jednak Cu 28 potem odcinek wspólny dla grzejników Cu 28 i do każdego rozdzielacza grzejnikowego Cu22.Pozostaje jeszcze dobór 3D na OP
Radzajvectra Opublikowano 28 Listopada 2018 Autor #3 Opublikowano 28 Listopada 2018 Też dobre rozwiązanie i droższe lecz bardzo ekonomiczne jeżeli chodzi o wydajność. Martwi mnie tylko że trzeba dołoży dodatkowa pompę na obiegu. Czy sprzęgło bez zaworu 3d jest w stanie zabezpieczyć kocioł, bo spotkałem się z różnymi opiniami o trochę jestem zmęczony szukaniem po forach bo wszędzie muwią inaczej i czy układ że sprzęgłem może być otwarty? Bo zależy mi na nim . Ten zawur 3d od grzejników można by było usunąć. A co do podłogówki widziałem wykonane instalacje rozdzielaczy po 8 obwoduw i jestem przekonany że każda pętla miała około 80 m a cały rozdzielacz zasila miedź 22, umnie ma być tylko 5 obduwud i nie mają być długie więc 22 miedź powinna być okey. Chciałbym też wykonać instalacje nie zbyt drogą ale wydajną i solidną. Sprzęgło można kupić kompletne z pompami i dostosowane do potrzeb instalacje w tych czasach wszystko można kupic wystarcza tylko kasa. Kiedyś jak muj tata robił instalacje w domu trzeba było wyginac rury i spawać bo nie było kolanek czy redukcji trzeba było dobrze kombinować by coś zrobic i szczególnie wszystko na dużych średnicach rur, Teraz jest potężny wybór więc ograniczamy się do zasobu portfela.
odpowietrznik Opublikowano 28 Listopada 2018 #4 Opublikowano 28 Listopada 2018 Dajesz np. zawór ESBE VTC 422 który zapewnia odpowiednią temp.dla kotła na pellet oczywiście potrzebuje on pompy i nic cię nie interesuje.Kompletne rozwiązania są drogie ale jak kupić samo sprzęgło to nie ma tragedii ok 400zł. Co do średnicy rur do rozdzielacza podłogowego.Tak wyszło z moich obliczeń.Mamy 60m2 podłogi co dla temp.zasilania 35st i powrotu 30 wychodzi przepływ 0,57m3/h czyli średnio dla jednej pętli ok.1,6l/min.Prędkość czynnika grzewczego dla rury Cu 22 nie powinna przekraczać 0,3m/s a spadek ciśnienia nie powinien być większy jak 150Pa/m Przy powyższych danych dla rury Cu 22 prędkość przepływu=0,51m/s czyli>niż zalecane 0,3m/s oraz opór 186Pa/m >150Pa/m Dopiero dla rury CU 28x1,5 prędkość=0,32m/s i opór =64Pa.Pewnie będzie chodzić i na tej Cu 22 ale zbyt duża prędkość wody w rurach Cu powoduje wypłukiwanie kształtek a gdy średnica jest znacznie zaniżona to mogą wystąpić szumy w instalacji spowodowane zbyt dużą prędkością przepływu
Radzajvectra Opublikowano 28 Listopada 2018 Autor #5 Opublikowano 28 Listopada 2018 Dzięki za pomoc rozglądne się za sprzęgłem i skonfiguruje zestaw by wyszło taniej bo widziałem gotowce są drogie , w sumie to robi się dla siebie na długie lata. A jeżeli chodzi o cwu to najlepiej wpiąc już za sprzegło czy przed?.
odpowietrznik Opublikowano 28 Listopada 2018 #6 Opublikowano 28 Listopada 2018 Przed jak na schemacie.Układ ze sprzęgłem może być zarówno otwarty jak i zamknięty.Musi być zawór zwrotny za pompą tą przed kotłem a za VTC(nie ma na schemacie)
Radzajvectra Opublikowano 29 Listopada 2018 Autor #7 Opublikowano 29 Listopada 2018 Zapoznałem się z dużą literaturą na temat zwrotnic hydraulicznych ( sprzęgła hydrauliczne ) i moją uwagę zwróciło to ze sprzęgła hydrauliczne , ( Sprzęgło hydrauliczne także chroni kocioł przed zbyt niską temperaturą wody powrotnej (korozja niskotemperaturowa). W wielu przypadkach spotkałem się z taką informacją i trochę zgłupiałem tym bardziej według informacji nie trzeba stosować 3D , ale sadzę ze jeśli chroni to nie w pełni. może ma na to wpływ czy układ działa przy maksymalnym lub minimalym obciążeniu , zależy zapewne od pracy pomp bo jeżeli układ nie działa w pełni to ciepła woda woda miesza się z zimną na powrocie . może nie wyjaśniłem się jasno ale trochę ogłupiałem i nie wiem czy prawdopodobnie dołożę zawór 3 D z siłownikiem bo nie chcem być rozczarowany .
KubaSko Opublikowano 29 Listopada 2018 #8 Opublikowano 29 Listopada 2018 jeśli występuje większy przepływ po stronie pierwotnej to zabezpiecza, dajesz pompę 60 bieg na 3 i hula, sprawdzone, działa.Ten VTC tak naprawdę spełnia rolę tylko przy rozruchu później jest otwarty tak jakby go nie było. To jest to samo co termostat w samochodzie, najpierw na krótko później w trasie na chłodnice :).
odpowietrznik Opublikowano 29 Listopada 2018 #9 Opublikowano 29 Listopada 2018 W obiegu kotłowym nie zakładaj zaworu 3D z siłownikiem lecz zawór temperaturowy którego działanie polega na tym że w pierwszej kolejności puszcza na obieg kotłowy dzięki czemu kocioł szybko osiąga pożądaną temp.na powrocie po czym dopiero otwiera przepływ na instalację(tu sprzęgło)
gmaj22 Opublikowano 30 Listopada 2018 #10 Opublikowano 30 Listopada 2018 W dniu 29.11.2018 o 22:25, KubaSko napisał: jeśli występuje większy przepływ po stronie pierwotnej to zabezpiecza, dajesz pompę 60 bieg na 3 i hula, sprawdzone, działa.Ten VTC tak naprawdę spełnia rolę tylko przy rozruchu później jest otwarty tak jakby go nie było. To jest to samo co termostat w samochodzie, najpierw na krótko później w trasie na chłodnice :). Dokładnie tak to działa. Pompa 60tka na "dwójke" to zbytnie uproszczenie. Najlepiej na miejscu ustawić większy przepływ w obiegu kotłowym.
Radzajvectra Opublikowano 2 Grudnia 2018 Autor #11 Opublikowano 2 Grudnia 2018 Dzięki panowanie za pomoc , po przemyśleniu wszystkich mozliwośći i planów na przyszłość wiosną ruszam z robotą w domu. Wstawię sprzęgło na dwa zródła ciepła . ponieważ w mojim domu znajduje się komin w salonie do którego podłącze kominek, pierwotnie myślałem żeby grzał powietrzem ale nie chce inwestować w cały układ z uwagi ma duże koszty i dodatkowymi pracami by ukryć wszystkie rury w sufitach bo jest to dom piętrowy , także postanowiłem o kominku z płaszczem wodnym którego podłączę do układu centralnego ogrzewania , oczywiście nie nastąpi to odrazu ponieważ ważne jest same centralne na pellet tak jak ocieplenie domu i prace wykończeniowe . w przypadku sprzęgła do kaskady ,pompa cwu zostanie wpięta na wyjśćiu z sprzęgła tak jak obieg CO i podłogówka. kominek bedzię używany sporadycznie ale tak by mieć z tego korzyści gdy będę ogrzewał dom w okresie gdy temperatury nie będą tak bardzo na minusie ale i z jednego powodu gdyż żona się uparła na kominek żeby był wizualnie a ja go wykorzystam praktycznie , posiadam dużą ilość drzewa także też mam jak to wykorzystać ale moim najważniejszym zasilaniem będzie piec na pellet gdy jest on mało obsługowy i ekonomiczny. jeżeli chodzi o działanie wspólne żródeł ciepła to wciąż się zastanawiam jak sterowanie połączyć ale mam trochę czasu i wiedzy to napewno wymyśle jakoś automatyke bo sam sterownik do kaskady jest drogi a mi chodzi tylko o seperacje zasilania pomp i czujników .i swobodnego przełaczenia się miedzy kocioł a kominek . W Przypadku pracy kotła na pallet mają działać obiegi CO , CWU i Podłogówka W Przypadku pracy kominka z płaszczem wodnym mają działaś obiegi CO i CWU a ogrzewanie podłogowe ma być wyłączone. i moje nurtujące się pytanie czy te dwa zródła ciepła w systemie otwartym mogę połączyć z jedym już wiekszym naczyniem przelewowym czy muszą być osobne. i jaki jakiej marki kocioł na pellet polecacie . mnie interesuje moc 16 kW może Gelmet lub Ogniwo Eko.
Rekomendowane odpowiedzi
Zarchiwizowany
Ten temat przebywa obecnie w archiwum. Dodawanie nowych odpowiedzi zostało zablokowane.